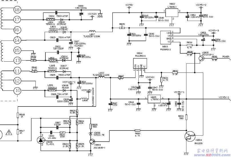
STR-W6756振荡部分电路工作电路
STR-W6756电源输出及稳压电路原理

TL431 组成电路特点分析
TL431 图中 给出了一个典型的电路。R1 和R2 设置分压器,这样在所需的输出电压上,R1 与R2 的结电压等于TL431 的内部参考电压。电阻R3 以及电容C1、C2 在TL431周围提供了所需的反馈回路补偿,可稳定控制回路。其中C1是偏差电压积分电容,它将TL431(R)极偏差电压积分并保持,以使在偏差电压极小的情况下,TL431(K)极的稳态输出也很大,提高稳态电压调整率(提高10 倍以上)。C1 越小积分时间越短,电压调整越快,但太小会使灵敏度过高而不稳定;R3 是动态反馈电阻,它确定TL431 的动态电压调整率。R3 越大电压调整越快,同样R3 过大会使反馈过强而不稳定;R3、C1 共同决定整个电路的电压调节性能和稳定性。
改变R1、R2实现+B调整。R2增大,+B下降,反之+B上升。也可通过改变R1来实现+B调整。R1增大,+B增大
版权声明:本文为转载文章,版权归原作者所有,欢迎分享本文,转载请保留出处!