接中篇
(二)Zilog 遥控系统在 TCL、飞利浦机心中的应用
1.电路分析
TCL 飞利浦机心所包含的具体机型很多,如 TCL-2111D、TCL-2136D、TCL-2980DB、 TCL-2988DB 等。这类彩电的小信号处理器为 OM8838,CPU 为 Z90231,常用的软件号有 M12 和 M19V2 两种版本,它们所能实现的控制功能基本相同。下面以 TCL-2988DB 彩电为 例来分析遥控系统的工作原理,参考图 13。
TCL-2988DB 彩电的遥控系统采用 M19V2 软件,掩膜后命名为 M19V2P-Z。其工作过
程如下。
(1)脚输出调谐控制电压,送至调谐器。在调谐时,(1)脚输出的脉冲宽度不断变化,调谐 器的 VT 电压从 0V 向 33V 线性变化,控制调谐器从低端向高端搜索。每搜索一个波段后, 调谐器的 VT 电压会回到 0V,并再一次向 33V 变化。
(2)脚输出音量控制电压,送至伴音功放电路,控制音量的大小。
(3)、(4)、(37)脚可组成一组三总线,(3)脚输出时钟信号,(4)脚输出片选信号,(37)脚输 出数据信号。本机未使用这三脚的控制功能。
(5)、(6)脚输出波段控制电压,控制调谐器的工作波段。控制逻辑已在图中标出。
(7)脚功能未定义。
(8)脚输出低音控制电压,高电平时,压缩高音,相对提升了低音;低电平时,提升高音, 相对压缩了低音。
(9)脚为 AGC 电压输入端,可用于 AGC 的自动跟踪,但本机未使用这一功能。
(10)、(11)脚外接本机键盘,共没七个按键。(12)脚为指示灯驱动端,点燃外部指示灯。
(14)、(15)脚输山伴音制式控制电压,送至伴音制式切换电路。当(14)脚为低电平、(15) 脚为高电平时,伴音电路工作于 I 制;当(14)脚为高电平、(15)脚为低电平时,伴音电路工 作于 D/K 制。
(16)脚为游戏伴音输出端,本机未用。
(17)脚为 SRS 控制端,本机没有 SRS 音效处理器,当(17)脚输出高电平时,SRS 开启, 此时,伴音具有三维虚拟环绕效果;当(17)脚输出低电平时,SRS 关闭,SRS 处理电路对音 频信号不作音效处理。
(18)脚输山 PAL/NTSC 制式控制电压,送至枕形校正电路。PAL 制时,(18)脚输出低电平,
枕形校正电路的校正量小;NTSC 制时,(18)脚输出高电平,枕形校正电路的校正量提高。
(19)、(20)脚输出 TV/AV 控制电压,该电压经倒相后送 IC601,控制 IC601 内部开关, 以选择 TV/AV 伴音。在 TV 状态下,(19)脚为高电平,(20)脚为低电平;在 AV1 状态下,
(19)脚为低电平,(20)脚为高电平;在 AV2 状态下,(19)、(20)脚为低电平。
(21)脚为字符半增益(半透明)控制端,在菜单显示期间,(21)脚输出高电平,Q207 饱和导 通,R228 对图像的亮度信号进行衰减,使菜单显示呈半透明状。
(22)、(23)、(24)脚及(25)脚分别输出字符三基色信号及字符消隐信号,送至 OM8838。在 字符消隐信号的控制下,字符三基色信号被插入到图像三基色信号中,最终显示在屏幕上。
(26)、(27)脚分别输入行、场逆程脉冲,以对字符显示进行定位。(28)、(29)脚外接字符 时钟振荡网络,以产生字符时钟信号,控制字符读取的速度。
(31)、(32)脚外接时钟振荡网络,产生系统工作时所需的时钟信号,时钟频率为 6MHz。
(33)脚为复位端,低电平复位方式,复位完毕,保持高电平。Z90231 内部带有复位电路, 此脚可以悬空,也可在其外部再接一复位电路。[Page]
(34)脚为 CPU 的供电端子,供电电压范围为 4.5V-5.5V,典型值为 5V。
(35)脚为梳状滤波器控制端,因本机未设梳状滤波器,故未用此脚的控制功能。
(36)脚为遥控指令输入端,外接红外接收器。
(38)脚输出待机控制指令,经 Q004 倒相后送至电源电路。正常工作时,(38)脚为低电平; 待机时,(38)脚为高电平。在待机状态下,开关变压器各次级绕组输出的各路电压会下降一 半左右,扫描电路停止工作。同时,待机控制电压还要送到伴音功放电路,使伴音电路处于 静音状态。
(39) 、 (40) 脚为 I2C 总线输出端,外部挂有存储器 IC002(24C04) 及小信号处理器
IC201(OM8838)。(41)、(42)脚也为 I2C 总线输山端,一般用来挂接 NICAM(丽音)处理器, 因本机未设 NICAM 处理器,故未用此功能。
2.I2C 总线调整方法 需对用户遥控器进行改造后,再进行调整,方法同银佳系列彩电。
3.故障检修实例
[例 1]开机屏幕出现暗白光栅,不能进行任何操作。 从故障现象上分析,怀疑故障出在遥控系统。先对 CPU 的工作条件进行检查,未发现
异常。再测 CPU、存储器及小信号处理器的 I2C 总线端子电压电基本正常。更换存储器, 故障依旧,再更换 CPU,故障排除。
注意:当存储器损坏时,可使用市售的空白存储器代换,代换后,根据实际情况对有关 项目作适当调整即可。但当 CPU 损坏时,一定要用原厂提供的 CPU 进行更换,
[例 2]开机:屏幕上出现暗光栅,且场幅严重不足,键控和遥控均不起作用。 根据故障现象,怀疑遥控系统有问题,按上例思路进行检修,当更换存储器后,故障排
除。
(三)Zilog 遥控系统在康佳“C”系列小屏幕彩电中的应用
1.电路分析
Z90231 也广泛用于康佳“C”系列小屏幕彩电中(如 F2109C、F2166C 等)。生产时,厂
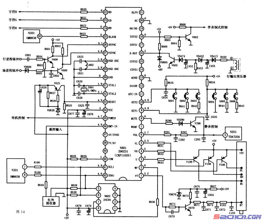
家将机器的控制软件写入到 Z90231 内的 ROM 中,形成掩膜片,并命名为 CKP1105S。 CKP1105S 适应管理 TDA8841/OM8838。以 CKP1105S 构成的遥控系统如图 14 所示(以 F2109C 彩电为例)。由于控制软件的变化,与图 13M19V2P-Z 遥控系统相比,具有如下不同 之处。
(2)脚用于写保护控制,送到存储器(7)脚,当写保护电压为低电平(0V)时,CPU 可对存
储器进行正常的读/写操作;当写保护电成为高电平时,存储器禁止读/写。
(3)、(4)、(5)脚用于波段控制,波段控制电压经 V109、V108 和 V106 送至调谐器的 BU、
BH 及 BL 端子。若(3)脚输出低电平,V109 饱和导通,调谐器工作于 U 段;同理,若(4)脚 输出低电平,调谐器工作于 VH 段;(5)脚输出低电平,调谐器工作于 VL 段。
(6)脚输出音量控制电压,经 RC 滤波后送至伴音功放电路 N201(5)脚,以控制音量的大 小。(7)脚为低音音量控制端,本机未用。(8)脚输出静音控制电压,静音控制电压经 V298 倒相后与音量控制电压叠加,送至伴音功放电路。在正常工作时,(8)脚输出低电平,V298 截止,不影响伴音功放电路的工作情况;当搜索节日、无信号或按“静音”键时,(8)脚输 出高电平,V298c 极输出低电平(0V),伴音功放电路处于静音状态。
(9)、(10)脚外接键盘,各设三个按键。[Page]
(11)脚为 AFT 电压输入端,本机未用。(12)脚为丽音芯片(MSP3410)控制端,田本机未 没丽音功能,故(12)脚未用,(14)、(15)脚为彩色制式控制端,因本机彩色制式控制是由 I2C 总线完成的,故(14)、(15)脚未用。
(16)脚为过流及 X 射线保护检测输入端。正常工作时,(16)脚为高电平。当+8V 电源过 流时(如对地短路),VD665 导通,(16)脚变为低电平,CPU 进入保护状态,并从(35)脚输出 待机电压,整机进入待机状态。另外,当行逆程脉冲过高时,行逆程脉冲经 VD413 整流、 C455 滤波后,所得到的直流电压也升高,从而使 VD452、VD474 导通,进而使 V665 饱和 导通,(16)脚变为低电平,CPU 自动保护,整机进入待机状态。
(17)、(18)脚为伴音制式控制端,本机只使用了(18)脚,而(17)脚未用。(18)脚输出的伴
音制式控制电压经 V602 倒相后,送至伴音制式切换电路。当工作于 D/K 制时,(18)脚输
出低电平;当工作于 I 制时,(18)脚输出高电平。
(19)脚为 60/50Hz 场频控制端,本机未用。
(21)脚为字符半增益(半透明)控制端,本机未用。
(35)脚输出待机控制电压,送至电源电路。正常工作时,(35)脚输出高电平,待机时,
(35)脚输出低电平。
(37)脚为 AV/SVHS 控制端,本机未用。(38)脚为 TV/AV 控制端,本机未用。
(39)、(40)脚即可作为 I2C 总线输出端,又可作为编程 I/O 端口。本机未对(39)脚的功 能进行定义,(40)脚经电阻接+5V。
(41) 、 (42) 脚为 I2C 总线输山端 ,外部挂有 存储器 N602(24C04) 及小信号处理 器
N301(OM8838)。
2.I2C 总线调整方法
按工厂专用遥控器"FAC”键,屏幕将显示“FACTORY ON”,表明进入调整状态。再按
"OPTION”键,屏幕显示菜单 1 内容,用“频道增/减”键选择调整项目,用“音量增/ 减”键改变数据。
在菜单 1 状态下,按"OPTION"键,屏幕将显示菜单 2 调整项目。此菜单中的项目一般 无需调整。
在屏幕显示菜单 2 内容后,再次按 OPTION 键,屏幕将显示菜单 3 调试内容,共有两 个调整项目。用“音量增/减”键,可调整 AGC。用“频道增/减”键,可调整副亮度(CI,)。 调整完毕后,按压 FAC 键不动,直至屏幕改变显示,再按压 FAC 键,便退出维修模式。 也可将用户遥控器改装成工厂遥控器,方法是:将用户遥控器上盖的粘贴片撕开一点, 可发现左下角有两个键未装(或被剪短),这两个键便是调试键,一个为“FAC”键,另一个
为"OPTION”键。
3.故障检修实例
[例 1]开机呈三无,而指示灯亮。
先测+B 电压,只有几十伏,测 CPU(35)脚电压为 0V,说明处于待机状态。仔细观察, 发现开机瞬间机器能发山“吱”的叫声。由此可知,开机瞬间行扫描电路能工作,故障很可 能是由于保护电路动作引起的。测 CPU(16)脚电压,在开机瞬间有一个由高→低→高的跳变 过程,说明 CPU(16)脚有一个低电平脉冲输入,而使 CPU 进入保护状态,故障很可能在(16) 脚外围的 X 射线保护电路。但通过检查后,一无所获。于是怀疑是行逆程脉冲过高而引起
X 射线保护电路动作。查行输出电路,发现一只逆程电容开焊,补焊后故障排除。
[例 2]图像正常,但伴音小。[Page]
调节音量时,测 N201(5)脚电压只能在 0.1V~O.5V 范围内变动。测 CPU(6)脚电压能在
0.1V~4.6V 范围内变动。说明 CPU 输出的音量控制电压是正常的,故障可能在(6)脚外围的
RC 积分滤波电路或(8)脚外围的静音电路。检查发现 V298 击穿,更换后故障排除。 六、松下遥控系统
松下遥 控系统有多 种类型,目 前,在国产 数码彩电中 广泛使用的 有两种,一 种以 MN152810 为 CPU,第二种以 MN1871274 或 MN1873287 为 CPU。前者主要用于创维 5000 系列数码彩电及嘉华数码彩电,后者主要用于长虹 CN-5 机心和 CN-11 机心。
(一)CPU 介绍
MN152810、MN1871274 及 MN1873287 均由日本松下公司推出,是采用 CMOS 工艺制 作的单片 8 位 CPU。内含微处理控制单元、RAM、ROM、字符发生器及 I/O 端口等电路。 MN152810 采用 52 脚封装,MN1871274 和 MN1873287 的引脚方式相同,均采用 42 脚封装。
(二)松下遥控系统在长虹 CN—11 机心中的应用
1.电路分析
长虹 CN-11 机心以 MN1873287 为 CPU,有两种掩膜片。一种版本号为 CHT0606,另 一种版本号为 CHT0608,这两种掩膜片的引脚功能完全相同(但不能互换),可管理存储器
(AT24C04 或 AT24C08)、小信号处理器(NN5099K)和伴音处理器(KA22686)。下面以长虹
PF25E8 纯平彩电为例来分析这种遥控系统的工作过程,参考图 15。
CPU(1)脚为红外遥控指令输入端,外接红外接收器。
(2)脚为 AFT 电压输入端,AFT 电压由小信号处理器 NN5099K(23)脚送来。CPU 通过检
测 AFT 电压,可判断调谐的准确度,还能实现 AFT 的自动跟踪,防止跑台现象的产生。
(3)、(4)脚为键盘控制指令输入端,外接本机键盘,共设 6 个按键。
(5)、(6)脚为一组 I2C 总线端子,本机未用。
(7)、(8)脚输出 TV/AV 控制电压,分别经 V191 和 V192 倒相后送至 NV01,控制 NV01
的工作状态,使 NV01 按要求选择 TV 信号和 AV 信号,控制逻辑见表 2。
(9)脚为总线开/关控制端,高电平时,CPU 拥有总线控制权,能利用(37)、(38)脚输出 总线信号。当(9)脚为低电平时,CPU 处于软件设置状态,此时,CPU 不能通过(37)、(38) 脚输出总线信号。在实际电路中,(9)脚经 10kΩ 电阻接+5V 电源。
(10)脚为图文功能控制端,因本机未设图文电路,故未用此脚。
(11)脚为待机控制端,待机控制电压送至电源电路。正常工作时,(11)脚输出低电平(0V)。 待机时,(11)脚输出高电平,一方面使电源处于弱振荡状态,+B 电压下降一半左右;另一 方面,还切断行起振电源(HVcc),使扫描电路停止工作,呈三无。
(13)脚为行同步信号输入端,本机未用。
(14)脚为 BBE 音调控制端;(15)脚为 BBE 功能开/关控制端。因未设 BBE 电路(音效改
善电路),故(14)、(15)脚悬空未用。
(16)脚为环绕声指示灯控制端,因未设环绕声处理电路,故未用此脚。(17)脚为键盘指 示灯控制端,未用。
(18)脚为音量控制端,本机未用,音量控制由 I2C 总线来完成。
(19)脚为副载波制式控制端,副载波制式也由 I2C 总线来控制,故未用(19)脚的控制功
能。
(20)脚为梳状滤波器控制端,因未设梳状滤波器,故(20)脚未用。
(21)脚为伴音制式控制端,控制电压经 V142 倒相后送至声表面滤波器,控制声表面滤[Page]
波器的工作模式。当(21)脚输出高电平时,声表面滤波器适应处理 NTSC-M 制节目;当(21)
脚输出低电平时,声表面滤波器适应处理其他制式的节目。
(22)、(23)、(24)脚输出波段控制电压,低电平时有效。当(22)脚为低电平时,调谐器工 作于 U 波段;当(23)脚为低电平时,调谐器工作于 VH 波段;当(24)脚为低电平时,调谐器 工作于 VL 波段。任何时刻,这三脚中只有一个脚为低电平。
(25)脚为视频静噪控制端,未用。
(26)脚为静音控制端,高电平时,伴音功放电路处于静音状态,无信号输出。
(27)脚输入行逆程脉冲,为字符显示提供行定位信息,行逆程脉冲来自行输出电路。
(35)脚输入场脉冲,为字符显示提供场定位信息,场脉冲来自 N701(46)脚。
(28)脚用于过流检测,当行负载出现过流时,R451 上的电压升高,V451 导通,其 c 极 输出高电平送至(28)脚,CPU 进入保护状态,并从(11)脚输出高电平,将电源置于待机状态, 此时,用遥控器也无法开机。另外,当电源电路出现故障而使+9V 电压大幅度上升(超过 15V) 时,VD451 导通,(28)脚变为高电平,CPU 自动保护。
(29)脚输出字符消隐信号,(30)、(31)、(32)脚分别输出字符 B、G 和 R 信号,均送至 NN5099K。在字符消隐信号的控制下,字符 R、C、B 信号被插入到图像信号中。在无信号 时,字符消隐信号为高电平,此时,NN5099K 选择字符信号进行输出,由于 CPU 自身未能 输出蓝屏信号,故由 V199 将行逆程脉冲倒相后送入 NN5099K(8)脚,充当蓝屏信号。使机 器在无信号状态时能显示蓝屏。
(33)脚输出调谐控制电压,经 V171 放大和 RC 滤波后送至调谐器。
(34)脚为复位端子,外接复位电路。开机瞬间,(34)脚获得一个低电平复位脉冲,复位完 毕,保持高电平。
(36)脚为定时指示灯控制端,正常工作时,(36)脚为高电平,VE02 截止,DE01 熄灭。设 定定时开机功能后,(36)脚为低电平,VE02 导通,DE01 亮,以作定时指示。
(37)、(38)脚构成一组 I2C 总线,这组总线上挂有存储器(N102)、小信号处理器(N701)、 音频处理器(N662)及场扫描电路(N301)。通过这组总线可实现本机的绝大多数控制功能。
(39)脚为供电端,(40)、(41)脚为时钟振荡端,外接 12NIHz 振荡器。CPU 未设字符时钟 振荡端子,字符时钟由内部锁相电路提供。
2.I2C 总线调整方法 按住本机“菜单”键。再按遥控器的“5”、“1”、“9”、“8”数字键后,屏幕上显示“S”
字符,表明机器进入维修模式。然后,按遥控器“菜单/智能”键,进入功能预置状态;按
“降噪”键,进入几何失真调整状态;按“日历”键,进入 NN5099 调整设置状态。用“频 道增/减”键可选择调整项目,用“音量增/减”键可调整数据。关机可退出维修模式。
3,故障检修
[例 1]开机图像正常,但伴音中有噪声。 伴音有噪声,说明伴音电路工作制式不正常或伴音中频选频网络特性不良。先查 CPU(21)
脚电压正常,在准备查第二伴音中频选频网络时,发现机内未设 6.5MHz 选频元件,原来
6.5MHz 选频是由 NN5099 内部电路单元来完成的。于是进入维修模式,检查与伴音有关的 一些项目的设置情况,发现"SIFSW"项为"EXT"(外置),将其改为"INT'’(内置)后,故障排 除。[Page]
[例 2]开机后呈三无现象。
先测开关电源输出的+B(145V)电压,约 70V 左右,怀疑机器处于待机状态。测 CPU(11) 脚电压为高电平,说明 CPU 输出了待机控制电压,使机器进入了待机状态。测 CPU(28)脚 电压,在开机瞬间该脚跳变为高电平后又立即回到低电平。由此可知,CPU 已检测到了过 流(或过压)现象。断开 R455 开机,故障依旧,说明故障并非+9V 过压引起,而应是行负载 过流引起。重点检查行输出电路,结果查得行输出变压器损坏,更换后故障排除。
七、ST 遥控系统
ST 遥控系统是以 ST92186 或 ST92196 为 CPU 而构成的,主要用于海信 ST 机心及创维
5D20 机心。
(一)CPU 介绍
ST92186 和 ST92196 是 ST(意法半导体)公司推出的单片 CPU,内含控制器、运算器、 ROM、RAM、屏显电路、可编程 I/O 端口等电路。这些芯片是近两年才开始用于国产数 码彩电的。它们采用电压合成调谐方式,具有 PAL/NTSC 制控制功能,采用增强型字符显 示器,字符图案非常丰富,具有多路可编程 I/O 端口,通过软件编程可设定 I/O 端口的 具体功能,采用 I2C 总线控制方式,整机绝大多数控制功能依靠此总线来完成。
ST92186 和 ST92196 的引脚方式有所不同,ST92186 采用 42 脚封装形式,一般用于单
片数码彩电中;ST92196 采用 56 脚封装形式,控制能力比 ST92186 更强,一般用于高档数 码彩电中。
(二)ST 遥控系统在海信 ST 机心中的应用
1.电路分析
海信 ST 机心是海信公司独立设计的新一代大屏幕彩电机心,属单片机结构,主要型号
有 TC2911C、TF2911C 及 TF29100 等。它的小信号处理器选用 ST 公司生产的大规模集成电
路 STV2246,CPU 选用 ST 公司推出的单片 8 位微处理器 ST92186,控制软件也是海信公司 自主开发的。下面以 TF29100 彩电为例来分析 ST 机心的遥控系统,参考图 16。
CPU(1)、(5)、(6)、(10)、(11)、(14)、(32)、(36)、(37)脚的功能未定义,这些脚悬空。
(2)、(22)、(25)脚为供电端子,与+5V 电源相连,这三脚必须采用同一电源进行供电。
(3)、(4)脚为 I2C 总线端子,因 I2C 总线采用开路漏极输出方式,故必须使用上拉电阻 来给总线输出端供电,上拉电阻由 R701 和 R702 担任。I2C 总线上共挂有 4 个被控器件, 即存储器 N702(ST24C08)、小信号处理器 N201(STV2246)、场扫描电路 N301(STV9306)及音 频处理器 N503(TAl216AN)。微处理器通过 I2C 总线来对各被控器件进行控制。
(7)、(8)脚输出 TV/AV 切换电压,分别经 V504 和 V503 倒相后送至 N501(TC4052),
完成 TV/AV 音频切换。当(7)脚为低电平、(8)脚为高电平时,N501 工作于 AV2 状态;当
(7)脚为高电平、(8)脚为低电平时,N501 工作于 AV1/AV3 状态;当(7)、(8)脚均为高电平 时,N501 工作于 TV 状态。
(9)脚输出地磁校正控制电压,送至地磁校正电路,防止因地磁场的影响而引起光栅倾
斜的现象。
(12)、(13)脚输出波段控制电压,控制调谐器的工作波段。当(12)脚为低电平、(13)脚为 高电平时,调谐器工作于 VL 波段;当(12)脚为高电平、(13)脚为低电平时,调谐器工作于
VH 波段;两脚都为高电平时,调谐器工作于 U 波段。
(15)脚为 YUV 识别信号输入端子,当未插入 YUV 端子时,(15)脚为低电平;若插入 YUV 端子,则(15)脚变为高电平,此时微处理器能通过 I2C 总线将 N201(STV2246)设置于 YUV 接收状态。[Page]
(16)脚输出制式控制电压,用来控制 33.5MHz 陷波器及 NB01(HEF4052)的工作情况。 当(16)脚为低电平时,对应 PAL 制工作状态;当(16)脚为高电平时,对应 NTSC 制工作状态。
(18)、(19)、(20)、(21)脚分别输出字符消隐信号及字符三基色信号,分别送至小信号处 理器 N201(37)脚、(34)、(35)、(36)脚。在字符消隐信号的控制下,字符三基色信号能插入 到图像三基色信号中。
(24)脚外接时钟锁相环路滤波韶,以锁定时钟频率。(26)脚外接字符时钟锁相环路滤波
器,以锁定字符时钟频率。
(27)、(28_脚分别为行逆程脉冲和场逆程脉冲输入端。行、场逆程脉冲对字符显示起定 位作用,使字符能显示在扫描正程。
(29)脚为遥控指令输入脚,与红外接收器相连。
(30)脚为键控指令输入端,与本机键盘相连,本机键盘共设 6 个按键,每按一个按键,
(30)脚就会得到一个相应的电压,从而使 CPU 产生相应的控制指令。
(31)脚输出调谐 PWM 脉冲,经 V704 倒相放大后,再由三级 RC 积分网络进行滤波将
PWM 脉冲转化为直流电压,送至调谐器的 TU 端子,控制调谐器的工作频率。
(33)、(35)脚之间接时钟振荡器,以产生系统时钟(4MHz),时钟振荡器采用 PLL 控制方 式,频率十分稳定。系统时钟还要经分频处理,得到字符时钟,在字符时钟的控制下,方可 读出字符 ROM 中的信息。
(38)脚输出待机控制电压,送至电源电路。正常工作时,(38)脚输出高电平;待机时,
(38)脚输出低电平。
(39)脚输出消磁控制电压,每次开机后,(39)脚输出一个高电平,使消磁电路工作。消 磁完毕,(39)脚变为低电平,消磁电路停止工作。
(40)脚为复位电压输入端,刚开机瞬间,因+5V 电压尚未上升到稳定值,VD706 和 V701 均截止,(40)脚为低电平,微处理器作一次清零操作。待+5V 电压上升至稳定值时,VD706 导通,V701 饱和导通,(40)脚变为高电平,复位结束,微处理器开始工作。
(42)脚输出静音控制电压,正常工作时,(42)脚输出低电平。在无信号、搜索节目、换 台及人工静音时,(42)脚输出高电平,处于静音状态。
2.I2C 总线调整方法 用普通遥控器进行调整,先将音量调到最小,频道号设定到“123'’,再将频道号设定
到"21”,接着按本机“菜单”键,即可进入维修模式。 在维修模式下,用“频道增/减”键,可选择调整项目,用“音量增/减”键,可进行
数据调整。调整完毕,遥控关机,可退出维修模式。
3.故障检修
[例 1]开机屏幕上出现暗光栅,键控和遥控均失灵。 从故障现象上分析,怀疑故障出在遥控系统。先对 CPU 的工作条件进行检查,其供电、
时钟及复位电路均正常。再查 I2C 总线控制系统,CPU(3)脚(SCL 端)电压为 3.2V 左右,略 低于正常值。操作本机按键或遥控器按键时,SDA 线和 SCL 线的电压均不抖动,怀疑总线 系统存在故障。采用断路法进行检查,当断开 R728 时,CPU(3)脚电压变为 4.7V,由此可知, 存储器很可能损坏,用已写数据的存储器更换后,故障排除。
[例 2]无图无声,键控和遥控均失灵。
先查 CPU 的工作条件,发现(40)脚复位电压为 1.7V 左右,低于正常值,怀疑复位电路 有问题,通过对(40)脚外部电路检查后,未发现异常。断开 R721 后测 V701 c 极电压为 4.8V 左右,说明问题出在 CPU 内部电路。用厂家提供的 CPU 更换后,故障排除。[Page]
新型彩电常用的七种遥控系统原理分析与检修(下)
2017-05-16 19:31:51
阅读 744 次
评论 0 条
版权声明:本文为转载文章,版权归原作者所有,欢迎分享本文,转载请保留出处!