接修一台创维47E5ERS型液晶彩电,按电源开关可见指示灯亮,可无论按遥控器或机上的“电源"开机键,均无法开机,同时看到指示红灯亮度渐变暗。拆开机壳,在电源板上24V端焊上30V电压表,12V端及5V端也同时焊,上电压表,便于观察。接通电源,发现刚开始24V、12V及5V正常,但很快24V下降到约15V,12V下降到约7V,5V电压基本不变,试在+5VSB端接一只3.3k电阻到STB端,欲使开机后STB端一直为4V多开机电压,但开机却无效。
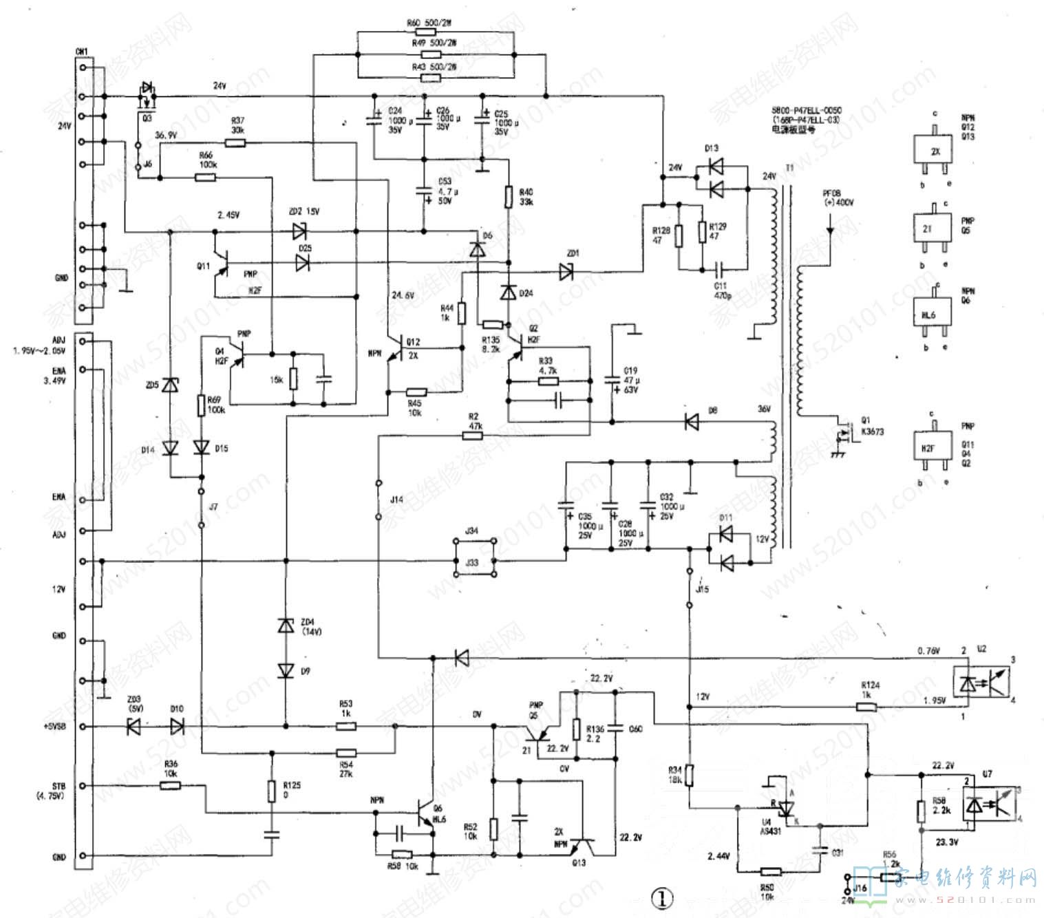
为了判别主板,屏等是否正常,决定先用一块正常的功率足够的有24V、12V、5V电源板替代。于是分别用粗电线焊接在24V、12V、5V端口上,通电试机,发现24V、12V一样会下降,但串接在220V电源上的1A交流电流表,未发现表针摆动,即无启动电流,正常串在220V交流电流表,整机有负载时交流电流上升到0.2A~0.5A。看来负载是很轻的,分析代替板电压下降,可能受原电源电路上元件影响造成的,决定断开有影响的J85、J33、J34、J12连线,及断开24V通断切换管Q3的S脚,通电再试,24V、12V 4V电压已稳定,指示红灯亮稳定,再按本机“电源“开机键,一会儿后1A交流电流表约有0.3A~0.4A指示,厂标字符的光栅出现,再插上AV信号,正常的图像及声音出现,看来该机的主板、屏等均是正常的,故障仅出在电源板上。从以上试机分析,电源板的故障应在电源的次级上。因无电路图,决定先实绘出开关电源次级电路,如图1所示。
先拆下光耦U2.U7测量均正常,再用自制焊拆工具拆焊各贴片三极管,用万用表RX1k挡红、黑表笔正、反向测量Q13 (型号2X),e、c极阻值分别是6.8k和7k,正常均应是无限大。由于对2X型贴片三极管的性能不了解,不知是否复合了其他元件,所以在该板中找到Q12型号一样的2X三极管,拆下对比实测(RX1k挡),测e、c极正反值均为无限大,看来Q13的e、c极已漏电。从邮购的贴片三极管包中找到2X型的贴片三极管,通过测量也进一步证实,Q13的e.c极是漏电的。将新2X贴片三极管焊上电源板,再试机,整机正常。试用几天后交付顾客长时使用均正常。
从图1分析,正常情况下开机时,Q13的c极电压为22.2V,b极为0V,Q13处于截止状态,Q5也处于截止状态。U4基准IC(AS431 )的K极输出控制电压到光耦U7的②脚,正常值是22.2V,由于Q13的e极接地,e极与e极漏电,必然将光耦u7的②脚电压拉低,造成光耦U7初级收到错误信息,使24V、12V电压下降。
版权声明:本文为转载文章,版权归原作者所有,欢迎分享本文,转载请保留出处!
