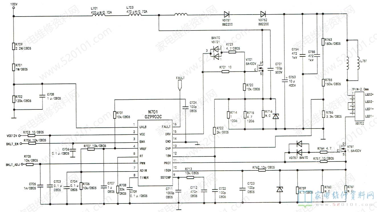
接修一台康佳32英寸的液晶电视,型号为LED32F3600CE,板号为35017303(图纸),开机后电源指示灯亮绿灯,有声音无图像,黑屏。打开机壳,插上电视信源及电视插头开机,绿灯亮,有声音,屏背光灯不亮。黑屏,背光不亮不外乎两种情况:1.背光电路没工作;2.背光灯条坏。灯条损坏故障表现比较多,如开机屏一亮即灭、屏暗角,屏亮度不均等等。用数字万用表电压挡测量电压,测量C901处为300V(正常)、CW966处为12.2V(正常),背光供电电容CW953处为112V到118V不稳定(图纸标注100V)。断电,用电阻挡测量VDW961正、反向电阻正常,背光供电整流二极管VDW951正、反向电阻正常,背光升压二极管VD751正、反向电阻击穿短路。换用同型号VD751后上电试机,光栅出现。断电,合上后盖,插上信源试机,图声正常,电视修好。相关电路见图1,实物见图2。
在这里还要补充说明一下,二极管VD751的型号是SB2200,不能用普通二极管代换,最好用原型号的,要不然可能造成二次维修。若真找不到同型号的二极管,可用3至4个RU4Z并联代换。该故障可能是通病,我已修好8块此类三合一板,都是损坏VD751。
版权声明:本文为转载文章,版权归原作者所有,欢迎分享本文,转载请保留出处!
