乐华TSUMV36KU机芯液晶电视电路原理与维修

2023-02-22 19:49:00  阅读 1856 次 评论 0 条
摘要:

乐华TSUMV36KU机芯液晶电视是一款高性价比经济型液晶彩电,在社会上有一定拥有量。主控芯片采用TSUMV36KU(位号u8)。该机芯除TV收视功能外,还有HDMI、VGA、Y/Pb/Pr.S端子、AV输入/

      乐华TSUMV36KU机芯液晶电视是一款高性价比经济型液晶彩电,在社会上有一定拥有量。主控芯片采用TSUMV36KU(位号u8)。该机芯除TV收视功能外,还有HDMI、VGA、Y/Pb/Pr.S端子、AV输入/输出等功能。采用该机芯生产的彩电型号有:LCD26P10/A、LCD32P10/A、LCD37P10/A、LCD40P10F、LCD42P10FB等。下面介绍该机芯彩电的视、音频电路信号流程与常见故障检修。
一、视、音频信号流程

1.视频信号流程

乐华TSUMV36KU机芯液晶电视电路原理与维修 第1张

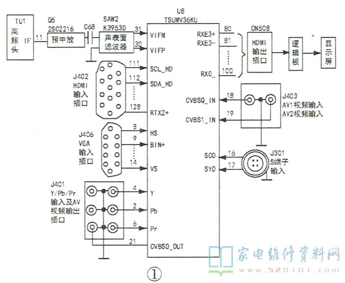
      乐华TSUMV36KU机芯液晶彩电的视频信号流程框图见图1所示。由图1可知,高频头(TU1)11脚输出的中频信号,经Q5作预中放放大、图像声表面滤波器SAW2(K3953D)选频后,被送入主控芯片U8的30、31脚。在U8内部,图像中频信号经AGC中频放大、PLL视频检波等处理后解调出TV图像信号,经模/数电路转换后送入信号选择开关。被选择后的TV图像信号经3D梳状滤波、彩色解码、同步信号处理、降噪、逐行变换等一系列处理后,再经LVDS编码后得到LVDS数据和时钟信号,从80、81.....100等脚输出,通过插座CN508送入逻辑板,再由驱动电路驱动液晶屏重现图像。另外,HDMI信号经插口J402从U8的111、112....128等脚输入;VGA信号经插口J406从⑧、⑨.....14等脚输入;Y、Pb、Pr信号经插口J401从④、②、⑥脚输入;S端子信号经插口J301从16、17脚输入;AV1、AV2视频信号经插口J403分别18、19脚输入;AV视频输出信号从21脚引出,经插口J401的另一排的第3孔对外输出。上述外机输入信号若被主控芯片选择,再经上述一系列处理与转换后由信号驱动电路驱动显示屏重现图像。

2.音频信号流程

乐华TSUMV36KU机芯液晶电视电路原理与维修 第2张

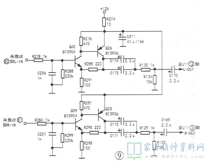
       乐华TSUMV36KU机芯液晶彩电的音频信号流程框图如图2所示。高频头11脚输出的复合中频信号,经Q5等构成的预中放电路放大、伴音声表面滤波器SAW1(K9650M)选频后,送入主控芯片U8的中频伴音信号输入端32、33脚,在U8内部经AGC中频放大、鉴频、检波等处理后解调出音频信号送至信号选择开关。被选择后的伴音音频信号,在U8内部经声频及音效处理后从50、51脚输出,经Q40、Q26及Q39、Q23等元件构成的前置放大电路(具体电路见图9)放大,送至音频功放块U11的信号输入端②、④脚,经其放大后分别从其①、②及15、14脚输出,推动两路扬声器还原出声音。另外,AV1与AV2输入的音频信号经插座J403分别送入U8的41、42脚及43、44脚;Y/Pb/Pr与VGA音频信号经插座J408送入U8的39、40脚;上述输入信号被信号选择开关选择,经与TV音频信号相同的处理过程后由扬声器发声。该机芯的AV输出的L、R音频信号从U8的52、53脚输出,经Q13、Q14构成的前置放大电路(图2中具体电路未画出)作电压放大后,从J401的左,上角两孔对外输出。U11的⑥脚为静音控制端,当该脚为低电平时,放大器将关闭输出,即扬声器静音。本机芯开/关机时静音及观看过程中的人为静音原理,将在后述的故障检修思路中叙述。
二、常见故障检修思路

1.不开机

乐华TSUMV36KU机芯液晶电视电路原理与维修 第3张

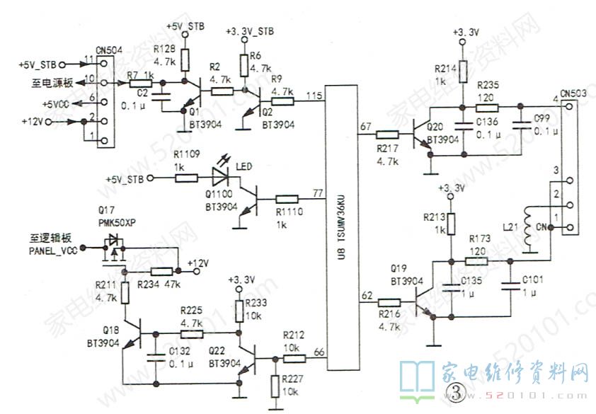
       不开机,是指接通电源开关,按下开/待机键后红色待机指示灯不能由亮变为熄灭(如果开关电源交流输入电路或待机电源有故障,则在接通电源开关后,红色待机指示灯不会点亮),机器声、光全无。本机芯的开机过程是:接通电源开关,开关电源中的待机电源首先工作,并产生+5V_STB待机电压。此电压将作为指示灯电路、遥控电路、键盘电路、EEPROM存储器U14的工作电源.同时,5V_STB还经U4(AM1117)转换为+3.3V STB作为U8内嵌CPU的复位电路、时钟电路及U8外接FLASH存储器u15等相关电路的工作电源,并使它们进入工作状态。按下开/待机键,U8的115脚输出高电平开机信号->Q2导通(这部分电路见图3)->Q1截止->主板上插座CN504 10脚得到约+3.6V高电平->电源板上主电源工作->输出+12V主电压(CN504的①、②脚上可测量到主开关电源送来的+12V主电压)。与此同时,U8的77脚输出低电平,使控制管Q110(BT3904)因基极低电平而截止,由于待机指示灯串接在Q1100的集电极回路,故由点亮变为熄灭;U8的67脚输出低电平BL _ON_out背光板工作信号+控制管Q20截止->集电极输出高电平->使背光灯点亮;66脚输出低电平显示屏供电信号->控制管 Q22截止->控制管Q18导通->开关管Q17导通->逻辑板获得+12V工作电压;62脚输出彩电出厂时设置的初始ADJ PWM亮度信号->控制管Q19处于一定导通状态(此时插座CN503③脚可测得不低于+1V的直流电压)->显示屏点亮,全过程历时约9s。若上述开机过程因故障受阻,主控芯片U8的115、77、67、66、62脚会输出与上述相反的电平 ,主电源停止工作,红色待机指示灯重新点亮检修不开机故障思路可按图4所示的流程框图进行。

乐华TSUMV36KU机芯液晶电视电路原理与维修 第4张

2.无图像

       无图像,是指显示屏为黑屏、灰屏或彩色条纹(俗称“花屏”),但伴音正常。 由于各通道图像信号的处理基本上都是在主控芯片U8内进行的,因此检修无图像故障可按图5所示的流程框图进行。若是某个信号源无图像,应检查U8该信号输入端有无这个信号源的信号波形若没有,应重点检查该信号源输入电路。若有信号波形,说明U8内部的信号切换开关或负责该信号处理的相关电路有故障。可尝试更新软件;若无效,应考虑更换主控芯片U8或主板。

乐华TSUMV36KU机芯液晶电视电路原理与维修 第5张

3.无声音

乐华TSUMV36KU机芯液晶电视电路原理与维修 第6张

       无声音是指所有信号源都无声音,可按图6流程框图来进行检修。为帮助读者检修静音电路故障,下面介绍本机芯开、关机时自动消除“噗”声及观看时人为静音工作原理(参见图2)。开机时,+12V电压经D29③、②脚、R143给电容C147充电->控制管Q11(BT3906)e极电压升高当Q11结正偏电压大于0.75V时->Q11导通->经D30①、③脚、R156使控制管Q12(BT3904)b极高电平->Q12导通->功放块U11静音控制端⑥脚为低电平,实现开机时静音。同时12V电源经R149对电容C146已充电完毕,C146正极经R152使Q11 b极电位高于e极电位->Q11重新截止->Q12 b极又为低电平->Q12重新截止->U11⑥脚恢复高电平->静音解除,保证观看过程声音正常。关机时,C146存储的电荷通过D29①、③脚及R149、12V电源端对地放电->在Q11 b极电位低于e极电位0.75V以上时->Q11再次导通->Q12随之导通->U11⑥脚低电平->实现关机时静音。当观看者按下遥控器静音键时,主控芯片U8 71脚输出高电平,经D30②、③脚、R156使Q12导通,使U11⑥脚为低电平,实现人为静音。如果只是某一信号源无声,可检查该信号源的输入电路,如果没有问题,可能是主控芯片U8内部的信号选择开关电路或该信号源的相关处理电路存在故障,可考虑更换U8或主板来排除故障。
三、故障检修实例
      例1:一台LCD26P10型彩电不能开机。

      按电源开关后,红色待机指示灯点亮,再按遥控开机键待机指示灯不能熄灭。测插座CN504 10脚无约+3.6V的高电平开机信号;再测主控芯片U8的115脚的确也未输出高电平开机信号;查U8相关端子供电情况,均未发现异常。考虑到如果U8内嵌CPU外接的时钟电路或复位电路存在故障,将会导致不开机。于是,先查U8的24、25脚外接时钟电路振荡波形,结果证明无异常;再查复位端113脚,却未测量到复位后的低电平信号。该机芯的复位电路见图7,其工作过程是:在按下电源开关后,其+3V STB电压(是+5V_STB电压通过DC/DC转换块U4转换而来)经D43③、②脚对电容CA20充电->Q15e极电位上升->当Q15e-b结正偏电压大于0.75V时->Q15饱和导通->经R162给U8复位端113脚一个高电平脉冲->接下来CA20所充电荷经Q15、R163对地放电->此时由于电容C111已充电完毕->Q15b极电位接近+3V->Q15e-b结反偏->Q15截止->U8的华脚为低电平->复位过程结束。当对图7所示的电路进行检查时,发现Q15c、e极已经击穿损坏,换为新的BT3906后开机,故障消失。

乐华TSUMV36KU机芯液晶电视电路原理与维修 第7张

      例2:一台LCD32P10型彩电不能开机。接通电源开关后,红色待机指示灯点亮。再按遥控开机键后,待机指示灯不能熄灭。测主控芯片U8的115脚未输出高电平开机信号。测查U8的24、25脚外接时钟电路振荡波形及U8的113脚复位电平,均未发现异常。测U8的的67脚及66脚均没有输出低电平背光电路工作及屏供电信号。注意到机器的开机程序储存在FLASH存储器U15(EN25F8O_100CP)中,如果U15工作失常,就会引发不开机故障。于是,先对U15的各脚电压进行检查,结果发现③脚(写保护端)电压为0V(正常约为+3V,以保证彩电在开、关机时,所存开机程序数据不被丢失),正常时该脚电压是+3.3V STB,通过R209( 4.7k)提供的(相关电路见图8)。测R209两端竟有+3.3V压降,显然不是R209开路,就是U15的③脚内部电路对地击穿。经观察,R209一端焊点疑似虛焊,重焊后试机,仍不能开机。当将存有原始数据的EN25F80_100CP ,对该机所用的U15进行数据拷贝后焊回原位。再试机,故障排除。

乐华TSUMV36KU机芯液晶电视电路原理与维修 第8张

      例3:一台LCD32P10A型彩电无图像(黑屏)有伴音。打开后盖,从显示屏后面观察,发现背光灯并没点亮。由图5可知,导致本故障的可能原因有四个:1.主控芯片未发出背光灯点亮信号;2.背光板工作信号传输电路或背光电路(比如逆变器高压线圈短路、背光灯管破裂、失效等)故障;3.亮度控制电路故障;4.显示屏损坏。首先检测主控芯片U8的67脚,发现该脚已输出低电平背光板工作信号,并经Q20等构成的信号电平转换电路变为高电平送至插座CN503④脚(见图3),再通过排插线送至背光板插槽CN1④脚后,又被送至背光板主控Ic(OZ9925)15脚(这部分电路图3中未绘出)。实测⑤脚无高电平。顺藤摸瓜倒查回去,发现CN1④脚焊点也是低电平,但主板插座CN503④脚焊点却是高电平。显然,故障可能是插座与排线插针接触不良或排线断路。测量排线证明是好的,表明故障是插座与排线插针接触不良。拔下插座CN503的排插观察,发现有氧化的铜绿产生。经用无水酒精清洗、烘干后试机,故障消失。

乐华TSUMV36KU机芯液晶电视电路原理与维修 第9张

      例4:一台LCD37P10A型彩电无声音。经测试,所有信号源均无声音。试用信号干扰法从音频功放块U11的信号输入端12、④脚注入干扰信号,扬声器中有“嗡嗡”声,但从主控芯片U8信号输出端50、51脚注入干扰信号,扬声器中却无任何声音,显然故障应在音频前置放大电路(见图9)。当对这部分电路进行检查时,发现Q26、Q23发射极均无+12V工作电压。观察供电限流电阻R274(10Ω)已因过载而变得发黄,检测证明已基本开路,表明音频前置放大电路存在短路故障,最后确认是滤波电容CA11(47uF)基本击穿。更换上述元件后开机,声音出现,故障排除。
版权声明:本文为转载文章,版权归原作者所有,欢迎分享本文,转载请保留出处!