长虹液晶电视LS42S机芯是一款普通液晶电视机芯,采用MSTAR芯片TSUMV59XUS-SJ作主芯片,完成图像、伴音和控制三大功能信号的处理和控制,主板编号为JUC7.820.00066596,见图1实物介绍,整机信号处理框图见图2。
此主芯片最大特点是,对不同格式信号处理无需外挂动态帧存储器,故主板元件使用数量大减少,电路结构简单、工作可靠性高、维修容易。其代表产品型号:LED28C3000、LED32C3000、LED39C3000、LED42C3000、LED32B2000C(L60 )、LED32B2000C( L59 )、LED42B2000C( L60)、LED32B2080( L59)、LED32B2080( L60)、LED42B2080 (L60)、LED32B1180、LED42B1180、LED32B1280、LED42B1280、LED42B1280 (L58 )、LED32B1300 (L58 )、LED42560、LED42B2100C、LED42B3060( L60 )、LED42D30、LED46B1000C (L58 )、LED42B1080等。
1.主要IC功能
U13:主芯片,型号为TSUMV59XUS-SJ,完成各类信号源接收,并做模数转换ADC、视频解码VideoDecoder、格式及分辨率转换Scaler、3D梳状滤波YC分离、多媒体解码、LVDS TX等处理,形成LVDS信号去TCON。此芯片还完成各种节目源音频接收与切换、AudioADC、AudioDSP(数字音频处理)并输出音频去伴音功放。除此之外,芯片还集成有控制系统,接收遥控或本机键控指令,转换成OSD显示和控制相应主板相应电路和U13内相应单元电路工作的控制指令。
U2:A04803A或IRF7314 P沟道开关控制块。通过它开关控制去液晶屏TCON板的供电。
U26:MX25L3206EM2I-12G 或EN25Q32A-100HIP。Flash块,存储整机运行的所有程序HDMI的HDCP KEY数据和用户调整控制信息和OSD字库。
U6:SYC812FA。输出1.29V, 满足U13内核工作。
U802:TPA3110D2PWPR,数字功放。U800:TDA18273HN/C1硅调谐集成块,输出模拟中频信号去U13。
U41 :AZ1117H-ADJ输出1.8V, 满足U13内DDR工作。
2.图像信号处理
该机芯能完成对1路射频RF (即传统的TV信号)、1路AV视频、1路YPbPr高清节目、1路VGA节目、2路USB(USB2.0)和2路HDMI数字高清节目源接收及处理,并输出1路AV信号去AV输出端口和输出LVDS信号去TCON板作进一步 显示处理。
(1)RF射频信号处理
RF信号,即传统的闭路电视信号。该信号的处理由调谐电路和主芯片U13内部部分电路完成。该机芯用了两类调谐电路:一类是独立于主板的数字调谐器U27 (型号DMI22-C2I1RH或DMI20-c211RH-H), 一类是直接安装在主板上的TDA18273(位号:U800)集成块。使用U27时,需要提供1路5V供电、一路PC总线信号和一路自动增益AGC。RF信号经U27处理后,输出一对相位相反的模拟中频信号IF-IN、IF+IN,IF-IN经耦合电容C357、C355、C358、C369去主芯片U13的54脚,IF +IN经C365、C361、C366、C363去U13的53脚。当主板上直接采用U800时,RF信号通过射频隔离器XS800,送入由C817、C819、L800等组成的RF带宽滤波电路,滤除掉射频带宽以外的无线电波信号后送入U800的②脚。U800组成调谐电路无需L、C振荡元件,IC工作只需一个挂接在14、15脚的16MHz晶体产生时钟基准信号。在I2C总线控制下,经Ic内分频器产生不同频道所需载波,以此完成RF调谐选择频道。
IC的31~34脚外接L、C元件,用于VhF射频段带通滤波,而36~38脚外接L、C元件用于UHF段RF信号带通滤波。这些外接元件不能随便改变大小和位置,否则将导致接收相应频段信号出现干扰或无图。RF信号经U800处理,从24、25脚输出IF-IN、IF+IN两路信号,并入U27输出IF通道,进入主芯片U13的54、55的脚。TDA18273脚引脚功能见表1。

RF信号经调谐形成的中频信号全在U13做中放和视频处理,与中放和高放有关的有55脚(AGC输出端)和I2C总线通道及时钟振荡晶体Y1(24MHz )。AGC从55脚输出经R904、R905去U27的①脚或U800的28脚。为提高AGC控制稳定和控制范围,AGC通过R200接在vcc -IF(3.3V)电源上。U27或U800的I2C总线控制信号来自U13的92、92脚,为提供I2C总线驱动能力,两路总线信号从91、92脚输出后,通过R374、R376分别挂接在vcC-IF(3.3V)电源上。晶体Y1产生时钟经内时钟管理器为整个主芯片单元电路工作提供各种时钟,包括CPU程序、sSCALER格式转换、色解码时所需的PAL、NTSC制等色副载波、音频解压及数字音频处理取样时钟等,故Y1产生时钟相位发生偏移会出现接收TV、AV信号无彩或有时伴音异、不开机等故障。
(2)AV视频信号
AV视频信号通常是机项盒DVD等输出的一路视频、两路音频的信号源,这些设备输出视频信号通过插座j11接入。其中,视频信号经R203、C145接入U13的31脚。电路中R216(75Ω)接在视频输入通道与地间,目的是实现输出与输入设备间阻抗匹配,防止信号传输衰减,而C145有隔直、耦合作用。
u13内输入脚自身设置有抗瞬间尖峰脉冲冲击静电干扰元件,防接插瞬间电击损坏U13。TV AV视频信号在U13内进行视频切换后,作进一步亮色分离 、色解码、ADC转换后按屏格式要求在U13内作格式转换后形成LVDS去TCON作进一步处理。
(3)USB信号
主芯片U13的98、99、101、102脚分别接来自USB端口J14、J16输入的两对数字信号。USB信号通道接有阻抗为4.7Ω的限流电阻R306.R310和R303、R305,U盘工作要求主板提供5V、500mA的电源。JSB端口有2.0的,也有更高档的uSB3.0,后者与前者区别在端口上增加一对RX\TX通道,大大提高了传输速率,可实现传输3D节目和支持4KX2K超高清分辨率节目传送。两路USB端口供电来自5V-4A (来自U3输出的5V),通过可恢复热熔断保险丝FW1接入,见图3。

USB 存储的是各种以数字压缩编码的多媒体节目,这些压缩节目要做数字解压和解码处理,并与系统安装的解码程序技持有关,并非在网上或其他渠道收集的所有节目都能播放。该机芯采用uSB2.0端口标准传送节目,支持MPEG1/2/4、H.264、RM、RMVB、MOV、MJPEG、DIVX等视频编码文件,支持PG、BMP、PNG等图像文件解码和MP3、M4A(AAC)、WMA等音频文件的解码。其他格式文件因整机系统软件限制,将不能播放。
另外,USB端口还能用于整机软件升级。软件升级时,需将程序软件如LPC42-MX-V1.03.bin改写成CHV59_LCD.bin,再将它放入空白U盘中,并插入USB1端口(J14插座),然后将电视机工作状态切换在TV源下,进入总线调试状态,找到“设置服务”选项中的下级菜单中的“软件升级”,后点击“确定”,即可进行自动软件升级。系统升级完成后进入总线调试M模式,执行初始化数据后遥控待机退出工厂模式即可。注意,升级中绝不能中断整机供电,否则导致不能再开机。
(4)vGA信号
该信号从插座J9输入,其中基色R信号经R97、C137去U31的26脚内运放的正相端,B基色信号经R95、C140入U13的22脚(运放正相端),G基色信号经R96、C161去24脚,另一路G信号还经R98、C159去23脚,作为soG同步识别信号。场同步信号v经R105去27脚、行同步信号H经R106去28脚。在U13组成的VGA单元电路中,25脚经R117、C163接地,它接在U13内R、G、B三路差分放大器反相端,J9送来的R、G、B接差分放大器的正相端,25脚经RC元件接地用来保持该脚直流电平,并能抵消正相输入交流干扰,故25脚电容C163变质会影响VGA显示,而H、V同步信号之一异常也会导致vGA显示无效。
插座J9的12、15脚,传送ISP-TXD、ISP-RXD-对串口信号,用于软件师对整机系统进行程序调试时使用,也用于售后人员用升级工具通过此端口对系统FLASH程序进行改写。当采用空白FlASH块时,必须用工装对FLASH块写程,整机才能开机。此芯片属于MST芯片,写入方法可参考本刊已介绍的相关工具和操作步骤,升级软件仍要改写名称为CHV59_LCD.bin,将升级软件文件放置在电脑文件夹中按MST升级方法操作即可。
(5)HDTV节目源
此节目源就是高清模拟YPbPr信号,标清yCbCr现也共用此端口,两种格式信号的识别由IC内电路作信号格式识别及扫描方式转换。HDTV节目通过插座J7接入,其中Y信号经R188、C141接入U13的17脚,而γ中另一路经R191、C143去16脚,经内部同步分离电路产生行、场同步识别信号用于HDTV信号处理同步跟踪信号。Y信号丢失将出现HDTV不能显示。
Pb信号经R129、C162去15脚,Pr经R196、C144去19脚。YPbPr高清信号作为正相信号输入各自通道中差分放大电路正相端,运放的反相端接18脚,此脚通过C158.R113串联接入地,以保持运放正反相输入端直流电平,故18脚外电路有故障会影响HDTV显示。
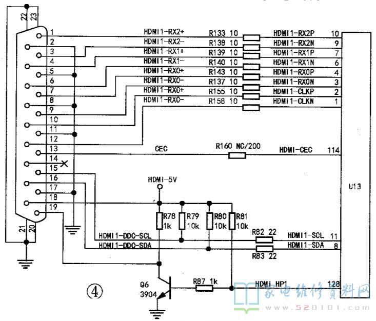
(6)HDMI
HDMI是一种真正的数字高清或超高清节目源,这种TMDS信号即最小差分信号,是将数字YPbPr图像信号和数字音频信号通过异或及异或非等逻辑算法转换成以差分传动方式传送的数据信号。这种算法使得被传输信号过渡过程的上冲和下冲减小,传输的数据趋于直流平衡,使信号对传输线的电磁干扰减少,提高了信号传输的速度和可靠性。其端口发展到标准1.3时实现3D节目传送,发展到1.4a标准端口时实现超级高清数字信号4KX2K传送。本机芯仍采用HDMI1.3端口,见图4。

图4接入U13(①~④、⑥、⑦、⑨、10)脚的信号代表了图像、伴音和时钟、同步信号等。接入114脚的CEC用于终端用户能用一个遥控器控制支持多个带有CEC的HDMI设备,无需使用多个遥控器控制这些电子设备,此功能在IS42S机芯未开发应用。⑧、11脚为HDMI设备与IS42S机芯进行通讯的端口,用于读取保存在U26中的HDMIHDCP协议数据,这两者的存在确保HDMI设备输出信号在电视上播放。128脚输出的热插拔控制信号,正常工作时128脚为低电平,以保证端口19脚有5V电压的存在,DMI设备检测到此5V电压后,方能输出HDMI信号。未使用HDMI设备或读取FLASH存储器u26中HDMI协议有错,128脚将呈现高电平,电视机不会输出HDMI信号。HDMI信号送入U13后将重新恢复成数据图像音频信号去各自电路处理。
另一路HDMI信号从插座J17输入,U13与之相关的引脚是117~127脚,其中122、125脚为总线通讯端口,117脚为热插拔控制信号,接入Q8基极。两路HDMI在U13内恢复成数字YPbPr信号后,并入U13内格式转换电路,形成满足屏工作所需格式信号后,再经LVDS输出通道去屏TCON板。HDMI信号的处理除上面介绍的各引脚功能外,U13设置的引脚中有一路重要供电脚,它直接影响HDMI信号在U13中的处理,此脚就是13脚(VDDC)供电端。此电压来自主板DC-DC转换块U6输出端,电压正常时HDMI设备通过U13去读取U26的信息。13脚无电压会导致不开机。
3.伴音处理电路
LS42S机芯伴音处理,一部分在主芯片U13组成的电路中,完成不同节目源音频切换、数字音效处理及HDMI数字音频还原DAC转换等;另一部分由TPA3110D进行功率放大,输出音频信号去喇叭。
(1)各路音频信号在U13的处理
RF信号经调谐器输往U13的是IF中频信号,故RF节目源音频还原仅与U13和软件有关。AV1音频信号从插座J11输入,AV1-L经电阻R438、R176分压、C146耦合至U13 41脚,AV1-R音频信号经R463、R190分压、C147耦合到42脚,见上图2。USB节目源音频信号仅与U13和软件有关。两路HDMI节目源音频信号处理也仅与U13和软件有关。VGA音频信号从插座J8输入,其中PC-L音频经R396、R294分压、C160隔直、耦合到39脚;PC-R经R397、R443分压、C165隔直耦合到40脚。HDTV节目源音频信号从插座J13输入,其中HD-R音频经R462、R229分压C173耦合至38脚,HD-L经R381、R452分压、C171耦合至37脚。各路音频在U13内切换、音质处理后,从45脚、46脚输出AMPOUTLO、AMPOUTR0,其中,LO经R341、CA153去功放TPA3110D的3脚,R0经电阻R336、CA139去功放TPA3110D的12脚。U13的47脚、48脚输出另一对音频信号去AV输出端口。
U13组成的音频电路中,与伴音处理有关引脚: 33脚音频电路供电(3.3V),U32输出的3.3V经L102接入;35脚AUVRM、36脚AUVAG,分别是音效处理电路ADC转换单元基准电压形成滤波端和地端,见图5。显然,35、36脚元件变质会引起所有音频通道音小或杂音等。

(2)功放
LS42S机芯功放采用TPA3110D2PWPR,在电路中的编号为U802。此IC正常工作的关键脚有:①脚SD静音控制脚,外接静音控制电路Q1803和由Q17、Q1807组成的关机静音电路。当电视机未接收电视信号或切换节目源、自动搜索节目或按遥控器静音键或音量关最小时,U13的88脚将输出高电平静音信号使Q1803饱和,使Q1803的c极所接U802的①脚电平拉低,迫使功放U802停止工作。关机静音电路工作特点:关机时,Q17的e极所接电容CA98正端积累的电荷通过Q17(PNP管)e、c极送入Q1807基极,Q1807饱和导通,使Q1807 c极接的U802的①脚电压被拉低,功放U802立即停止工作而静音。
②脚FAULT为功放故障标志端,如功放过热、过流等情况发生时,此脚将处于低电平状态。LS42S机芯将①、②脚连接在一起,当②脚为低电平时,也会使功放立即停止工作。通常①、②脚正常工作电平应高于2V,低于0.8V时静音。
⑤、⑥脚为增益电平设定脚。
14脚为功放工作模式设定端。14脚设置为高电平(接在PVCC上)时,整个IC组成电路为单声道工作模式,此时12脚作音频输入脚,L声道将接地,11脚经电容接地,且GAIN0、GAIN1均接地,输出端采用并联输出方式;当14脚为低电平时,为BTL模式,如LS42S机芯功放14脚接地,故功放为双声道输入输出模式。
10脚功率限制端,此脚电压为6.97V时,输出功率限制在10.55W;设置在1.76V时,功率限制在5W,由于此功率块本刊已有较多资料介绍,其他脚功能在此不再详述。
4.控制部分
LS42S机芯控制部分由U13、Q25组成的复位电路、Y1时钟振荡晶体(24MHz)及U13的93~97脚外挂的FLASH块U26(MX25L3206EM2I-12G)组成。
控制系统工作后,接收来自插座J4送入U13的110、111脚键控信号或J5送入113脚遥控控制指令,经U13识别后,产生的控制信号有:
(1)从103脚输出开、待机控制信号,一路经R32、R34分别去Q9.Q10,通过Q9、Q10对输入U3的①脚的5V和③脚的12V两路电压实施开、待机控制见图7;另一路经R91去接电源组件的插座J1的10脚,实现对电源组件开待机控制。103脚:高电平5V时,开机状态,低电平0V时,待机状态。

(2)105脚背光亮度控制信号BRI ADJ-PWM0,Q7、Q4倒相放大后经插座J1的②脚去背光电路。正常工作时,J1的②脚应有3.5V以上电压。
(3)89脚输出BL ON/OFF背光启动控制信号。开机时由四脚输出该信号到Q3 b极,经Q3电平转换,从c极输出控制信号经插座J1的③脚去背光电路。⑨脚为高电平3.3V时,背光不能启动;为低电平0V时,背光启动。
(4)112脚输出屏供电开关控制信号。开机时,112脚输出ON PANEL 去Q1,经Q1开关控制U2 (P沟道MOSFET管),见图6。

在执行开机时,112脚输出高电平3.2V使Q1饱和导通,使U2的S、G极间电压大于0V而导通,这样S极所加电压通过U2的S、D极,从D极输出5V或12V,经上屏插座去屏TCON板。
说明:屏TCON板工作需要5V供电时,电感133不装,R4装1k的电阻;当屏需12V供电时,电感L35不装,R4装47k的电阻。U2输出5V或12V电压不正常会出现灰屏或黑屏故障。
4.维修实例
例1:一台长虹LED32C3000型液晶彩电,热机无伴音。该机开机8分钟左右无伴音,监测U802的①脚电压为0V,说明电路要么静音要么处于故障保护。通过对①、②脚外部电路检查,发现关机静音电路R323阻值变大,导致开关静音电路启动,替换R323后故障排除。
例2:一台长虹LED32B2000C(L59)型液晶彩电,面板指示灯亮,但不能开机。测电源输往主板12V正常,再测主板DC-DC块输出电压也正常,见图7电压分布网络图。测量复位电路Q25c极电压为低电平正常,再测晶振Y1波形也正常,可测试程序块U26各脚波形时,发现⑥脚SCK波形却不正常,且波形不消失,正常工作的电视机,接通电源时此脚波形瞬间出现,随后消失,电视机返回到待机状态。怀疑U26内程序交换有故障,从另一台正常工作的电视机上取来U26替换后,故障排除。
例3:一台长虹LED32C2000型液晶彩电,指示灯亮,不开机。指示灯亮,说明U7输出5VSTB电压正常,直接测各DC-DC块电压,尤其是给U13控制部分供电的电压,U32输出3.3V、U6输出1.26V,U41输出1.8V,都正常;测复位Q25的c极为0V,由此判定U13工作条件基本正常。为快速排除故障,采取先U盘软件升级再继续检查电路的方式进行。该机采用U盘进行软件刷新后再开机,故障排除。