创维168P-L5L013-00型电源板应用于创维49G7200、G9200等机型液晶电视中。G7200、 G9200等机型是创维高端4K产品的代表之作,社会拥有量巨大,上市两年多来,电源板的损坏已进入高发期,为了让大家对此机型的电源维修有所了解,下面详细介绍它的工作原理及检修方法,希望能给大家带来帮助。168P-L5L013-00电源板实物图如图1所示,框图如图2所示。
一、电路特点
该电源板采用电源与恒流一体化设计,电路结构简单,性价比高。电路由EMI抗干扰电路及全桥式整流滤波PFC功率提升PWM控制与稳压功率输出及恒流驱动三大电路组成。其中,电源输入电压为交流220V,输出电压分别为24V/1.5A(背光)、+12V/3A(机芯板)两组。IC1(TEA1716T)是PFC、半桥功率输出控制集成电路,Q6、IC10、IC7及其外围元件组成开/待机控制电路,此电路控制IC1的工作状态。该电源的工作时序是:首先,220V交流电经EMI滤波桥式整流滤波,送往主电源电路,主电源电路开始工作,即PFC电路先正常工作,得到380V的PFC供电,随后半桥功率输出电路正常工作,输出+12V(为主板电路供电)、+24V(为背光电路供电)电压。
二、单元电路
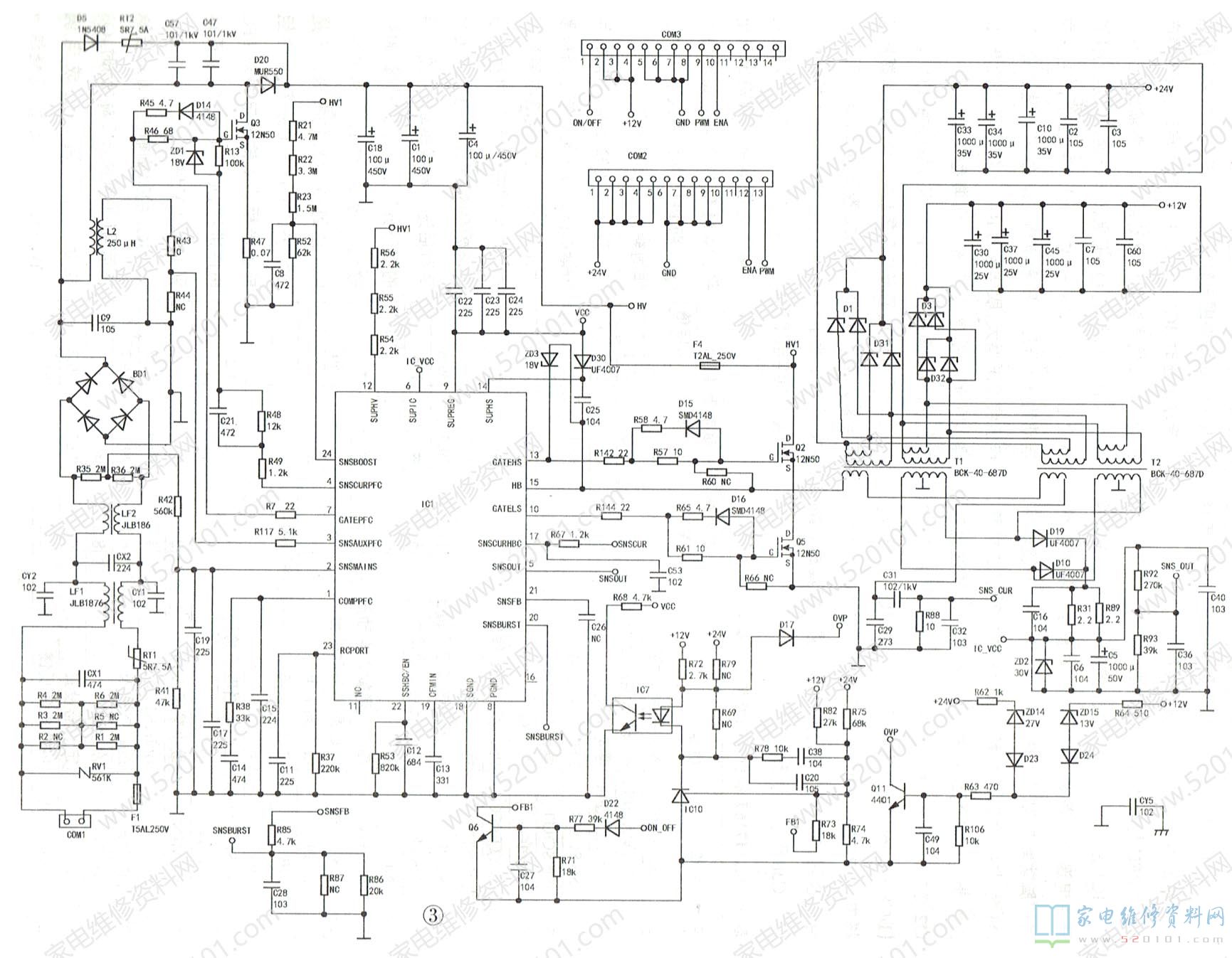
电源电路原理图见图3。
1.EMI抗干扰滤波电路
F1是保险丝,RT1是限流电阻,RV1是压敏电阻,CY1、CY2是共模滤波电容,LF1.LF2是共模电感,CX1.CX2是差模电容,R1~R6是泄放电阻。交流220V经EMI电路处理后,送入全桥整流滤波电路,得到脉动的280V直流电压。
2.开/关机控制电路
Q6、IC10、IC7等元件组成开/关机控制电路。在刚开机时,电源电路工作在BURST(突发)模式,输出10V电压经主板上DC-DC变换后为CPU供电,CPU正常工作后,输出ON OFF开机信号(高电平),Q6饱和导通,R73与R74并联接地,10V电压经分压取样后,送给IC10(TL431 )一个较低的电压,IC10输出的误差电压经IC7控制IC1的21脚,使该脚电压升高。当IC1 21脚的电压超过4.1V时,IC1的20脚( BURST模式控制)的电压会超过3.5V,IC1内部电路和整个电源电路马上切换到正常工作模式,电源电路输出正常的12V、24V供电。
待机时,CPU输出ON OFF待机信号(低电
.平),Q6截止,R73开路,IC10的R极电压升高,A极电压降低IC7内的发光二极管发光增强,光敏三极管的导通程度加深,IC1 20脚的电压被拉低(低于3.5V),Ic1内部电路马上切换到BURST模式,电源电路输出10V、20V电压(低功耗输出)。
3.PFC与半桥功率输出电路
IC1是一款将功率因数控制器和半桥谐振转换开关电源控制器集成在一起的电源专 用集成电路,其引脚功能与实测数据见表1。
L2为PFC升压电感,Q3为PFC功率开关管,D20为PFC升压二极管,R47为过流检测取样电阻,C18为PFC滤波电容,Q2、Q5为半桥LLC谐振电路功率开关管,T1(BCK-40-687D)为脉冲开关变压器,R88为电流取样电阻,ZD2为30V稳压二极管,IC7(PC817)为光电耦合器,IC10(TL431)为三端精密稳压集成电路,R78、C38用于防止寄生振荡。
(1)工作过程
二次开机后,输入IC1②脚的电压经内部欠压检测电路检测为正常后,IC1的12脚通过内部开关电路给IC1的⑥脚外围电容充电。当该电容两端电压达到启动电压时,IC1内部的PFC电路启动,振荡器产生的PWM信号经栅极驱动器,由⑦脚输出,经R7、R46、R45、D14送到Q3栅极,Q3导通,形成电流(正弦波电压->L2->Q3->R47->地),在L2上产生感应电动势(L2储能)。随着电路工作的进行通过Q3的电流会逐渐增大取样电阻R47上的压降也会增大。当IC1的④脚输入电压达到典型关断电压0.45V时,过流保护电路会强制PFC振荡器停振,Q3截止,L2上的感应电动势开始反转(释放能量),其感应电压与输入电压叠加,经D20整流、C18滤波后得到PFC电压。当L2 中的电流降为零时,IC1的③脚无法从辅助绕组得到电压,即零电流检测比较器的正相输入为低电平,则输出低电平,PWM信号又从⑦脚输出给Q3,即PFC电路进入下一个工作周期,如此周而复始。
当PFC电路正常工作后,半桥谐振(LLC)开关控制电路被激活,IC1内部振荡电路在得到正常供电后即开始振荡,产生的信号经12脚外围软启动电容C11延时后送往栅极驱动器放大后的信号分别从IC1的13脚、10脚输出,经R142、R57和R144、R61送到Q2、Q5的栅极,于是Q2、Q5、T1、D31、D32等元件组成的半桥功率输出电路对PFC电压进行DC-DC变换,从而得到12V、24V供电。
IC1 的13脚输出PWM正脉冲信号(10脚输出负脉冲)时,Q5截止,Q2导通,形成电流(HV1->Q2->T1 的①-③绕组->C31->R88->地),T1的初级①-③绕组通过电流而感应到电动势(为①正③负),T1储能。当IC1的10脚输出PWM正脉冲信号(13脚输出负脉冲),Q2截止,Q5导通,形成电流(T1 的①脚->Q5->地->R88-》T1的③脚),T1释放能量,各次级绕组感应到相应的电动势,经D32.D31整流,C37.C45.C33、C34滤波,得到+12V、+24V供电给主板恒流板电路供电。
(2)稳压工作
当输出的+12V、+24V电压升高时,IC10的R极电压升高,A极电压降低,IC7内部发光二极管通过的电流加大,光敏三极管导通电阻减小,IC1的21脚得到的反馈电压比正常时低,开关管的导通时间相应地变短,T1上的各感应电压会相应地降低,+12V、+24V输出端的电压恢复到正常值;当+12V、+24V供电输出端的电压偏低时,其稳压过程与前述相反。
(3)过压保护
当+12V、+24V电压超过一定值时, 齐纳击穿稳压管ZD14、ZD15,给Q11基极送去一个高电平,于是Q11饱和导通,其集电极为低电平,IC7的①脚变为低电平,IC7截止,IC1 21脚的电压快速达到保护门限电压6.4V,IC1内部振荡器被关断,整个电源电路随即停止工作,从而实现过压保护。
(4)芯片内欠压保护
当IC1的②脚供电电压降到欠压锁定电压时,欠压保护电路起控,强制两个振荡器停止振荡,功率开关管因无法得到驱动信号而被关断,从而实现欠压保护。
(5)过流保护
当由于某些原因使得功率输出回路的电流过大时,经取样电阻取样,IC1过流保护脚外围电容积分,反馈到IC内部后过流保护电路起控,强制振荡器停止振荡,从而实现过流保护。
(6)过载保护
当12V、24V电压负载过载时,IC1 21脚的反馈电压会相应地升高。当21脚电压超过典型电压6.4V时,过载保护电路起控;强制振荡器停止振荡,从而实现过载保护。
(7)过热保护
当由于某些原因使得IC1芯片基板温度超过关断温度时,过热保护电路起控,强制振荡器停止振荡,从而实现过热保护。
4.恒流电路(见图4)

(1)恒流电源电路
L5L013电源板的恒流电路由BOOST升压电路I (+24V电压经BOOST升压得到79V给各路灯条供电)和恒流控制电路(含OZ9916B及其外围元件)两部分组成。
IC2为多通道大电流LED恒流控制芯片,OZ9916B引脚功能见表2。
L3、L4为升压电感,Q12、Q13为功率开关管,D33.D34为整流二极管,C42~C44为滤波电容,R207~R209为取样电阻,R151、R152为隔离电阻。
二次开机后,24V电压分两路:一路经恒流BOOST升压电路升压(由恒流驱动控制芯片OZ9916B控制),另一路经分压电阻R215、R216分压后送给IC2欠压检测。12V电压经限流电阻R161及Q14给IC2供电(Q14受控于ENA)。当主板工作正常时,输出正常的PWM及ENA信号,IC2起振,BOOST升压电路正常工作,为LED灯条提供稳定的工作电压和恒定的工作电流,LED灯条正常发光。
(2)BOOST升压电路
+24V电压经保险管F2及储能升压电感L3、L4送到开关管Q12.Q13的漏极。同时,+24V 供电经R215、R216分压后加到IC2的31脚,主板送来的使能信号ENA送到IC2的31脚。当IC2的32脚得到12V供电,31脚电压大于4V,①脚得到高电平使能电压时,其内部的振荡电路开始振荡,产生的信号经栅极驱动电路从29、28脚输出,经R158、R151隔离后送到Q12、Q13的栅极,于是Q12、Q13导通,形成电流回路(+24V->F2->L3、L4 -> Q12、Q13->R147 ~R150->地),在L3、L4中产生一个左+右-的电动势(即L3、L4储能)。随着电路工作的进行,通过Q12、Q13的电流会逐渐增大,取样电阻R147~R150两端的压降增大,当IC2 30脚的电压达到0.8V典型关断电压时,IC2内部的过流保护电路起控,振荡器无信号输出,Q12、Q13因得不到驱动信号而关断,L3、I4上的感应电动势开始反转(变为左-右+),L3.L4上的感应电压与+24V电压叠加,再经D33.D34整流,C42.C43.C44滤波,得到79V电压为LED背光灯供电。一小段时间后,IC2内部的振荡器又开始振荡,如此循环往复,为LED背光灯供电。
(3)LED恒流控制电路
BOOST升压电路正常工作后为LED灯供电,LED灯恒流控制电路也开始工作,OZ9916B内部的取样电路会对回路电流进行取样,经误差放大后再经电流比较得到一个反馈信号,此反馈信号送到PWM谐振比较器,控制PWM输出信号的导通比,经oz9916B的28、29脚输出驱动信号,从而控制LED灯供电升压电路的输出电压,即实现恒流控制。当LED灯条回路电流突然升高时,经R154~R157等取样电阻获得回路电流由OZ9916B的30脚进入,经过内部取样电路、基准电压、误差放大器的放大,产生的,反馈电压会让PWM谐振比较器输出的PWM信号的导通比变小,功率开关管的导通时间会相应变短,LED灯供电升压电路的输出电压会相应降低,LED灯条的回路电流会相应变小;当LED灯条回路电流突然降低时,其控制动作与上述过程相反。由此,使输出的LED供电电流稳定从而实现背光恒流控制。
综上所述,创维168P-L5L013-00电源电路并不复杂,大家认真分析,摸清控制信号的来龙去脉,快速维修此电源不是难事。
三、故障检修要点及案例
该电源电路常见故障有:无PFC电压,PFC电压异常,无12V、24V电压输出等,其检修流程见图5~图8。

例1:一台65G9200型机(8H88机芯),在开机瞬间指示灯亮,几秒后熄灭,不开机。
分析检修:根据故障现象分析,判断故障原因可能是电源板或主板异常,也有可能是软件问题。为准确判定,开机后检测电源,发现12V、24V电压很低;断开负载,这两组电压依旧很低。因开机瞬间指示灯亮,说明电源板已输出5V和12V。开机瞬间监测12V,果然正常,然后慢慢变低,判断保护电路已起控。试着断开过压保护管Q11 ,输出电压恢复正常,说明判断正确。再分别断开D23和D24试机,当断开D24后,开机正常。经查,ZD15(13V稳压管,如图9所示击穿.换新后故障排除。

提示:开机瞬间电源板输出电压正常,随后消失,这说明PFC及半桥功率输出电路基本正常,应重点检查过压保护及稳压取样电路。
例2:一台49G9200型机(8H88机芯),不开机。
分析检修:首先检查电源电路,保险管正常,交流220V正常,桥式整流滤波正常,但PFC电压为300V,低于正常值380V,说明PFC电路异常。根据经验,TEA1716T损坏较多,但将其更换后故障依旧。接下来检查保护电路,发现TEA1716T②脚欠压保护输入端电压不到2V,低于正常值3.1V,说明欠压保护动作,芯片内部振荡器停振。因交流220V正常,所以判断TEA1716T②脚外围电路有问题。检查R41、R42、C17、C19等元件,发现C19表面有裂缝,将其换新后开机,TEA1716T②脚电压恢复正常,故障排除。
例3:一台55G7200型机(8H87机芯),不开机,且指示灯也不亮。
分析检修:本着先简后难原则,强制升级,但无法进行。测量电源板无12V和24V输出,说明电源板异常。测量PFC电压只有300V,说明PFC电路没有工作。查PFC开关管Q3(12N50)正常。本机采用PFC+PWM二合一控制芯片TEA1716T。首先检查TEA1716T的工作条件:测TEA1716T②脚(AC输入电压检测端)电压正常,即未进行欠压保护。开机瞬间,TEA1716T的工作电压由市电整流滤波后的280V提供,经内部电压基准电路后从⑨脚输出参考电压。实测该脚电压只有4V左右,远低于正常值11.3V,检查其外围滤波电容C22~C24,发现C23漏电,阻值约2kΩ,将其换新后开机,故障排除。提示:若PFC电路不工作或工作异常,可先检查其工作条件,包括各种保护是否动作。由于本机PFC 电路在开机瞬间就不能工作,可以排除PFC输出过流、过压保护的可能性,所以重点检查开机欠压保护及开机瞬间的供电,若均正常,则是TEA1716T内部损坏。
例4:一台49G7200型机(8H87机芯),开机后屏上有很暗的图像,伴音正常。
分析检修:开机测试,发现LED背光不亮,重点检查恒流板。首先检查BOOST(升压)电路,检测升压管Q12、Q13正常,但栅极电压异常,由此判断LED恒流控制电路有问题。检查恒流控制芯片OZ9916B的供电,发现供电端32脚电压远低于正常值12V,检查该脚外围电容C50(见图10),发现漏电严重,将其换新后故障排除。提示:实修发现,恒流控制芯片OZ9916B损环率较高,须注意。
