山水液晶电视在社会上拥有一定数量,但报纸、杂志资料较少,笔者在修理一台32英寸山水液晶彩电时,测绘整理出电源板型号为AEP028的电路图(电阻值为实物上所标注的阻值,由于贴片电容不标注容量,故笔者也不能标注容量,希望谅解)。下面对该电源板进行介绍。
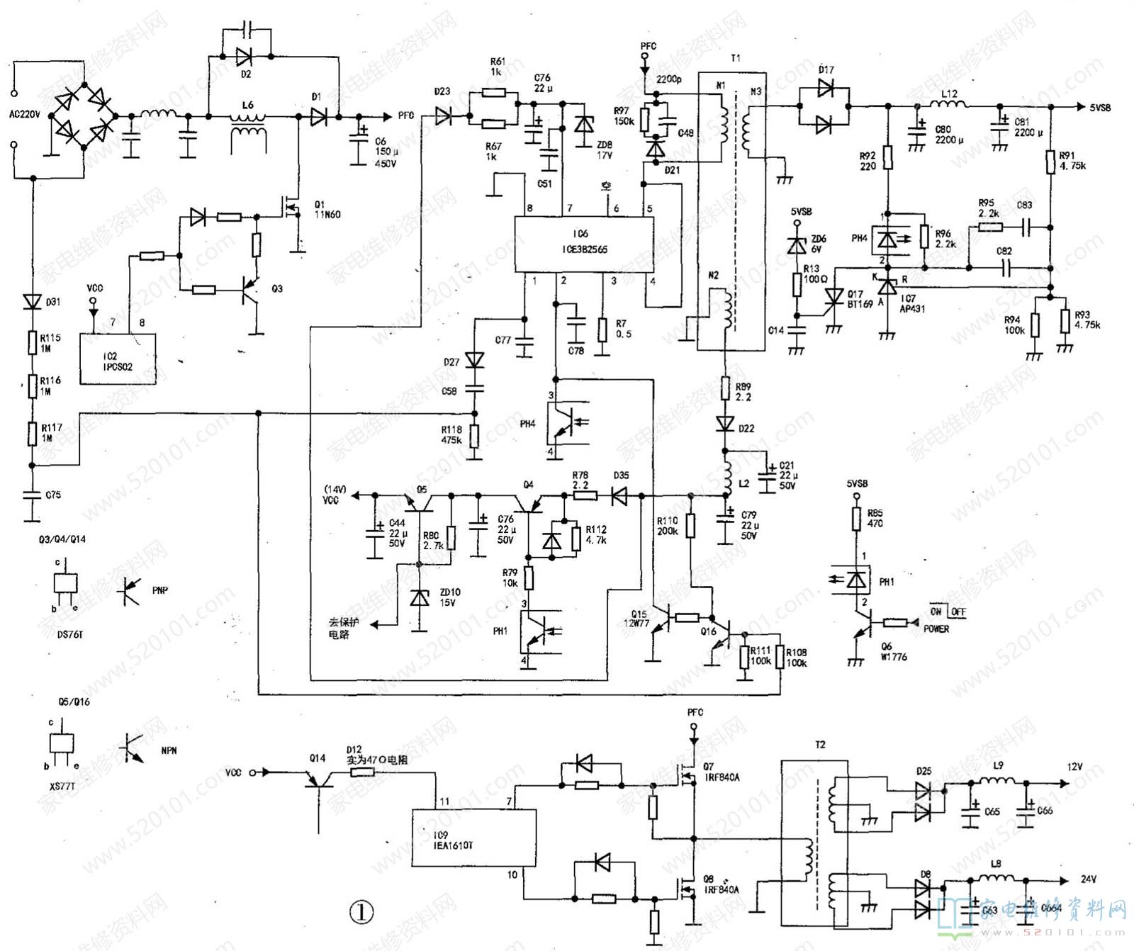
首先介绍副电源(说明:主电源电路、PFC电路、保护电路等只画出框架,待以后详细介绍时再画),如图1所示。AEP028电源板上主要由四部分组成:PFC电路(驱动块为1PCS02)、副电源电路(电源块为ICE3B2565)、主电源电路(驱动块为 TEA1610T)、保护电路(冷端集成块为 LM324)。副电源的任务:一是冷端产生5VSB直流电压,供主板上MCU使用;一是热端产生14V左右的直流电压VCC,给PFC电路块1PCS02的⑦脚供电,同时也给主电源块TEA1610T的11脚供电。该14V电压的有无受主板的开/待机信号控制,同时也受电源板冷端保护信号的有、无控制。
副电源的工作原理:电源块ICE3B2565为8脚直插式集成块,与CRT彩电CPU的储存块外形一样,内附功率管,内部⑦脚与④、⑤脚有启动电路,故电源⑦脚不用外接启动电路。其引脚功能:①脚为软启动;②脚为反馈电压输入端;③脚为内开关功率场效应管的源极,同时也是过流保护取样端;④、⑤脚均为功率场效应管的漏极;⑥为空脚;⑦脚为供电端;⑧脚接地。
当接通市电瞬间,PFC端子直流电压为310V左右,该电压通过变压器T1的绕组N1加到ICE3B2526的④、⑤脚上,通过内部启动电路在⑦脚产生13V直流启动电压,在①脚软启动电路共同作用下电源起振,有较大电流流过绕组N1 ,这样绕组N2产生感应电压,经D22整流产生约20V直流电压,20V电压经D23由R61 R67限流ZD8稳压产生约16.5V直流电压,加在⑦脚,取代启动电压。与此同时,绕组N3两端产生的感应电压经D17整流产生5V直流电压5VSB。
稳压过程:当某种原因,使5VSB电压有升高趋势时,取样电压升高,IC7的R极电压升高,K极电压下降,光耦PH4的冷端发光加大,使PH4热端光敏管导通程度加强,则ICE3B2565的②脚电压下降,内部场效应管导通时间改变,输出电压下降,这样5VSB保持不变。同理,当某种原因使5VSB有下降趋势,IC7的R极电压减小,K极电压升高,光耦PH4冷端发光减弱,使PH4热端光敏管导通程度减小,则ICE3B2565的②脚电压上升,内部场效应管的导通时间改变,输出电压上升, 5VSB保持不变。
5VSB过压保护:当R91开路性损坏或IC7呈开路性损坏,那么5VSB会失控而升高,过高的电压使稳压二极管ZD6导通,使可控硅Q17的栅极有触发电压而导通,光耦PH4冷端导通发光,光耦PH4热端光敏管导通,使ICE3V2565的②脚电压下降,输出的电压下降较多。
VCC电压的形成与控制:D22整流产生的约20V直流电压还经D35、R78(2.2Ω )送到Q4的发射极。当开机时,有高电平送到开/待机管Q6的基极,Q6导通,光耦PH1的冷端发光二极管导通发光,PH1热端光敏管导通,Q4饱和导通,集电极有20V直流电压输出。该20V直流电压经以Q5为中心的稳压电路,最后在Q5的发射极上产生约14V直流电压,供PFC电路、主电源的驱动块使用,整机工作。当待机时,开/待机控制管Q6的基极为OV低电平,Q6截止,光耦PH1冷端截止,热端也截止,Q4发射结无电流而截止,Q5得不到电压,vCC为0V, PFC、主电源驱动块无电压不启动,整机处于待机状态。
注意:VCC有无输出还受保护电路控制。当保护电路不动作时,对vCC无影响;当保护电路动作时,把Q5基极电压拉低到0.6V左右,此时vcC近似0V。虽然是开机状态,但PFC、主电源电路驱动块无vCC,故不工作,出现三无故障。
维修实例1:一台32英寸山水液晶彩电,出现有时工作正常,有时三无故障,故障时电源指示灯不亮。该机在别处诊断为电源有问题,必须更换电源板,要价450元,机主嫌贵而转到我处。
打开机壳,故障时测5VSB为0.6V且不稳,12V、24V无输出。断开5VSB负载(拔去CN904插头),在5VSB与地之间接一只10Ω/2W电阻作为假负载,监测5VSB电压,通电,5VSB端子电压仍为0.6V,且不稳,此时用万用表测热端PFC端子电压为310V,可以断定故障出在副电源。无意中将假负载电阻碰掉,竟有意外收获--5VSB端子电压回到正常值5.1V,再次把假负载电阻接上,5VSB端子电压又降为0.6V且不稳。
是副电源带负载能力差,还是假负载阻值(10Ω)选得过小?如果5V正常,那么流过假负载电阻的电流为0.5A。查看电源板上标注参数:MODE:AEP028,INPUT:100V ~240V/4A, 47Hz ~63Hz, OUTPUT:205WMAX, +24VDC/6A, +12VDC/3A, +5VSB/5A。翻译成中文是:板型号AEP028;输入交流电压100V~240V,电流4A,频率47Hz~63Hz;输出最大值功率205W ,24V工作电流6A,12V电流3A,5V待机电压电流5A。可见5VSB最大输出电流达5A,区区0.5A不足挂齿,说明是副电源带负载能力差,应对副电源进行全面检查。
首先代换5VSB整流二极管D17、滤波电容C80、C81电感L12,无效,说明故障在热端。代换尖峰吸收元件R97、C48、D21,无效;代换与ICE3B2565的⑦脚供电有关元件( R69.D22、C21、C79、D23、R61、R67、C76、C51、ZD8),无效;查③脚取样(过流)电阻R7为0.5Ω,并没变大,代换无效。难道是ICE3B2565不良吗?由于手头没有该IC且不好买,只好硬着头皮继续查。通电,接假负载,5VSB端子电压为0.6V且不稳,⑦脚供电为12V左右且不稳,D22整流所得直流电压为9V,①脚电压为0.1V。去掉假负载,5VSB端子电压为5.1V正常,电源块的⑦脚电压为13V且不稳(正常为稳定的16.5V),D22整流所得直流电压为17V (正常20V左右),①脚电压为1V(正常为4.3V)。因为与⑦脚供电有关电路元件都查过了,重点查①脚外电路。用47型表的Rx1k挡测①脚阻值,红笔接地黑笔接①脚,阻值为6kΩ且不稳定(正常应为100kΩ左右且稳定);黑笔接地红笔接①脚,阻值仍为6kΩ且不稳定(正常为10kQ且稳定)。可以确定故障在电源块的①脚内部或外部。用电烙铁和针头将电源块①脚悬空,测C77两端阻值,阻值仍为6kΩ左右不稳,无疑是C77漏电。
由于C77是贴片电容,不知其容量是多少?于是给它焊上两只引脚,这样做的目的有两个:一是加热,使它暂时不漏电或轻微漏电;二是便于用电容表测其容量。此时测该电容已经不漏电了,测其容量为95nF,即该电容的容量应为100nF。由于100nF的贴片电容不好找,故用一只体积较小的100nF的聚脂电容代替(注意:不能用瓷片电容代替)。由于该电容不是贴片电容,且体积比原电容大很多,故将其两只引脚折弯,使它趴在电路板上。通电,5VSB为5.1V,接假负载5.1V不变,测电源块ICE3B2565的①脚电压为4.3V(正常),⑦脚电压为17V(正常)。于是取下假负载,插上CN904插头试机,-切正常,故障彻底排除。
小结:副电源块ICE3B2565的①脚(软启动脚)对地贴片电容C77漏电,导致5VSB降为0.6V且不稳,空载时5VSB可恢复正常,即带负载能力差,出现三无故障,且电源指示灯不亮。
