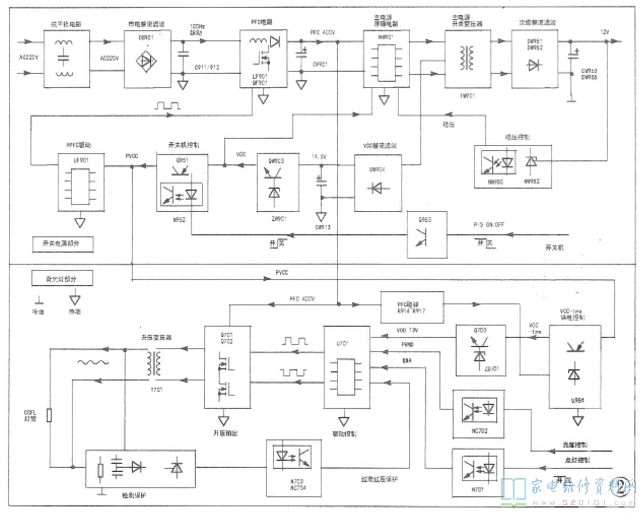
康佳液晶电视采用的34006601 ( KIP+L150I12C2-01 )型IP板,为开关电源+背光灯二合一电路板,实物图解见图1所示,电路组成框图见图2所示,这款电源适用于32英寸的LCD屏.PFC电路主要采用方案是带零电流软开关技术的FAN7530芯片,输出最大12V、功率40W的PWM芯片FSQ0465R,高压半桥驱动使用NXP半导体公司的UBA2071芯片,易实现软开关功能。这款电源背光部分由于采用"热地"驱动背光功率MOS管,发热量小,故障率低,成本低,效率高,可靠性高,体积小,在量产电视机中大量使用。型号为34007050、34008155、35014097的电源板,输出电压与34006001基本相同,可互相代换。
应用于康佳LC32ES62( 2BOM)、LC32ES62 (3BOM)、IC32FS81B (3BOM)、LC32FS81B(2BOM)、LC32FS82B、LC32FS82C( 2BOM)、LC32FS82C、LC32GS80C(2BOM)、LC32GS80C ( 3BOM)、LC32HS62B (280M)、LC32HS62B、LC32IS68N、LC32IS90N、LC32TS86C (280M )、LC32TS82C、LC32HS62B等液晶彩电中。
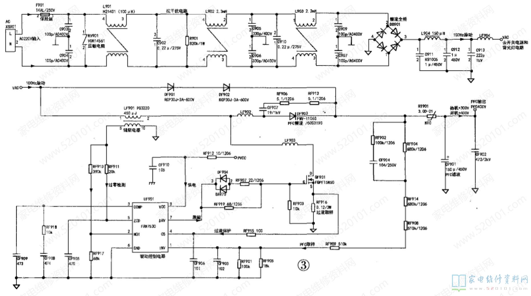
KIP+L150112C2-01型IP板的电源部分由抗干扰和市电整流滤波电路、PFC电路和开关电源电路组成。
1.抗于扰和市电整流滤波电路
(1)抗干扰电路
抗干扰电路见图3上部所示,C902~C910和L901~L903组成抗干扰电路。市电经保险丝F901后,利用电感线圈和电咨器组成的共模. 滤波电路,滤除市电电网干扰信号同时防止开关电源产生的干扰信号窜入电网。
滤出脉冲干扰的市电,再经全桥DB901整流.电C911、L904、C912、C913滤波,由于滤波电容C911、C912、C913容量较小,产生100Hz的脉动电压,送PFC功率因数校正电路。
2.PFC功率因数校正电路
PFC电路见图3所示,该电路主要由驱动控制电UF901 (FAN7530)、 储能电感LF901、MOS开关QF901、PFC整流滤波电路DF903、CF901等元件组成。
(1)FAN7530简介
FAN7530是PFC功率因数校正电路专用集成路,它的工作频率可根据需要设定调整,本电源设定最低工作频率是27kHz,其引脚功能和对地参考电压表1。

(2)启动校正过程
市电整流滤波后产生100Hz脉动直流电压,待状态约为300V左右,开机状态在230V左右。该电压LF901送到PFC功率因数校正电路QF901的D极;控开机后开/关机控制电路输出的PVCC电压向UF901的⑧脚提供工作电压,UF901启动工作,内部振荡电路和处理电路产生锯齿波脉冲电压,从⑦脚输出脉冲,激励开关管QF901工作于开关状态。当QF901饱和导通时,市电电压由整流后的300V电压经LF901、QF901的D-S极到地,形成回路;当QF901截止时,300V电压经电感LF901、DP802对CF901充电,流过LF901电流呈减小趋势,电感两端产生左负、右正的感应电压,与市电整流滤波后的300V电压的直流分量叠加,在滤波电容CF901正端形成PFC 400V左右的直流电压,为主电源供电。
(3)稳压过程
PFC电路输出电压经RF904、RF914、RF908、RF909与RF901、RF905分压,将取样电压送到UF901的①脚,作为输出直流电压误差信号;LF901的次级的感应电压作为交流过零检测信号,经RF910送到UF901的②脚,经RF911送到UF901的⑤脚。上述直流取样和交流检测电压经UF901内部比较放大对比与运算,产生误差调整电⑦脚的脉冲占空比进行调整,控制QF901的导通时间,维持输出电压的稳定。
当PFC输出电压降低时,UF901的⑦脚输出的脉冲占空比变大,QF901的导通时间延长,输出电压升高到正常值;当PFC输出电压升高时,UF901的⑦脚输出的脉冲占空比变小,QF901的导通时间缩短,输出电压降低到正常值。
(4)过压、欠压保护电路
FAN7530的⑧脚vcc供电送入端,内部设有UVLO电压检测电路,当⑧脚输入的vCC电压过低或过高时,⑧脚内部保护电路启动,切断IC内部供电,达到保护目的。
FAN7530的①脚PFC输出电压取样输入端,内设误差放大器和电压比较保护OVP电路,该点正常电压在2.5V左右。当输入到①脚的电压低于0.45V或者高于2.675V时,①脚内部保护电路启动,PFC校正电路停止工作。
(5)过流保护电路
FAN7530的④脚为电流检测输入端,MOSFET开关管QF901的S极电阻RF916为过流取样电阻,RF916两端的电压降反映了PFC电路电流的大小。当QF901电流过大,RF916两端的电压降随之增大,FAN7530的④脚电压升高超过0.8V时,其内部保护电路启动,PFC停止工作。
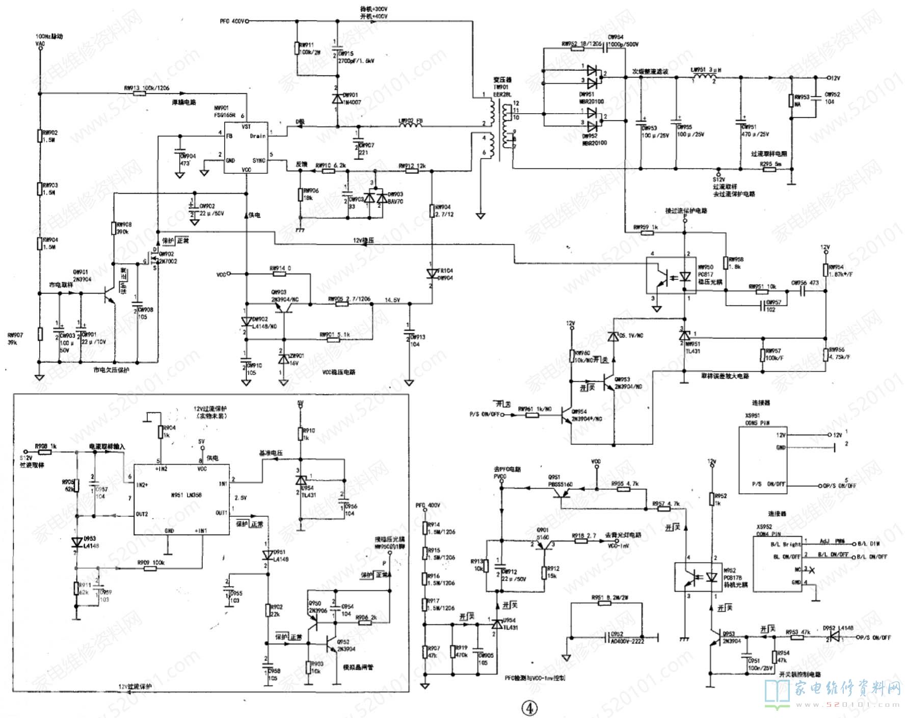
3.开/关电源电路
开/关电源电路如图4所示,以内含驱动控制电路和MOS开关管的厚膜电路FSQ0465( NW901)、变压器TW901为核心,将+300V供电转换为产生+12V电压,为主板电路供电。
(1)FSQ0465R简介
FSQ0465R是PWM控制芯片/MOSFET大功率场效应管的复合电源芯片,它的引脚功能和对地参考电压见表2所示。
(2)启动工作过程
PFC电路待机状态CF901两端的300V电压(开机后上升到400V),经tW901的①-②绕组加到Nw901的①脚,即内部开关管的D极;市电整流滤波后产生的100Hz脉动电压VAC,经rW913进入nw901的⑥脚启动脚,再经Nw901内部启动开关到③脚外接电容Cw902,对其充电,待充电电压达到8V时,Nw901内部振荡电路开始启动,产生的激励脉冲推动内部MOS开关管工作于开关状态,其脉冲电流在tW901中产生感应电压,次级的感应电压经整流滤波后,产生12V的输出电压。
(3)振荡维持供电电路
开关电源启动工作后,由TW901的④-⑥副绕组感应电压,经RW904限流DW904整流cW913滤波,QW903.ZW901稳压后,产生vCC电压,代替启动电路,对nw901续电。nw901 工作后③脚电压在8v以上,如果③脚电压低于8V,Nw901就会退出工作状态,进入重新启动过程。
(4)稳压电路
RW954、RW956、RW957组成分压取样电路,对开关电源输出12V电压采样,送到误差放大器Nw951,经NW951比较放大后,把电压误差信号转化为电流信号,NW950把电压误差信号转换为光电信号传送给PWM芯片NW901的④脚,进行稳压。
(5)市电欠压保护电路
以QW901、Qw902为核心组成市电欠压保护电路,RW902、RW903、RW904与RW907对市电整流滤波后产生的VAC分压。正常市电时Qw901饱和导通,QW902截止,整个欠压保护电路不起作用。当市电电压下降不能使QW901饱和导通时,使Qw902饱和导通,FSQ0765反馈④脚电压被钳位到0V,电源进入间歇工作状态,无电压输出。
(6)12V过流保护电路
过流保护电路见图4左下部所示,由运算放大器LM358( N951)模拟晶闸管Q950、Q952为核心组成,对稳压电路光耦NW950的①脚供电进行控制(部分机型该过流保护电路未安装元件)。
电路路输出端R295为过流取样电阻,S12V为取样电压。当12V电流过大时,S12V电压变为负压,送到LM358的⑥脚第二放大器的反相输入端,与⑤脚正相电压输入的OV电压比较,⑦脚输出高电平;该高电平经D953送到第一放大器的正相输入端③脚,与②脚基准电压比较后,从①脚输出高电平,该高电平经D951送到Q952的基极,模拟晶闸管电路导通,将NW950的①脚电压拉低,NW950截止,nW901的①脚电压升高,内部保护电路启动,开关电源停止工作。
(7)开/关机控制电路
开/关机控制电路见图4的右下角所示,由Q953、光耦N952、Q951为核心的PVCC控制电路和以Q901、误差放大器U954为核心的vCC-Inv控制电路两部分组成。
遥控开机后,主板送来P/S ON/OFF高电平,Q953导通,通过N952控制Q951导通,开关电源输出的vcC电压经Q951输出,变为PVCC电压送到PFC驱动电路UF901的⑧脚, PFC电路启动工作;PFC工作后输出的PFC-400V 电压,为主板和背光灯升压电路供电的同时,还经R914~R917与R907分压取样,送到u954的①脚,使U954导通程度增加,Q901导通,输出vCC- Inv电压,为背光灯板供电。
(8)PFC输出欠压保护
以Q901、误差放大器U954为核心的vCC Inv控制电路具有欠压保护功能。当PFC电路发生故障而停止工作,输出电压降为+300V或输出电压降低时,经R914~R917与R907分压取样,送到U954①脚的电压降低,U954截止,Q901截止,切断了背光灯的vCC-Inv供电,背光灯电路停止工作。
二、电源部分维修精讲
电源部分发生故障,主要引发开机三无,指示灯不亮的故障,可通过检查保险丝是否熔断、测量关键的电压的方法进行维修。
1.保险丝熔断
保险丝F901熔断说明开关电源存在严重短路故障,主要对以下电路进行检测。
(1)检测AC220V市电输入电路的c901~C910和DB901、C911~C913是否击穿漏电。
(2)检查PFC电路开关管QF901 ,nw901的①脚内部开关管是否击穿,如果击穿,进一步检查①脚外接的尖峰脉冲吸收保护电路DW901.cw915、RW911是否开路失效。
2.保险丝未断
保险丝F901未断,说明开关电源电路未工作,主要对以下电路进行检测。
(1)测量电源有无电压输出。如果有+12V电压输出,查电源板与主电路板之间的连接器连线和主板负载电路。
(2)如果测量电源无+12V电压输出,则检查开关电源电路。首先测量CF901两端电压,该电压待机状态为+300V,开机状态上升到+400V。如果CF901两端无+300V电压,检查抗干扰电路是否有开路故障。
如果CF901两端开机状态只有+300V电压,说明PFC电路未工作,则测量连接器的开/关机P/S ON/OFF电压是否为高电平,确定电视机已经进入开机状态,再检查PFC驱动电路CF901的⑧脚有无PVCC供电。无PVCC供电,检查开/关机控制电路;有PVCC供电,检查PFC电路。
(3)主电源PFC-400V供电正常,则测量Nw901的⑥脚有无启动电压,无启动电压则检查⑥脚外部的RW913启动电路,常见为启动电路RW913阻值变大或烧断;有启动电压,检查NW901的③脚有无vCC工作电压,无vcC工作电压检查③脚外部的vCC整流滤波电路。
测量nw901的④脚稳压控制反馈电压是否正常,如果为低电平,多为④脚外部的市电过低保护电路启动,常见为分压取样电阻阻值变大或开路。
(4)检查TW901次级的整流滤波电路是否发生开路故障,造成无+12V输出;整流滤波电路有无短路故障,造成开/关电源过流保护停止工作,无电压输出。
(5)检查厚膜电路NW901及其外部电路器件是否损坏,必要时更换nW901试之。
3.维修实例
例1:开机三无,指示灯不亮。分析检修:检测电源板无12V输出,判断故障在电源电路中。通电测Cw901两端电压为0V,检测保险丝F901已经烧断,说明电源部分存在严重短路故障。
测量电源部分整流滤波电路,未见短路元件;检查开关电源时,发现nw901的内部开关管击穿,经查CW915有裂纹,拆下测量已经失效,更换CW915、F901后,故障排除。
例2:开机三无,指示灯不亮。分析检修:检测电源板无12V输出,判断故障在电源电路中。测量CF901两端电压为300V ,说明市电整流滤波正常;测量nw901的⑥脚无启动电压,经查⑥脚外部启动电阻RW913开路,更换后,开关电源有电压输出,但测量CF901两端电压仅为300V,说明PFC电路未工作。测量PFC驱动电路UF901的⑧脚无PVCC电压输入,而测量连接器的P/SON/OFF电压为高电平,判断故障在开/关机控制电路。经查Q953的集电极为低电平,正常,而光耦N952的输出端为高电平,判断N952内部开路,更换N952后,测量CF901两端电压上升到+400V ,故障排除。
三、背光灯部分原理精讲
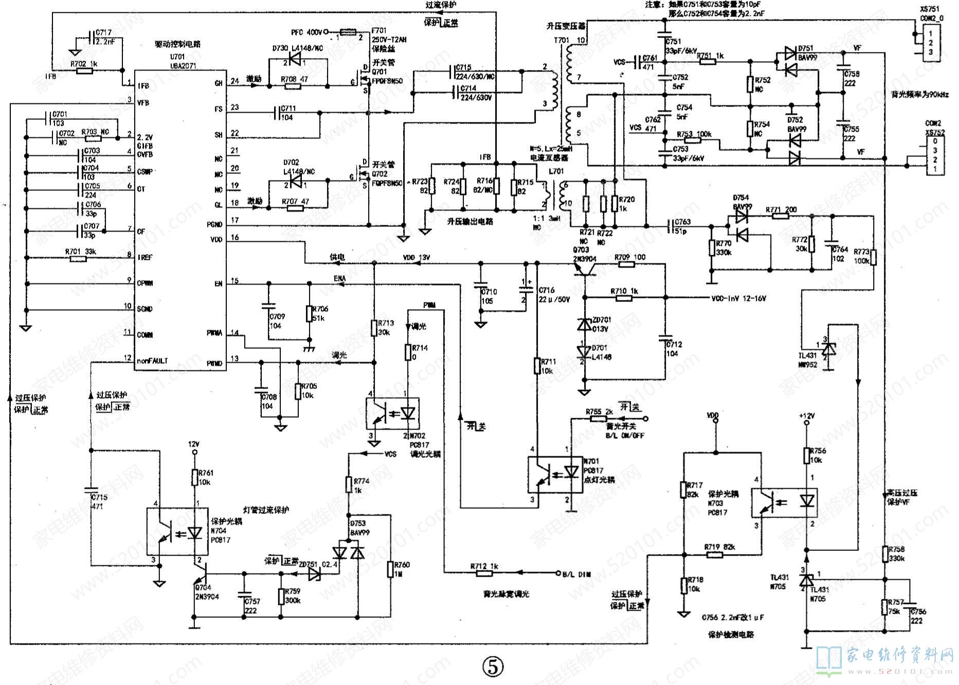
背光灯电路如图5所示,它由驱动控制电路UBA2071(U701 )、MOSFET开关管Q701、Q702、升压变压器T701为核心组成。
1.背光灯基本电路
(1)UBA2071简介
UBA2071是nxP半导体公司生产的cCFL背光灯驱动控制检测电路,引脚功能与工作电压见表3。

(2)供电电路
振荡驱动电路由zD701、Q703为核心组成供电电路。二次开机后,,开/关机控制电路输出的vCC-Inv电压经由ZD701、Q703为核心组成的电子稳压器,形成13V的VDD电压提供给U701的16脚,为U701提供工作电压;PFC-400V为升压输出电路开关管Q701、Q702供电。
(3)启动工作过程
遥控开机后,主板送来高电平点灯控制电压B/LON/OFF ,光耦N701导通,向U701的15脚输入高电平,U701内部振荡电路启动,从U701的18、24脚输出对称的开关激励脉冲,18脚输出开关脉冲驱动MOSFET开关管Q702,24脚输出开关脉冲驱动MOSFET开关管Q701,激励脉冲推动MOSFET开关管Q701、Q702交替导通截止,产生的脉冲电流在升压变压器T701产生高频高压,经连接器将背光灯管点亮。
(4)调光控制
本逆变电路的调光控制是通过改变U701的13脚的电压来实现输出电压的控制,进而调整CCFL灯管的亮度。主板送来的亮度调整B/L DIM电压,经光耦N702对U701的13脚电压进行调整,达到调整亮度的的。
2.背光灯保护电路
(1)灯管电压检测
灯管电压检测由分压取样电路C751、C752、C754、C753和R751、R752、R753、R754,误差放大器N705,光耦N703组成,对U701的13脚电压进行控制。当某根灯管损坏或本身不良时,其对应的高压变压器输出的交流高压将处于空载而上升,分压电路输出的取样电压升高,N705导通增强,通过光耦向U701的③脚输入的电压升高,当③脚电压超过保护设计值时,U701内部将关闭18、24脚输出的激励脉冲,逆变电路进入保护状态。
(2)灯管电流检测
在点亮灯管的过程中,若电压未高于0.25V,则视为灯管没有点亮,若u701的①脚未高于1.05V则视为点灯电流不够。
(3)故障检测保护
U701的12脚外接光耦N704、Q704、ZD751检测电路,对分压电路产生的vCS取样电压进行检测。当背光灯管发生故障,造成高压板输出电压过高时,取样电压VCS升高,升高的vCS电压经D753整流后,击穿稳压管ZD751,Q704导通,通过光耦N704将U701的12脚电压拉低,其内部保护电路启动。
四、背光灯板维修
背光灯板电路故障:引发有伴音无光栅的故障;开机瞬间背光灯点亮,然后熄灭。前者是背光灯电路发生故障未工作,后者是背光灯保护电路启动。
1.有伴音无光栅
首先测量背光灯电路滤波电容C716两端的+13V的VDD供电是否正常,无+13V 电压输出,则查以Q703和zD701为核心的稳压降压电路和以Q901、U954的vCC-Inv电压控制电路。测量xS952的②脚(B/L ON/OFF点灯控制)电压,如果为低电压则是控制系统故障,可通过1k电阻与5V稳压管分压后,获取点灯控制高电平后对背光灯板进行维修。
再测量驱动控制电路U701的18、24脚有无激励脉冲输出,无则检查U701为核心的驱动控制电路,有则检查Q701、Q702组成的升压输出电路。常见为MOS开关管Q701、Q702击穿,烧断保险丝F701。用数字万用表交流电压挡间接测量输出连接器的感应电压。黑表笔接地,红表笔搭在高压输出连接器XS751 XS752的外皮上,通过感应方式判断背光灯是否有交流高压输出。正常时xS751 XS752的感应电压应相等,如果两个连接器的输出电压不相等,则可能是感应电压高的连接器背光灯管开路,或感应电压低的连接器升压变压器局部短路或背光灯管漏电。
2.背光灯亮后熄灭
该故障多为背光灯过压过流 保护电路启动所致。背光灯板过压保护电路主要对U701的③脚电压进行控制,③脚电压超过2.5V时,过压保护电路启动;电流检测保护电路对U701的①脚电压进行控制,①脚电压低于1.05V时,欠流保护电路启动;过流保护电路由U701的②脚内外电路组成,12脚为低电平时过流保护电路启动。发生灯管亮后熄灭故障时,可采取解除保护的方法进行检修。
短路后通电试机,若所有灯管点亮,可判断故障在保护电路,若任意一根灯管不亮,则需进一步 检查对应灯管驱动电路及灯管本身。如果灯管全不亮,则是背光灯板电路故障。
3.维修实例
例1:背光一闪无光。分析检修:测N701的①、②脚电压为1V,说明主板已经开机,短路N703的①、②脚和N704的①、②脚,背光正常,说明是高压过压或高压不平衡保护电路有故障。用万用表交流挡分别测C752和C754,电压为10.1V和5.6V,说明C752电容损坏或容量变小,换新后故障排除。
例2:热机时,背光灯闪烁,不定时无光。分析检修:测量背光灯的供电、点灯控制电压均正常,热机时测量U701的各脚电压,发现亮度调整控制端13脚电压偏低,对13脚外部电路进行检测,未见异常,试将C708拆除后,试机数小时未再发生无光故障,故障排除。


