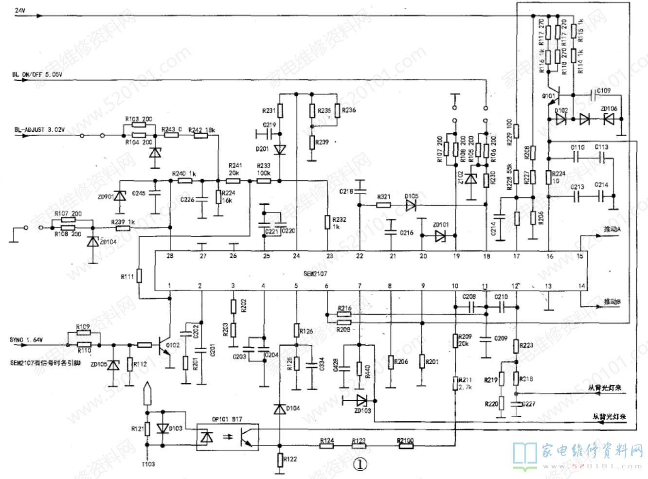
接修一台海信TLM40V66PK液晶电视,故障是无法启动,此机背光灯高压板为韩国产的SEM2107型(板上14只单灯座),无任何资料可供参考。板上器件小而密,各电阻阻值标法与国内不同,阻值无法辨认。通过测量,手工绘制出SEM2107主控背光灯逆变电源工作原理(见图1、图2),并将本次详细维修过程写出来,供大家维修时参考。
刚开机时指示灯变化正常,屏的左半边亮右半边黑,有字符显示,有广告语,随后全屏黑。加入信号可听到伴音,反复开机画面仍不能正常显示。故障初判:此故障好像是半边液晶屏损坏,应与逻辑板有关系。再仔细分析,排除各种因素影响,又可能是高压不足,如同电棒管灯丝两端亮而中间不亮一样(此机可能是U形背光灯,后被证实),此机电源及主板性能均正常。拆机检查:拆机后观察,此高压板上有韩国生产的标记,拆开高压屏蔽罩,发现有14个单灯座,以SEM2107为主控芯片,有14只模块、3个大高压变压器和1个小高压变压器。拆开逻辑板屏蔽罩,加电试机,屏竟然全亮了。加入信号,观察图、声、色均正常,用木棍敲击逻辑板和背光板,无变化,正常工作达三个多小时,这时记录下SEM2107各引脚电压值、输入输出有关电压值。关机后,重新开机,故障再现,如前所述,重复开机均不能正常启动,又记录故障时SEM2107各脚电压值,如表1所示。

从这种现象来看,高压产生板上某器件应有接触不良现象,但背光灯管正常。因此机已工作四年,背光板很长,有点变形弯曲,板上器件应有脱焊之处。因整板器件都很小,检修难度大,此板背光灯为7只U形灯组成,比较特殊(后在康佳电视机上也遇到此芯片板,均为黑屏保护)。看来主芯片SEM2107振荡性能完好,故障应是外围有不良件引起高压启动难所致。
对照两次记录数据和板上结构,先绘出SEM2107各引脚走向,有信号时SEM2107各脚电压分别为:16脚(供电脚)电压为17V;14、15脚(PWM脉冲输出脚),空载时为3.73V左右,故障时为0V;18脚(EN端)为5.03V左右;28、1脚(背光亮度控制、同步信号输入脚)为2.95V和2.49V;5、10脚(背光灯管电流检测端)分别为5.51V和2.3V;7、12脚(背光灯电流电压反馈脚)分别为1.97V和0.95V;19、23脚较为特殊,19脚由正常0V升为1.9V左右,25脚正常4.9V降为0.14V。高压变压器的初级,正常无信号时为15.3V,有信号时为16.5V,黑屏时为24V(电源微升至25V)。
因去掉保护脚可能会引起严重后果,未采用,只能在屏半亮时对SEM2107的推动脚电压及高压变压器初级电压进行测试。在不能正常启动无信号输入时,测出SEM2107的15脚电压为0.75V,高压变压器初级电压为24V,屏幕半亮,且维持时间很短;15脚电压为3.73V时,高压初级电压变为15.3V。屏幕全亮,对这两个重要数据进行分析:观察到15脚电压从0V上升到0.75V又升到3.73V,高压变压器初级电压从24V下降到15.3V(有信号输入时为16.5V),初步判定14只4614B中有某一只或几只有毛病。补焊它们,试机仍无果。
在测SEM2107的15脚电压时有个情况值得分析:当用890D数字万用表红笔“压”在15脚时测电压值,数字显示由0V-0.75V-3.73V变化,液晶屏会逐渐亮起来。在15脚上焊一条引线,再测15脚电压时,数字表显示0V-0.75V,屏幕由半亮到全黑屏。从中得到启发,模块SEM2107在背光板中部,于是采用1/2分割法进行查找,终于发现高压变压器T104周围有故障。于是将T104周围元件进行补焊,当补焊到Q307的①脚电阻J29(0Ω)时,发现J29脱落,难道这就是故障的根本所在?将J29焊回原处,加电试机,液晶屏全亮,加入信号图声色均正常,再按压背光板、连续开/关机,故障现象不再出现。
这里简述14只复合模块工作过程:4614B中①、②、⑦、⑧为N沟道场效应管,①脚为S极,②脚为G极,⑦.⑧脚为D极,③~⑥脚为P沟道场效应管,③脚为S极,④脚为G极,⑤.⑥脚为D极。其工作过程为:加电后SEM2107与4614B同时得电工作,首先24V加至③脚,当4614B的②脚得到PWM脉冲后,④脚超前②脚909工作,⑤、⑥脚也得电24V。这时,当②脚得到从0V-0.75V-3.73V的PWM脉冲后,在⑦、⑧脚到①脚有电流流过高压变压器初级,并在次级也感应到高压,同时由于电流电压负反馈的作用,当达到设计要求时,PWM脉冲不再上升,这时液晶屏被点亮。
当Q307的①脚因飞线电阻J29的一脚脱焊,②脚虽有0.7V脉冲到来,期①脚与地无法完成电流通路,⑦、⑧脚到①脚无电流流过,这时⑦、⑧脚与⑤、⑥脚仍保持24V。其他模块中,①脚到⑦、⑧脚中有电流流过,并能在变压器中产生高压,当高压达不到设计要求时,通过电流电压负反馈至SEM2107的⑦、12、⑤、10脚后,14、15脚上升至0.75V后下降至oV自保,致开机瞬间屏幕半边亮后又黑屏。

