创维LED液晶彩电采用的5800-P47ETU-00X0电源板,型号尾缀有0030/0070/0080,型号又称为168P-P47ETU-00。集成电路采用
FSL206+
FA5591+
FA5643组合方案,输出5V/0.5A、12V/2A、24V/2.5A电压。5V/0.5A电压为主板控制系统和信号处理电路供电;12V/2A为小信号处理电路供电;24V/2.5A为背光灯电路供电。应用于创维42E500E、 42E50HR、42E800A、39E600A等LED液晶彩电中。
一、原理图解
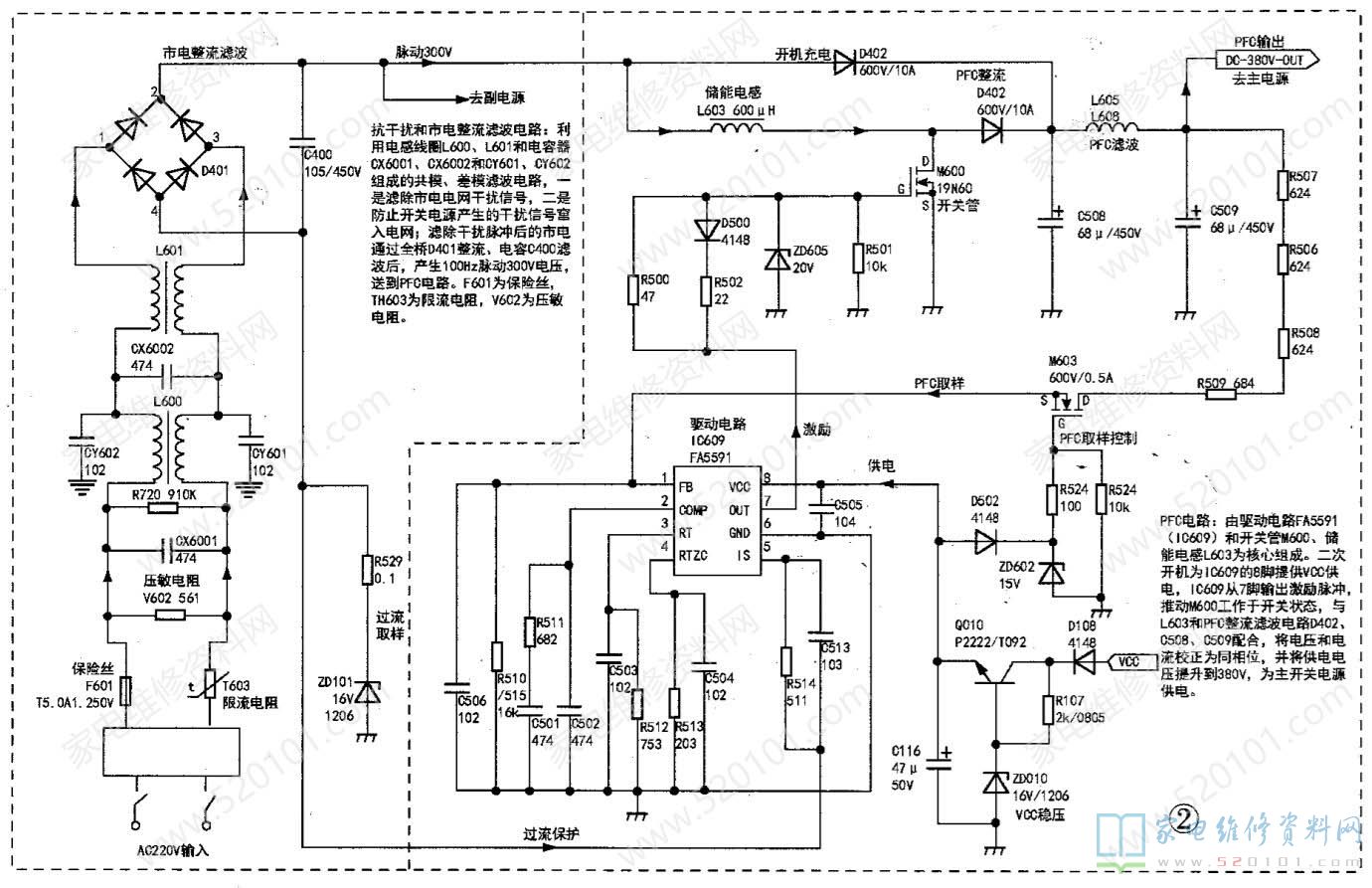
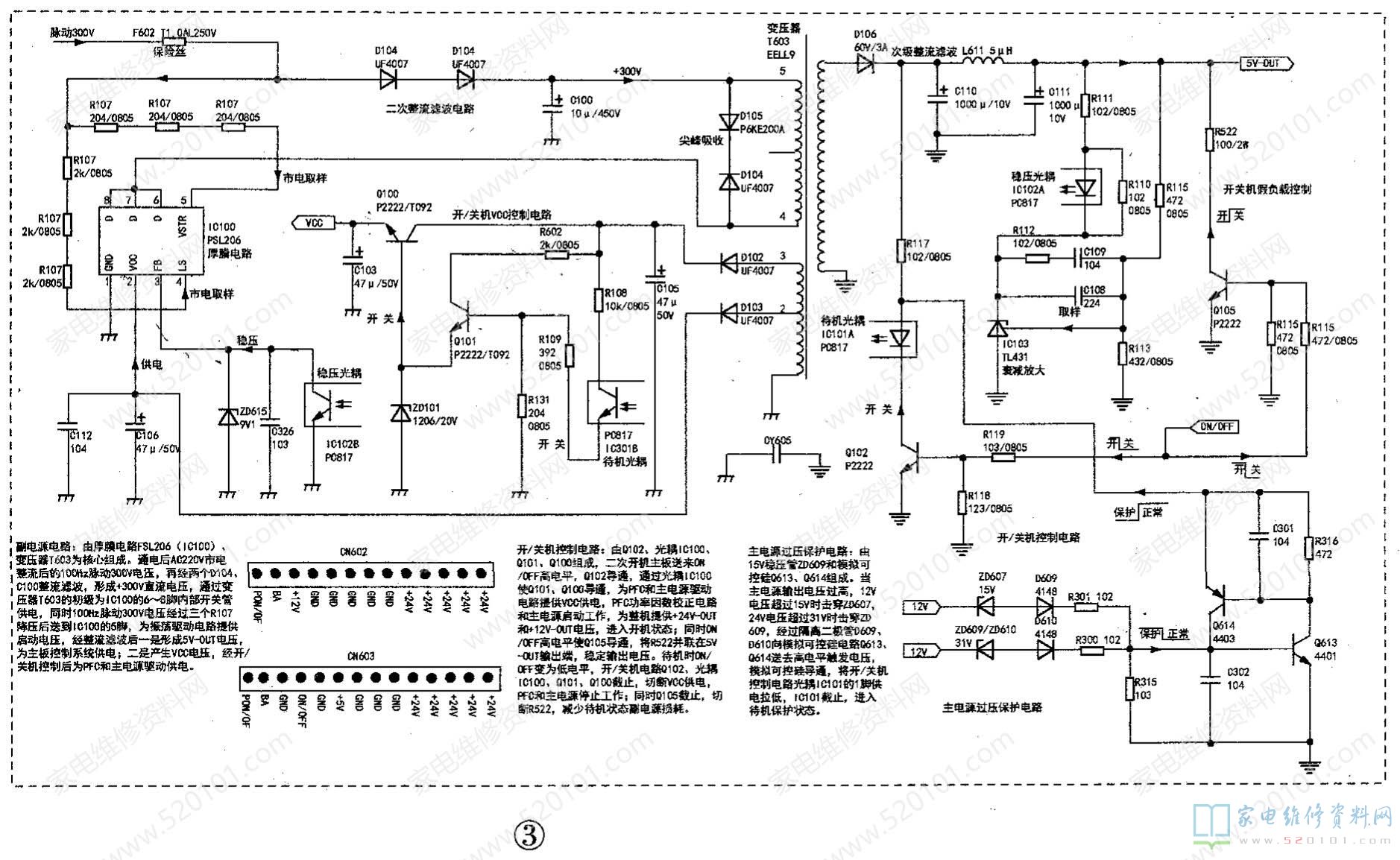
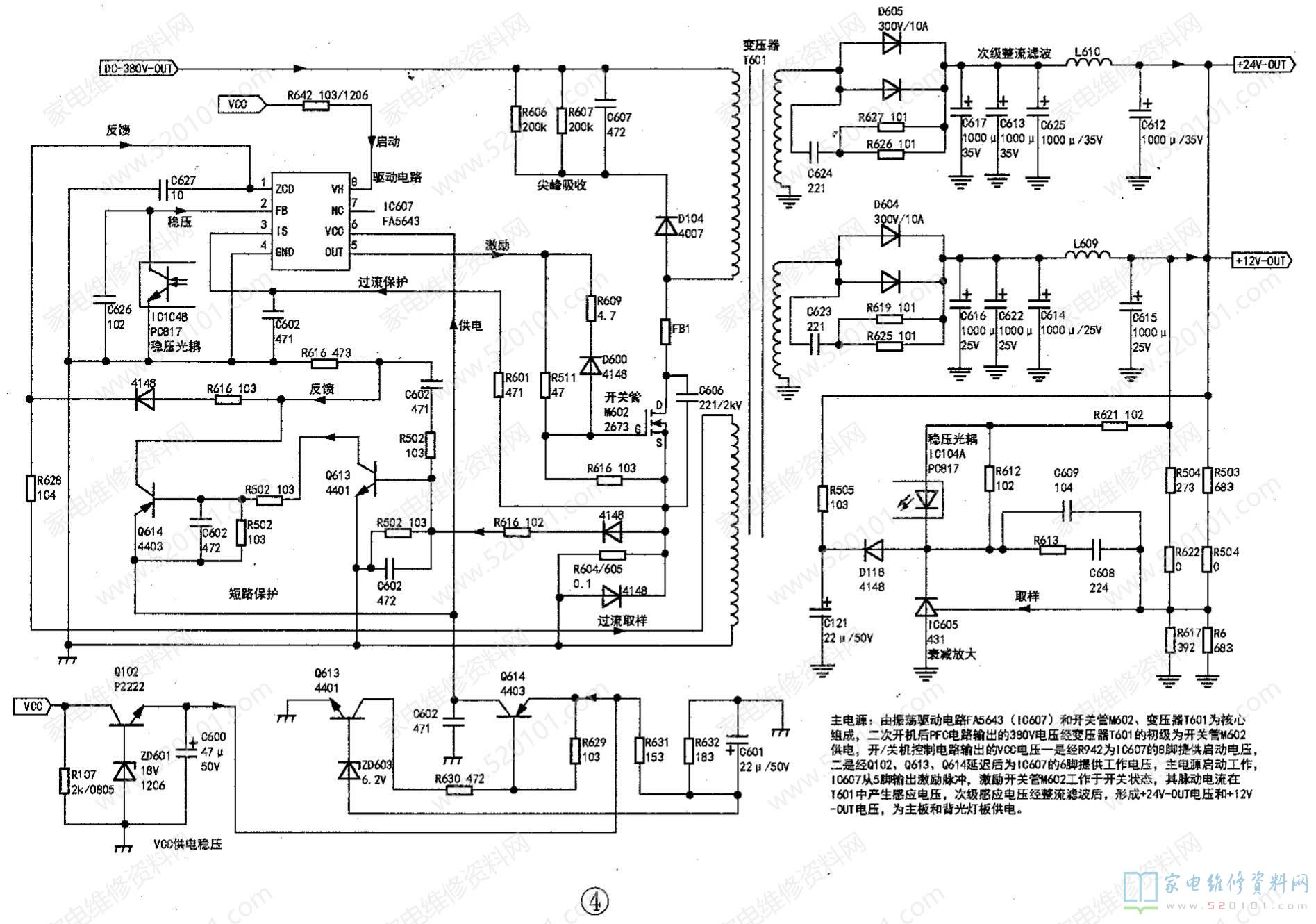
该电源板由三部分组成: 一是由厚膜电路FSL206(IC100)、变压器T603为核心组成的副电源,通电后首先工作,一是形成5V-OUT电压,为主板控制系统供电;二是产生VCC电压,经开/关机控制后为PFC和主电源驱动供电;二是由驱动电路FA5591(IC609)和大功率MOSFET开关管M600、储能电感L603为核心组成的PFC电路,二次开机后启动工作,将供电电压和电流校正为同相位,并将供电电压提升到380V,为主开关电源供电;三是由振荡驱动电路FA5643( IC607 )和开关管M602、变压器T601为核心组成的主电源,二次开机后启动工作,形成+24V-OUT电压和+12V-OUT电压,为主板和背光灯板供电。
2.开/关机电路
开/关机控制电路采用控制PFC和主电源驱动电路VCC供电的方式。由Q102、光耦IC100、Q101、Q100组成,二次开机主板送来ON/OFF高电平,Q102导通,通过光耦IC100使Q101、Q100导通,为PFC和主电源驱动电路提供VCC供电,PFC功率因数校正电路和主电源启动工作PFC功率因数校正电路启动工作,将流滤波后的市电校正后提升到+380V为主开关电源供电,主电源启动工作,为整机提供+24V-OUT和+ 12V-OUT电压,进入开机状态;同时ON/OFF高电平使Q105导通,将R522并联在5V-OUT输出端,稳定输出电压。待机时ON/OFF变为低电平,开/关机电路Q102、光耦IC100、Q101、Q100截止,切断vcC供电,PFC和主电源停止工作;同时Q105截止,切断R522,减少待机状态副电源损耗。
3.保护电路
该电源板设有 主电源输出过压保护电路:由15V稳压管ZD607、31V稳压管ZD609和模拟可控硅Q613、Q614组成,对开/关机控制电路光耦IC101的①脚供电进行控制。当主电源输出电压过高时, 12V电压超过15V时击穿ZD607,24V电压超过31V时击穿ZD609,经过隔离二极管D609、D610向模拟可控硅电路Q613、Q614送去高电平触发电压,模拟可控硅导通,将开/关机控制电路光耦IC101的①脚供电拉低,IC101截止,进入待机保护状态。
二、维修提示
该电源板发生故障时,常见故障有:开机无图像、无伴音、黑屏等,由于副开关电源工作后,为主开关电源提供启动电压后,主电源才启动工作,因此检修时,首先判断副电源是否工作正常。可通过观察待机指示灯是否点亮、测量关键点电压、解除保护的方法进行维修。
1.开机三无,指示灯不亮
先检查保险管F601是否烧断,如果烧断说明开关电源有严重的短路情况。烧断F601的原因有:市电输入交流抗干扰电路及整流滤波电路发生短路;副电源厚膜IC100内部开关管发生短路;主电源开关管M6902发生短路;PFC电路MOSFET开关管M600或滤波电容C508、C509击穿短路。
若测量副开关电源IC100内部开关管击穿短路,还需对⑥、⑦、⑧脚外部的尖峰吸收电路D104、D105进行检查,避免尖峰吸收电路元件损坏造成新换的IC100内.部开关管再次损坏;若测量主开关电源开关管M602击穿短路,则应对M602的D极外部的尖峰吸收电路D104、R607 R606、C607进行检查,避免因上述元件损.坏造成新更换的开关管M602再次损坏。
保险丝未断,故障主要在副电源电路,无5V电压输出,指示灯不亮。首先测量二次市电整流滤波电路C100两端的+300V电压,无300V电压,故障在市电抗干扰和整流滤波电路,常见为限流电阻保险丝F602烧断。
+300V电压正常,测量厚膜电路IC100的⑤脚启动和⑥脚vcc供电,无启动电压,检查⑤脚外部的启动电阻R107,⑥脚无vcC供电,检查⑥脚外部的vcC整流滤波电路。300V和启动电压正常,故障在厚膜电路IC100,注意检查IC100的④脚市电取样电压,如果过低,也会造成IC100不启动,多为④脚外部的市电取样电阻开路或阻值变大。另外副电源T603次级整流滤波电路二极管、滤波电容、负载电路发生击穿、短路故障,也会造成副电源过流保护。
2.开机三无,指示灯亮
指示灯亮,说明副电源正常,故障在主电源电路。维修时首先测量PFC为主电源提供的380V供电和开/关机电路为主电源提供的vcC供电。380V 电压仅为300V,则是PFC电路发生故障,首先排除PFC电路故障。如果主电源IC607的⑧、⑥脚无启动和vCC供电,故障在开/关机控制电路。测量ON/OFF是否为高电平,如果为高电平,一是检查Q102、IC101、Q101、Q100组成的VCC控制电路;二是检查Q613、Q614、ZD603组成的vcc稳压电路。主电源开关管的380V电压正常,IC607的⑧、⑥脚vCC供电正常,主电源仍不工作,测量IC607的⑥脚或M602的G极有无激励脉冲,无激励脉冲,故障在以IC607为核心的振荡控制电路,否则故障在M602和T601输出电路。
若主开关电源输出电压过低,则应检查次级整流滤波电路,尤其是24V滤波电容是否失容或漏电;稳压控制电路的取样误差放大电路IC605、光电耦合器IC104等是否漏电或不良。
3.自动关机
自动关机除了电源板接触不良外,多为主电源过压保护电路启动所致。判断是否启动的方法是:开机的瞬间测量Q613的b极电压,该电压正常时为0V,如果上升到0.7V高电平,则是过压保护电路启动,解除保护的方法是将Q613的b极对地短路,为了电源板和负载电路的安全,建议采用脱板维修的方法进行。
一、原理图解
创维5800-P47ETU-00X0电源板电路组成框图见图1所示,PFC电路图解见图2所示,副电源电路图解见图3所示,主电源电路图解见图4所示。
该电源板由三部分组成: 一是由厚膜电路FSL206(IC100)、变压器T603为核心组成的副电源,通电后首先工作,一是形成5V-OUT电压,为主板控制系统供电;二是产生VCC电压,经开/关机控制后为PFC和主电源驱动供电;二是由驱动电路FA5591(IC609)和大功率MOSFET开关管M600、储能电感L603为核心组成的PFC电路,二次开机后启动工作,将供电电压和电流校正为同相位,并将供电电压提升到380V,为主开关电源供电;三是由振荡驱动电路FA5643( IC607 )和开关管M602、变压器T601为核心组成的主电源,二次开机后启动工作,形成+24V-OUT电压和+12V-OUT电压,为主板和背光灯板供电。
2.开/关机电路
开/关机控制电路采用控制PFC和主电源驱动电路VCC供电的方式。由Q102、光耦IC100、Q101、Q100组成,二次开机主板送来ON/OFF高电平,Q102导通,通过光耦IC100使Q101、Q100导通,为PFC和主电源驱动电路提供VCC供电,PFC功率因数校正电路和主电源启动工作PFC功率因数校正电路启动工作,将流滤波后的市电校正后提升到+380V为主开关电源供电,主电源启动工作,为整机提供+24V-OUT和+ 12V-OUT电压,进入开机状态;同时ON/OFF高电平使Q105导通,将R522并联在5V-OUT输出端,稳定输出电压。待机时ON/OFF变为低电平,开/关机电路Q102、光耦IC100、Q101、Q100截止,切断vcC供电,PFC和主电源停止工作;同时Q105截止,切断R522,减少待机状态副电源损耗。
3.保护电路
该电源板设有 主电源输出过压保护电路:由15V稳压管ZD607、31V稳压管ZD609和模拟可控硅Q613、Q614组成,对开/关机控制电路光耦IC101的①脚供电进行控制。当主电源输出电压过高时, 12V电压超过15V时击穿ZD607,24V电压超过31V时击穿ZD609,经过隔离二极管D609、D610向模拟可控硅电路Q613、Q614送去高电平触发电压,模拟可控硅导通,将开/关机控制电路光耦IC101的①脚供电拉低,IC101截止,进入待机保护状态。
二、维修提示
该电源板发生故障时,常见故障有:开机无图像、无伴音、黑屏等,由于副开关电源工作后,为主开关电源提供启动电压后,主电源才启动工作,因此检修时,首先判断副电源是否工作正常。可通过观察待机指示灯是否点亮、测量关键点电压、解除保护的方法进行维修。
1.开机三无,指示灯不亮
先检查保险管F601是否烧断,如果烧断说明开关电源有严重的短路情况。烧断F601的原因有:市电输入交流抗干扰电路及整流滤波电路发生短路;副电源厚膜IC100内部开关管发生短路;主电源开关管M6902发生短路;PFC电路MOSFET开关管M600或滤波电容C508、C509击穿短路。
若测量副开关电源IC100内部开关管击穿短路,还需对⑥、⑦、⑧脚外部的尖峰吸收电路D104、D105进行检查,避免尖峰吸收电路元件损坏造成新换的IC100内.部开关管再次损坏;若测量主开关电源开关管M602击穿短路,则应对M602的D极外部的尖峰吸收电路D104、R607 R606、C607进行检查,避免因上述元件损.坏造成新更换的开关管M602再次损坏。
保险丝未断,故障主要在副电源电路,无5V电压输出,指示灯不亮。首先测量二次市电整流滤波电路C100两端的+300V电压,无300V电压,故障在市电抗干扰和整流滤波电路,常见为限流电阻保险丝F602烧断。
+300V电压正常,测量厚膜电路IC100的⑤脚启动和⑥脚vcc供电,无启动电压,检查⑤脚外部的启动电阻R107,⑥脚无vcC供电,检查⑥脚外部的vcC整流滤波电路。300V和启动电压正常,故障在厚膜电路IC100,注意检查IC100的④脚市电取样电压,如果过低,也会造成IC100不启动,多为④脚外部的市电取样电阻开路或阻值变大。另外副电源T603次级整流滤波电路二极管、滤波电容、负载电路发生击穿、短路故障,也会造成副电源过流保护。
2.开机三无,指示灯亮
指示灯亮,说明副电源正常,故障在主电源电路。维修时首先测量PFC为主电源提供的380V供电和开/关机电路为主电源提供的vcC供电。380V 电压仅为300V,则是PFC电路发生故障,首先排除PFC电路故障。如果主电源IC607的⑧、⑥脚无启动和vCC供电,故障在开/关机控制电路。测量ON/OFF是否为高电平,如果为高电平,一是检查Q102、IC101、Q101、Q100组成的VCC控制电路;二是检查Q613、Q614、ZD603组成的vcc稳压电路。主电源开关管的380V电压正常,IC607的⑧、⑥脚vCC供电正常,主电源仍不工作,测量IC607的⑥脚或M602的G极有无激励脉冲,无激励脉冲,故障在以IC607为核心的振荡控制电路,否则故障在M602和T601输出电路。
若主开关电源输出电压过低,则应检查次级整流滤波电路,尤其是24V滤波电容是否失容或漏电;稳压控制电路的取样误差放大电路IC605、光电耦合器IC104等是否漏电或不良。
3.自动关机
自动关机除了电源板接触不良外,多为主电源过压保护电路启动所致。判断是否启动的方法是:开机的瞬间测量Q613的b极电压,该电压正常时为0V,如果上升到0.7V高电平,则是过压保护电路启动,解除保护的方法是将Q613的b极对地短路,为了电源板和负载电路的安全,建议采用脱板维修的方法进行。
版权声明:本文为转载文章,版权归原作者所有,欢迎分享本文,转载请保留出处!


