液晶电视二次不开机或开机困难的故障分析与维修

2022-12-02 18:18:21  阅读 2480 次 评论 0 条
摘要:

此类故障的具体现象有:二次开机时,面板指示灯亮或闪烁但二次不开机,或冷机不开机,或无规律出现二次不开机现象。液晶彩电的开机流程如下:接通电源后,电源板输出待机电压(又称副电压,多为+5V或3.3V),供给

      此类故障的具体现象有:二次开机时,面板指示灯亮或闪烁但二次不开机,或冷机不开机,或无规律出现二次不开机现象。液晶彩电的开机流程如下:接通电源后,电源板输出待机电压(又称副电压,多为+5V或3.3V),供给CPU、按键及遥控电路,控制系统处于等待操作状态,按压面板或遥控器上的开/待机键后,CPU发出开机指令->主开关电源电路工作->输出+5V、12V等电压供给主板->主板上的控制系统初始化->主芯片开始与DDR存储器进行通信,并将Flash存储器中的开机程序调用到DDR存储器中->系统初始化各类寄存器->从EEPROM中读取数据->检测总线上的器件(如高频调谐器、音效处理块等),并进行初始化->系统进入开机状态->启动背光,显示开机画面(LOGO)。

      在上述流程中,若任一坏节出现问题(包括软件),均会导致二次不开机或开机困难故障。

一、故障原因分析

1、开关电源输出电压时序异常

      正常时,上电后开关电源先输出待机电压,只有接收到CPU输出的开机指令后,主开关电源才工作,并输出相应电压。若主开关电源在未收到开机指令前就工作(常见原因是开/待机控制电路异常),则主板上的控制系统难以完成正常的初始化操作,从而出现二次不开机或开机困难故障。

2、开关电源输出的待机电压偏低

      待机电源又称副电源输出电压多为+5V,在电源板或主板上的标注多为5VS.5VSB.5VSTB等,如图1所示。若该电压低于4.5V,就易出现二次不开机或开机困难现象。

液晶电视二次不开机或开机困难的故障分析与维修 第1张

3、二次开机后电源板输出的主电压异常

      在二次开机时,若测得主板已发出开机信号,则表明主板上的CPU控制系统工作正常,如果此时电源板的主开关电源电路不能输出正常的电压,则电视机无法进入正常的开机状态。

4、电源板上的PFC电压偏低

      在采用PFC(功率因数校正)电路的电视机中,PFC电压正常值为380V~400V。若此电压偏低(一般低于360V时),会导致开关电源带载能力下降,从而出现开机困难故障。

5、背光驱动电路或背光源异常

      在部分液晶彩电中,尤其是进口液晶彩电或新型LED液晶彩电中,背光驱动板上设有状态检测电路,该电路输出的状态检测信号送给主板与电源板。该信号的引脚英文标注多为STAUS、STATUS、ERROR等,如图2所示。

液晶电视二次不开机或开机困难的故障分析与维修 第2张

      当背光驱动电路或背光源异常时,背光驱动板输出的状态检测信号电平反转,主板据此停止输出开机指令,开关电源随即进入待机状态,从而最大限度地保护后级负载电路。

6、主板上的5V、3.3V或CPU内核供电电压异常

       此处所说的5V、3.3V与CPU内核供电电压均系主板上的电压变换电路所得。CPU内核供电电压多为1.26V、1.15V或1V。

       液晶彩电常用的电压变换电路主要有两大类:一是3只引脚的三端低压差稳压块,如1117系列和1084系列,如图3所示;另一类是内置PWM调控电路或同步整流电路的贴片集成块。如图4所示,该集成块与外置的电感电容、 电阻等元件组成降压稳压电路。

液晶电视二次不开机或开机困难的故障分析与维修 第3张

液晶电视二次不开机或开机困难的故障分析与维修 第4张

       提示:根据经验,当3.3V电压低于3.1V,或者1.26V电压低于1.25V,或者1V电压低于0.95V时,极易出现二次不开机故障。

7、存储器与主芯片之间的通信线路接触不良或漏电

       这里所说的存储器主要是指程序存储器和动态存储器,分别简称为Falsh 和DDR。在液晶彩电中,Flash多采用25系列存储器,如图5所示,其工作电压为3.3V,存储本机的主程序及搜台、屏参等数据。检查的重点是存储器的供电及SDA.SCL端电压是否正常,以及存储器与主芯片之间的通讯线路是否畅通。

液晶电视二次不开机或开机困难的故障分析与维修 第5张

       由于二次开机时,主芯片中的CPU电路需将Fash存储器中的程序调入DDR存储器中运行,若DDR存储器不良或主芯片与DDR存储器之间的通讯不畅,则会出现不开机故障。此原因对应的故障现象多具有“冷热”特性,即在冷机或热机状态下才出现故障。

8、主芯片外接晶振不良

       芯片得电后,内部时钟电路配合外部晶振工作,产生固定频率的信号,作为芯片内部电路的工作时钟。若晶振不良,必然会导致芯片内部的工作时钟异常,从而出现二次不开机或开机困难故障。例如在部分康佳LC-TM3719液晶彩电中,主控处理器GM1601外接14318MHz晶振Z501,如图6所示。Z501因质量原因,在使用一段时间后性能下降,从而出现二次不开机现象。

液晶电视二次不开机或开机困难的故障分析与维修 第6张

9、主芯片引脚虚焊

       此原因多出现在主芯片采用BGA封装的液晶彩电中。检修时,可先用手压住主芯片再上电试机,此时若故障排除,则可判定故障原因系主芯片引脚虚焊所致,这时可用热风枪对其加热消除虚焊现象。另外,DDR存储器引脚虚焊或损坏也会出现不开机故障,可补焊或代换试之。

10、按键或按键板电路异常

       在部分液晶彩电中,若按键短路或漏电,也会出现E次不开机现象。另外,在部分液晶彩电按键板上,除安装有按键与遥控接收头外还安装有自动光控(OPC)或触摸信号处理电路(采用触摸按键方式),如图7所示,若自动光控或触摸信号处理芯片工作异常,则会导致CPU对其的总线检测失败,这时也会表现为不开机。

液晶电视二次不开机或开机困难的故障分析与维修 第7张

11、软件故障

        在排除上述硬件故障的可能性后,可用编程器对电视进行软件升级,或通过数据读写,进一步判断主板上的CPUFlash或DDR存储器是否正常。

        若有条件的话,可借助ISP工具与电脑查看开机打印信息,以便分析判断故障部位。开机打印信息反映了电视机在开机时系统内部程序的运行状态与进度,其显示的内容主要是CPU依次对DDR存储器引导程序存储器、主程序存储器以及总线器件的检测结果。若对某-项的检测异常,系统一般不再进行下一项检测,CPU也不会发出二次开机指令,并会在打印信息中出现相应的字符提示,如图8所示。

液晶电视二次不开机或开机困难的故障分析与维修 第8张

        从打印信息看,前半部分对DDR、BOOTNAND的检测均正常,"EEPROM_ Read 0 filed" 与“###EPROM read() loader config failedl!”信息表示CPU对EEPROM存储器的读写失败,这时需重点检查EEPROM存储器的供电与总线电压是否正常。本故障涉及的电路主要在电源板及主板上,实修时应先检查电源板及主板上的相关输出电压是否正常然后检查CPU的工作条件是否满足,最后考虑软件升级,具体步骤如下:

       第一步:测量待机电压是否正常。接通电源,测量待机电压,若偏低或波动,测脱开主板再进行测量,若此时电压正常则说明问题出在主板上;否则,检查待机电源电路。

       若待机电压过低,则先检查电源芯片的供电、稳压控制与尖峰吸收回路元件,然后代换电源芯片一试;若待机电压带载能力差可先增大该电压滤波电容容量,或将其整流二极管换成优质肖特基二极管试试。值得注意的是,在部分采用IP(逆变、电源二合一)板或LED背光的液晶彩电中,其开关电源无独立的5V的待机电源电路而是在待机时输出5V与12V电压,若待机时5V电压正常但二次开机后5V电压下降,则故障原因可能与+12V输出电路有关。提示:在部分液晶彩电中,若待机电源空载(如在摘板維修时),其输出的5V电压会在46V-52V间波动,这属于正常现象。为防止误判,建议摘板维修时,在待机5V电压输出端上接上一只10Ω-22Ω/3W电阻或10W/12V灯泡作假负载。

       第二步:测量电源开/关信号是否正常。上电后,按压遥控器或电视机面板上的电源开/待机键,测量电源板上的开/待机控制端(其标注通常为POW、POW O/F、TB或ON/OFF等)能否在0v与33V间跳变,若能,表明主板上的CPU电路基本正常:否则,检查主板上开待机控制及CPU电路。

      第三步:测量电源板上的PFC电压是否正常。该电压正常值应在380V-400V之间。若PFC电压约为300V,应重点检查PFC调控芯片的供电及市电电压检测电路;若PFC电压在300V-380V之间,则重点检查PFC电压检测电路,尤其是大阻值分压电阻(阻值多为510k ~1MΩ ),如图9所示,这些电阻易因焊盘间漏电而引起取样电压升高,最终导致PFC电压下降。

液晶电视二次不开机或开机困难的故障分析与维修 第9张

      另外,在市电电压检测与PFC电压检测电路中,由于工作电压较高,该电路中的贴片电阻阻值变化时有发生,实修时可换用2W同阻值普通精密电阻,如图10所示,以绝后患。

液晶电视二次不开机或开机困难的故障分析与维修 第10张

       第四步:测量主开关电源输出电压是否正常。若主开关电源不正常,则重点检查主开关电源驱动芯片的电源、使能、驱动及输入电压检测端的外围元提示:为了快速判断故障部位,实修时可先对电源板进行单独检测,即带上假负载后强制启动电源板,测量各组输出电压是否正常,也可先代换电源板。

       第五步:测量主板上的各DC-DC电路输出电压是否正常。先观察5V、3.3V、2.5V、1.26V等电压的滤波电容有无漏液、鼓包现象,然后再测量其输入、输出电压是否正常。导致DC-DC电路输出电压异常的常见原因有:(1)滤波电容容量减小,实修时可并联电容试之;(2)电压变换IC性能不良,可代换试之;(3)该路电压负载短路,可脱开负载进行判断;(4)外接反馈电阻阻值变化等。其中,第一条原因较为常见。

       第六步:检查存储器电路。重点检查存储器(尤其是DDR存储器)与主芯片之间的通信电路,以及DDR存储器的供电(多为2.5V或1.8V)与基准电压(多为1.25V或0.9V)。在许多液晶彩电主板上,主芯片与DDR存储器的距离较近,如图11所示( W9412G6CH-5是一块2M x 4BANKS x 16bit DDR),这一区域发热比较厉害,虚焊现象较多。

液晶电视二次不开机或开机困难的故障分析与维修 第11张

       因此,实修时可先对DDR引脚补焊,再对DDR存储器的供电以及基准电压(这两个电压要求较高,电压值不能偏离过多,纹波不能太大)进行检测,然后检查存储器与主芯片之间的排阻及线路过孔。提示:在检修不开机、自动关机或死机故障时,可先清除DDR存储器外围线路(主要是与主芯片相连的线路)上的灰尘、油污,再用吹风机烘干这部分线路,这往往能起到事半功倍的效果。

       第七步:检查主芯片的时钟电路。根据经验,正常工作时,晶振两引脚间有约0.2V的电压差,并且任何一只引脚的电压不得为0V。如怀疑晶振损坏或性能不良,可采用代换法进行判断。

       第八步:补焊主芯片。第九步:软件升级。在检修不开机故障时,在确认主芯片的关键点(供电、晶振、复位等)电压均正常的前提下,可先烧写该型机对应的引导程序,然后试机,若还是不开机,则升级主程序试试。综上所述,液晶彩电二次不开机或开机困难故障的检修流程如图12所示。

液晶电视二次不开机或开机困难的故障分析与维修 第12张

三、故障检修实例

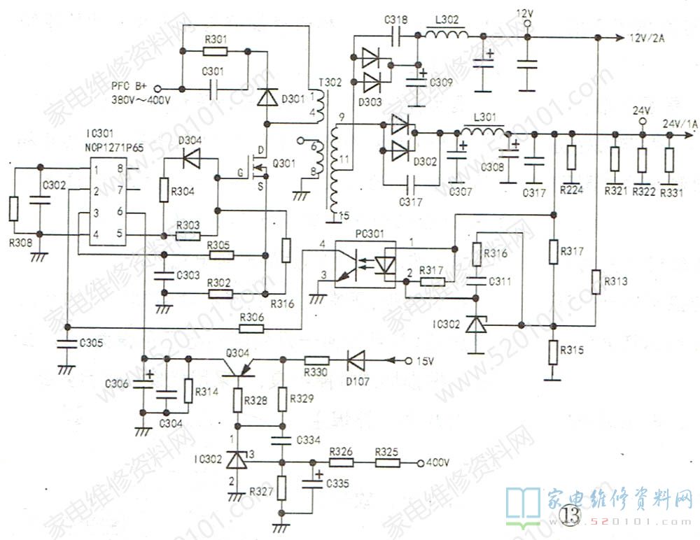
       例1:一台创维42L05HF液晶彩电,指示灯亮,不开机。分析检修:由于指示灯亮,说明副电源已工作,故障应是开/待机控制电路或主电源异常所致。经查主电源不工作。该机采用电源高压二合一板(型号:5800-P42TLQ-000/0020/0040),其主电源电路如图13所示。

液晶电视二次不开机或开机困难的故障分析与维修 第13张

       PFC电路输出的380V~400V电压经开关变压器T302的初级绕组加至开关管Q301的D极。同时,Q304集电极输出的14V受控电压经电容C304和C306滤波后,送到IC301(NCP1271P65)的⑥脚,为IC内部的振荡器、触发器等电路供电,振荡器产生65kHz振荡脉冲控制触发器等电路,然后输出开关管所需激励脉冲,通过驱动电路放大后从⑤脚输出。当⑤脚的激励脉冲为高电平时,Q301导通,在T302的初级绕组中产生上+、下一的感应电动势,T302的次级绕组和自馈电绕组中产生下+、上-的感应电动势,因整流二极管D302、D303反偏截止,能量存储在T302中;当⑤脚输出的脉冲为低电平时,Q301迅速截止,T302次级绕组产生的电动势经过整流滤波后,输出12V和24V两种直流电压。

      为保证输出电压的稳定,特设置了三端误差放大器IC302,并与PC301、IC301等元件组成稳压电路。当负载变轻时,主电源输出电压升高,C308两端电压升高,此电压经R318为PC301的①脚提供的电压也随之升高,同时经R313、R315取样所得电压.超过2.5V,经IC302比较放大后,PC301的②脚电压下降,其①、②脚内部发光二极管因导通电流增大而发光加强,其③、④脚内部光敏管导通程度加深,IC302的②脚电压被拉低,经IC301内部的调制器处理后,⑥脚输出的激励脉冲占空比减小,Q301的导通时间缩短,主电源输出电压下降到设定值。当负载变重引起电源输出电压下降时,稳压控制过程与上述相反。

      首先测量IC301的⑥脚供电电压,发现只有4V;D107正极电压为15V,正常。检查IC301的⑥脚外围元件,发现电容C306已无容量,换上一只10uF/50V电容后,主电源恢复正常,故障排除。

       例2:一台创维42L05HF液晶彩电,指示灯亮,无规律出现二次不开机现象。分析检修:在故障出现时,发现主电源不工作,开关变压器T302有高频叫声,此现象说明主电源进入欠压或过流保护状态,相关电路参见图13。当受控供电电路的Q304异常,或电容C304、C306漏电时,IC301的⑥脚输入的启动电压会低于12.6V,IC301不能正常启动。在IC301启动后,若其.⑥脚电压低于5.8V,IC301也会停止工作,以免Q301因激励不足而损坏。若负载异常引起Q301的D极电流过大,则R302两端压降增大,当IC301的③脚的电压超过1V并持续180ns 后,IC301的⑤脚停止输出激励脉冲,Q301停止工作,以避免Q301过流损坏,从而实现过流保护。

       仔细检查上述电路及有关元件均正常,电容C304.C306 也无漏电现象且容量正常。实测发现24V电压在故障出现时只有3.8V左右,这说明主电源有问题。检查主电源输出电路中的滤波电容、电感等元件未发现异常,怀疑12V、24V整流管D303、D302性能不良,将其换新后故障排除。为了搞清到底是D303还是D302的问题,再将它们分别焊回原电路,当焊回D302时,故障出现,这说明故障是由D302不良引起的,为绝后惠,将D303、D302全换为新品。

       例3:一台海尔L26R3彩电(RTD2672机芯),指示灯亮,不开机。分析检修:拆机检查,待机电源5V电压正常,但二次开机后主电源无12V、24V电压输出,判断主电源有问题。该机采用1283B型电源二合一板,其主电源控制芯片为TEA1532C(U3),如图14所示。

液晶电视二次不开机或开机困难的故障分析与维修 第14张

       经查开关管Q7(场效应管2SK3265,10A/650V)及二极管D8击穿。拆下Q7后测量U3的⑦脚(激励脉冲输出端)正反向对地电阻,分别为6.4k和16.2k,估计U3基本正常。更换Q7和D8后试机,故障排除。

       例4:一台海尔L32F1彩电(RTD2672机芯),指示灯亮,不开机。分析检修通电试机,红灯亮,二次开机后红灯灭,但无图像、无伴音。拆机检查,待机5V电压正常,二次开机后,电源板开/待机控制端电压由0V变为4V,但主电源无12V 、24V电压输出,这说明故障出在主电源电路中。

       该机主电源采用电流模式PWM控制芯片NCP1377 (U1)。 测得U1的⑥脚供电电压仅为6V,正常值约为16V,于是转向检查vCC供电电路,如图15所示。测得vcc电压约为20V,但三极管v9的基极电压约为6.5V,显然不正常经查18V稳压二极管ZD3反向漏电换新后故障排除。

液晶电视二次不开机或开机困难的故障分析与维修 第15张

版权声明:本文为转载文章,版权归原作者所有,欢迎分享本文,转载请保留出处!