创维P42ELL型电源主要用于49E660D彩电(8K59机芯)中,具体型号有168P-P42ELL-04或168P-P47ELL-20,其实物如图1所示。该电源的组成如图2所示。接通电源后,220V交流电经EMI滤波、整流后送往主电源电路,PFC电路工作,输出380V电压,12V、24V的DC-DC变换电路工作,输出+12V电压,送往待机5V DC-DC电路,产生的5V待机电压送往主板上控制系统。
二次开机后,CPU发出的开机信号(STB),送给电源板,主电压形成电路工作,输出+24V/4A(为背光电路供电)和+12V/3A(为主板电路供电)电压。
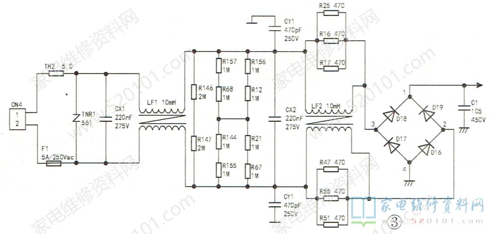
1、EMI滤波电路
该电源的EMI滤波电路如图3所示,F1是保险丝,TH1是限流电阻,V602是压敏电阻,CY1、CY2是共模滤波电容,LF1、LF2是共模电感,CX1、CX2是差模电容,R146、R147、R157、R68、R144、R155、R67、R21、R12、R156是泄放电阻。
2、待机5V(+5VSTB)电压产生电路
待机5V供电产生电路如图4所示,IC1(TPS54228)为TI的DC-DC变换IC(集成有控制芯片与开关管),并与储能电感L3等元件组成DC-DC变换电路,当IC1内部的MOS管导通时,L3储能,当MOS管截止时,L3对外释放能量。C69为软启动电容,其容量大小决定启动延时时间;zD21为使能控制稳压二极管。当输入电压低于9.1V时,IC1的使能端①脚无控制电压输入。
(1)工作过程
12V供电经R20送到IC1的⑧脚,IC1内部的欠压锁定检测电路先对输入电压进行检测,当判断其正常时,IC1的③脚输出5V基准电压,供给IC内部的PWM振荡等电路,这时若IC1的①脚有正常的使能信号,则IC1内部的PWM振荡电路开始工作,产生的PWM信号经逻辑控制电路、驱动电路处理后,送给IC内部功率开关管的栅极,功率开关管导通,L3中因流过变化的电流而产生相应的感应电动势,经C56滤波后得到5V电压,作为待机+5VSTB供电,为主板上的CPU、按键、遥控等电路供电。
(2)稳压过程
若因某种原因导致输出的5V电压升高,则经R120、R32取样所得电压也会升高,则IC1的②脚电压升高,IC内部电路根据②脚的反馈电压对输出脉冲的占空比进行调整,使功率开关管在一个周期内的导通时间变短,L3上的感应电压降低,从而使输出电压下降,以达到稳压的目的。当5V电压偏低时,其稳压过程与上述过程相反。TPS54228内部电路如图5所示,其引脚功能与实测数据见表1。
3、开关机控制电路
Q2、Q6等元件组成开/关机控制电路,如图6所示。二次开机后,CPU输出高电平开机信号(STB),Q6导通,ST端为低电平,Q2导通,于是VDD电压经D8及Q2的e、c极后输出VDD1供电,输出+12V与+24V电压。
4、主电源(PFC+LLC)电路
该机主电源电路采用NXP公司生产的第三代绿色开关电源(SMPS)控制器TEA1752(U1),如图7所示。
TEA1752将功率因数(PFC)控制器和反激式准谐振开关电源(LLC)控制器集成在一起,并集成有欠压锁定检测、振荡器、比较器、或非门、软启动、栅/门极驱动器、计数器、RS触发器及多种保护电路,其引脚功能与实测数据见表2。
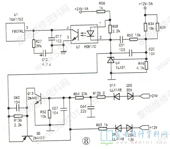
T1 (5123 -0601TU-0000 )为脉冲变压器,L1为PFC电路升压电感,D53、D20、R59、R607、C36组成了尖峰脉冲吸收回路,Q1为LLC电路开关管,Q8为PFC电路开关管,D12为PFC电路升压二极管,R70、R6为过流检测取样电阻,C23、C6为PFC滤波电容,R48为PFC 电路过流取样电阻,R22、R122、R23为主电压取样检测电阻,ZD9、ZD13.ZD14为保护稳压二极管,U4(TL431)是一款具有精密电压基准的稳压集成电路,R50、C31用于防止寄生振荡,Q3、Q14( 60N04 )为MOS管。
(1)工作过程
PFC控制电路工作过程:接通电源开关后,U1的⑧脚电压经内部电路给U1的①脚(vCC )外接电容充电,当①脚电压达到0.65V时,⑧脚内部电流源对vCC端外接电容快充电到15v,当vcc=15V时,vcC被再次充电到22V,当vCC=22V时,⑧脚内部电流源被关断,此时,U1的⑤脚内部有80uA的电流源给外接电容充电,同时,U1的①脚和①脚的软启动电流被接通。当U1的⑤脚外接电容两端电压达到1.35V,U1的⑦脚(检测端)电压大于1.15V,U1的⑥脚外接电容两端电压达到3.5V时,PFC电路的内部振荡器开始振荡,振荡产生的信号经内部栅极驱动器放大后,从u1的12脚输出PWM信号,经R1、R57、D7送给开关管Q8的栅极,Q3导通,则正弦波电压->L1->Q8->R48->地,形成电流,在L1上产生感应电动势(L1储能)。随着工作的进行,通过Q8的电流会逐渐增大,R48上的压降也会增大,当U1的①脚电压达到典型关断值0.52V时,过流保护电路会起控,强制振荡器停止振荡,Q8因得不到驱动信号而关断,L1上的感应电动势极性反转,L1上的感应电压与300V电压叠加(这期间L1对外释放能量),经D12整流、C23与C6滤波后得到PFC电压。
当L1中的电流降为0时,其辅助绕组送给U1的⑧脚-个低电平信号零电流检测比较器正相输入为低电平,则输出也为低电平,内部RS触发器的s端为低电平,此时RS触发器R端为高电平。此时,U1的⑦脚检测的高电平信号,经电流比较器后输出的误差电压也为高电平,送到RS触发器的R端,则RS触发器输出端Q为高电平,U1的12脚内部栅极驱动管导通,从12脚输出驱动信号送给Q8的栅极,Q8又开始导通,L1上的感应电动势反转,电流通过L1和Q8,L1上的电流又开始上升,即PFC电路进入下一个工作周期,如此周而复始。
反激式开关控制工作过程: 当PFC电路启动的同时,反激式开关控制电路被激活,当u1的10脚外接的软启动电容两端电压达到0.63V,且U1的③脚电压低于4.5V时,反激式开关控制电路正常工作(可以通过设定PFC控制电路和反激式开关控制电路的软启动电容值,实现PFC控制电路先于反激式开关控制电路启动)。当U1内部的振荡电路得到正常供电后,振荡电路开始振荡,其脉冲经过栅极驱动器处理后,从13脚输出PWM信号,送给开关管Q1的栅极,Q1开始工作。脉冲变压器T1的各次级绕组感应产生相应的电动势,分别经整流、滤波后得到+12V和+24V电压,给主板、恒流板电路供电。
(2)稳压工作过程
当输出的+12V电压升高时,取样电压也会升高,即U4的R极电压升高则U4的K极电压降低,通过U7内部发光二极管的电流加大,则U7内部光敏三极管导通程度加深,U1的③脚电压下降,在芯片内部电路的控制下,开关管在一个周期内导通时间变短,T1各绕组的感应电压相应地降低,即12V .24V输出电压下降,以达到稳压的目的。当输出的+12V电压降低时,其稳压过程与上述相反。
(3)芯片内欠压保护
当u1的①脚供电电压低于欠压锁定电压时,欠压保护电路会马上起控,强制内部振荡器停止振荡,功率开关管截止,芯片进入安全重启模式,从而实现欠压保护。
(4)过流保护
当因某种原因使功率输出回路的电流过大时,过大的电流经取样电阻取样及U1过流保护端外接电容积分后,反馈到U1内部过流保护电路起控强制振荡器停止振荡,从而实现过流保护。
(5)过载保护过程
当12V或24V电压负载过重时,U1的③脚的反馈电压会升高,当③脚电压超过阈值4.5V时,过载保护电路起控,强制振荡器停止振荡,从而实现过载保护。
(6)过热保护过程
当因某种原因使U1芯片基板温度超过关断温度时,过热保护电路起控,强制振荡器停止振荡。
(7)过压保护过程
该电源的过压保护电路如图8所示。当+12V或+24V电压太高时,会齐纳击穿相应稳压二极管(ZD4或ZD5),经二极管D9、D14后,给Q13基极送去一个高电平,Q13饱和导通,Q5随之饱和导通,光电耦合器U7的②脚为低电平,流过U7内部发光二极管的电流大增,发光增强,其内部的光敏三极管饱和导通,U1的③脚被强制拉为低电平,则IC1内部振荡器被强制关断,PFC控制电路与反激式开关控制电路停止工作,从而实现过压保护。
