海信TC-2953、TC-2955、TC-2965、TC2958系列彩电,小信号处理电路采用三洋单片小信号处理电路LA7687A,CPU采用LC8645165G18,开关电源采用常见的三洋A3型由分离元件组成的开关电源。下面以海信TC2953彩电为例,介绍保护电路的原理与维修。
一、保护电路原理  
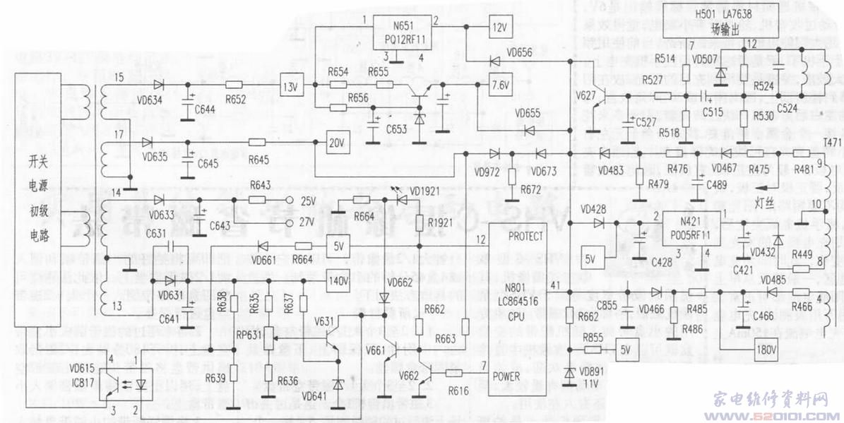
    该机保护电路如附图所示。  
    开机时CPU⑦脚开/关机控制端输出高电平,V662饱和导通,将待机控制电路中V661 b极电压拉低,V661截止,对稳压电路不产生影响,由误差取样放大电路控制,开关电源输出正常电压;指示灯VD1921由5V电源经R1921供电,通过R664构成回路,由于R664阻值较大(15k),指示灯亮度变暗。  
    待机或保护时CPU⑦脚输出低电平,V662截止,V661饱和导通,通过光耦VD615(PC817)将开关电源振荡激励信号短路,开关电源停止工作,进入待机状态。同时由于V661饱和导通,指示灯通过VD662构成回路,流过指示灯的电流增加,指示灯亮度变亮。  
    CPU 41脚是特设的保护(PRETECT)端口。外接开关电源和行输出电压短路、失压检测保护电路和场过流检测保护电路。CPU 41脚电压正常时为4.5V以上高电平,被检测的电路电压因负载短路或整流滤波电路故障无电压输出时,相应的检测二极管导通,将41脚电压拉低,当低于2.5V时CPU判断被检测的电路发生故障,采取保护措施,从⑦脚输出低电平,进入待机保护状态。  
    CPU 41脚外部保护检测电路如下:  
    1.开关电源低压失压、短路检测电路  
    CPU 41脚通过二极管VD656、VD655、VD673和VD672对开关电源输出的三路电压进行检测。当上述被检测电压因负载短路、整流滤波稳压电路开路等原因,造成被检测电压丢失时,相应的VD656、VD655、VD673之一导通,将CPU 41脚电压拉低,进入待机保护状态。  
    2.行输出不工作检测电路  
    CPU 41脚通过二极管VD458对行输出变压器T471的灯丝电压进行检测。T471⑨-⑩绕组灯丝电压经VD487、C469整流滤波后,经R476、R79分压加到VD458负极。行输出电路正常时,VD458截止;行输出电路因故不工作时,也无灯丝电压输出,VD458导通,将CPU的41脚电压拉低,进入待机保护状态。  
    3.输出5V、180V失压,短路检测电路  
    CPU 41脚通过二极管VD428、VD426对行输出提供的二次电源5V电压和180V电压进行检测。当5V电压和180V电压因负载短路、整流滤波稳压电路开路等原因,造成被检测电压丢失时,相应的检测二极管VD428、VD486之一导通,CPU 41脚电压拉低,进入待机保护状态。  
    4.场偏转过流检测电路  
    该电路由V527及其外围电路组  
成,对场偏转线圈下端耦合电容器C515的负极电压进行检测。场输出电路N501(LA7838)工作正常时,C515的负极电压很低,V527截止;当场输出电路发生故障或C515击穿漏电,引起场偏转线圈过热,可能造成显像管切颈时,C515负极电压随之升高,该电压经R527使V527饱和导通,将CPU 41脚电压拉低,进入待机保护状态。  
二、CPU保护电路维修  
    该机的保护电路对易发故障的开关电源和行、场扫描等供电电压进行检测,上述被检测的电压因负载短路或整流滤波电路故障无电压输出,和行、场扫描电路发生故障时,均会进入保护状态。检修时,不要忙于对开关电源和行、场扫描电路进行检修,首先要判断是否进入保护状态,然后查找引发保护故障的原因,顺藤摸瓜找到故障元件。  
    CPU进入保护状态时,其保护端口41脚外部的检测二极管、三极管之一导通,将41脚电压拉低,CPU⑦脚输出低电平,进入待机保护状态。保护时的故障特征是:开机的瞬间有行输出工作和高压建立的声音,然后三无;CPU 41脚电压低于2.5V,开/关机控制端口⑦脚电压经历低、高、低的变化;开关电源输出电压也经历从有到无的变化;同时指示灯亮度经过亮、暗、亮的变化过程。  
    保护电路启动时伴有CPU 41脚、⑦脚和开关电源输出电压高、低、高的电压变化。检修时,进入保护状态之前的瞬间,通过测量41脚、⑦脚和开关电源输出电压,判断CPU是否进入保护状态。也可采用解除保护的方法,观察开机后的故障现象,进一步判断故障范围,对相应的电路进行检修;还可在解除保护开机后,对与保护有关的电压进行测量,确定故障范围。检修CPU保护故障,可采取以下方法:  
    1.从CPU保护执行电路解除保护  
    有两种方法:一是将待机控制电路与⑦脚的连接断开,改接到12脚+5V副电源端口,为V562提供高电平开机电压;二是直接将V661 e、e极短路,强行开机,观察故障现象,判断故障范围。  
    该方法的缺点是:由于CPU仍处于待机保护状态,操作和控制可能无效,但可对开关电源输出电压和行、场扫描和小信号处理等相关电压进行测量。  
    2.从CPU保护检测电路解除保护  
    如果测量CPU 41脚电压低于2.5V,可解除41脚检测保护电路,方法有两种:一是全部解除41脚的保护检测,保留上拉电阻R855,断开41脚与外部检测电路的连接;二是逐个断开二极管正极和三极管V527 c极与41脚的连接,进行开机试验。如果解除哪路保护检测电路后,开机不再保护,则是该保护检测电路或被检测电路发生故障引起的保护,重点检查与其相关的电源电路和负载电路;如果解除保护后,声光图均正常,各路电源电压也在正常范围内,则是保护电路元件变质引起的误保护。  
    3.测量检测元件正向电压  
    在确定是CPU 41脚保护电路引起的保护后,也可采用开机的瞬间,测41脚外部的检测二极管VD656、VD655、VD673、VD458、VD428、VD486两端正向电压、负极对地电压和三极管V527 b极对地电压的方法,确定是哪路检测电路引起的保护。如果哪个检测二极管两端或三极管b极具有正向偏置电压,或检测二极管的负极对地无电压,则是该保护检测电路引起的保护,重点检查该二极管、三极管的检测电路相关元件,检查被检测电源的整流滤波稳压电路是否开路、相关负载电路是否短路等。  
    注意:为了整机电路安全,解除保护前,应确定开关电源输出电压正常,行输出电路无明显短路故障,然后再采取解除保护的方法检修,避免解除保护后造成故障扩大。
三、维修实例 
    【例1】开机三无,遥控开机电源指示灯变暗后几秒钟变亮。 
    根据指示灯的亮、暗、亮变化过程,估计是CPU保护电路启动所致。开机的瞬间测CPU 41脚电压为2.3V低电平,⑦脚由开机时的高电平5V瞬间变为低电平0V,开关电源输出的+B电压降到0V,符合保护时的电压变化规律,进一步判断是CPU执行保护。 
    采用解除保护的方法维修,保留上拉电阻R855,断开CPU 41脚与外部检测电路的连接,开机仍无光栅。检测行输出电路:发现行扫描电路未工作,对行扫描电路进行检查,行输出管V432击穿短路,+B过流保险电阻R422(5.6Ω/5W)烧断,致使行电路不工作,检测电路启动,进入保护状态。更换V432和R422,并恢复保护电路后,故障彻底排除。 
    【例2】开机三无,遥控开机电源指示灯变暗后几秒钟变亮。 
    测CPU 41脚电压低于2.5V,⑦脚由开机时的高电平5V瞬间变为低电平0V,+B电压降到OV,判断是CPU执行保护。开机的瞬间测量CPU 41脚外部的检测二极管VD656、VD655、VD673、VD458、VD428、VD486两端正向电压,发现VD486开机的瞬间有正向偏置电压,其负极无电压,判断是200V视放电压检测电路引起的保护。断开VD486解除保护,开机出现正常的伴音和图像。判断是200V失压检测电路引起的误保护,检查200V失压检测电路,发现分压电阻R485开路,更换R485(180k)后故障排除。 
    【例3】有时能正常收看,有时自动关机,有时不能开机,但指示灯亮。 
    由于有时能正常收看,说明开关电源和行输出电路基本正常,有时发生自动关机和不能开机故障,可能是电路接触不良或误入保护状态所致。发生三无时,指示灯变亮,测CPU41脚电压低于2.5V,⑦脚由开机时的高电平5V瞬间变为低电平0V,判断是CPU执行保护。断开CPU 41脚外部检测电路,开机出现伴音,但无光栅。检查显像管的加速极、阴极电压均正常,观察显像管的灯丝不亮,测量灯丝电压为0V。检查灯丝供电电路,发现保险电阻R481(0.68Ω/2W)接触不良。将R481焊好后故障排除。 
