康佳KIP+L048U2C1-01型IP板电路图与实测数据

2022-11-25 18:54:51  阅读 930 次 评论 0 条
摘要:

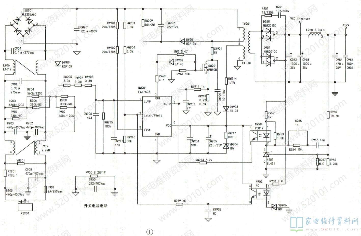
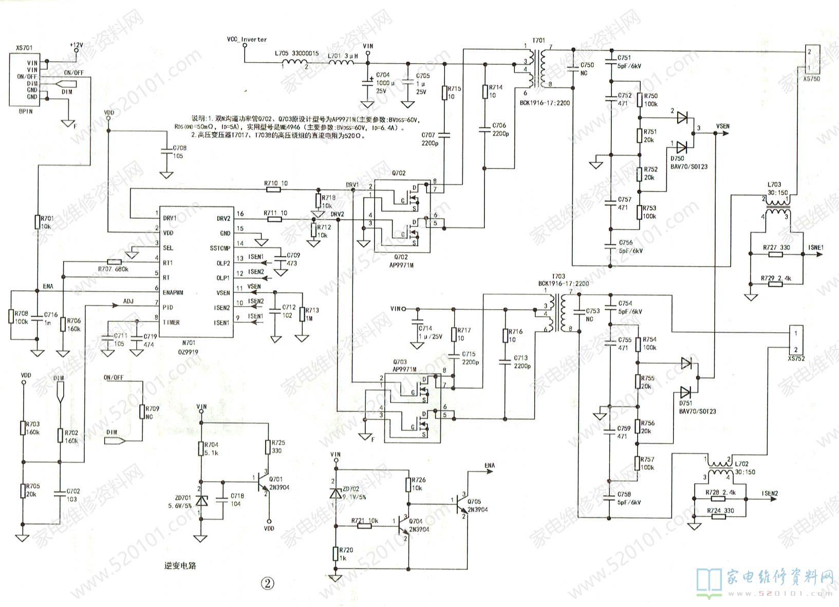
接修一台康佳液晶电视,该机采用的是KIP+L048U2C1-01板,该型IP板主要用于康佳LC24FS66DC、LC24G80DC等型液晶彩电中,其电路如图1、图2所示,主要IC及逆变功率管的引脚功能与实

      接修一台康佳液晶电视,该机采用的是KIP+L048U2C1-01板,该型IP板主要用于康佳LC24FS66DC、LC24G80DC等型液晶彩电中,其电路如图1、图2所示,主要IC及逆变功率管的引脚功能与实测数据见表1~表3。

康佳KIP+L048U2C1-01型IP板电路图与实测数据 第1张

康佳KIP+L048U2C1-01型IP板电路图与实测数据 第2张

康佳KIP+L048U2C1-01型IP板电路图与实测数据 第3张

康佳KIP+L048U2C1-01型IP板电路图与实测数据 第4张

康佳KIP+L048U2C1-01型IP板电路图与实测数据 第5张

版权声明:本文为转载文章,版权归原作者所有,欢迎分享本文,转载请保留出处!