长虹HSL60D-12M7 110二合一电源板维修图解

2022-08-16 19:28:22  阅读 920 次 评论 0 条
摘要:

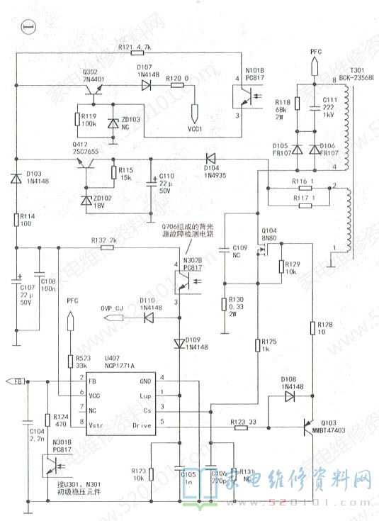
该电源板主要用在长虹ZLS47机芯部分产品上,其主电源由NCP1271A (U402) 和T301组成,形成12V、24V主电压;PFC电路以FA5591( U201 )为中心;背光电压形成电路以NCP1

      该电源板主要用在长虹ZLS47机芯部分产品上,其主电源由NCP1271A (U402) 和T301组成,形成12V、24V主电压;PFC电路以FA5591( U201 )为中心;背光电压形成电路以NCP1393( U501 )为中心,LED灯串恒流控制由CAT4206( U202 )完成。

长虹HSL60D-12M7 110二合一电源板维修图解 第1张

长虹HSL60D-12M7 110二合一电源板维修图解 第2张

长虹HSL60D-12M7 110二合一电源板维修图解 第3张

长虹HSL60D-12M7 110二合一电源板维修图解 第4张

版权声明:本文为转载文章,版权归原作者所有,欢迎分享本文,转载请保留出处!