一台长虹3D50A600iV型等离子电视(PD38机芯),接通电源后,红色指示灯亮,同时听到机内继电器反复吸放“嘀嗒嘀嗒”声,电视机无光无声。该机电源板型号为R-HS310B-5HF01(长虹欣悦产品)。检查CN801、CN802、CN803输出插脚,发现接通电源后随着继电器“嘀嗒”有节奏的发出声响,D5V和D15V输出端电压也不停地从有电压变为没电压再变为有电压,且5V和15V两项输出电压瞬间电压超过额定输出值的50%。其他输出端,包括5Vstb输出电压始终为0V,这与一般的等离子电源首先输出5Vstb,然后经启动PS-ON端后,D5V、D15V等端口才有输出的工作方式显然不同,有明显故障。
在网上一通搜索,发帖求助寻找图纸,网友只提供了相似的HS300B-5HF02电源板电路图,两者主要差别在电源管理芯片U601不同。经整理和测绘本机R-HS310B-5HF01电源板图。
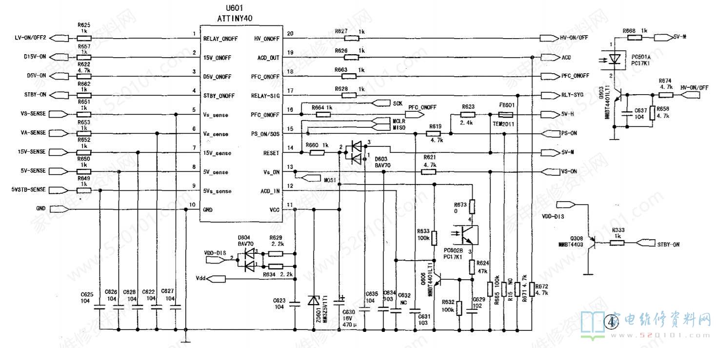
图1为电源板PFC供电电路图,振荡控制块为SSC2102。图2为电源板低压形成电路中T301次级各低压供电电路图。低压形成电路由NCP1271、变压器T301等组成。这些电压的输出受U601控制。图3为Va、Vs高压供电电路图,此电路由NCP1393组成。图4为电源管理芯片U601( ATTINY40-SU)电路图。该板工作原理与其他品牌型号等离子电源板基本一致,在此不再赘述。
根据故障现象,初步判断低压供电电路稳压失控,输出电压过高引起电源反复启动。拆下元件检查,发现PC301 U306、R357、R356、R355等相关元件没有明显故障。将TL431更换后试机,发现5V、15V输出恢复正常且稳定,但接通电源D15V输出明显不对,且对地短接PS-ON后5Vstb输出为0V ,看来这块电源板还有故障。检查发现PFC振荡块供电支路中的Q303、D15V控制管Q305击穿,C341电解电容鼓包,R320烧断,见图2。
逐一更换损坏元件后通电,却发现电源输出端均无输出,PS-ON端电压为3V左右,将其对地短接启动,相关引脚还是没有输出电压,见图4,由此判断U601电源管理芯片工作异常或者说U601根本就不工作。短接PS-ON测试,U601的15脚有启动低电平控制信号,检查①脚电压4.5V(正常通过Q614控制继电器K2),复位14脚电压4.5V(正常),且启动后对地短接该引脚U601依旧异常;检查U601各电压监测保护引脚⑤~⑨脚均为0V(也合乎情理),12脚(外接AC电源交流检测电路,由降压、分压电阻和控制管Q606及光耦PC602等元件组成。当AC220V电压太低时PC602将停止工作,这样U601 12脚外接三极管Q606也将截止,U601 12脚为高电平,U601正常工作,电源正常工作)电压为1.5V, 无论此脚置高或置低U601都不工作。通过以上检查,分析判断U601内部损坏可能性极大。由于U601是可写入程序的时序控制单片机芯片,有程序的芯片在市场上几乎不可能买到,所以只能进行整体换板维修。

在购买新电源板时,一时疏忽未注明具体型号,店家随意发来该系列电源板R-HS210B-5HF01,两者主要区别在于Va、Vs高压电路输出电压功率不同。粗略看了一下:开关变压器T501大小明显不同,驱动管Q502/Q503型号也不同,Vs电压也有几伏差异,看来直接用新板代换是不行的,可调换新板既耽误时间又要承担往返运费,于是考虑将两块板进行组合来完成这次维修。由于原故障板经检查故障元件基本清晰,U601有故障;而新板由于Va、Vs输出电压不同,就不知其相关检测电路参数是否也不同,如果要搞清楚又要对新板进行测绘出图,同时拆换T501、Q502/Q503等功率元件也未必是省心的事。如此一番考虑, 决定将新板的U601拆换到故障板上进行维修:首先拆下故障板的U601 ,清理干净电路板后对故障板通电检查,电路板上U601引脚中供电和复位电压正常,其他引脚也没有超过5V的电压(此番检查主要目的是确保换上新的U601之后万无一失,不至于再次将其损坏)。准备妥当之后,焊好新的U601芯片,通电5Vstb电压正常;对地短接PS-ON启动,继电器响动之后D5V和D15V输出正常;PS-ON接5V启动Va、Vs,经检测Va、Vs电压正常。至此原机电源板故障排除,工作正常,同时证实对原机判断电源管理芯片U601损坏是正确的。

表1~表3为电源板输出引脚电压,表4为电源管理芯片U601引脚功能及实测电压。

将电源板装机,整机恢复正常。通过此次维修再次.说明只要有图纸等技术资料又有配件供应,元件级维修是完全可能的。只是在此提醒广大维修人员,在维修换板时要确定准确本机所用具体型号,以免给维修任务带来不必要的麻烦耽误时间。


