长虹3D51C2280等离子电视不开机的故障维修

2022-12-25 21:49:51  阅读 1755 次 评论 0 条
摘要:

接修一台长虹3D51C2280等离子彩电,通电后指示灯不亮,遥控及面板按键均无反应。小拆开后盖,通电,测量电源板上插座CN802上的5Vstb(待机电源)电压在0V~1.6V之间波动,PS-ON信号电压在

      接修一台长虹3D51C2280等离子彩电,通电后指示灯不亮,遥控及面板按键均无反应。小拆开后盖,通电,测量电源板上插座CN802上的5Vstb(待机电源)电压在0V~1.6V之间波动,PS-ON信号电压在OV~3.5V之间波动,同时逻辑板上的指示灯闪烁,判断电源板有问题。拆下电源板进行检修。

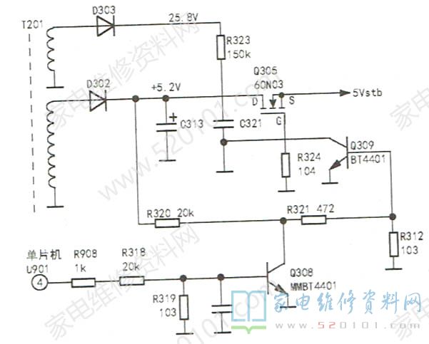
       该机电源板型号是R-HS280BX-5HF01(XR720.241 V 1.9),U401为PFC控制芯片,型号为SC2102;U501型号是NCP1393B (主要产生VA、VS高电压);副电源芯片是U201 (NCP1271A)。 8位AVR单片机U901(ATTINY40-SU)用于检测、控制各电压启/停、保护等。严该机副电源次级电路如图1所示。 

长虹3D51C2280等离子电视不开机的故障维修 第1张

      测量二极管D303正端电压为25.8V,电容C313两端电压为+5.2V,这说明副电源基本正常。+5.2V 电压经Q305(60N03 )开/关控制输出5Vstb电压。,上电测得Q305的G极电压在0V~3.2V之间波动。为区分故障范围,取下Q309(丝印号为2X)后通电,5Vstb电压正常。测量拆下的Q309,发现其c、e极正、反向均有12k2的电阻,说明Q309确已损坏,换新后实测5Vstb电压为+5V,PS-ON信号电压为4.6V。装上电源板试机,故障排除。

版权声明:本文为转载文章,版权归原作者所有,欢迎分享本文,转载请保留出处!