康佳LED32M360A液晶电视开机三无的故障维修

2023-02-23 04:55:59  阅读 1530 次 评论 0 条
摘要:

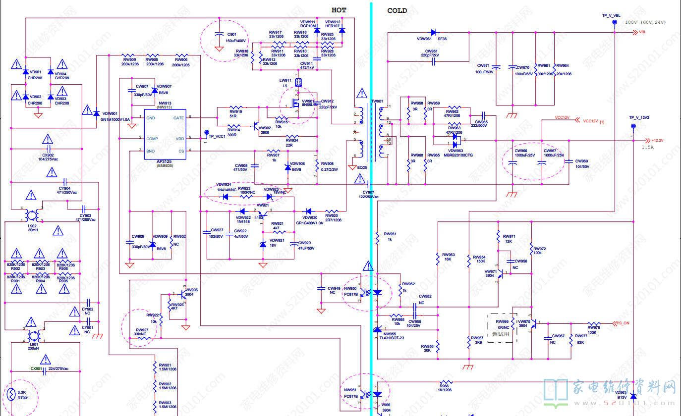
接修一台康佳LED32M360A液晶电视,故障表现为三无,拆机检查发现电源初级部分烧黑一大片,检查发现NW913(AP3125)、VDW907、VDW908、VW902、VW901(CS10J65)等损坏

      接修一台康佳LED32M360A液晶电视,故障表现为三无,拆机检查发现电源初级部分烧黑一大片,检查发现NW913(AP3125)、VDW907、VDW908、VW902、VW901(CS10J65)等损坏 ,更换上述元件后故障修复。附:康佳LED32M360A液晶电视电路原理图

康佳LED32M360A液晶电视开机三无的故障维修 第1张

版权声明:本文为转载文章,版权归原作者所有,欢迎分享本文,转载请保留出处!