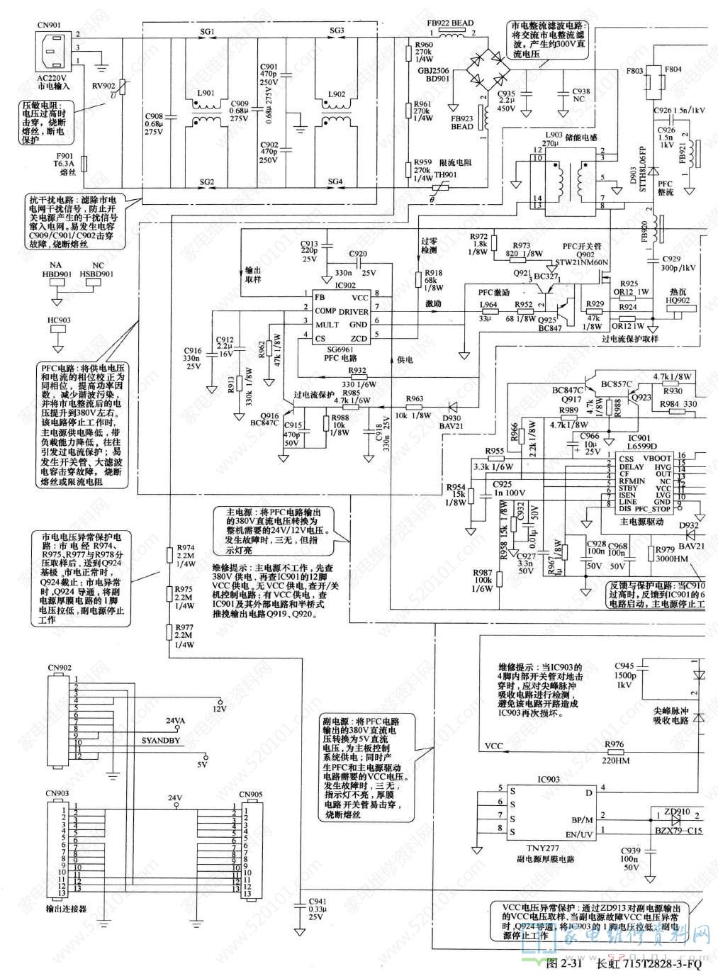
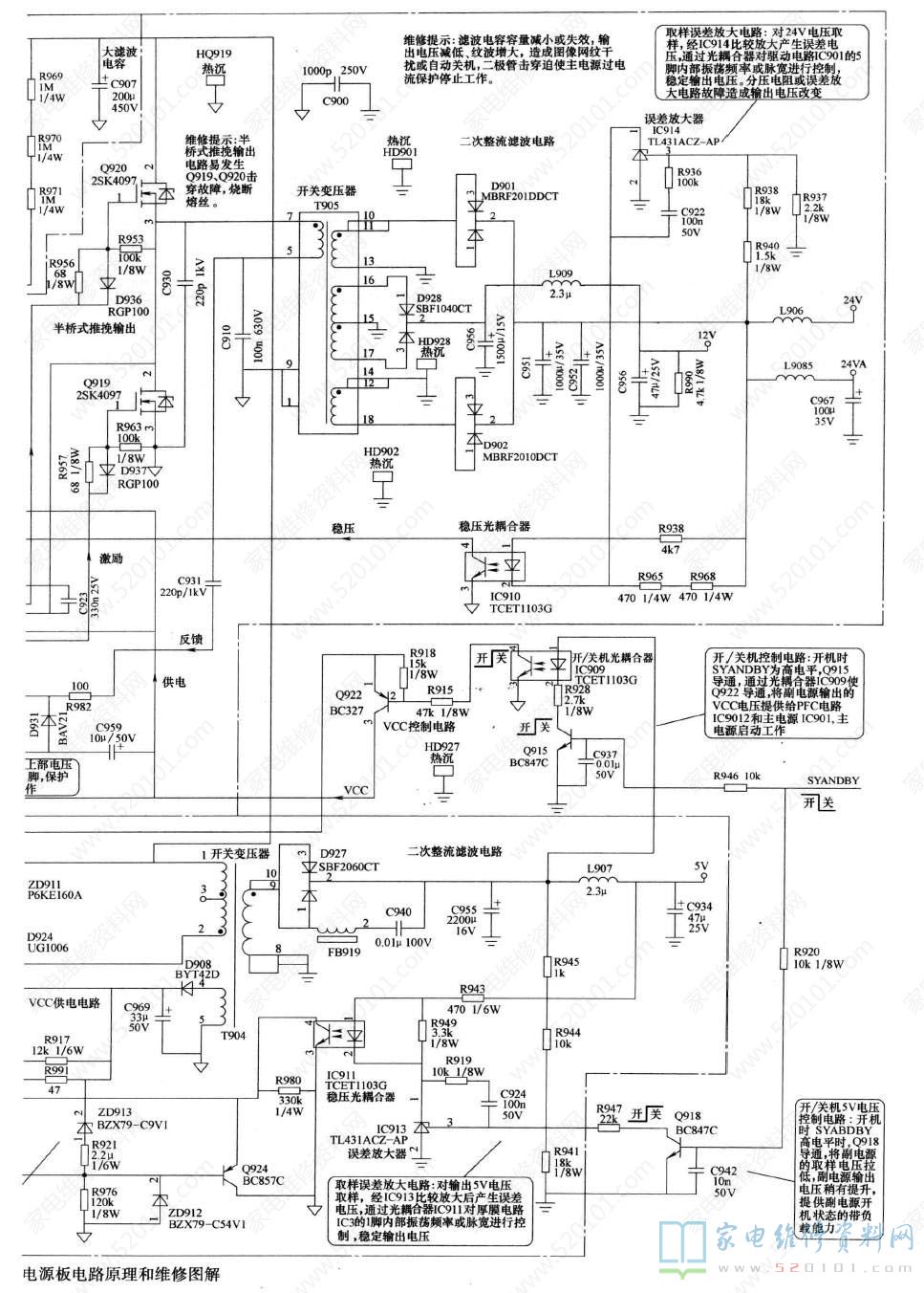
长虹715T2828-3-FQ电源板应用于早期的长虹LT42510FHT等型号液晶彩电中,它与715T2828-4-FQ电源板与其基本相同,可相互代换,其实物图解如图1所示;电路组成框图如图2所示。该电源板由三部分组成:一是以集成电路SG6961(IC902)为核心组成的PFC电路,将整流滤波后的市电校正后提升到400V为主、副开关电源供电。二是以集成电路TNY227 (IC903) 为核心组成的副开关电源,产生5V电压,为主板控制系统供电;产生VCC电压,经开关机电路控制后,为PFC驱动电路和主电源驱动电路供电。三是以集成电路L6599D ( IC901)为核心组成的主开关电源,产生24V、24VA、12V电压,为主板和逆变器板供电。开关机采用控制PFC电路IC902和主开关电源IC901驱动电路供电的方式。接通市电电源后副电源首先工作,产生VCC和+5V电压,其中+5V电压为控制系统提供电源,二次开机后开关机控制电路将vCC电压送到IC902和IC901驱动电路,PFC电路和主电源启动工作,为整机提供24V、24VA、12V电压,进人开机状态。该电源板还设有市电异常保护和VCC电压异常保护电路。当输人的AC220V市电或副电源输出的VCC电压异常时,保护电路启动,开关电源停止工作。
该电源板的集成电路引脚功能和参考电压见表1 ~表2。
长虹715T2828-3-FQ电源板发生故障时,主要引发三无故障,可观察指示灯是否点亮来判断故障范围。
1.三无,指示灯不亮
故障在副电源电路。首先检测300V供电是否正常,如果无300V供电,检查熔丝是否熔断,如果熔丝熔断,说明电源板存在击穿短路故障,一是检查抗干扰电路的电容C908、C909、 C901、 C902 是否击穿短路;二是检查市电整流滤波电路BD901、C935是否击穿短路;三是检查PFC电路的MOS开关管Q902、大滤波电容c907和PFC整流管D903是否击穿短路;三是检查副电源厚膜电路IC903的4脚内部MOS开关管是否击穿;四是检查主电源半桥式推挽输出电路Q919、Q920 是否击穿短路。如果熔丝未断,且300V电压正常,则检查副电源厚膜电路IC903。如果IC903击穿,应注意检查其4脚外部的尖峰脉冲吸收电路是否开路、失效,避免IC903再次损坏。
2. 三无,指示灯亮
故障在主电源电路。一是检查PFC电路输出的400V电压是否正常,如果为300V,则是PFC电路未工作,先查IC902的8脚VCC供电是否正常,如果无VCC供电,则检查开关机控制电路;如果VCC供电正常,则检查IC902及其外围电路,查PFC整流滤波电路D903、c907 是否正常。如果400V和VCC电压正常,主电源仍无电压输出,查IC901及其外部电路,查Q919、Q920组成的半桥式推挽输出电路。
3. 脱机维修电源板断开输出连接器,将CN902的10脚与11脚短接,模拟开机高电平,在CN903的12V或24V输出端接假负载,单独对电源板进行维修。长虹715T2828-3-FQ电源板电路原理和维修图解如图3所示。

