长虹FSP242-4F01电源板和FSP277-4F01、FSP282-4F01电源板,是永胜宏公司FSP系列开关电源之一,适用于37~42英寸液晶彩电,三种电源板电路结构基本相同,输出连接器标号相同,只是输出电压略有差异。FSP242-4F01电源板的输出电压: 5VS (1A) 为控制系统提供待机电压; +5V(4A)为主板小信号处理电路供电; +12V (3A) 为伴音功放电路供电; +24V (7.5A) 为背光灯逆变器板供电。FSP277-4F01电源板的输出电压为: 5VS (1A) 为控制系统提供待机电压; +5V (4A) 为主板小信号处理电路供电; + 12V (3A)为伴音功放电路供电; +24V (9A)为背光灯逆变器板供电。FSP282-4F01电源板的输出电压: 5VS (0.5A)为控制系统提供待机电压; +5V (3A)为主板小信号处理电路供电; +24V (3A) 为伴音功放电路供电; +24V (8A) 为背光灯逆变器板供电。
三种电源板应用于长虹LT3788、LT4018P、 LT4288、 LT4028、 LT3719P、 LT4019P等液晶彩电中。本文以FSP242-4F01电源板为例介绍该系列电源板的维修资料和维修图解。
长虹FSP242-4F01电源板实物图解如图1所示;电路组成框图如图2所示。
该电源板由三部分组成:一是以UCC28051 (IC3) 为核心组成的PFC电路,输出+380V电压;二是以16598 (ICI) 为核心组成的主开关电源,为主板负载电路提供+24V、+ I2V电压;三是以TEA1532 (IC2) 为核心组成的副电源电路,不仅为主板控制系统提供+5V电压,还为UCC28051和L6598提供12V工作电压。开关机电路采用控制PFC电路UCC28051和主开关电源L6598驱动电路供电的方式。接通电源后,交流220V输人电压经BD1、C2 ~ C4整流滤波,产生约300V的脉动直流电压。副电源首先工作,为电源板提供VCC电压,为主板控制系统提供5V电压,控制系统工作后为电源板送人开机控制电压,副电源的VCC电压经开关机控制电路为驱动电路UCC28051和16598提供12V工作电压,PFC电路和主电源电路启动工作,市电整流滤波后为电源板提供约300V经PFC电路校正后,提升到约380V,为主副电源供电,主电源工作后,为主电路板和背光灯逆变器板提供12V和24V电源,整机进人开机收看状态。
该电源板的集成电路引脚功能和维修数据见表1;输出连接器CNS1~CNS4引脚功能和维修数据见表2。
维修电源板时可采用脱机维修的方法:拔掉电源板与负载电路的连接器,在24V或12V输出端接24V或12V灯泡作假负载,将开关机控制电路ST-BY电压接副电源+5V输出端,模拟开机控制,单独对电源板进行维修。电源板常见故障维修实例和维修提示如下:
1.无5V电压输出
根据原理图分析,5V电压是由待机电压形成电路产生5VS电压后,再由MOS管QS1控制形成的。经对该电源板的待机电压5VS进行实测,数据显示正常,表明待机电压形成电路IC2 (TEA1532) 及其相关电路工作正常,但检测电压输出插座CNS1的4、5脚5V电压却几乎为0V,进一步 检查QS1各极电压也均正常,最后发现电感LSI虚焊,致使5V电压无法送至插座CNSI的4、5脚。通过补焊处理后,5V 电压恢复正常。
2.无12V和24V电压输出
观察电源板实物,发现熔丝管F1已烧坏,说明流过该熔丝管上的电流或电压超过额定值。此时用数字万用表二极管挡检测MOS管Q1、Q2发现已击穿,致使驱动脉冲无法通过开关变压器Tl感应出电动势并整流输出主开关电源电压。随后更换FI、Q1和Q2并开机,仍然无电压输出。进一步检测主开关电源模块IC1 (16598) 高/低边驱动脉冲输出11、15脚发现也已短路,最后更换IC1,故障排除。
3.花屏或屏幕有杂波
主要原因是二次输出滤波电容漏电、失效,造成主信号处理和控制电路板供电不足,供电电压低、电流小、纹波系数大。维修花屏或屏幕有杂波故障时,主要对开关电源-一次、二次整流滤波电路进行检测。
4. 黑屏幕
主要是电源板不工作造成的。如果黑屏幕、指示灯不亮,故障部位主要在AC220V市电电源输人的抗干扰电路、整流滤波电路、副电源电路中;如果黑屏幕、指示灯亮,说明副电源的5V输出电压正常,多为开关机控制电路和主电源电路故障;如果黑屏幕、有伴音,多为背光灯逆变器电路发生故障,少数是主板亮度处理电路故障,不在本书的探讨范围。
5.自动关机
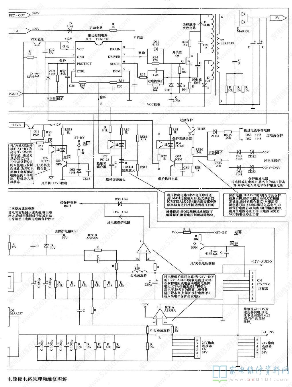
主要是保护电路启动引起: 一是电源板保护电路启动;二是主板保护电路启动。判断保护电路是否启动的方法是测量保护执行电路QS2的基极电压,正常时为0V低电平,如果变为高电平0.7V,则是保护电路启动。可采用解除保护的方法判断故障范围,全部解除保护:将保护执行电路QS2的基极与地短路;逐路解除保护:逐个断开0S2的基极外部的隔离二极管DS2 ~DS5,每断开一路二极管进行一次开机试验,如果断开哪个二极管后,开机不再保护,则是该故障检测电路引起的保护。长虹FSP242-4FO1电源板电路原理和维修图解如图3所示。

