长虹FSP205-4E01C电源板和FSP205-3E01电源板,两者的电路结构基本相同,是永胜宏公司FSP系列开关电源之一,应用于长虹LS12机芯或LS15机芯,比如LT32600、 LI3219P (L04)、LT3212(LO1)、LT26700、LT32700、LT32900、 LT32876等液晶彩电中。本文以长虹FSP205-4E01C电源板为例,介绍其维修资料和速修图解,长虹FSP205-4E01C电源板实物图解如图1所示;电路组成框图如图2所示。
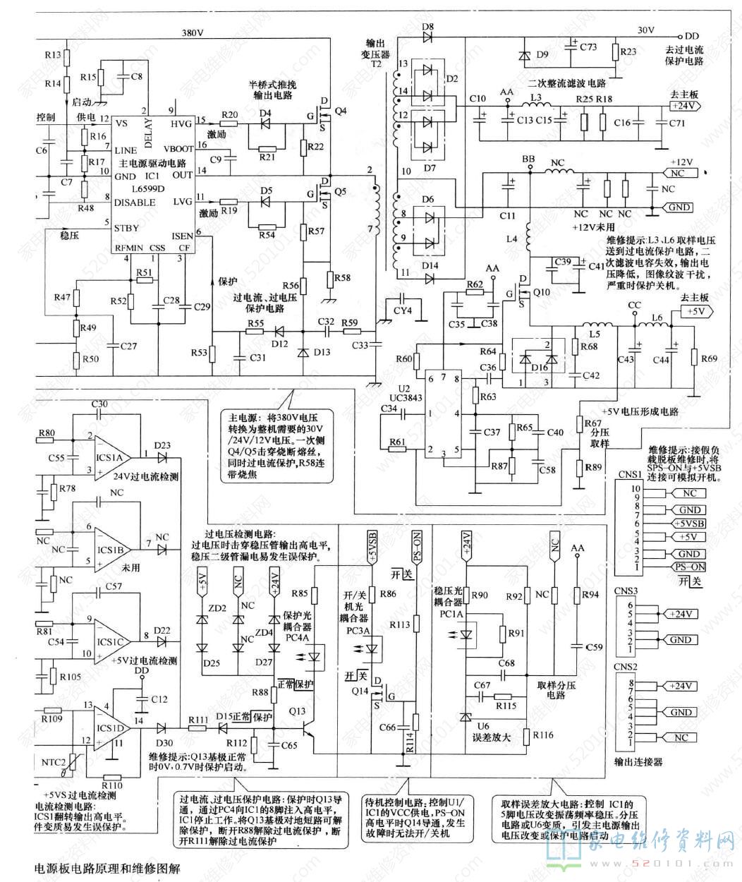
该电源板由三部分组成: 一是以集成电路UCC28051 (U1)为核心组成的 PFC电路,将整流滤波后的市电校正后提升到380V为主开关电源供电;二是以集成电路NCP1013AP06(U4)为核心组成的副开关电源,产生+5VS电压,为主板控制系统供电;三是以集成电路L6599D(IC1)为核心组成的主开关电源,产生+24V、+12V 电压,为主板和逆变器板供电,其中+ 12V电压经以集成电路UC3843 (U2)为核心组成的电路,产生+5V电压,为主板小信号处理电路供电。开关机采用控制PFC电路UCC28051和主开关电源L6599D驱动电路供电的方式。接通市电电源后副电源首先工作,产生VCC电压和+5VS电压,其中+5VS电压为控制系统提供电源,二次开机后开关机控制电路将VCC电压送到U1和IC1驱动电路,PFC电路和主电源启动工作,为整机提供+24V、+ 12V、+5V电压,进人开机状态。该电源板还设有以集成电路ICS1(LM324)为核心组成的过电流检测、过电压检测和过热检测保护电路。保护电路启动时,开关电源停止工作。该电源板的集成电路引脚功能和维修数据见表1;输出连接器CNS3 ~ CNS1的引脚功能和维修数据见表2。
长虹FSP205-4E01C电源板发生故障,主要引起开机三无故障,可通过观察待机指示灯是否点亮,测量关键点电压,解除保护的方法进行维修。
1.待机指示灯不亮
待机指示灯不亮,主要是副电源未工作。首先测量熔丝F1是否熔断,如果已经熔断,说明开关电源存在严重短路故障:一是检查压敏电阻VARI、抗干扰电路的并联电容、市电整流滤波电路BD1、C1、 C2是否击穿短路,如果VARI击穿,多为市电电压过高所致;二是检查PFC电路开关管Q2、主电源开关管04、Q5和副电源厚膜电路U4内部开关管是否击穿,如果U4击穿,应注意排查尖峰吸收电路D19、C47是否开路失效,避免再次击穿U4。如果熔丝F1未断,说明开关电源不存在严重短路故障,主要是副电源电路未工作,-是检查 C45两端有无+300V电压,无+300V电压,检查二次整流滤波电路R122、D17、C45,常见为D17击穿,R122 烧断;二是检查厚膜电路U4及其外部电路元器件;三是检查副电源T3及其二次整流滤波电路,当二次整流滤波电路二极管或滤波电容击穿时,会造成副电源过电流保护停止工作,无电压输出。副电源输出电压过低或过高时,注意检查稳压电路误差放大器U5和光耦合器PC2,滤波电路电容C49是否失效开路。过电压保护电路启动也会造成副电源保护停机,无电压输出,常见为稳压电路发生故障造成输出电压过高,或过电压检测稳压管D21击穿。
2.待机指示灯亮
待机指示灯亮,说明副电源基本正常,故障在主电源电路。一是检查PFC电路输出的380V电压是否正常,如果仅为300V左右,则是PFC电路未工作,先查U1的8脚VCC供电是否正常,无vCC供电,查开关机控制电路Q14、PC3、Q12、Q11;有VCC供电,查U1及其外部电路元器件,PFC滤波电容失效也会引起PFC输出电压降低。二是测量主电源IC1的12脚VCC供电是否正常,无vCC供电,检查开关机VCC控制电路;有VCC供电,检查ICI的11、15脚有无激励脉冲输出。无激励脉冲输出,查IC1及其外部电路元器件;有激励脉冲输出,查半桥式输出电路04、05 、T2 及其二次整流滤波电路。如果主电源输出电压上升后降为0V,多为保护电路启动所致。测量保护电路Q13的基极电压可判断保护电路是否启动。如果013的基极电压由正常时的0V上升到0.7V,则是保护电路启动。解除保护的方法是将Q13的基极对地短路。
如果电源板无5V电压输出,故障在sV电压形成电路,测量Q10的栅极有无激励脉冲,有激励脉冲输出,故障在Q10;无激励脉冲输出,故障在振荡驱动电路U2。长虹FSP205-4EO1C电源板电路原理和维修图解如图3所示。

