本节以长虹715T2463-1-CH电源板为例,介绍其维修资料和维修图解,715T2463-2-CH电源板可参照维修。715T2463-1-CH 电源板主要用在早期的长虹LT2657液晶电视等机型上,集成电路采用FAN7529MX + LD7575PS +TEA1532AT + TPS40200DR组合方案,输出+12V、+5V、 +15V、+24V 四组直流电压。
长虹715T2463电源板实物图解如上图1所示;电路组成框图如图2所示。
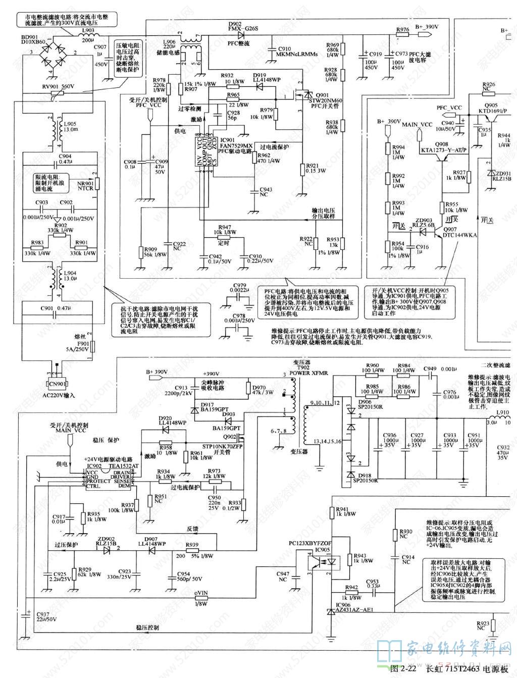
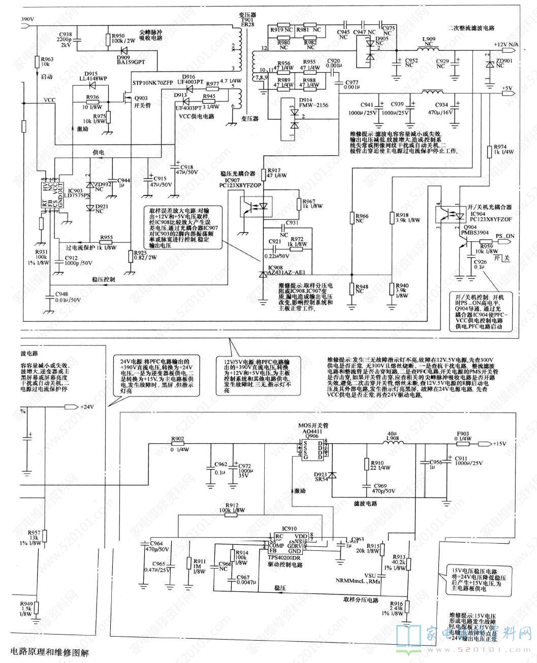
该电源板由四部分组成: 一是以FAN7529MX (IC901)、开关管Q901、储能电感1906为核心组成的PFC电路,二次开机后输出+390V电压,为12V/5V开关电源和+24V开关电源MOS开关管供电;二是以驱动控制电路LD7575PS (IC903)、 开关管0903、开关变压器T901为核心组成的12V、5V电源电路,待机状态和开机状态均为主电路板提供+12VNVA、+5V电压;三是以驱动控制电路TEAI532AT(IC902)、开关管0902、关变压器T902为核心组成的24V电源电路,二次开机后为逆变器电路提供+24V电源;四是以TPS4020DR (IC910)、 开关管0906为核心组成的15V稳压电路,将24V电压降低稳压后,为主板提供稳定的+ 15V电源。
开关机控制电路采用控制PFC驱动电路和+24V电源驱动电路VCC供电的方式。接通市电电源后,+ 300V电压启动12V、5V电源电路首先工作,产生VCC电压和+12V N/A、+5V 电压,其中+5V为控制系统提供电源;二次开机后开关机控制电路使0905导通,将VCC电压送到FAN7529MX (IC901) 驱动电路,PFC 电路启动工作,为12V、5V和24V电源电路提供+ 390V供电,同时+ 390V电压还使开关机vCC控制电路的Q907、Q908 导通,为24V电源驱动电路提供VCC供电,24V 电源电路也启动工作,为逆变器板提供24V供电。24V 电压经15V稳压电路稳压后,产生+15V供电,整机进入开机状态。该电源板的集成电路引脚功能和参考电压见下表。
长虹715T2463-1-CH电源板发生故障时,往往引发三无故障,如果同时伴有指示灯不亮故障,则故障在+5V、+12V N/A电源板。首先测量市电整流滤波后C919、 C973 两端电压,正常时待机状态为300V左右,开机后PFC电路启动工作,该电压提升为390V左右。无300V电压,故障在市电输人和整流滤波电路中,检查熔丝F901 是否熔断。如果熔丝熔断,说明电源板存在严重短路故障,-是检 查市电抗千扰电路的电容 是否击穿;二是检查市电整流滤波电路中的整流二极管BD901、C907是否击穿短路;三是检查PFC电路的MOS开关管Q901是否击穿短路,主副开关电源的MOS开关管0903、0902 是否击穿短路,如果短路,还应检查相关的尖峰脉冲吸收电路和稳压电路元器件是否发生开路、失效故障,相关的源极电阻R925、R933 和+5V、+12VN/A开关电源是否连带损坏。
若300V供电正常,查+5V、+12V N/A开关电源8脚HV启动电压,无启动电压,查8脚外部的R963;有启动电压,测量IC903的5脚有无激励脉冲。无激励脉冲,查IC903及其外部电路元器件;有激励脉冲,查5脚外部的0903等功率输出电路。另外,二次整流滤波电路元器件短路,也会造成IC903过电流保护而停止工作。
若发生三无故障,但指示灯亮,故障在24V开关电源。查0902的漏极是否有390V供电,如果为300V左右,则是PFC电路未工作,查IC901的8脚vCC供电电压,无vCC供电,查开关机控制电路Q904、IC904、 Q905;有VCC电压,查IC901及其外部电路。若Q902的漏极390V电压正常,测量IC902的1脚MAIN-VCC供电,无MAIN-VCC供电,查开关机控制电路0907、Q908,常见为Q907的基极降压电阻R992、R993、R994 开路;有MAIN-VCC供电,查IC902及其外部电路。
如果电源板无15V电压输出,故障在15V电压形成电路,测量Q906的4脚或IC910的5脚有无激励脉冲,无激励脉冲,故障在IC910,否则故障在Q906。长虹715T2463电源板电路原理和维修图解如图所示。

