长虹FSP107-2PSO1电源板将电源电路和逆变器电路合二为一,主要配用LG 26in显示屏,电源部分集成电路采用FAN6961+STR-W6252组合方案,为主电路板和逆变器电路提供+ 12V/2A和STB5.3V电压;逆变器部分集成电路采用LX16921DW,推动驱动升压电路产生交流高压,为CCFL背光灯供电。若配合其余厂家(如三星、AU等)的显示屏时,只有显示屏上带有平衡板的才可使用,否则不能使用。R-HSL26-3S02 XR7.820.051二合一电源板与FSP107-2PS01二合一电源板基本相同,可相互代换。
长虹FSP107-2PS01二合一电源板实物图解如图1所示;电路组成框图如图2所示。该电源板由开关电源和背光灯逆变器两部分组成。开关电源由两部分组成:一是以集成电路FAN6961 (IC120) 为核心组成的PFC ( 功率因数校正)电路,将整流滤波后的市电校正后提升到约400V,为主开关电源和逆变器升压输出电路供电;二是以集成电路STR-W6252 (U601) 为核心组成的DC-DC变换主电源,将400V供电转换为+ 12V/2A和STB5. 3V/1A电压,为主板和逆变器电路供电。
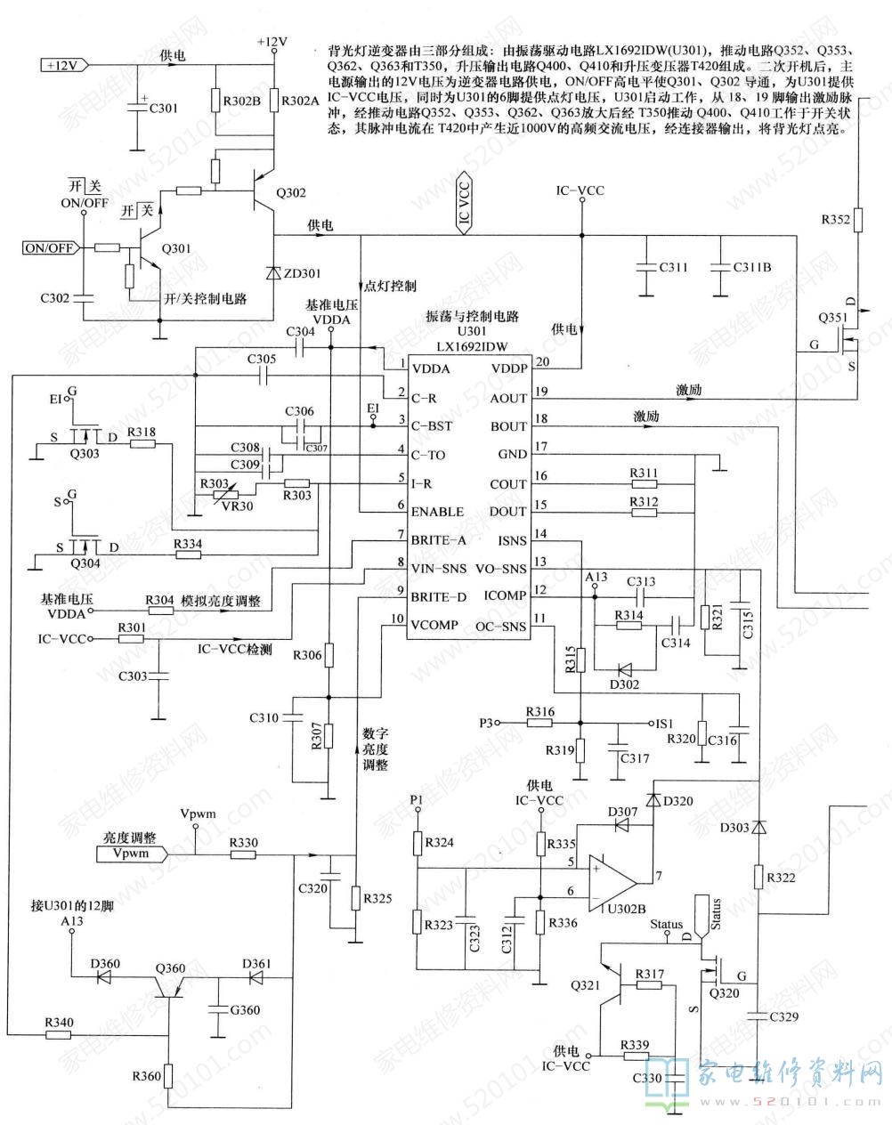
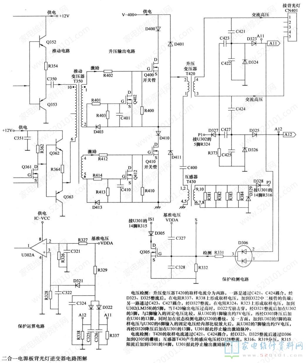
背光灯逆变器由三部分组成:一是以集成电路LX1692IDW(U301)为核心组成的振荡驱动控制电路,产生激励脉冲,并对点灯、亮度进行控制;二是由晶体管Q352、Q353、 Q362、 Q363 和T350组成的推动电路,将U301输出的激励脉冲放大后,通过T350推动末级升压输出电路;三是以MOS开关管Q400、0410 和升压变压器T420为核心组成的半桥式升压输出电路,在T350激励脉冲的推动下,在T420中产生近1000V的高频交流电压,经连接器输出,将背光灯点亮。
开关机控制电路由Q262、 Q261、 Q221、Q220 和光耦合器PC700、Q700 组成,采用控制PFC电路VCC3供电和12V电压输出的方式。接通市电电源后,整流滤波后的300V电压,首先使主电源DC-DC变换电路启动工作,产生12V和STB5. 3V电压及vCC4电压,其中STB5. 3V为控制系统提供电源,二次开机后开关机控制电路送来高电平P ON/OFF开机电压,Q262 导通,一是使 PC700和Q700 导通,将VCC4电压变为VCC3电压,送到PFC驱动电路,PFC 电路启动,将300V供电提升到400V,为主电源供电;二是使Q261、Q221、 Q220 导通,将12V电压送到连接器,为主板和逆变器电路供电,进入开机状态。
开关机控制电路还经Q301、Q302 对逆变器振荡驱动电路U301的IC-VCC供电进行控制,以达到对背光灯逆变器点灯进行同步控制的目的。
该二合一电源板一是在主开关电源设有输出过电压和市电欠电压保护电路;二是在背光灯逆变器电路设有过电压、过电流检测保护电路。
1) +12V、 STB5. 3V过电压保护电路:由晶闸管IC260及其门极外部的稳压管ZC261、ZD260组成,对待机控制电路的12V电压进行控制。当+5VSTB、+ 12V电压升高很多时,ZD261、ZD260 雪崩击穿,IC260导通,B点电压直接到地,关断12V电压,使其无输出,从而有效地保护后级电路。解除保护的方法是将IC260的门极对地短路。
2)市电欠电压保护电路:以Q702、Q701为核心组成,对主电源U601的4脚VCC供电进行控制。当市电电压严重降低时,Q702、 Q701导通,将U601的4脚VCC电压对地短路,U601 因失去VCC供电而停止工作。解除保护的方法是将Q701的基极对地短路。
3)背光灯过电压检测保护电路:U301的13脚输人的电压与内部数字比较器的3.2V参考电压比较,产生幅度高于3. 2V的峰值电压,该电压根据脉冲信号产生频率范围为(30 ~ 500) kHz 的数字逻辑脉冲。当T420输出电压过高时,外部检测电路将高电平加到U301的13脚,U301 停止输出激励脉冲。
4)背光灯过电流检测保护电路: U301 的14脚输人电压与内部数字比较器的1V参考电压比较,以产生幅度大于1V的脉冲,控制数字逻辑脉冲发生器送往振荡器的脉冲数,从而改变振荡器的工作频率。U301的14脚的输入电压与灯管电流成正比。T420 的取样电流通过C421、C424耦合,经D323、D325整流后通过D306加到Q305的栅极,经Q305、D305 对U301的14脚进行控制;互感器T430产生的感应电压经D328整流,R316、 R319 分压,R315 限流后加到U301的14脚,当输出电流异常时,U301 的14脚电压达保护设计值时,U301 停止输出激励脉冲。
该二合一电源板的集成电路引脚功能和对地电压见表1~表3。
长虹FSP107-2PS01二合一电源板引起的故障主要有三种: 一是指示灯不亮, 多为电源 部分故障;二是指示灯亮,无图无声,主要是电源+ 12V供电电路故障;三是有声无光,则是背光灯逆变器故障。
维修时应注意,开关电源的一次电路和逆变器部分的升压输出电路,均为热地板;而开关电源的二次整流滤波电路,逆变器部分的驱动控制、推动电路,升压变压器二次高压输出部分为冷地板。维修热地板部分应注意安全。测试时要准确定位接地端,以免损坏测试仪器,最好采用1 : 1隔离变压器进行维修。
常见故障维修方法如下:
1.指示灯不亮
开机测量输出端是否有STB5.3V电压输出,若有STB5.3V电压输出,则检测待机控制电路电压;若没有STB5. 3V电压输出,则故障在主电源电路。测量C610 (450V 大电解电容)两端电压是否在300V左右,若没有且熔丝熔断,首先排除主电源击穿短路故障。若C610两端有300V电压,则测量N601的4脚电压是否大于9V。若大于9V,说明正常;若小于9V,一是U601启动电路故障,二是4脚外部VCC供电电路D701、R711、 C606、ZD602故障。如果怀疑市电欠电压保护电路启动,可将Q701的基极对地短路试之。如果U601的4脚VCC供电正常,测量U601的对地电压和电阻,检查U601各脚外部元器件,必要时更换U601试之。
2.指示灯亮,不开机
将输出连接器CN201的1脚STB端接5V电源输出端,测量+ 12V/2A输出端是否有12V电压。若没有,则检查开关机控制电路,常见为Q220损坏。测量C610两端电压是否为380 ~ 400V,如果该电压为300V左右,说明PFC电路未工作,则检查IC120的8脚VCC3电压是否正常,正常应为+ 15. 07V。若没有+15. 07V电压,则检查vCC3控制电路的ZD700、Q700是否正常,检查PC700、Q262是否导通。
3. 开机自动关机
该现象多为电源板保护电路启动引起。可在开机后保护前的瞬间测量过电压保护电路IC260的门极电压,如果由正常时0V变为零点几伏,则是过电压保护电路启动。常见为稳压管ZD260、ZD261 漏电。
4. 背光灯不亮或亮后熄灭
该现象是背光灯逆变器电路故障引起。先查逆变器电路的400V、12V、IC-VCC 供电和亮度控制电路,再查振荡驱动和升压输出电路。由于MOS开关管和升压变压器、灯管工作于高频、高压状态,易发生击穿、漏电、短路、打火故障,维修时应注意检测。
长虹FSP107-2PS01二合一电源板开关电源电路图解如图3所示;背光灯逆变器电路图解如图4所示。



