一台东芝2550XP彩电,开机无光栅,红灯亮。检查+5V电压正常,+B(+125V)电压下降到65V左右,Q403 e极无电压输出,判断待机保护功能动作。
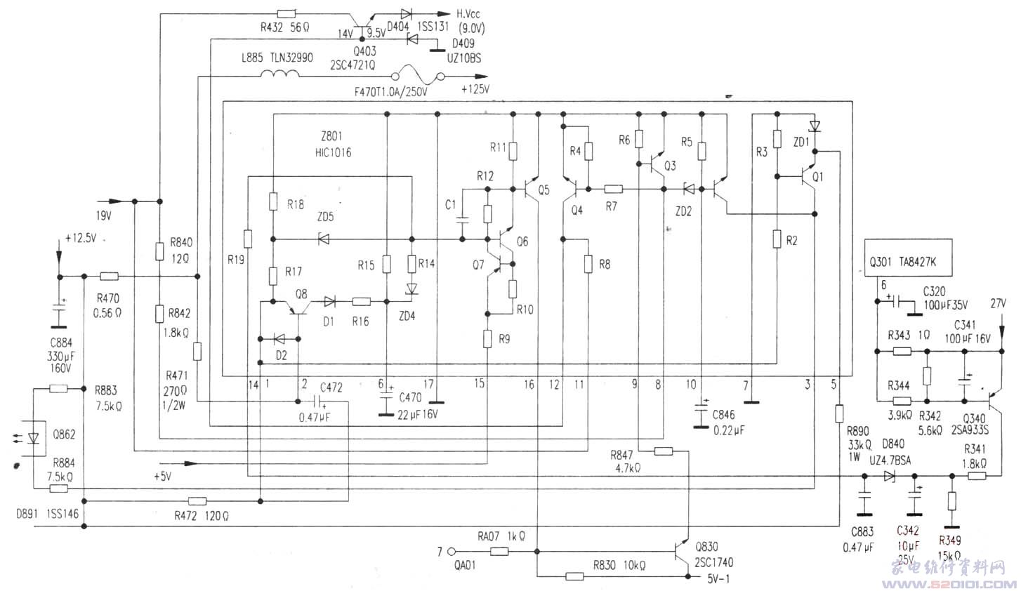
在该机中,待机保护功能主要由QA01⑦脚和Z801 16脚等两个方面来完成,如附图所示。在正常工作时,QA01⑦脚和Z801 16脚均输出高电平,使Q830导通。经检查QA01⑦脚有高/低转换电平输出,而Z801 16脚却始终为0V低电平,将Z801 16脚断开,屏幕上出现一条水平亮线,由此说明场保护电路动作。
进一步检查,发现R343阻值为∞,用1Ω/1W碳膜电阻更换后,故障排除。
小结:在附图中,R343主要用于为Q301⑥脚供电和场输出电路过流检测,当Q301击穿损坏或过流时,通过R343的电流会增大,两端压降也增大,Q340正偏导通,D840(4.7V稳压二极管)反向击穿导通,其导通电流进入z801 14脚,并通过z801内部R19使Q6正偏导通,Q5导通,Z801 16脚输出0V低电平,Q830截止,Z801⑨脚无电压输入,Q3截止,ZD2反向击穿导通,Q2导通,③脚被钳位于地电位,光电耦合器Q862导通电流最大,迫使开关电源工作在间歇振荡状态,+B输出电压下降一半;在Z801⑨脚无电压输入时,随着Q3截止,ZD2导通,Q4也同时导通,将12脚钳位于0V低电平,故Q403截止,无H·Vcc(行电压)输出,行电路停止工作,整机处于待机保护状态。
在保护动作时,由于Z801(HIC1016)内部Q6、Q7组成的是模拟可控硅,所以一旦Q6导通,Q7也随之导通,将Q5锁定在导通状态,直至故障排除后,再重新开机时,Q6、Q7才能解除保护。
另外,在附图中,R470也起过流检测作用,但它主要是通过F470向行输出管Q404 c极供电,因此,当Q404击穿损坏或因某种原因产生过流时,R470两端压降增大,通过R471的电流减小,Z801②脚电压下降,输入电流减小,从而导致Z801②脚内部Q8正偏导通,ZD4反向击穿导通,Q6、Q7模拟可控硅保护动作。
因此,当Z801 16脚输出0V低电平,而使待机保护动作时,除检查Z801 14脚的工作电压及外接场过流保护检测电路外,还应检查Z801②脚的工作电压及外接行过流保护检测电路。当然也不排除Z801本身不良的可能性。Z801的引脚功能及正常时的工作电压如附表所示。
Z801在工作正常时,主要起开/关机控制作用。在开机时,QA01(CPU)⑦脚输出5V高电平,Q830导通,+5V电压通过R847加到Z801⑨脚内部Q3 b极,使Q3饱和导通。ZD2截止,Q2截止,z801③脚不受控制,此时Q1因其b极通过R2从①脚获得正偏电压而导通,使R890从+12.5V电压中取得取样电压,并通过Q1的e、c极→Z801③脚→R884加到Q862内置发光二极管的负极端,以使开关稳压电源进入正常的自动稳压控制状态,同时,由于Q3饱和导通,Q4也处于截止状态,z801 12脚不受影响,由11脚输入的控制电压通过R8→z801 12脚加到Q403的b极,使Q403导通,并在D409(10V稳压二极管)的作用下,由Q403 e极输出稳定的9V行启动电压,使行电路开始工作。
因此,在该机处于保护关机状态时,注意检查z801⑨脚是否有高电平存在,对分析和判断故障的产生原因是很有帮助的。 
东芝2550XP彩电场保护电路故障检修
2015-01-28 18:28:27
阅读 466 次
评论 0 条
版权声明:本文为转载文章,版权归原作者所有,欢迎分享本文,转载请保留出处!