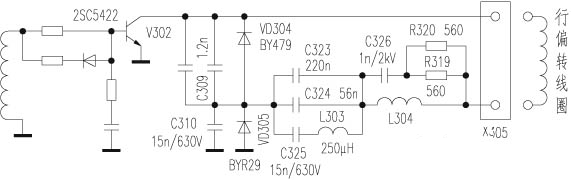
厦华U3418开机三无,机内有“吱吱”声。 2006-09-18 20:47:30 阅读 378 次 评论 0 条 摘要: 如图所示, 测行管V302(C5422)集电极对地电阻值为0Ω,为区分是V302击穿或其外围电路短路,吸空V302集电极引脚,再测V302集电极对地电阻值为无穷大,再测集电极焊盘对地电阻仍为0Ω。检查该支路元件 如图所示, 测行管V302(C5422)集电极对地电阻值为0Ω,为区分是V302击穿或其外围电路短路,吸空V302集电极引脚,再测V302集电极对地电阻值为无穷大,再测集电极焊盘对地电阻仍为0Ω。检查该支路元件,发现C325、VD305均已击穿短路,分别将其拆下,发现C325实装为22nF/400V。用新品BYR29焊上,并用优质22nF/630V电容代换原22nF/400V电容试机,故障排除。 版权声明:本文为转载文章,版权归原作者所有,欢迎分享本文,转载请保留出处! 点赞 分享: PREVIOUS:厦华U29F1有伴音无光栅,显像管不亮。 NEXT:日立CTP215SF彩电受雷击而出现三无 文章导航