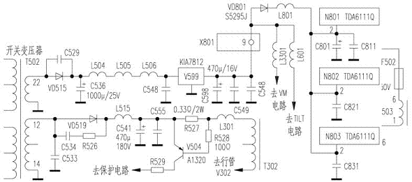
U系列机的开关电源与行输出电路比较独立,电路所需的各种电压均由开关电源提供,行输出电路仅提供显像管所需的各种电压。测CRT尾板上X802无200V电压,也无加速极及灯丝电压,再测行管集电极电压也为0V,行输出变压器{3}脚也为0V,再往前测,L301(100mH)电感两端对地电压也为0V,直测至+135V过流保护电阻R527(0.33Ω/2W),发现靠开关电源那端有135V,而另一端无电压,判定R527开路。测R527后面电路无明显短路。用0.33Ω/2W电阻更换试机,发现行管V302对散热片打火,关机检查发现V302背面垫着的云母片不正,呈歪斜状,导致行管背面的自带散热片(即集电极)对地打火。释放V302的固定压簧,拨正云母片,使其在行管的四周都有一定伸出量,再扣上固定压簧试机,故障排除。
  
 
			版权声明:本文为转载文章,版权归原作者所有,欢迎分享本文,转载请保留出处!
			
		
		
		
		
		
		
	