用TDA1517P代换TPA1517修复TCL LCD2026液晶电视无伴音故障

2022-11-30 20:14:55  阅读 1164 次 评论 0 条
摘要:

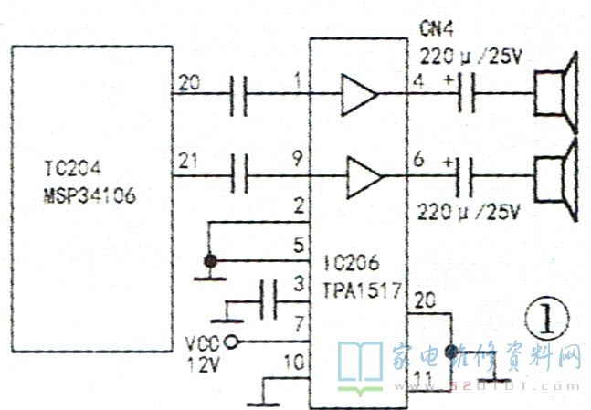
接修一台TCL LCD2026液晶彩电,在收看过程中突然无声。测得伴音功放块IC206( TDA1517 )的⑦脚供电(12V)正常,⑧脚(静噪)电压为11.3V,也正常。该功放块的左右声道输出端是④和⑥脚

     接修一台TCL LCD2026液晶彩电,在收看过程中突然无声。测得伴音功放块IC206( TDA1517 )的⑦脚供电(12V)正常,⑧脚(静噪)电压为11.3V,也正常。该功放块的左右声道输出端是④和⑥脚,如图1所示。正常时④、⑥脚应为6V左右,但实测是0.6V和1.2V,估计该功放块已损坏。笔者手里只有TDA1517TPA1517为20脚双列塑封,而TDA1577为18脚双列塑封。仔细对比发现,两者的①~⑨脚功能及排列完全相同,而10脚及后面的各脚均为接地端,用TPA1517P替换TDA1517P后试机,伴音恢复正常。

用TDA1517P代换TPA1517修复TCL LCD2026液晶电视无伴音故障 第1张

版权声明:本文为转载文章,版权归原作者所有,欢迎分享本文,转载请保留出处!