TCL L42V10液晶电视AV状态下无声音的维修

2023-02-01 18:39:24  阅读 982 次 评论 0 条
摘要:

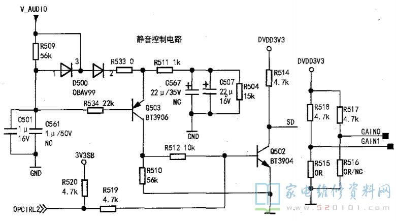
接修一台TCL L42V10型液晶彩电,开机AV无声。开机试机,AV1和AV2模式下都无声,USB、HDMI、TV模式声音都正常,判断故障应该在AV伴音切换电路或者CPU本身。对照图纸发现(这部分电路如图

      接修一台TCL L42V10型液晶彩电,开机AV无声。开机试机,AV1和AV2模式下都无声,USB、HDMI、TV模式声音都正常,判断故障应该在AV伴音切换电路或者CPU本身。对照图纸发现(这部分电路如图1~图3所示),AV1和AV2伴音分别通过C913、C922和C927、C931直接进入大块的。检查外围无元件损坏或漏电,想更换大块,但想起以往的维修经验,不到万不得已还是不轻易更换为好。

TCL L42V10液晶电视AV状态下无声音的维修 第1张

TCL L42V10液晶电视AV状态下无声音的维修 第2张

TCL L42V10液晶电视AV状态下无声音的维修 第3张

      仔细研究图纸,发现大块的@脚是内部伴音供电,这个脚电压异常会不会导致AV通道伴音不正常呢?测量此脚电压,果然没有,正常应该是3.3V。对照图纸,发现这个脚电压是从电感L318过来的,查电感两端电压都正常,于是判断过孔不良。直接从3.3V电源处接一根线过来,试机,AV伴音恢复正常,故障排除。

版权声明:本文为转载文章,版权归原作者所有,欢迎分享本文,转载请保留出处!