ROWA MS182机芯LED液晶彩电是一款经济型彩电,采用三合一主板(电源、主板、LED驱动),主控芯片采用MST6M182VG(位号U401)。图1是该机芯彩电结构框图。采用该机芯的彩电主要型号有:LED32C820、LED37C820、LED42C820等。
下面对该机芯彩电的开关电源和LED驱动及电源、视/音频信号流程作简要介绍,然后介绍软件升级方法,对常见故障维修进行提要说明。
一、原理简述
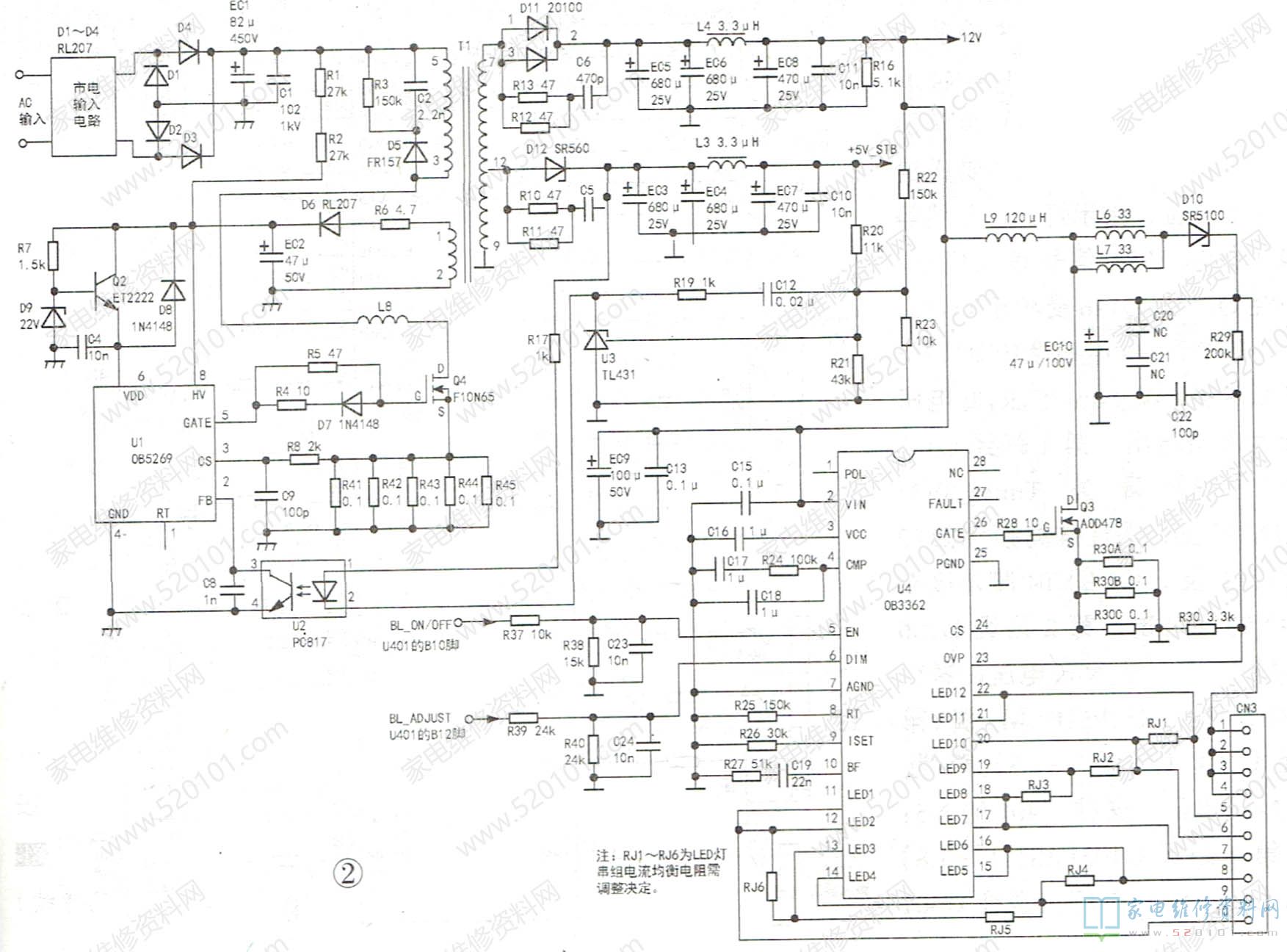
1、开关电源与LED驱动电路
该机芯彩电开关电源与LED驱动电路见图2。市电经输入、整流滤波电路后获得 +300V电压,该电压分为两路:一路经开关变压器T1⑤-③绕组、电感L8加至开关管Q4的漏极;另一路经R1、R2送到开关电源控制芯片U1(OB5269)启动电源端⑧脚,开关电源工作。T1次级①-②绕组产生的感应电压经D6整流、EC2滤波、Q2、D9稳压后,获得约18V电压替代启动电源为U1⑥脚供电;⑨-⑦绕组产生的感应电压经D11整流,EC5、EC6、L4、EC8、EC9等滤波得到12V主电压;⑨-②绕组的感应电压经D12整流,EC3、EC4、L3、EC7等滤波后获得+5V_STB电压。U1内部相关电路和U2、U3及它们的周边相关元件组成稳压环路。

U4(OB3362)与它周边元件构成LED背光驱动电路。当U4的⑤脚(使能端、⑥脚亮度调节端)均为高电平时,U4内部振荡电路工作->26 脚有驱动脉冲输出->开关管Q3工作于开关状态->在Q3截止期间,升压电感L6、L7的感应电压与L9送来的12V电压同向叠加->经D10(注:D10、D12有反向齐纳击穿特性)整流、EC10滤波后得到背光灯所需的高压->由CN3①-④脚送往显示屏后面的LED灯串(本机芯共有四组LED灯串)的首端->LED灯串的尾端再送回CN3的⑤、⑦、⑧、10脚(即U4的21、21/17、18/15、16/11、12脚)->经U4内部亮度控制管漏、源极到地形成回路->LED背光灯被点亮。当u4⑥脚电平升高时,U4内部亮度控制管导通程度增加->流过LED背光灯串电流增加->背光亮度升高;反之,背光亮度降低。
2、电源供电流程

该机芯电源流程见图3,输出两路电压:一路是+5V STB电压,此电压第1路经直流电源变换块U102降为+3.3V_STB电压,送往主控芯片U401 (MST6M182VG) 的H4、K4J4脚及FLASH (兼EEPROM)存储器U402(S25FL032K);第2路主要送给遥控、U401复位、指示灯、I2C总线等电路及HDMI、VGA信号输入插座;第3路经Q116 (Q116受控于Q115,Q115又受控于U401的A10脚)开/关控制后输出+5V Nml电压,此电压又被分为6路输出:第1路经U108(AS1117-3.3)降为Tuner 3V3/VD33_ FM电压,送往硅高频头UT2(TDA18273)及U401的T4脚外接电阻R049的供电端;第2路经U106(S1313)降为+3.3V_ Nml电压,送往U401的L6、M6.K5.L5J5.M5脚;第3路经U104 (AS1117-2.5)降为+2.5V_ Nml电压,送往U401的N5、P5脚;第4路经U103(AS1117-1.8)降为AVDD DDR电压,送往U401的M10、M11、D9、G8脚;第5路经U101(SY8008)降为+1.2V_VDDC电压,送往U401的H7、H8、J7、J8、K7、K8、L7、L8等脚;第6路经电感L110送到控制管Q110(AO3401A)源极(Q110受控于Q109,Q109又受控于U401的A11脚),开/关控制后作为32英寸机的上屏电压Panel_vcc。
开关电源输出的12V主电压分为3路:第1路送往控制管Q114(AO3401A)源极(Q114受控于Q115,Q115又受控于U401的A10脚),开/关控制后输出+12V电压,然后经L111送到Q110源极,作为37英寸及以上机型的上屏电压;第2路经保险电阻R201为音频功放电路U201 (PAM8006 )供电;第3路为LED驱动电路供电。
3、视频信号流程

该机芯视频信号流程见图4。从硅高频头TU2插口送入的TV信号在TU2内部经相关处理后,经25、24脚送出IF_P、IF_N差分复合中频信号,从主控芯片U401的R6、T6脚进入内部。在U401内部,复合中频信号由选频电路将视频中频与伴音中频信号分离,分离得到的中频视频信号经ADC/PLL、解码后得到视频信号,然后经预视放后送到信号选择开关。被选择后的视频信号经3D梳状滤波器滤波、去隔行处理、图像格式缩放处理后,再被送到LVDS信号编码器,编码得到的2路LVDS时钟与数据信号由U401的L16、M16-....R10、P10等脚送出,经插座CN401送往逻辑板,再驱动显示屏显示图像。
在U401的19脚输出HPDMI_HPD信号后,CN310插座送来的HDMI信号经U401的D4、D3..C1、C2等脚送到U401内部,解码后的HDMI信号再送往信号选择开关。被选择后HDMI信号经历与电视信号同样的过程后由显示屏显像。CN303插座送来的VGA信号由U401的D11、D10-.....E4等脚送入U401内部;CN311插座送来的y、Pb、Pr分量信号经U401的K2、H2.....J1等脚送入U401内部(注:AV2视频信号与Y信号插口共用,经K2脚送入);AV1视频信号经CN313插座从U401的L1脚送入U401内部。以上信号被U401内部相关信号处理电路处理及选择,也经历与电视视频信号同样的过程。CN308/CN314 插座分别为USB1/USB2输入插口,通过U401的A14、A15/B13、A13脚与外部建立USB连接。U401的T9脚为SPDIF信号输出脚,由插口CN305对外输出。U401的M1脚为AV视频输出端,经插口CN315 对外输出。
4、音频信号流程

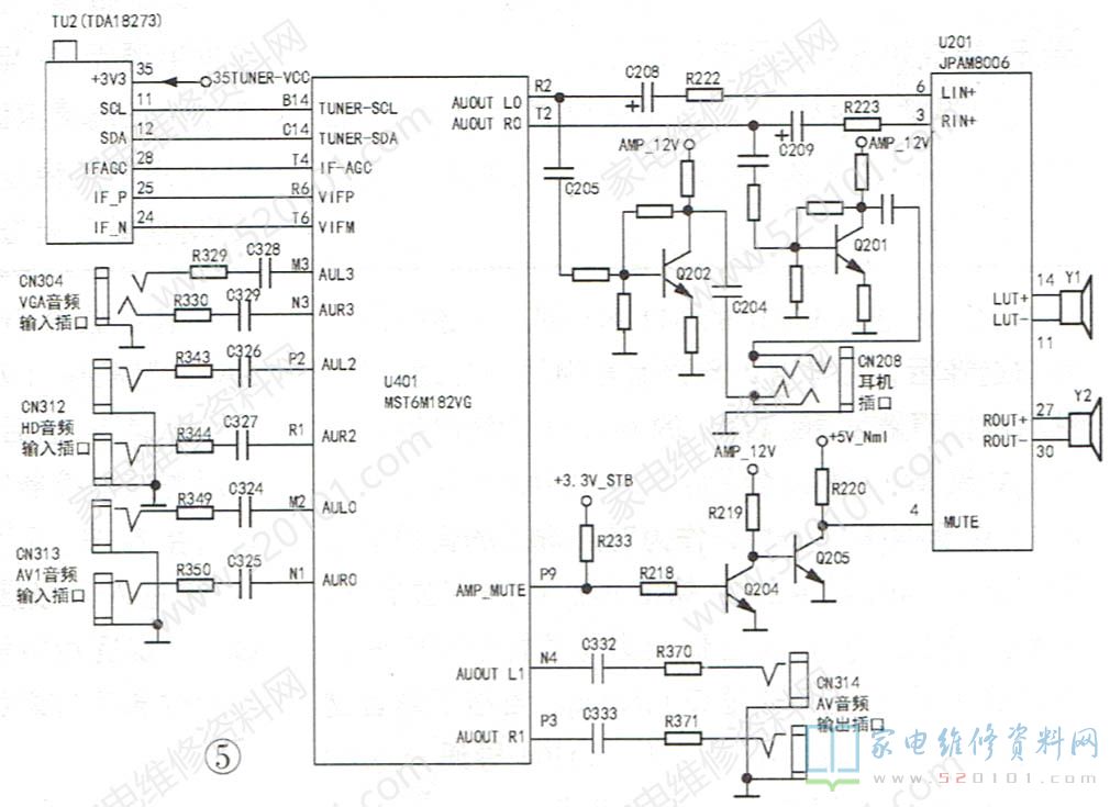
该机芯的音频信号流程框图如图5所示。U401的R6、T6脚输入的全电视中频信号由内部选频电路分离后得到第二伴音中频信号,再经AGC中频放大、解码、检波后得到音频信号,经信号选择开关选择后,送往音效处理及前置放大电路。处理后得到的L、R路音频信号从U401的R2、T2脚输出,分别经C208、R222及C209、R223送至音频功放块U201(PMA8006)的信号输入端⑥、③脚。经U201功率放大后,分别从U201的14、11及27、30脚输出,推动L、R扬声器发声。插座CN304输入的L、R路VGA音频信号,分别经R329、C328及R330、C329送入U401的M3、N3脚;插座CN312输入的L、R路HD音频信号,分别经R343、C326及R344、C327送入U401的P2、R1脚;插座CN313输入的L、R路AV1音频信号,分别经R349、C324及R350、C325送入U401的M2、N1脚。上述输入信号被选择后,经与TV音频信号相同的处理过程,然后由扬声器发声。U401的N4、P3脚输出的L、R路AV音频信号,分别经C332、R370及C333、R371送至插座CN314,作为对外输出的音频信号源。另外,U401的R2、T2输出的L.R路音频信号,分别由Q202、Q201及它们周边元件构成的电压放大器放大后,送至耳机插口CN208。当按下静音键时,U401的P9脚输出高电平->Q204导通->Q205截止->U201④脚高电平->实现静音。
附:软件升级方法:将升级软件"SOftwareUpdate”(软件的文件名是:"bin MS182bin" )放入U盘根目录下然后将U盘插入电视机USB插口。开机后先按遥控器“菜单”键,再按“左、右”键选择“设定”,接着按“下"键,选择“软件升级"选项,按“确认”键进入升级提示菜单,然后再按“左”键确认升级。升级完后电视机自动进入待机状态(此时待机指示灯点亮),最后按“待机”键开机即可。
二、常见故障检修
该机芯彩电的常见故障有电源无输出、不开机、无图像、无声音,其检修流程如图6~图9所示。

三、故障检修实例
例1:一台乐华LED32C820型彩电,电源的+12V及+5V_STB待机电压均为0V。断开所有负载试机,故障依旧;断开光耦器U2与电源控制块u1②脚的连接后再试机,故障现象不变,这表明故障不是稳压环路造成。测量U1启动端⑧脚电压,发现不足7V(正常值不低于18V)。检查启动电阻R1、R2阻值,也未发现问题。启动电压是靠EC2(47u/50V,见图2)充电获得,当对D8与EC2进行检查时,发现EC2漏电。换新后开机,故障消失。
例2:一台乐华LED37C820型彩电,二次开机后,指示灯闪烁数秒后又重新点亮(正常是指示灯闪烁数秒后熄灭,然后出现LOGO开机画面和开机音乐)。
二次开机后指示灯闪烁数秒后又重新点亮,表明主控芯片在运行开机程序过程中受阻。开机程序通常存储在FLASH存储器中,若FLASH损坏或与MCU通讯中断,就会引发该故障。查FLASH(位号为U402)与U401的通讯总线电压正常,换上存有原始数据的FLASH开机,故障现象不变。考虑到要正常运行开机程序,相关电路的上电须遵循一定时间顺序。否则也会出现该故障。当对电源供给电路进行检查时,发现5V输出控制管Q116已击穿(相关控制电路见图10)。当Q116击穿后U401的遥控及复位电路的供电时刻与U401的+2.5V.+1.8V及1.2V等供电电路的供电时刻是相同的。由图3所示的电源流程图可知,遥控及复位电路的供电时刻是要提前于上述电路的。更换Q116( A03401A)后开机,故障排除。

例3:一台乐华LED42C820型彩电,黑屏(无图像),但有伴音。通过试机,发现所有信号源故障现象均如此。观察背光LED灯串,发现未点亮。测量LED驱动电路控制块U4背光开启端⑤脚及亮度调整端⑥脚电压,均有不低于3V的高电平,这说明问题可能在LED驱动或LED灯串。试机,发现二次开机后EC10(47uF/100V )正极电压刚升到77V就开始下降,好像保护电路动作。检测U4过压保护端23脚电压并未达到动作电平2.1V,过流保护端24脚电压也未达到动作电平0.15V。因此,怀疑U4不良,替换后开机,故障现象依旧。显然问题在U4的外围,最后查出U4⑨脚外接灯串输出电流设置电阻R26 (30k)一端虚焊,见图2。
当R26虚焊(相当于开路)后,设置流过灯串的电流约为零。因而灯串一旦有电流通过,U4内部保护电路立即关闭26脚输出的激励脉冲,致使出现本故障。补焊R26后开机,故障消失。
例4:一台乐华LED40C820型彩电,所有的信号源均出现满屏扭动的彩色条纹,但有声音。首先测量U401的LVDS信号输出端子的数据信号电压,发现不足1V,且大小不一(正常为1.2V左右)。LVDS 信号形成主要在主芯片中,但需要DDR存储器配合完成。DR存储器要正常工作,工作电源必须正常。于是,检查U401的DDR存储器的+1.8V、+2.5V供电,发现+2.5V电压为0V。顺藤摸瓜查过去,发现+2.5V电压输出块U104 (AMS1117-2.5 )输出端②、④脚的电压为0V,相关电路见图11。
查U104的外围元件无故障,更换u104后开机,+2.5V电压恢复正常,故障排除。
例5:一台乐华LED32C820型彩电,无声音,但有图像。用万用表RX1挡分别碰触音频功放块U201的输出端14、11脚及27、30脚,扬声器中有“咯咯"声,这说明故障不是输出电路故障所导致。接下来,在耳机插孔插入耳机试听耳机中有正常声音,这进一步将故障被锁定在U201的输入电路、静音控制、供电电路及U201本身。随后,在U201的信号输入端⑥、③脚注入人体干扰信号,扬声器中无任何音响发出,于是重点检查U201的供电及静音控制电路。测得U201静音端④脚电压为4.5V,显然u201已处于静音状态。对静音电路进行检查,发现U401的静音控制端并未发出静音时的+3.3V高电平。因此,故障应在静音电路本身(相关电路见图5),检测后发现控制管Q205(BT3904)的集电极脱焊,补焊后试机,故障排除。
例6:一台乐华LED42C820型彩电,开机约30min后开始出现“沙沙”杂音,严重时甚至盖过正常伴音。为了区分故障部位,断开音频功放块U201的输入端试机,扬声器中仍有杂音,看来故障源应在U201或它的周边电路中。检测u201各脚电压,发现21脚(VCLAMP)电压从开机时的2.6V逐渐下降,约经30min后电压降为1.5V,且上下波动。该脚外部只接了一个电容C236(1pF/16V),相关电路见图12。怀疑C236有问题,换新后开机,故障消失。