TCL LED液晶彩电采用的型号为PE081C5 电源板,型号全称为:08-PE081C5-PW200AA、40-E081C5-PWI1XG。开关电源驱动电路采用OB2273A+MOS开关管组合方案,一是产生12V电压,降压后产生3.3VSB电压,为主板控制系统供电,二是产生24V电压,经开/关机电路控制后,为主板和背光灯板等负载电路供电。
TCL PE081C5电源板应用于TCL L32CE670、L32E4550A、L32F2350B、L32E5020E、L32E4500A、L39E5690A-3D、乐华LED42C750等LED液晶彩电中。
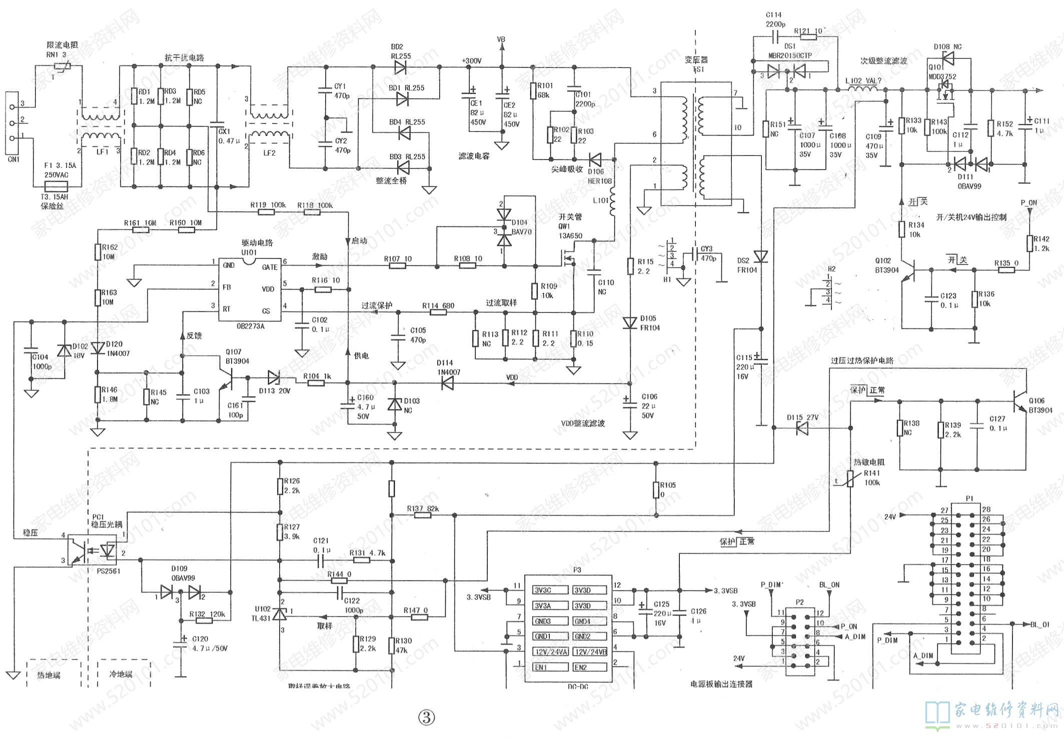
一、电源板工作原理
PE081C5电源板上元件的实物图解见图1所示,电路组成框图见图2所示。由抗干扰和市电整流滤波电路、开关电源电路、开/关机控制电路组成。
1、抗干扰和整流滤波电路
PE081C5电源板抗干扰和整流滤波电路见图3(见下页)上部所示。由抗干扰电路和市电整流滤波电路组成。(1)抗干扰电路抗干扰电路利用电感线圈LF1、LF2和电容器CX1、CY1、CY2组成共模、差模滤波电路, -是滤除市电电网干扰信号,二是防止开关电源产生的干扰信号窜入电网。图3中F1为保险丝,电源板发生短路故障时会烧断,断电保护电源板;RN1为限流电阻,限制开机瞬间大滤波电容CE1、CE2的充电电流。(2)市电整流滤波电路滤除干扰脉冲的AC220V市电,通过全桥BD1~BD4、电容CE1、CE2将交流市电整流滤波,产生+300V的VB直流电压,送到开关电源电路。
2、开关电源电路
PE081C5电源板开关电源电路见图3所示,由驱动电路OB2273A(U101 )和MOSFET开关管QW1、变压器TS1、稳压控制电路光耦PC1、误差放大器U102为核心组成。通电后启动工作,产生12V、3.3VSB、24V电压,开/关机采用控制24V电压输出的方式。
(1)OB2273A芯片简介
OB2273A是高度集成的电流型开关电源控制电路,内含稳压器、振荡器、脉宽调制器、软驱动器等。完善的全面保护电路包括VDD与滞后欠压锁定(UVLO),循环周期过流阈值设置,为恒定输出功率限制在通用输入电压范围,自动恢复过载保护(OLP),过温保护(OTP),锁存关闭VDD,过电压保护(oVP)锁存关闭,通过外部稳压可调过压保护(oVP)等。可提供SOT23-6和DIP8封装, OB2273A引脚功能见表1。本文以6脚封装的OB2273A为例,介绍其工作原理。
(2)启动工作过程
接通电源后,市电整流滤波后产生的+300V直流电压,经TS1的初级⑥-③绕组加到QW1的D极,作为QW1的工作电压。同时。AC220V电压经R119、R118降压后为U101的⑤脚提供启动电压,U101内部脉冲振荡电路启动,产生的振荡脉冲信号经内部驱动电路处理后从⑥脚输出,加到QW1的G极QW1工作于开关状态,在TS1的各个绕组产生感应电压,开关电源启动工作。
开关电源启动后,TS1的热地端①-②反馈绕组产生的感应电压经R115限流D105整流、C106滤波后,输出VDD直流电压,该电压经D114后分为两路输出,-是经R116加到U101的⑤脚,取代原启动电压,为U101供电,以保证芯片的正常工作;另-路经D113、Q107对U101的③脚内部振荡器进行控制。
TS1的次级冷地端⑧-⑨绕组产生的感应电压经DS2、C115整流滤波后,得到12V电压,经连接器P3的内部电路降压后,形成3.3VSB电压,为主板上的微处理器控制系统提供电源;TS1的次级⑦-10绕组产生的感应电压经DS1、C107、C108、L102、C109整流滤波后,得到24V电压,经开/关机电路控制后,为主板和背光灯板等负载电路供电。
(3)稳压控制电路
该电源的稳压控制主要由三端精密稳压器U102 (TL431)、 光耦PC1及取样电阻R128、R137、R129、R130等元件组成,对U101的②脚fB电压进行控制。当输出的12V和24V电压升高时,由取样电路分压所得的电压也随之升高,即U102的①脚电压升高,U102的②脚电压下降,PC1的②脚电压下降;同时,升高的24V电压通过R126使PC1的①脚电压升高,这样PC1的①、②脚间的电压增大,其内部的发光二极管发光增强,使PC1的③、④脚间的光敏三极管导通程度加深,其c、e极间等效电阻减小,则U101的反馈②脚电压下降,在芯片内部PWM控制器的作用下,U101的⑥脚输出的脉宽变窄,则开关电源输出电压下降,从而达到稳压的目的。若输出的12V和24V电压下降,其稳压过程与上述相反。
(4)过流保护电路
U101的④脚为电流检测输入端,用于检测QW1的工作电流。正常工作时,电流检测电阻R110~R113.上的电压通过R114送至U101的④脚,参与芯片内部的PWM控制,这一过程实为电流控制环;当开关管QW1电流过大,在R110~R113上的电压超过保护设定值时,U101进入过流保护状态,⑥脚无激励脉冲输出,开关电源停止工作。
(5)过压保护电路
开关电源围绕稳压控制环路,设有Q106、稳压管D115组成的过压保护电路。当开关电源输出的24V电压超过D115的稳压值27V时,将D115击穿,向Q106的b极注入高电平保护电压,Q106导通,将光耦PC1的②脚电压拉低,PC1'饱和导通,将驱动电路U101的②脚电压拉低,U2进入过压保护状态,⑥脚无激励脉冲输出,开关电源停止工作。
(6)市电欠压保护电路
由于准谐振模式控制器没有最大占空比的限制,若在交流输入电压很低的情况下,会使MOSFET管开启时间变得很长,则MOSFET管极可能因过载而损坏。为此,该类芯片设有欠压保护电路,以增强电源的可靠性。为此该电源板设置了R 160~R163、D120为核心的市电检测电路。
AC220V市电经R160~R163降压D120整流后,送到U101的③脚。市电电压正常时③脚为高电平,U101正常工作;当市电电压过低时,③脚电压降低到保护设计值时,U101停止工作。
(7)反馈电压过高保护
U101的③脚外接Q107、D113组成的反馈电压检测电路。当开关电源输出电压过高时,C115两端产生的VDD电压也随之升高,当升高到20V时,将稳压管D113击穿,Q107导通,U101的③脚电压被拉低,U101据此停止工作。
(8)尖峰吸收电路
为了防止开关管 QW1在截止期间被TS1初级绕组产生的较高的反峰压电压击穿,设有D106、C101 、R101~R103组成的反峰压吸收电路,对反峰压吸收释放,避免击穿开关管QW1。
3、开/关机电路
开/关机控制电路见图3右上部所示,由Q102、Q101组成,对开关电源输出的24V电压进行控制。
(1)开机状态
遥控开机时,主板控制系统向电源板送来高电平P-ON电压,Q102导通,将Q101的G极电压拉低而导通,开关电源输出的24V电压经Q101输出,为主板和背光灯板等负载电路供电。
(2)待机状态
遥控关机时,P-ON电压变为低电平,Q102截止、Q101的G极电压升高而截止,切断24V输出电压,主板、背光灯板等负载电路停止工作。
二、电源板维修
1、待机指示灯不亮
(1)保险丝烧断
测量保险丝F1或限流电阻RN1是否熔断,如果已经熔断,说明开关电源存在严重短路故障,主要对以下电路进行检测。1)检测市电输入抗干扰电路CX1、CY1、CY2及整流滤波BD1~BD4、CE1、CE2是否击穿漏电。2)检查副电源开关管QW1是否击穿,如果击穿,进一步检查TS1的初级绕组并接尖峰吸收件D106、C101、R101~R103;检查U101的②脚外部稳压控制电路的PC1、U102,检查u101的④脚外部过流检测电路的R110~R114。
(2)保险丝未断
如果保险丝 F1或RN1未断,说明开关电源不存在严重短路故障,主要是开关电源电路未工作,应对以下电路进行检测。1 )测量开关电源有无12V、5VSB和24V电压输出,如果有,则是输出连接器接触不良或主电路板故障。2 )如果测量电源无12V.5VSB和24V电压输出,首先测量市电整流滤波后CE1.CE2两端输出的300V是否正常,无300V电压检查市电抗干扰和整流滤波电路是否有开路故障;有300V电压输出,测量副电源U101的⑤脚有无启动电压,无启动电压则检查⑤脚外部的启动电路和③脚市电过低保护电路,如果AC220V电压正常,多为降压电阻R160~R163阻值变大。
3)测量U101的②脚电压是否正常,如果低于正常值,则是24V过压保护电路启动,测量Q106的b极电压,如果由正常时的0V上升到0.7V,则是该过压保护电路启动。一是电源稳压控制电路光耦、误差放大电路发生故障,造成电源输出电压过高;二是24V过压保护电路稳压管D115漏电,造成误保护。.
4)用示波器观察U101的⑥脚有无PWM驱动脉冲输出,有则检查U101的⑥脚外部电路和QW1;如果无PWM驱动脉冲输出,则检查U101外部元件,外部元件正常,更换U101。
5)检查更换P3小电路板。P3连接3.3VSB电压形成电路,如果开关电源输出的12V电压正常,,无3.3VBS电压输出,则是P3小电路板发生故障。
2、待机指示灯亮
待机指示灯亮,说明电源板输出的12V电压和3.3VSB电压基本正常,故障主要在24V整流滤波和开/关机控制电路。
(1)检查开/关机P- ON电压
按遥控器"POWER"键,测P-ON开/关机控制电压是否为高电平?如果为低电平,故障在主板开/关机控制电路;反之,故障在电源板开/关机控制电路。
(2)检查24V整流滤波和输出电路
1)测电源板次级滤波电容C107、C108两端有无24V电压,无24V电压,检查24V整流滤波电路。
2)如果C107、C108 两端有24V电压,但P-ON无受控的+24V电压输出,故障在Q101、Q102组成的开/关机控制电路。
3、维修实例
例1:开机黑屏幕,指示灯不亮。分析检修:測量市电输入电路的保险丝F1未断,开关电源无电压输出。测量开关电源驱动电路U101的⑤脚无启动电压,检测其⑤脚外接的R119、R118,发现R119烧断,更换R119后,故障排除。
例2:开机黑屏幕,指示灯亮。分析检修:指示灯亮,说明开关电源输出的3.3VSB电压正常,按下“POWER"键开机,测量主开关电源无+24V电压输出,测量C107~C109两端有24V电压输出,但P-ON上无24V电压输出。检查开/关机控制电路Q101.Q102,测量P-ON电压有高低变化,但Q102的集电极始终为高电平,判断Q102内部开路损坏,更换Q102后,故障排除。
例3:开机指示灯亮后熄灭。分析检修;开机瞬间指示灯亮,说明开关电源启动正常,数秒钟后熄灭,估计是保护电路启动或接触不良所致。测量开/关机控制电压始终为高电平,测量过压保护电路Q106的基极开机瞬间为高电平,进一步判断保护电路启动。采用脱板维修的方法,接摩托车24V灯泡作假负载对电源板进行检测,将P-ON到3.3VSB输出端,过压保护电路Q106的b极对地短路,通电测量电源板输出24V电压正常,说明是保护电路误保护。试更换27V稳压管D115后,故障排除。
例4:三无,屡烧MOS管。分析检修:检查发现MOS开关管QW1击穿,换新后仍不能工作,数分钟后QW1击穿。检测发现U101的⑤脚电压只有2V,怀疑已损坏,更换后电压升至8.65V,说明外围还有元件不良,正常时⑤脚电压应该在12V以上,脱开R116后,C160上的电压能升至23V,说明启动电路正常。对U101外围器件进行检测,未见异常。考虑到电容器漏电在路测量不准确,分别代换U101外部电容,当代换至U101的③脚C103后,通电试机⑤脚电压立即升到13.2V,此时再测电源板输出24V、3.3VSB电压恢复正常,试机3小时未再现故障。
例5:三无,指示灯不亮。分析检修:通电检查,发现电源板无3.3VSB电压输出,断电后测量发现3.3V输出端对地短路,检查P3外部的滤波电容C125、C126正常,判断短路部位应该在P3的DC转换小板上,拆下12V转3.3VSB小板,当断开小板市电C6时,短路现象消失,更换贴片电容C6后故障排除(在此电源板上C6是易损元件,如果是判定电源板上3.3V输出短路可以先看看贴片电容C6、C1、C8是否发黑、表面有无裂纹之类的现象,如果有直接更换即可)。
