TCL DTL42E9F液晶电视热机后自动关机的故障维修

2022-06-07 16:58:13  阅读 948 次 评论 0 条
摘要:

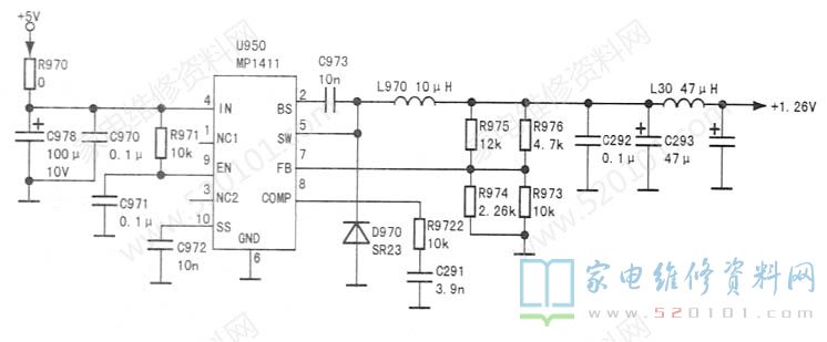
接修一台DTL42E9F型液晶彩电,故障表现为热机后自动关机。先从电源入手,对相关电源IC的输出电压进行检查,发现在故障出现时电源变换块U950(MP1411)的输出电压为0V,U950给主控芯片U23(

       接修一台DTL42E9F型液晶彩电,故障表现为热机后自动关机。先从电源入手,对相关电源IC的输出电压进行检查,发现在故障出现时电源变换块U950(MP1411)的输出电压为0V,U950给主控芯片U23( MSD189CL )提供+1.26V内核电压,如图1所示。

TCL DTL42E9F液晶电视热机后自动关机的故障维修 第1张

       为了确定故障部位,先断开电感L30的一端,然后在吹风机出风口上套一个用厚纸片卷成的喇叭口(使风力更集中)。冷机开机,用吹风机对U950加热,约1分钟后故障出现,说明U950周边元件或自身热稳定性不好。先检查U950周边的阻容元件,发现滤波电容C978( 100uF/10V )热漏电严重。将其换新后试机,故障排除。

版权声明:本文为转载文章,版权归原作者所有,欢迎分享本文,转载请保留出处!