TCL SL42M6液晶电视HDMI状态下无图像的故障维修

2022-06-07 16:54:33  阅读 1168 次 评论 0 条
摘要:

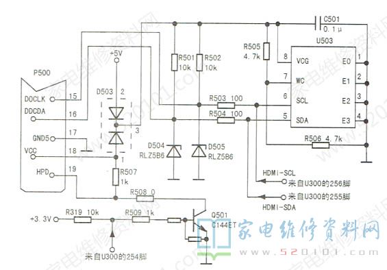
接修一台SL42M6型液晶彩电,故障表现为HDMI状态下无图像。该机在其他状态下图像正常,表明HDMI输入电路,或者负责HDMI正常工作的EDID芯片U503 ( M24C02)未能正常工作(它主要存储有

       接修一台SL42M6型液晶彩电,故障表现为HDMI状态下无图像。该机在其他状态下图像正常,表明HDMI输入电路,或者负责HDMI正常工作的EDID芯片U503 ( M24C02)未能正常工作(它主要存储有HDMI信号显示格式等相关信息),或者主控芯片内部的信号切换电路存在问题。首先用遥控器切换信号源至HDMI状态,测控制管Q501的基极有高低电平变化,HDMI信号输入插座P500的19脚(HPD端子)为正常的高电平,表明HDMI信号的输入和接收电路已准备进入工作状态。接下来测量U503⑤、⑥脚总线电压,发现时钟线电压为3.3V,但数据线电压却为oV。经查,数据线的上拉电阻R502( 10kΩ)已开路,相关电路如图1所示。换新后试机,故障排除。

TCL SL42M6液晶电视HDMI状态下无图像的故障维修 第1张

版权声明:本文为转载文章,版权归原作者所有,欢迎分享本文,转载请保留出处!