H7系列大屏幕LED液晶彩电是创维公司2017年初推出的中端主销4K(分辨率为3840X2160)产品,采用8H66机芯,具体机型有50H7、58H7、65H7等。
一、机芯概述
该机芯彩电搭载酷开5.8操作系统,内置蓝牙、WIFI-体化模块电路,配用YK85型红外遥控器,支持AP热点及HDR 10bit、 4K/2K H.265解码功能,其主芯片采用海思新款芯片Hi3751 AV551(U2), FLASH存储器采用8GB高速闪存EMMC(UOM3,型号为THGBMFG6C1LBALL),DDR存储器采用2只1GB DDR4(UD1.UD2,型号为K4A8G165WB-BCRC),伴音功放采用数字功放TAS5707(U0A3),高频头采用MXL661(UOT5),如图1所示。

Hi3751 V551 是一款高性能ARM Cortex A73双核处理器,主频1.2GHz,集成高性能mail-450五核GPU,采用海思专业的图形引擎Imprex Engine技术,具有高品质图形渲染功能
二、电源、背光电路分析
该系列彩电采用电源LED驱动二合一板,下面以50H7型机所用电源板(型号:168P-L5K017-00)为例进行分析。
该电源板采用FA5696(PFC驱动芯片)+SSC3S910 (PWM驱动芯片)+OZ9903 (恒流驱动芯片)方案,主要由开关电源和LED灯条恒流驱动控制两部分组成。其中,开关电源部分由EMI整流滤波、PFC控制、PWM控制等电路组成,如图2所示。

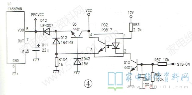
U1(FA5696)为PFC控制IC,U2 (SSC3S910)是电流模式开关稳压电源控制IC。Q10、PC2、Q5及其外围元件组成开/待
机控制电路,控制U1的供电。
上电后,220V交流电经EMI滤波送往开关电源电路,开关电源工作,输出+12V、+18V、+36V电压(此时为低功率输出状态),主板上的CPU得电工作。二次开机后,U1得电工作,输出380V电压,送往开关电源电路,此时开关电源为正常功率输出状态。
1.EMI整流滤波电路
该电路如图3所示,F3是保险丝,INR1是压敏电阻,LF1、LF2是共模电感,CX1.CX2是差模电容,R1~R6是泄放电阻。

2.开/待机控制电路
Q10、PC2、Q5、U1等元件组成开/待机控制电路,如图4所示。上电后,开关电源工作在BURST(突发)模式.输出的12V电压经主板上DC-DC变换后,为CPU供电;二次开机后,CPU输出高电平开机信号,Q10饱和导通,PC2的③、④脚内部光敏三极管饱和导通,Q5导通,U1的⑧脚得电工作,输出PFC电压给DC-DC电路。待机时,STB-ON信号变为低电平,Q10截止,PC2、Q5均截止,UI夫电不工作,即PFC电路不工作,DC-DC电菱工作在BURST模式。

3.PFC电路
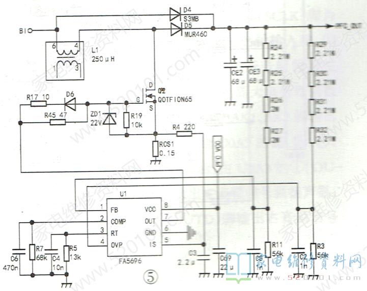
该电路如图5所示,L1、Q2、D5、CE2、CE3为PFC升压电路元件,R24~R27、R11为PFC电压反馈取样电阻,RCS1为开关管电流检测电阻,R29~R32、R3为过压保护取样电阻,C6、R7为电压环路补偿元件。

FA5696是一只工作于临界导电模式的功率因数校正IC,内置有短路、过压等保护电路,其引脚功能见表1。

4.恒流电路
该电源板的恒流电路由三组组成,每组电路基本相同,均是将输入的36V电压升压,得到LED1+~LED3+电压,供给屏内的3根灯条,如图6所示(只画出了其中一组)。

Q1-Q17为升压电路功率MOS管,L2~L4为储能电感,D28-D30为升压二极管,Q13、Q14、Q18为调光MOS管。U4与Q15~Q17、L2~L4、D28~D30等组成灯条供电升压电路,U4与Q13、Q14、Q18等组成恒流调光控制电路,BL_ADJ、BL_ENA、I_PWM等为背光控制信号,通过软件实现对不同型号液晶屏背光的控制。
三、主板供电电路分析
电源板送来的+24V NOR电压通过保险管FOA2给UOA3供电,如图7所示。+12V_ NOR电压经稳压电路稳压或变换电路变压后,送给相应的电路:一路经U0L1得到vcC_ PANEL电压,给屏驱动电路供电;第二路经UOP9变换后得到DDR_1V2电压,给主芯片、DDR等电路供电;第三路经UOP10变换得到CPU_ PWR电压,给主芯片CPU供电;第四路经UOP8变换得到VDD_ PWR电压,为主芯片内核供电;第五路经UOP7变换得到5V_ USB电压,给USB电路等供电;第六路经UOP5变换得到3V3SB电压,给主芯片等供电;第七路经UOP6变换得到5V_M电压,分别给U2、UOM3、UOT5等电路供电。
1.开机过程
上电后电源板输出+12V电压经UOP5变换得到3V3SB供电,给主芯片U2供电,U2复位后,外围晶振开始振荡,U2中的待机小CPU启动工作,输出高电平PWR _ON/OFF信号,电源板电路正常工作,+12V电压一路经UOP10得到cPU PWR电压,另一路经UOP8( MP1653 )得到VDD_ PWR电压,为主芯片内核及CPU供电;第三路经UOP9变换得到DDR_1V2供电,给DDR4供电。U2主控系统启动,先从EMMC存储器中读取状态数据。如果读取的为待机状态信息,则进入待机状态,此时主板系统由U2中的待机小CPU接管;如果读取的为开机状态信息,那么主控系统与DDR4及EMMC进行通讯,运行EMMC中的Mboot程序(启动代码),将EMMC中的主程序装载到DDR4中并开始运行,然后主控系统对EMMC、DDR4进行初始化,待初始化完成后,系统进入开机状态。
2.主要供电产生电路
(1)3V3SB供电
电源板送来的+12V_ NOR电压经UOP5为核心的DC-DC电路变换得到3V3SB电压,如图8所示,为相关电路供电。
(2)VDD_ PWR供电
+12V_ NOR电压经UOP8为核心的DC-DC电路变换得到VDD_PWR电压,如图9所示,为U2内核供电。
(3)5V_ M供电
电源板送来的+12V_ NOR电压经UOP6为核心的DC-DC电路变换得到5V_M电压,如图10所示,为相关电路供电。

(4)屏供电开/关控制电路
当U2的E4脚送来开机信号(高电平)时,Q0L1(P沟道场效应管ME9435)导通,UOL1因④脚为低电平而导通,输出vCC_PANEL,为液晶屏驱动电路供电,如图11所示。

(5)CPU供电产生电路
+12V_ NOR电压经过UOP10为核心的DC-DC电路变换后送到CPU_PWR电路,如图12所示,为U2内部CPU的电路供电。

四、数字音频功放电路分析
该机伴音功放电路如图13所示。U0A3的19脚是待机控制脚,25脚是复位脚,23(SDA)、24(SCL )脚为数据、时钟总线脚,15(MCLK)脚为主时钟输入脚,21(sCLK)脚为串行音频数据/位时钟输入脚,20(LRCLK)脚为串行音频数据左右/帧时钟输入脚,22(SDIN)脚为串行音频数据输入脚。U2的AL1、AL2、AK1、AK2脚输出数字音频信号,分别送给UOA3的15、21、20、22脚,经内部电路处理后,由UOA3的①(OU-TA)、46(OUTB )脚输出左音频信号到扬声器,从39(OUTC)、36(OUTD)脚输出右音频信号到扬声器。

五、软件升级方法
该系列彩电的工厂模式进入方法:先按遥控器上的设置键显示本机信息,然后按遥控器上的上、上、下、下、左、右、左、右键,即可进入工厂菜单。按返回键退出工厂模式。
1.本地升级
先将升级压缩包(8H66_ H7_ .xxxx.zip文件)拷贝到单分区U盘的根目录下,然后将U盘插到电视机的USB端口中开机,按遥控器上的主页键,选择*本地媒体”,打开“磁盘1”找到升级包,确定后系统将自动进入软件升级状态。提示:在软件升级过程中,切勿断电或进行其他要作!并级完成后,电视机会自动重启。
2.在线开级
在网络畅通的前提下,若系统自动检测到当前有可用的升级包,这时会屏显提示“用户是否升级”,点击“确定"按钮后,系统将下载升级文件压缩包。下载完成后,系统将自动进入软件升级状态。
3.强制升级
先将升级压缩包拷贝到单分区U盘的根目录下,然后将u盘插到电视机USB端口中,按住面板上的电源键上电开机,约5s后系统自动进入recovery(数据恢复)界面,此时用遥控器将光标移动到最上一行“使用U盘或SD卡升级”,进入U盘,选择指定的升级文件进行升级。
另外,也可使用串口工具通过电路输入串口指令进入recovery界面,具体方法有以下两种:(1)将电视机与电脑通过串口线连接起来,在电视机开机时,按住电脑键盘上的回车键,在电脑屏显"root@Hi3751V551:/ #"指令后面输入"reboot -r" ,这时系统自动进入升级界面;(2)将电视机与电脑通过串口线连接起来,先按住电脑健盘上的Caul+C键,然后电视机开机,在电脑屏豆fstboot#"指令后面输入“rec”,这时系统自动进入开级界面。