海尔LQ65S81液晶电视AY205D-4SF01电源板电路分析与故障维修

2022-08-28 19:23:32  阅读 1492 次 评论 0 条
摘要:

海尔LQ65S81液晶电视采用AY205D-4SF01型电源二合一板,其输入电压为AC130V~264V ,开关电源输出电压为5VSB/1A.12V/5A,LED驱动电路输出电压为-156V(或-191V

      海尔LQ65S81液晶电视采用AY205D-4SF01型电源二合一板,其输入电压为AC130V~264V ,开关电源输出电压为5VSB/1A.12V/5A,LED驱动电路输出电压为-156V(或-191V )/330mAX2。AY205D-4SF01型电源板除用于海尔多款超大屏幕(大于55英寸)LED液晶彩电外,还用于暴风、熊猫等品牌60英寸~75英寸LED液晶彩电中。

      该电源主要由交流输入及EMI滤波、PFC (功率因数校正)、副电源(输出5VSB电压)、主电源(输出12V电压)和LED背光驱动电路组成如图1所示。

海尔LQ65S81液晶电视AY205D-4SF01电源板电路分析与故障维修 第1张

      电源板常见故障检修流程如图2~图4所示。

海尔LQ65S81液晶电视AY205D-4SF01电源板电路分析与故障维修 第2张

一、单元电路分析

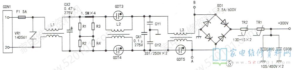
1.交流输入及EMI滤波电路

       该电路主要由电压过高限制、防浪涌冲击进线抗干扰及整流滤波电路组成,如图5所示。当从CON1输入的交流电压过高时,VR1因过压导致漏电电流大增,F1过流熔断,从而避免后级电路过压损坏。进线抗干扰滤波电路由L1.L2及外围电路组成。L1和L2是组成两级共模滤波网络,滤除电网或开关电源产生的共模干扰信号。CX1、CX2、CY1、cY2及共模电感的漏感组成不平衡滤波网络,滤除电网或开关电源中的差模干扰信号。

海尔LQ65S81液晶电视AY205D-4SF01电源板电路分析与故障维修 第3张

       在冷机状态, C300、C308中未存储电荷。当接通电源开关后,交流电压经BD1桥式整流后,经负温度系数热敏电阻TR1、TR2为C300、C308充电。冷机时,TR1、TR2的阻值较大,从而有效降低开机冲击电流。随着充电的进行,TR1、TR2的阻值随温度的上升而迅速减小,最后几乎变成直通,TR1、TR2消耗的能量极小。

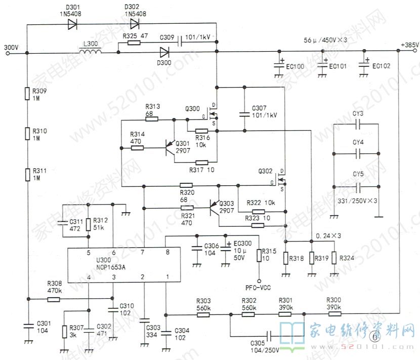
2.PFC电路

       在平板电视中,PFC电路的作用主要有以下两个:一是控制PFC开关管的导通时间,让输入电流的变化与输入电压的变化同步,从而提高市电利用率(即提高功率因数);二是对整流后的300V电压进行升压,以降低功率元件的温升,在提高输出功率的同时,大幅提高开关电源的变换效率。该电源的PFC电路采用宽电压PWM控制器NCP1653A(U300),如图6所示。NCP1653A(U300)引脚功能与实测电压见表1。

海尔LQ65S81液晶电视AY205D-4SF01电源板电路分析与故障维修 第4张

海尔LQ65S81液晶电视AY205D-4SF01电源板电路分析与故障维修 第5张

       AC220V市电经整流滤波后输出300V脉动电压,经L300送给开关管Q300、Q302的漏极。二次开机后,开/待机控制电路送出PFC-VCC电压(约15V),经R315加到U300⑧脚,U300得电启动工作。同时,在U300内部恒流源给②脚外接的C303充电,随着②脚电压的上升,U300⑦脚输出激励脉冲的占空比慢慢变大(直至正常),以达到软启动的效果。在激励脉冲的作用下,Q300、Q302工作于开关状态。Q301、Q303 为放电三极管,在Q300、Q302截止时导通,迅速泄放Q300、Q302的G-S结电容中的残存电荷,确保开关管下次正常导通。当Q300、Q302饱和导通时,300V脉动电压->L300->Q300、Q302的D、S极->R318、R319、R324-> U300④脚,经IC内部电路到地,形成电流回路;当Q300、Q302 截止时,流过L300的电流大幅减小,L300中的感应电动势极性反转,产生左-右+的感应电压,与输入的+300V电压叠加,经D300给EC100~EC102充电,最终在EC100~EC102两端形成约+385V的电压。

       PFC输出电压经R300~R303反馈到U300①脚。若输出电压下降,则U300①脚电压下降,在IC内部电路的控制下,⑦脚输出的脉冲占空比增加,即Q300、Q302在一个周期内的导通时间增长,I300中的储能增加,PFC输出电压升高,达到稳压的目的。若PFC输出电压降低,其稳压过程与上述相反。

        须注意的是 ,在正常情况下,U300①脚电压低于2.5V。若R300-R303中某只电阻的阻值减小(多为焊盘或印制板漏电),将导致PFC输出电压升高,当升至约420V时,U300①脚电压超过2.5V,U300进入过压保护状态,⑦脚无驱动信号输出,升压电路不工作。若R300~R303中某只开路,PFC处于间歇工作状态;若C304漏电,将导致PFC输出电压升高或进入过压保护状态;若C305击穿或漏电,将导致PFC输出电压降低。

       R308~R311 为输入电压检测电阻,对输入的300V电压进行检测。当输入电压过低,U300③脚电压低于2.4V时,PFC电路进入欠压保护状态,升压电路不工作,以避免功率元件过流损坏。若R308~R311中某只电阻阻值变大或开路,则PFC电路无法启动;若C301、C310击穿或漏电,则PFC进入欠压保护状态;若C301.C310开路,电路仍可工作,但易出现不定时关机现象。

       U300⑤脚为内部乘法器的外接控制端,若外接电容(C311),则PFC电路的工作模式为平均电流模式;若不接电容,则PFC工作于峰值电流模式。若电容C311开路,基本不影响PFC电压输出;若C311漏电或击穿,则PFC输出电压升高;若外接电阻R312损坏,PFC电路带负载能力变差。

3.副电源电路

       该板副电源电路采用低功耗(空载功耗小于16mW)芯片NCP1246 (U100), 如图7所示。NCP1246( U100 )引脚功能与实测电压见表2。

海尔LQ65S81液晶电视AY205D-4SF01电源板电路分析与故障维修 第6张

海尔LQ65S81液晶电视AY205D-4SF01电源板电路分析与故障维修 第7张

       AC220V交流电经D108、D109整流后,得到约300V的直流电压,通过R113、R112加到U100⑧脚,通过IC内部的高压源给⑥脚外接电容EC104充电。当EC104两端电压达到12V时,U100内部振荡电路启动工作,产生的振荡脉冲经IC内部驱动电路放大后从⑤脚输出,经R116送给Q101的G极,开关电源启动工作。T100 的③-⑤绕组产生的感应电压经R120//R122限流D105整流EC105滤波后,输出约+22V的直流电压加到U100的⑥脚,取代原启动电压,保证芯片的正常工作;T100的⑦-⑥绕组产生的感应电压经D101整流及EC107、EC110、L100滤波后,输出+5VSB电压。

       U100②脚与PC100、U101(431 )等元件组成稳压电路,其稳压过程如下:当输出的+5VSB电压升高时,经R137、R134分压后加到U101 R极的电压升高,K极电压下降,即PC100②脚电压下降,流过PC100中发光二极管的电流增大,其③、④脚间的光敏三极管导通程度加深,则U100②脚电压下降,在IC内部PWM控制器的作用下,U100⑤脚输出脉冲的占空比减小,则Q101在一个周期内的导通时间缩短,输出电压下降,从而达到稳压的目的。当+5VSB电压降低时,其稳压过程与上述相反。

       T100的④-⑤绕组产生的感应电压经R121//R123限流D106整流EC106滤波后,输出约+21V的直流电压加到Q104的c极。二次开机后,Q104、Q105导通,由Q104、Z101 .R129等元件组成的串联稳压电路输出约19V电压(VCC2),供给主电源控制芯片;Q105的e极输出约15.5V电压,供给PFC控制芯片U300。

4.主电源电路

       该电路为低功耗反激式电源,采用高度集成的峰值电流模式控制器LD7536(U200),如图5所示。

海尔LQ65S81液晶电视AY205D-4SF01电源板电路分析与故障维修 第8张

      LD7536内置斜坡补偿4ms固定软启动、过载保护、短路保护等电路,待机功耗低于100mW ,其引脚功能见表3。正常工作时,LD7536以65kHz~100kHz中某一固定频率工作若负载变轻,则控制器进入突发模式,开关频率降到26kHz;如果负载继续减小,则控制器进入自动跳频工作模式,从而最大限度地降低功耗(小于0.1W ),以保持高效率工作。

海尔LQ65S81液晶电视AY205D-4SF01电源板电路分析与故障维修 第9张

(1)功率变换过程

       二次开机后,vCC2电压经R232加到U200⑤脚,U200启动工作,从⑥脚输出驱动脉冲,加到Q200的G极;同时,PFC电路输出的+385V电压通过开关变压器T200的①-②绕组加到Q200的漏极。当U200⑥脚输出高电平时,Q200导通。PFC电压经T200的①-②绕组、Q200的D.S极及R233到地,其电流逐渐增大。在此过程中,电能转变为磁能,储存在T200中。当U200⑥脚输出低电平时,Q200截止。由于流过电感线圈的电流不能突变,则T200的①-②绕组中产生较强的感应电压,其极性为①-、②+ ,与输入的+385V电压叠加,,形成约700V的尖峰电压。此时,二极管D202、D203导通,尖峰电压经C200和R200~R202馈入+385V电源中,迅速降低脉冲电压的峰值,从而有效地防止Q200过压损坏。当T200的①-②绕组中有交变电流流过时,T200次级绕组产生感应电压,经D200.D201整流,EC200~EC204.EC209、L200滤波后,得到+12V直流电压给主板和液晶屏供电。

(2)稳压控制

        当12V输出电压升高时,R245和R248分压所得电压也跟着升高,加到U201(431)控制端(R极)的电压升高,U201的K极电压下降,即光耦PC200②脚电压下降,流过PC200的①、②脚内部发光二极管的电流增加,发光二极管发光强度增加,PC2003、④脚内部光敏三极管导通程度加深,等效电阻减小,从U200②脚( FB )流出的电流增大,②脚电压下降,经集成块内部电路处理后,U200⑥脚输出的PWM脉冲占空比减小,Q200在一个周期内的导通时间缩短,T200的储能减少,次级输出电压下降,从而达到稳压的目的。

        当+12V输出电压降低时,其稳压过程与上述相反。U201的K极外接的C208和R244组成消谐振电路,防止U201进入谐振状态,避免稳压失控。当+12V电压空载或电视机进入待机状态时,由于此时12V电压的输出电流很小,滤波电容EC200~EC204、EC209中的电荷泄放很慢,电压保持为固定值的时间较长,经稳压环路控制后,U200②脚电位缓慢下降,当②脚电压降到1.5V时,IC内部振荡器的输出脉冲频率开始下降,开关电路进入跳周期工作状态,间歇输出+12V电压;当②脚电压低于0.8V时,振荡频率降到最低值-26kHz, 电路进入低功耗状态。

(3)保护电路

        U200内置多种保护功能,通过外围电路的选择和内部电路相结合,可以实现完善的过功率保护(OPP )和过压保护(OVP )功能。

       1)过功率保护(OPP)

       U200③脚为过功率检测信号输入端,本电源板未启用该保护功能。若要启用该保护功能,则先将T200热地侧辅助绕组的感应脉冲分压、滤波,然后送到U200③脚,与IC内部的0.8V基准电压叠加。当某种原因造成输出功率大幅增加时,T200辅助绕组的感应脉冲幅度增大,送到U200③脚的脉冲幅度也会跟着升高,在IC内部电路的控制下,U200进入过功率保护状态。

       2)+12V过压保护(OVP)

       +12V过压保护电路主要由ZD200、PC201、Q202.Q203等元件组成。其中,Q202、Q203组成模拟可控硅电路,其控制极为Q202的基极。当+12V电压超过15V时,稳压管ZD200齐纳击穿,D206导通,PC201①、②脚内部的发光二极管发光,PC201③、④脚内部的光敏三极管导通,Q202、Q203导通并进入自锁状态,Q202的c极电压大幅下降,二极管D205导通,U200②脚电压大幅下降,U200进入跳周期工作模式,12V输出电压下降且进入间歇输出状态,并-直保持。在排除12V过压故障后,只有断电一会儿后再上电,电路才能正常工作。

5.LED背光驱动电路

        该板的LED背光驱动电路采用降压变换方式,以PWM芯片BD9211F(U1F )为控制中心,输出两路LED电压(LED-1、LED-2),如图6所示。U1F的引脚功能见表4。

海尔LQ65S81液晶电视AY205D-4SF01电源板电路分析与故障维修 第10张

海尔LQ65S81液晶电视AY205D-4SF01电源板电路分析与故障维修 第11张

        (1)启动与降压变换

        三极管Q5F、稳压二极管ZD1F等元件组成串联稳压电路。主开关电源输出的+12V电压加到Q5F的c极,Q5F的e极输出的11.5V电压(vcC)加到U1F①脚(vcc);主板发出的背光BL-ON高电平指令,通过R14F加到U1F的STB端②脚;主板送来的背光亮度调节电压PWM通过R28F、R21F送到U1F10脚,U1F内部电路启动工作,从17脚、18脚输出背光驱动脉冲(方波),并通过调节背光驱动脉冲的占空比来控制背光亮度。

        U1F的17脚、18脚输出的驱动脉冲加到隔离变压器T1F的初级,T1F次级两个绕组产生幅度相等、极性相反的驱动脉冲,分别加到功率管Q1F、Q3F的G极,让Q1F、Q3F轮流导通。当Q1F导通、Q3F截止时,其电流回路如下:PFC电压(+385V)->Q1F->T2F->C12F->地,给C12F充电,极性为上+下-;当Q1F截止、Q3F导通时,C12F放电,放电电流如下:C12F上端->T2F->Q3F->C12F下端。上述变化电流在T2F的初级绕组中产生自感电动势,则T2F次级绕组中产生感应电压,经二极管D3F~D6F整流后为LED灯串供电。

       (2)LED灯串的供电电路

       CON7为LED灯串连接插座,其①、⑧脚(接地)与屏内LED灯串1、2的正极相连,⑤脚接LED灯串1的负极,12脚接LED灯串2的负极。当T2F的次级感应电压为上+下一时,电流回路如下:T2F的次级上端(+ )->C10F- +D3F- R17F、R36F.R37F、R18F- >CON7的①、⑧脚+LED灯串2正极- +LED灯串2负极(CON7 12脚)- +D6F- T2F次级的下端(-),LED灯串2发光。

       当T2F的次级感应电压为下+上-时,电流回路如下:T2F的次级下端(+ )-> D5F->R17F、R36F、R37F、R18F->CON7①、⑧脚- LED灯串1正极->LED灯串1负极(cON7⑤脚)->D4F->C10F->T2F 次级的上端(-),LED灯串1发光。

       (3)恒流控制电路

       T2F的初级线圈与C12F构成一个IC串联谐振电路,当驱动信号频率与LC串联谐振频率相同时,流过T2F的初级电流最大,T2F次级输出的电压也最高。在本电路中,为了实现恒流控制,驱动信号频率稍高于LC串联谐振频率,即LC丰联电路工作在轻度失谐状态。流过LED灯串1、2的电流均会流过取样电阻R17F、R36F、R37F、R18F,这四只取样电阻两端电压降为LED灯串电流检测电压,经R33F、R35F分压后,通过R34F及U1F⑥脚(IS输入端)与IC内部的误差放大器(基准电压为1.25V)相连,在IC内部逻辑电路的作用下,改变17、18输出激励脉冲的频率,即改变驱动电路的失谐程度,从而改变T2F次级输出电压,达到稳定LED灯串电流的目的。若失谐程度越大,则T2F次级输出电压越低,流过LED灯串的电流就越小;反之,则流过LED灯串的电流就越大。

       当流过LED灯串的电流增大时,电流取样电阻上的压降增大,UIF⑥脚电压上升,经过UIF内部电路的控制,17、18脚输出的激励脉冲的频率升高,经Q1F、Q3F驱动放大后,T2F、C12F振荡失谐程度加深,则T2F次级输出电压降低,即LED灯串的供电电压下降,流过LED灯串的电流减小,并且,当流过LED灯串的电流减小时,其控制过程与上述相反。

(4)LED灯串过压保护电路

        取样电阻R46F ~R49F、R51F~R54F、R69F R70F,三极管Q6F,三端精密稳压器U2F(431),与UIF⑦脚内部电路等元件组成灯串过压保护电路。U2F、R45F、R50F组成稳压电路,使U2F的K极电压稳定为+5V。当LED-1、LED-2电压正常时,经过取样电阻后,Q6F的基极电压仍较高,Q6F截止,U2F⑦脚电压低于1V,不影响U2F内部电路的工作;若LED-1或LED-2电压大幅下降(即加在灯串两端的电压大幅上升),经过取样电阻后,Q6F的基极电压大幅下降,Q6F导通,U2F⑦脚电压上升,当该脚电压超过1.25V时,芯片内部的保护电路启动,17、18脚无激励脉冲输出,背光驱动电路停止工作。

(5)LED灯串欠压保护电路
        取样电阻R61F、R62F、R65F~R68F与三极管Q11F等元件组成灯串欠压保护电路。当LED-1、LED-2电压正常时,R57F和R58F的下端电压较低,二极管D8F、D9F截止,Q11F因基极无偏压而截止,U2F 14脚(关断检测比较器的输入端)电压约为0v,不影响U2F内部电路的工作;若LED-1或LED- 2电压大幅上升(即加在灯串两端的电压大幅下降),当R57F和R58F下端电压超过1.3V时,Q11F导通,U2F 14脚电压超过4V阈值,芯片内部的保护电路动作,17、18脚无激励脉冲输出,背光驱动电路停止工作。

版权声明:本文为转载文章,版权归原作者所有,欢迎分享本文,转载请保留出处!