由二极管选项不当导致液晶电视无规律自动关机的案例

2022-08-28 19:30:21  阅读 1126 次 评论 0 条
摘要:

接修一台海尔LB32K1型(6M69机芯)液晶电视,无规律自动关机,长则半小时,短则几分钟。上电测得待机电源输出稳定的4.97V电压,二次开机后,机芯板上的PW-ON信号电压为2.4V,电源板上的12V、

       接修一台海尔LB32K1型(6M69机芯)液晶电视,无规律自动关机,长则半小时,短则几分钟。上电测得待机电源输出稳定的4.97V电压,二次开机后,机芯板上的PW-ON信号电压为2.4V,电源板上的12V、24V、PFC390V电压都正常。自动关机时,PW-ON信号为0V,判断故障在机芯板上。为了准确判定故障,决定先检测电源板。当断开机芯板的连线后,发现待机5V电压在3.5V~4.5V之间变化,说明故障在待机电源电路中。

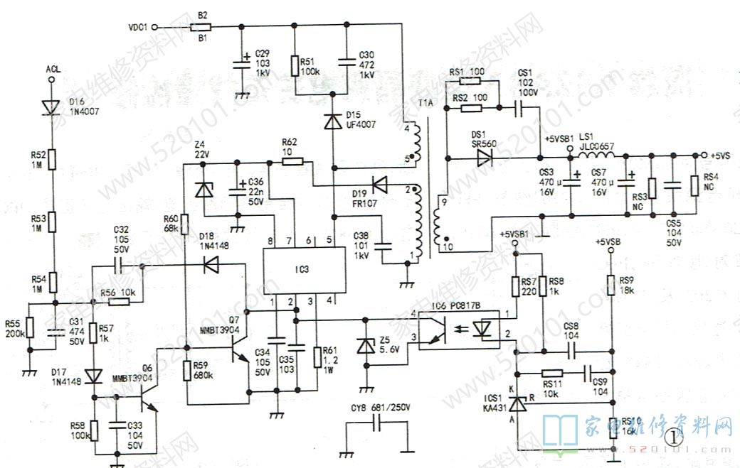
        待机电源电路如图1所示,T1A的次级绕组感应电压经DS1整流输出待机5V。初级还有两组线圈:一组通过D19整流C36滤波后输出10V电压为IC3的⑦脚供电;另外一组通过D12整流C27滤波得到约30V直流电压,经过开/待机控制后,送到由Q5、Z2等元件组成的15V稳压电路,为PFC芯片IC1(FAN7530)供电,如图2所示。

由二极管选项不当导致液晶电视无规律自动关机的案例 第1张

        15V 经由Q4、Z3 组成的12V稳压电路为主电源IC2( L6599 )供电。

由二极管选项不当导致液晶电视无规律自动关机的案例 第2张

       在图1中,IC6(PC817)和ICS1(KA431)等元件组成稳压电路。当5V电压升高时,RS10两端电压(即ICS1的R极电压)升高,ICS1的K极电压降低,流过IC6初级的电流增大,其③、④脚等效电阻减小,IC3的②脚电压降低,经内部电路检测处理后,PWM脉宽变窄,MOS管导通时间变短,T1蓄能变小输出电压降低。当5V电压降低时,其稳压过程与上述相反。

       接上机芯板后,5V是稳定的,这时测IC6、ICS1各脚电压均正常;脱开负载,测试T1A初级电压,发现D19负极电压在8V~14V之间变化,D12输出的电压稳定在35V。首先检测D19,发现本机用的是1N4007型工频二极管,而图纸上标注的是快恢复二极管FR107。换上FR207后试机,此路电压稳定在10V ,5V待机电压也为稳定的4.98V。连接机芯板试机,故障排除。

       提示:显然,本例故障是因为在开关频率较高的部位,D19使用了常用来做工频整流的1N4007二极管,另外一路D12使用的是UF4007,这两只二极管的差别在于两者的反向恢复时间(从外加反向电压到进入反向阻断状态这一段时间)不同。作为快恢复二极管的UF4007这个时间要短很多,这样二极管的工作频率上限也可以更高。快恢复二极管一般用于开关电源整流,而普通整流二极管一般用于日常工频电源的整流。使用的话,UF4007可以代替1N4007用于普通整流电路,而1N4007不能替代UF4007用于开关电路,如果坚持用,则会出现短时间正常,长时间使用出现损坏或参数变化的问题。

       至于二极管的代换使用,现在的快恢复、超快恢复二极管型号非常多,电流、耐压可以参考器件手册,唯一一点要谨记,工频整流的,比如电视机的300V整流,桥式也好,半波也好,1N系列的二极管只能工作在频率不高的地方,而开关电源电路,本身工作频率比较高,一般都在100kHz 甚至更高,如果错误地使用工频二极管,其结果会出现电路工作异常,或者是不稳定的问题,比如本机。现在回想起来,接上机芯板5V保持稳定的假象,当电源启动并有5V输出后,机芯板输出开机指令,PFC、主电源相继工作,D19二极管工作本身就是很不稳定,反向漏电流大,相当于绕组负载加大,所以绕组蓄能增大,也就是为何D19整流最高变化电压是14V。再假设,整流的电压低于IC3的⑦脚电压要求,IC3瞬间停止工作,导致D12绕组输出的电压掉电,Q5的15V,Q4 的12V也跟着掉电,PFC、主电源都要停止工作,同时输出的5VSB待机电源也会出现瞬间掉电或者电压降低的现象,机芯板掉电后输出的PW-ON电压也会掉电,继而出现自动关机的问题。

版权声明:本文为转载文章,版权归原作者所有,欢迎分享本文,转载请保留出处!