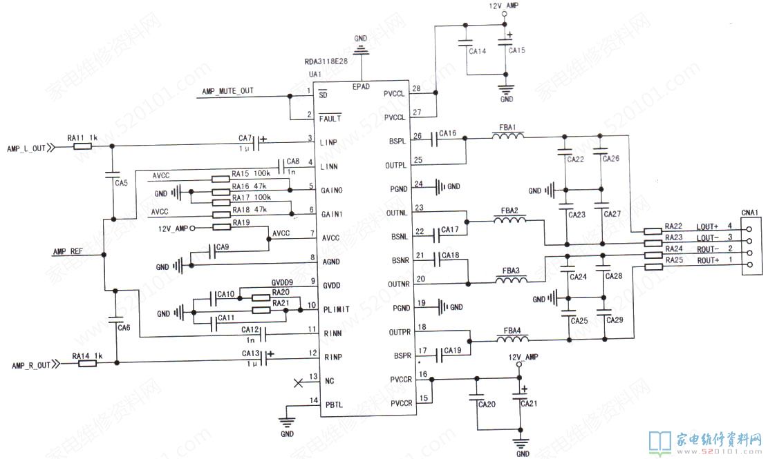
一台海尔LE43M31型液晶彩电,开机后图像正常,伴音也正常,收看一会儿后扬声器中突然出现杂音,随后无声。本机搭载安卓智能系统。上电试机,播放网络自带视频以及输入AV信号,都没有声音。本机主板型号是TPD.T920T.PB735,小信号处理芯片型号是T920L,伴音功放采用D类功放RDA3118E28(UA1),如图1所示。首先,测量②脚12V供电正常,①脚为3.4V(高电平)未静音;扬声器输出端子CNA1③、④脚(L声道)对地电压都是6.1V, 但R声道输出端①、②脚对地电压分别为1V.10V,明显异常。因R声道输出端之间已有直流电压差,易把扬声器烧坏,所以不能长时间试机。
经过以上检测,很明显故障应该在伴音功放为主的电路.上。本机功放UA1采用差分信号输入方式,③脚是L声道同相输入端,④脚是反相输入端,对应的输出端是2脚、4脚;①脚R声道是反相输入端,②脚是同相输入端,对应的输出端是⑧脚、四脚。上电,测得②脚电压为0.83V,⑧脚电压在1.0V~1.3V之间波动;①脚电压为0.99V, 20脚电压为10V,且波动。根据差分放大电路的工作原理,正常时,①、②脚电压都应为2.8V。检查①、②脚外围元件,未见异常,怀疑UA1内部电路损坏。更换RAD3118E28后开机,故障排除,此时测得①、②脚电压均为2.8V,CNA1①、②脚对地电压均为6.1V。
			版权声明:本文为转载文章,版权归原作者所有,欢迎分享本文,转载请保留出处!
			
		
		
		
		
		
		
	 
								