长虹LED液晶彩电采用的HSU25D-2M8210型电源板,是集开关电源和LED背光灯驱动电路的二合一电源板,开关电源集成电路采用NCP1251ASN65T1G,输出12.3V 和35V电压,为主板和背光灯驱动电路供电;背光灯驱动电路采用AP3064,将35V电压提升后,为LED背光灯串供电,并对灯串电流进行调整和控制。应用于长虹LED39C2000i、LED39C2080i、LED39E20等液晶彩电中。
一、原理图解
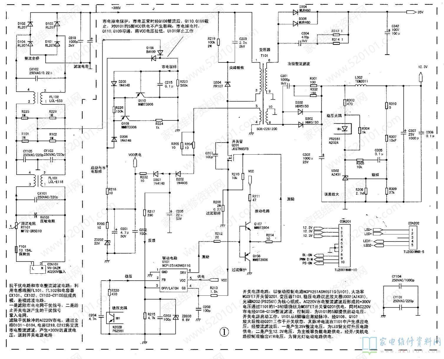
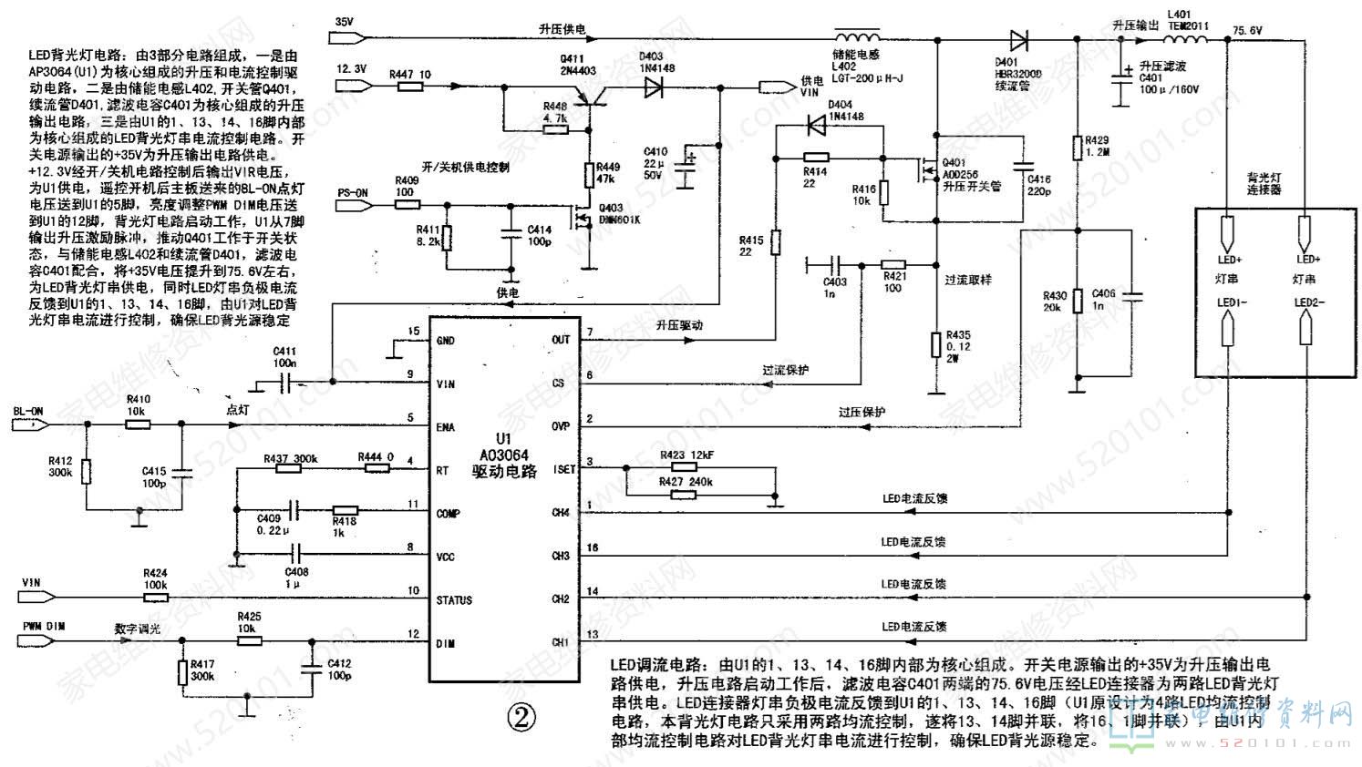
长虹HSU25D -2M8210二合一电源板开关电源电路工作原理图解见图1所示,LED背光灯驱动电路工作原理图解见图2所示。
1.电路结构
该电源板由开关电源和LED背光灯驱动电路两部分组成,其中开关电源以驱动控制电路NCP1251ASN65T1G(U101)(实测电压见表1)大功率MOSFET开关管Q201、变压器T101、稳压电路误差放大器U302(AZ431)、光耦N202( PS2561 )为核心组成,通电后启动工作,一是产生35V整流电压,为LED背光灯升压电路供电;二是产生12.3V电压,为主板等负载电路供电,经开/关机电路控制后输出VIR电压,为背光灯驱动电路供电。
 
       LED背光灯电路由三部分电路组成,一是由AP3064(U1)为核心组成的升压和电流控制驱动电路;二是由储能电感L402、开关管Q401、续流管D401、滤波电容C401为核心组成的升压输出电路;三是由U1的1、13、14、16脚内部为核心组成的LED背光灯串电流控制电路。开关电源输出的+35V为升压输出电路供电, +12.3V经开/关机电路控制后输出VIR电压,为U1供电;遥控开机后主板送来的BL-ON点灯电压送到U1的⑤脚,亮度调整PWM DIM电压送到U的四脚,背光灯电路启动工作,将+35V电压提升到75.6V左右,为LeD背光灯串供电;同时led灯串负极电流反馈到U1的1、13、14、16脚,由U1对LED背光灯串电流进行控制,确保LED背光源稳定。
 2.开/关机电路
         开/关机控制电路只对LED驱动电路供电进行控制,由Q403和Q411为核心组成。开机时,主板送来PS-ON高电平,Q403导通,将Q411的b极电压拉低,Q411导通,开关电源产生的+12.3V电压经Q411输出VIR电压,为驱动控制电路U1供电,背光灯电路启动工作;待机时PS-ON变为低电平,Q403和Q411截止,切断驱动电路U1的VIR供电,背光灯电路停止工作。
 二、维修提示
        长虹HSU25D-2M8 210二合一电源板的开关电源部分发生故障,主要引发开机黑屏,可通过观察待机指示灯是否点亮,测量关键的电压,解除保护的方法进行维修。LED背光灯电路发生故障时,-是背光灯板不工作,所有的LED灯串均不点亮,引发有伴音无光栅的故障;二是背光灯串发生开路、短路故障,造成保护电路启动,引发背光灯亮后熄灭的故障。
 1.保险丝烧断
        测量保险丝F101是否熔断,如果已经熔断,说明开关电源存在严重短路故障,主要对以下电路进行检测。
       (1)检测整流滤波D101~D104、C218、C212是否击穿漏电。
       (2)检查电源开关管Q201是否击穿,如果击穿,进一步检查T101的①-③绕组并接尖峰吸收电路元件是否失效开路;检查U101的②脚外部稳压控制电路的N202、U302,检查U101的④脚外部过流检测电路的R213、C208和R208是否连带损坏。(3)检查T101的次级整流滤波电路或负载电路是否发生严重短路故障。必要时断开输出连接器con201,接假负载对电源电路输出电压进行测量,判断是负载电路故障还是电源电路故障。
 2.保险丝未断
        如果测量保险丝F101未断,说明开关电源不存在严重短路故障,测量电源板有无35V和12.3V电压输出,如果始终无电压输出,主要是开关电源电路未工作,主要对以下电路进行检测。
        (1)测量U101⑤脚有无启动电压,如无,检查⑤脚外部的启动电路和市电过低保护电路是否启动。
    (2)测量U101⑥脚有无激励脉冲输出,无,故障在U101及其外部元件;有,则是MOSFET开关管Q201及其外部电路发生故障。
 3.检测保护电路
        该开关电源电路设有过压、过流等保护电路,当保护电路启动时,开关电源停止工作。当开关电源300V供电和⑧脚启动电压正常,但开关电源不工作或启动后又停止工作,则检测保护电路。注意检测驱动电路①脚外部的市电异常保护和开关电源输出过压保护电路。该脚电压正常时在5V左右,如果高于6V或低于4.5V,均会引发保护电路启动。引发保护的原因有:被检测的电压异常;检测电路取样电路元件发生变质、漏电等故障。
 4.显示屏全部不亮
        LED背光灯串全部不亮,主要检查供电、控制电路等共用电路,也不排除某个背光灯驱动电路短路击穿,造成共用的供电电路发生开路等故障。显示屏始终不亮,伴音、遥控、面板按键控制均正常。此故障主要是LED背光灯电路未工作,需检测以下几个工作条件:
        一是检测背光灯电路的35V、12.3V供电是否正常,不正常,首先检测确定开关电源有无故障;如果开关电源输出电压正常,但U1的⑨脚无供电输入,检查Q403、 Q411组成的开/关机VIR控制电路。35V供电电压不正常,检查35V整流滤波电路。
       二是测量cON201的PS-ON开/关机BL-ON点灯控制电压是否为高电平,PWM DIM调光电压是否正常。不正常,检修主板控制系统相关电路,也可在CON201的⑧脚、⑨脚、10脚与1、2、3脚的12.3V电源供电之间接分压电阻进行分压,获取相应的点灯控制和亮度调整电压;正常,背光灯电路仍不工作,则是背光灯驱动控制和升压输出电路发生故障。通过测量U1的⑦脚是否有激励脉冲输出判断故障范围,无输出则是U1内部电路故障。有输出,升压输出电路仍不工作,则是升压输出电路发生故障,常见为储能电感L402内部绕组短路升压开关管Q401击穿短路、输出滤波电容C401击穿或失效、续流管D401击穿短路等,通过测量电阻可快速判断故障所在。
 5.开机背光灯一闪即灭
       此种情况可能是触发了过压、过流保护电路,需检查过压过流保护电路是否正常,故障出现时,一是测量输出电压是否过高,二是检查过压取样电路元件。 
 
								
