接修一台海信LED32K20JD型液晶彩电,电源板号为 
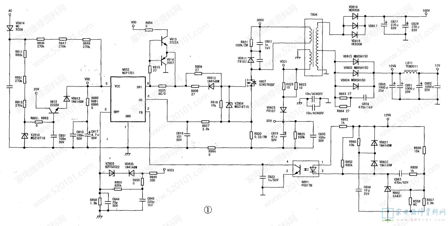
RSAG7.820.5536,故障现象为电源指示灯红蓝灯不停交替闪烁,整机不开机。测电源板输出电压如下:12V输出端(VD815负极)在5V~11V间大幅度波动,VD816负极为37.3V(此处因配不同的屏,所以输出的电压也不一样,图标为100V,其实这款电视待机时应为35V左右,工作时为36V),VD825负极为30V,N852( NCP1251 )的⑤脚VCC在8V~14V间大幅度波动。检查电源板12V电压明显不正常,断开主板也是一样,所以判断故障在电源板。 
 
保护电路:N852(NCP1251)本身自带了多种保护。另外,在开关变压器T804引出一个绕组,与R849、VD835、VZ803等元件组成过压保护电路。当输出电压异常升高时,这个绕组的电压也会升高,经过VD835整流,当该电压超过22V时就会击穿VZ803,致使N852的③脚( OPP/OVR )电压超过3V,N852立刻锁定,电路停振,直到排除故障。N852的④脚( CS )脚通过对电阻R820上的压降进行监控,起到一个电流检测保护功能。
那么从电路的工作过程和实测到的数据我们能得到哪些信息呢?
VD815的负极电压在5V~11V之间波动,VD816负极为37.3V,这说明了N852已振荡但因为某些原因无法维持,并且VD815和VD816后级无明显的短路故障。N852的⑤脚电压在8V~14V之间波动也说明了启动电路已通过R836、R847、R848加到了N852 的⑤脚并对C817充电,当达到N852的启动电压时开始振荡,但由于启动电路无法为N852提供正常工作时所需要的电流,所以当N852工作后此电压马上下降,电路停振,启动电路再次对C817充电,所以N852-直处于启动->停振->启动->停振的状态。
那么,为什么N852的⑤脚电压无法稳定呢?这是因为它正常工作时的电压是由V812、R811、R851、R813、R892、R893和VZ810组成的恒压恒流电路来提供的。V812的b极电压是一个非常重要的电压,正常时这个电压稳定在16V,由于三极管和二极管的特性,在V812的e极应该是15.4V,VD813的负极应该是14.8V左右的正常工作电压,因此通过测量V812的b极电压就能很快判断出故障点。
1.如果b极是正常的16V,e极是15.4V左右,那就是VD813损坏;如果e极电压是随N852的⑤脚电压在变化,说明V812开路性损坏。
2.如果b极的电压随着e极在变化,说明V812的c极开路性损坏(同理,如果R823、R829、VD825这路出现开路,V812的c极没电压,那么V812的b极电压就会随N852的⑤脚电压变化而变化,原因可以自行分析)。
3.V812的b极电压非常低或没有,说明R811、R851、R813、R893、R892有开路或VZ810、C851短路变质了。
 
可能有人会问:V812的c极电压故障时为30V,会不会是这里的电压远高于正常时的20V而造成的某种保护呢?在这里要说明一点,V812的c极电压是因为V812的截止,C819上的电压没有放电回路,而N852间歇状态,开关变压器通过VD825 -直对C819充电直到它的最高电压就形成了故障时的30V。同时,VD816的负极也因为处于轻负载状态,所以电压也是为37V。而12V因为接了主板,负载较重,所以它的电压就随着N852的间歇振荡在5V~11V之间跳变。
小结:其实这篇维修实例是看到网上常有人在没有任何实测数据,就一个故障现象,一个故障图片,甚至是一个电视型号,就问是哪个元件坏了。再看看回复大多都是在瞎猜,毫无章法。我一直在想,查不出故障点心情可以理解,可求助也要有相关的实测数据才行。有了数据大家才能根据这些来分析和判断,才能快速地帮助求助者解决问题。比如上面这个故障实例,测几组电压只用了2~3分钟,分析也就2分钟,焊接那个虚焊点更是只10秒钟的事。整个维修过程有数据、有分析、有结果,有条不紊,这不是远比瞎猜乱蒙更有效吗?
		
		
		在我们分析这些数据之前,先简单介绍一下此电源的主电源部分的工作过程:接通市电后,首先由VD805~VD808整流后在C808、C810,上形成300V的电压。另外,市电通过VD814整流后分成两路:一路由R811、R851、R813、R892和R893加到VZ810(16V稳压管)的负极,得到一个稳定的16V电压加到V812的b极,为N852的正常工作做好准备(实物和电路有一些差别,实物是R892、R983在VZ810的前面);另一路由R836、R847、R848加到N852的⑤脚并对C817充电。当⑤脚的电压达到缓启动的电压后, N852开始振荡,由⑥脚输出PWM波到V807的G极,V807导通,电源起振,开关变压器T804的次级输出电压。T804的一个绕组通过R829、R823及VD825整流得到一个20V的电压加到V812的c极,此时V812导通,从e极输出一个15.4V电压通过VD813加到N852的⑤脚,为N852提供工作电压。相关电路见图1。
  
 
 
 
保护电路:N852(NCP1251)本身自带了多种保护。另外,在开关变压器T804引出一个绕组,与R849、VD835、VZ803等元件组成过压保护电路。当输出电压异常升高时,这个绕组的电压也会升高,经过VD835整流,当该电压超过22V时就会击穿VZ803,致使N852的③脚( OPP/OVR )电压超过3V,N852立刻锁定,电路停振,直到排除故障。N852的④脚( CS )脚通过对电阻R820上的压降进行监控,起到一个电流检测保护功能。
那么从电路的工作过程和实测到的数据我们能得到哪些信息呢?
VD815的负极电压在5V~11V之间波动,VD816负极为37.3V,这说明了N852已振荡但因为某些原因无法维持,并且VD815和VD816后级无明显的短路故障。N852的⑤脚电压在8V~14V之间波动也说明了启动电路已通过R836、R847、R848加到了N852 的⑤脚并对C817充电,当达到N852的启动电压时开始振荡,但由于启动电路无法为N852提供正常工作时所需要的电流,所以当N852工作后此电压马上下降,电路停振,启动电路再次对C817充电,所以N852-直处于启动->停振->启动->停振的状态。
那么,为什么N852的⑤脚电压无法稳定呢?这是因为它正常工作时的电压是由V812、R811、R851、R813、R892、R893和VZ810组成的恒压恒流电路来提供的。V812的b极电压是一个非常重要的电压,正常时这个电压稳定在16V,由于三极管和二极管的特性,在V812的e极应该是15.4V,VD813的负极应该是14.8V左右的正常工作电压,因此通过测量V812的b极电压就能很快判断出故障点。
1.如果b极是正常的16V,e极是15.4V左右,那就是VD813损坏;如果e极电压是随N852的⑤脚电压在变化,说明V812开路性损坏。
2.如果b极的电压随着e极在变化,说明V812的c极开路性损坏(同理,如果R823、R829、VD825这路出现开路,V812的c极没电压,那么V812的b极电压就会随N852的⑤脚电压变化而变化,原因可以自行分析)。
3.V812的b极电压非常低或没有,说明R811、R851、R813、R893、R892有开路或VZ810、C851短路变质了。
实测V812的b极电压为0V并且对地无短路,再向前测R893和R892的电压,当测到R892的一个脚时12V突然正常,仔细观察R892(实为0Ω电阻,作用相当于跨线,见图2)出厂时有一个脚没焊上锡,时间长了造成了一个脚虚焊,V812的b极和VZ810负极没电压,所以V812截止,无法为N852提供正常的工作电压,造成12V一直在5V~11V之间跳变, 主板因供电不对工作错乱出现了指示灯红蓝交替闪烁整机不开机的故障。
  
 
可能有人会问:V812的c极电压故障时为30V,会不会是这里的电压远高于正常时的20V而造成的某种保护呢?在这里要说明一点,V812的c极电压是因为V812的截止,C819上的电压没有放电回路,而N852间歇状态,开关变压器通过VD825 -直对C819充电直到它的最高电压就形成了故障时的30V。同时,VD816的负极也因为处于轻负载状态,所以电压也是为37V。而12V因为接了主板,负载较重,所以它的电压就随着N852的间歇振荡在5V~11V之间跳变。
小结:其实这篇维修实例是看到网上常有人在没有任何实测数据,就一个故障现象,一个故障图片,甚至是一个电视型号,就问是哪个元件坏了。再看看回复大多都是在瞎猜,毫无章法。我一直在想,查不出故障点心情可以理解,可求助也要有相关的实测数据才行。有了数据大家才能根据这些来分析和判断,才能快速地帮助求助者解决问题。比如上面这个故障实例,测几组电压只用了2~3分钟,分析也就2分钟,焊接那个虚焊点更是只10秒钟的事。整个维修过程有数据、有分析、有结果,有条不紊,这不是远比瞎猜乱蒙更有效吗?
			版权声明:本文为转载文章,版权归原作者所有,欢迎分享本文,转载请保留出处!
			
		
		
		
		
		
		
	