海信TLM32V86K液晶电视背光电路保护的故障维修

2022-02-11 04:04:35  阅读 1282 次 评论 0 条
摘要:

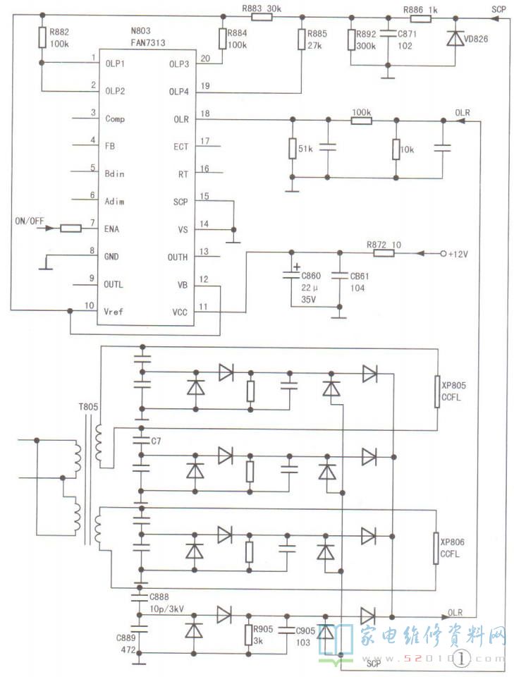
接修一台海信TLM32V86K型液晶彩电,开机后背光一亮即灭。上电,测量输出的各组电压均正常,怀疑故障系背光电路保护所致。该机背光驱动芯片采用FAN7313(N803),如图1所示。测N803 7脚(使能

      接修一台海信TLM32V86K型液晶彩电,开机后背光一亮即灭。上电,测量输出的各组电压均正常,怀疑故障系背光电路保护所致。该机背光驱动芯片采用FAN7313(N803),如图1所示。测N803  7脚(使能端)电压一直为高电平,说明主板已送出点灯信号。N803的1、2、19、20脚为灯管断路保护端,当某脚电压低于1V时,N803进入保护状态。N803的18脚为高压检测端,当该脚电压高于2V时,N803进入保护状态。实测上述引脚电压,发现19脚电压约为0V ,明显异常。检查19脚外围电路,发现贴片电容C871漏电,换新后试机,故障排除,此时测得N803 19脚电压约为4V。

海信TLM32V86K液晶电视背光电路保护的故障维修 第1张

版权声明:本文为转载文章,版权归原作者所有,欢迎分享本文,转载请保留出处!