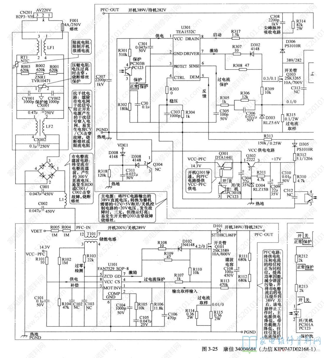
康佳液晶彩电采用的力信KIP0747D02168-1二合一电源板编号为34004684,开关电源部分集成电路采用FAN7529 SOP-8(U101) + TEA1532C组合方案;逆变器部分集成电路采用OZ964SN。该电源板主要应用于康佳LC26AS12、LC26CS20、 LC26DT08、LC26ES20、 LC26ES26、 LC26ES30等液晶彩电中。康佳34004684 ( 力信KIPO747D02168-1)二合一电源板实物图解如图1所示。它由开关电源和背光灯逆变器两部分电路组成,其中开关电源部分电路组成框图如图2所示。
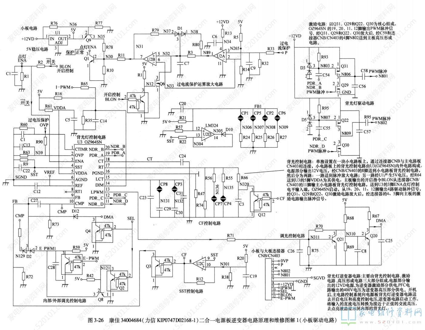
开关电源部分由两个单元电路组成: 一是以驱动控制电路FAN7529 SOP-8 (U101) 和开关管Q101为核心组成的PFC电路;二是以驱动控制电路TEA1532C ( U301)和开关管Q303为核心组成的主开关电源,为负载电路提供+12VD和5VDC电压。背光灯逆变器部分主要由背光控制电路、激励电路、桥式输出高压形成电路三大部分组成。
该电源板的特点是没有独立的副电源,由主电源提供控制系统的5V电压。待机采用控制PFC电路FAN7529 SOP-8的VCC供电和主电源输出的12VD供电的方式。待机状态下PFC电路停止工作,主电源工作于窄脉冲状态,12VD供电被切断,只有5VDC电压输出为主板控制系统供电。
接通电源后,主电源电路TEA1532C启动工作,产生5VDC电压,为主板控制系统提供+5V电压,控制系统工作后为电源板送入PWR-ON开机控制电压,待机控制电路动作,一是将主电源输出的vCC电压,经待机控制电路为FAN7529 SOP-8提供VCC-PCF工作电压,PFC 电路启动工作,将市电整流滤波后的PFC-IN电压校正后提升到约389V,产生PFC-OUT电压,为主副电源供电,主电源工作于宽脉冲状态,输出功率提升;二是将主电源输出的12V电压经待机控制和稳压后输出,为主电路板和背光灯逆变器提供+ 12V电源,整机进人开机收看状态。
二次开机后, 电源部分输出的12VD电源,为逆变器激励部分供电, 开关电源PFC电路输出的400V电压为逆变器的高压部分供电。开机后,主电路控制系统向背光灯逆变器电路送去开启电压和亮度控制电压,逆变器电路启动工作,02964SN从 19、20、11、12 脚输出PWM脉冲信号,经Q31、Q29 和Q22、Q30为核心构成完全相同的两通道激励电路放大后,经C58和连接器CNB/CN403的5脚N801送到主板高压形成电路输入变压器T401、T402的一次侧,二次侧产生的激励脉冲推动全桥式输出电路0401、Q404和0403、Q402交替导通和截止,在全桥电路驱动下,变压器T403输出标识为LEG1-1、LEG1-2 的PWM脉冲,以此推动输出端的4只升压变压器T404 ~T407,升压后通过输出连接器CN3 ~ CN6为4只灯管供电。
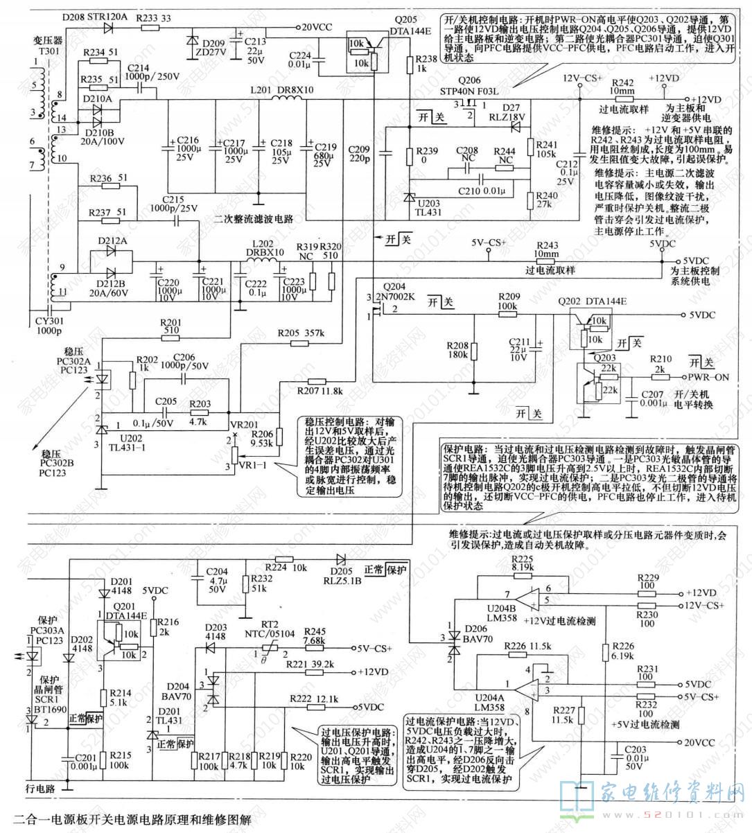
该电源板在开关电源的二次侧设有以晶闸管SCR1和检测电路U204、U201、Q201为核心的过电流、过电压保护电路。TEAI532C 的3脚为专用保护检测端,该脚电压正常时为低电平。保护电路启动时,晶闸管SCR1被触发导通,通过光耦合器PC303向驱动控制电路TEA1532C的3脚送人高电平,TEA1532C内部保护电路启动,切断7脚的输出脉冲,主开关电源停止工作,实现保护。该电源板在逆变器电路设有过电压保护、电流平衡保护和供电欠电压保护电路,发生过电压、电流失衡和欠电压供电故障时,保护电路启动,停止输出激励脉冲。
该二合一电源板开关电源部分采用的集成电路引脚功能和参考电压见表1、表2; 逆变器部分采用的集成电路OZ964SN引脚功能和对地电压见表3;逆变器驱动小电路板与大电路板之间的连接器CNB/CN403引脚功能和对地电压见表4;桥式输出电路Q401 ~ Q404对地电压见表5。
康佳34004684 (力信KIP0747D02168-1)二合一电源板开关电源部分引起的故障主要有三种:一是指示灯不亮,多为电源部分不工作;二是指示灯亮,无图无声,主要是电源+ 12V供电电路故障:三是自动关机,主要是电源板保护电路启动。
1.PFC电路维修
如果C108的正端PFC-OUT电压降为300V左右,则是PFC电路出现故障。首先测量FAN7529 sOP-8的8脚有无VCC工作电压。如果无VCC工作电压,则检查FAN7529 SOP-8的8脚外部供电电路0301、PC301 和开关机控制电路。然后测量FAN7529 SOP-8的7脚有无驱动脉冲输出。如果有驱动脉冲输出,则检查7脚外部元器件和大功率MOSFET是否开路失效;如果无驱动脉冲输出,则是FAN7529 SO P-8 损坏或保护电路启动。
2.主电源电路维修
测电源板5VDC电压是否正常,如果无电压输出,则是电源部分故障;如果有电压输出,则是开关机控制电路或连接器故障。维修时,首先检查熔丝FOO1和限流防浪涌电阻RT1是否烧断,如果F001或RT1之一烧断,说明电源部分有严重短路故障。如果熔丝未断,检查MOSFET是否损坏,控制驱动电路REAI532C的各脚电压及外部元器件是否正常,检查二次整流滤波电路是否发生短路漏电故障,造成主电源过电流保护停止工作。在实际维修过程中,若屡损主开关电源开关管Q303,应检查漏极外部尖峰脉冲吸收电路的D306、C308、R314、 C313和源极电阻R315、D303。
如果电源输出的5VDC电压正常,且整流滤波后Q206的漏极12V正常,而无+12VD电压输出,故障在待机控制电路,-是检查由Q203、Q202组成的控制电压放大电路;二是检查由Q204、Q205、 Q206组成的12V输出电压控制电路。
3.保护电路维修
测量保护电路的SCR1的门极电压,如果由正常时的0V变为0.7V以上,则是以SCR1为核心的保护电路启动。如果D202的正极电压为高电平,则是过电流保护检测电路引起的保护;如果Q201的集电极电压为高电平,则是过电压保护检测电路引起的保护。确定保护之后,可采取解除保护的方法,确定故障部位。全部解除保护:将SCR1的门极对地短路,也可将SCR1拆除。逐路解除保护:断开D202开机不再保护,则是过电流保护电路引起的保护,否则是过电压保护电路引起的保护。
康佳34004684 (力信KIP0747D02168-1)二合一电源板逆变器部分发生故障时,引起背光灯不亮或亮后熄灭故障,维修时可参照以下方法进行。
1.测量逆变器工作条件
当逆变器不工作时,首先测量逆变器的工作条件。为了测量方便,可通过测量相关连接器CN8/CN403引脚电压判断故障范围是测量8脚的+ 12VD供电是否正常;是测量11脚的BLON逆变器开启电压是否正常;三是测量9脚的1-PWM调光电压是否正常。如果+ 12VD供电不正常,检查电源板供电电路;如果BLON和I-PWM电压不正常,检查控制系统电路。
2. 检测逆变器电路
首先测量连接器CNB/CN403的4脚N802和5脚N801有无脉冲电压输出,有条件的测量其输出波形有无和是否正常,如果连接器CNB/CN403的4脚N802和5脚N801无脉冲电压输出,故障在小电路板上,否则故障在逆变器高压形成电路中。如果连接器CNB/CN403的4脚和5脚无脉冲电压,可测量背光灯控制电路0Z964SN的11、12、19、20脚是否有激励脉冲输出,无激励脉冲输出,故障在背光灯控制电路,重点检查0Z964SN及其外部电路,将检测数据与表3的数据进行比对,判断故障所在,外围元器件正常时更换02964SN;如果4脚和5脚有脉冲输出,重点检查激励电路031、Q29、 Q22、 Q30。
3.测量关键器件电压
逆变器上的复合MOSFET (开关管) Q401 ~ Q404和升压变压器T404 ~ T407,工作于高电压、大电流状态,是容易损坏的器件。维修时可通过测量其对地电压,判断其好坏。Q401~Q404的对地电压见表3-20,供维修时参考。
4. 保护电路维修
如果开机的瞬间, 有伴音,显示屏亮一下 就灭,则是逆变器保护电路启动所致。如果背光灯灯管亮后马上就灭,则是过电流保护所致;如果灯管亮1s后才灭,则是过电压保护所致。逆变器过电压保护电路主要对0Z964SN的2脚电压进行控制,2脚电压正常时为1V以下;电流平衡3脚电压进行控制,3脚电压正常时为2.5V。由于0Z964SN的2脚过电压保护电压来自连接器CNB/CN403的1脚,0Z964SN 的3脚外部U2运算放大器的保护电压P来自连接器CNB/CN403的2脚。检修时,可在开机后保护前的瞬间测量连接器CNB/CN403的1、2脚电压判断是哪种保护电路启动。如果连接器CNB/CN403的1脚过电压保护电压为高电平,则是高压过电压保护电路启动;如果连接器CNB/CN403的2脚P电压为高电平,则是电流平衡保护电路启动;如果连接器CNB/CN403的1、2脚电压均为低电平,则是+ 12VD电压过低保护电路启动。
确定保护之后, 可采解除保护的方法,开机观察故障现象,测量关键点电压,确定故障部位。 对于过电压保护电路,是将连接器CNB/CN403二是断开0Z964SN的2脚与各路保护检测电路的连接电阻R90;三是在2脚与地线之间跨界短路线和1002以下电阻,将2脚电压拉低。对于灯管电流平衡保护电路,一是将连接器CNB/CN403的2脚对地短路;二是将Q1的基极接地,将保护触发电压短路。对于供电欠电压保护电路,将R78断开。
康佳34004684 (力信KIP0747D02168-1电源板开关电源电路原理和维修图解如图3所示;背光灯逆变器电路原理和维修图解如图4、图5所示。




