康佳液晶彩电采用的台达DPS-220QP电源板,编号为34003574,采用DLA0O1 + ICE3B1065 +uCC28051组合方案,应用于康佳LC37AS28等液晶彩电中。34004564、34006803电源板与其相似,可参考代换使用。该电源板在长虹和其他液晶彩电中应用时,连接器的引脚接线不同,只要将电源板与主电路板的连接器接线对号入座连接,即可正常代换。
康佳34003574 (台达DPS-220QP)电源板实物图解如图1所示;电路组成框图如图2所示。
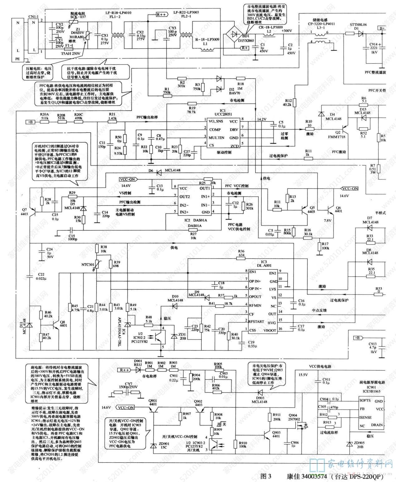
该电源分为三部分: 一是以驱动控制厚膜电路ICE3B1065 (IC901) 为核心组成的副电源,为主板微处理器控制系统供电;二是以驱动控制电路UCC28051 (IC1) 和大功率MOSFET (开关管) Q1、Q9为核心组成的PFC电路;三是以驱动控制电路DLA001 (IC3) 和大功率MOSFET (开关管) Q3、04 组成的主开关电源,向负载电路提供+24V和+ 12V电源。
开关机采用控制PFC电路IC1和主开关电源IC3驱动电路供电的方式。通电后副电源首先启动工作,产生+5VSB电压和15.5V的vCC电压,为主电路板微处理器控制系统提供+5V的工作电压。遥控开机后,开关机控制电路控制Q902导通,将副电源的vCC-ON电压送到副电源PFC电路驱动控制电路UCC28051, PFC电路工作后输出的PFC约+ 380V电压,不仅为主电源供电,还为开关机控制电路IC2的6脚送去识别电压,IC2 控制Q7为主电源驱动控制电路DLA001提供VS电压,主开关电源启动工作,向主电路板负载电路提供+24V和+ 12V两种电压,进人开机状态。
康佳34003574 (台达DPS-220QP)电源板,设有以晶闸管Q603为核心的过电流、过电压保护电路,外接以运算放大器LM224ADT ( IC601)为核心组成的过电流保护电路和以稳压管ZD605、ZD602 为核心组成的过电压保护电路,当开关电源发生过电流、过电压故障时,过电流、过电压保护电路向Q603的门极送人高电平保护触发电压,晶闸管被触发导通,保护电路启动,与待机控制一样,切断UCC28051、DLAOO1的VCC-ON供电,主电源停止工作。
该电源板的集成电路引脚功能和对地电压见表1~表2;保护电路LM224ADT(IC601)和DAS01A (IC2)引脚功能和对地电压见表3、表4。
康佳34003574 (台达DPS-220QP)电源板的“热地”和“冷地”在PCB ( 印制电路板)上 相互交错,测量电压时一定要区分开来。脱板维修时,用(1 ~ 10)k的电阻跨接在连接器的+ 5VSB和PS-ON引脚,如果所有电源都有输出,说明电源板正常,否则是电源板故障。
1.指示灯不亮
指示灯不亮,故障在副电源。先查300V供电,如果无300V供电,熔丝熔断,查抗干扰电路、整流滤波电路以及PFC电路和主电源MOSFET是否有故障;再查厚膜电路IC901,如果IC901击穿,应注意检测T901一次绕组并联的尖峰脉冲吸收电路元器件ZD902、D904 是否开路失效,避免造成二次击穿Ic901。副电源二次整流滤波电路整流管、滤波电容发生短路、击穿故障,也会引起副电源过电流保护,停止工作,无电压输出。
2.指示灯亮
指示灯亮,但电源板无+12V和+24V输出,故障在主电源。先确定是否进人二次开机状态,检查IC1的8脚、IC3的12脚VCC供电是否正常。如果无vCC供电,测量Q901的发射极无VCC-ON电压输出,检查开关机控制电路Q605、Q604、 光耦合器IC903和Q902、Q901; 如果vCC-ON电压正常,但IC1的8脚无14.2V供电,查IC2和Q5、Q6组成的市电检测和VCC控制电路;如果VCC-ON电压正常,但IC3的12脚无13.4V供电,查IC2和Q7组成的PFC输出电压检测和vCC控制电路。如果VCC供电正常,则查IC3的11、15脚有无激励脉冲输出,无激励脉冲输出,检查IC3及其外部电路;有激励脉冲输出,检查03、04 半桥式输出电路。
3.自动关机
电源板开机瞬间有24V、12V 输出,然后降为0V,说明保护电路启动。晶闸管Q603的门极电压正常时为0V,如果变为0.7V以上,则是以晶闸管为核心的保护电路启动。可采取解除保护的方法,确定故障部位。建议先接假负载测量开关电源输出电压,在输出电压正常时,再连接负载电路。全部解除保护:将Q603的门极对地短路,也可将晶闸管电路与D602正极之间断开。逐路解除保护:逐个断开隔离二极管D603、D605-1、 D605-2、 D608, 如果断开哪路保护检测电路的隔离二极管后,开机不再保护,则是该路保护检测电路引起的保护。康佳34003574 ( 台达DPS-220QP)电源板电路原理和维修图解如图3所示。

