海信RSAG7. 820. 1585二合一电源板,应用于海信MST7机心TLM19V68等19in液晶彩电中。MS17机心采用的电源板还有RSAG7. 820. 1032、RSAG7. 820. 1569、 RSAG7. 820. 1646等型号,其中RSAG7. 820. 1569电源板应用在22in电视机中,而RSAG7. 820. 1032、RSAG7. 820. 1646电源板应用在26英寸电视机中。
上述电源板应用于海信TLM19V09X、TLM19V68 、TLM19V68X、TLM19V88、TLM19V88X、 TLM22V88 、TLM22V88X、TLM26P69DX、TLM26V68、TLM26V68X家电下乡液晶彩电和TLMI9V09、TLMI9V66、 TLM22V66 、TLM26P69D等非家电下乡液晶彩电中。本节介绍TLM19V68机型应用的RSAG7. 820. 1585二合一电源板的速修资料和维修图解。
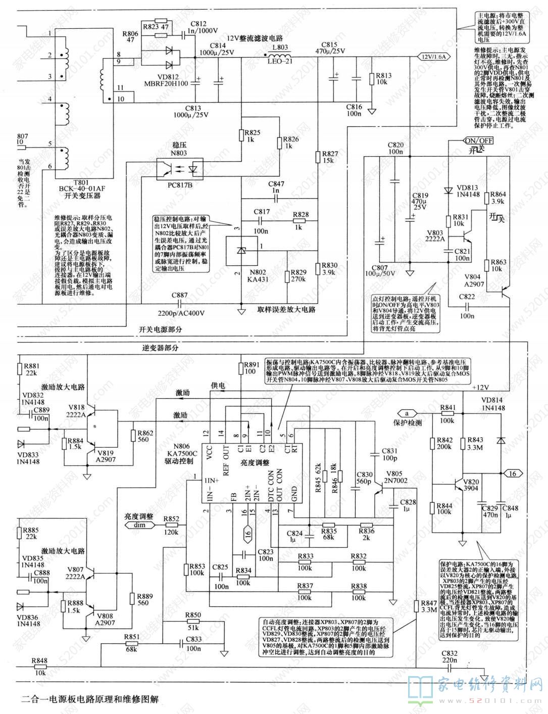
海信RSAG7. 820. 1585二合一电源板采用IP整合方式,即将逆变器电路整合在电源板上。该电源板实物图解如图1所示;电路组成框图如图2所示。
其中开关电源电路采用反激式方式,由驱动控制电路IC801 ( SG6859ADZ)、激励电路V813、V814、大功率MOSFET (开关管) v801、 开关变压器T801和稳压控制电路等组成,产生12V/1. 6A电压,给主板及逆变器电路供电。逆变器电路由驱动控制电路KA7500C(N806)、复合MOSFET(开关管)AO4616(N804、N805)、升压变压器T802等组成,采用互补全桥架构,输出两路750V交流高压,经连接器XP803、XP807 驱动两个CCFL背光灯管。电源板上的开关机控制电路只对逆变器电路的开启进行控制,开机时控制系统的ON/OFF高电平经XP805的4脚送人电源板,使V803、V804 导通,将开关电源部分输出的12V电压送给逆变器电路,背光灯亮度(dim) 调整电压通过连接器XP805的3脚送人电源板;电源电路的12V/1. 6A电压直接送到互补全桥电路N804、N805 的3脚,逆变器电路启动工作,将背光灯点亮。
海信RSAG7. 820. 1585二合一电源板设有完善的过电压、过电流保护电路,当开关电源或逆变器发生故障时,保护电路启动。该电源板的集成电路引脚功能见表1、表2。
海信RSAG7.820. 1585二合一电源板引起的故障主要有两种:一是指示灯不亮,多为电源部分故障;二是有声无光,则是背光灯逆变器故障。为了区分是电源板故障还是主电路板故障,拔掉与主电路板的连接器XP805,将电源板拆下,在XP806的5、6脚12V/1. 6A输出端接假负载,并用电阻跨接在XP806的5、6脚和4脚之间,为电源板提供ON/OFF点灯启动电压,然后通电对电源板进行维修。
1.熔丝熔断
测量AC220V输人电路的熔丝F801和限流防浪涌电阻RI801是否烧断,如果F801或RI801之一烧断,说明电源部分有严重短路故障,首先排除电源短路漏电故障,一是检查抗干扰电路的电容C801、C803、C804 是否击穿短路;二是检查市电整流滤波电路VD801 ~ VD804、C810 是否击穿短路;三是检查开关电源的MOSFET (开关管) V801 是否击穿。如果V801击穿,还要排除V801的击穿原因,避免更换v801后再次损坏。造成V801击穿的原因有: 一是V801的漏极外接的VD806、C806、 R804组成的尖峰脉冲吸收电路发生开路故障,失去尖峰脉冲吸收作用,将V801击穿;二是N801的7脚外部的取样误差放大电路发生开路、失效、变质故障,造成开关电源输出电压升高,将V801击穿;三是V801的栅极电路元器件发生故障,造成V801激励不足,过损耗损坏。
2.熔丝未断
如果熔丝未断,则故障在开关电源电路。首先测量大电容C810两端的300V左右电压是否正常,无300V电压,则是市电输人电路或整流滤波电路发生开路故障;如果300V电压正常,则测量N801的2脚有无9~ 15V启动电压。如果2脚无启动电压,检查2脚外部的R808 ~ R810启动电路是否开路;如果2脚有启动电压,测量N801的1脚有无激励脉冲输出,如果其值是变动的0~3V,说明N801工作正常;如果无激励脉冲输出,则是以N801为核心的振荡控制电路发生故障,否则是N801的1脚外部的开关管V813、V814、V801发生故障。如果N801发生故障,则主要检测N801的各脚电压和外围元器件是否正常,外围元器件正常时更换N801逆变器电路发生故障时,主要引起有伴音,显示屏不亮或亮后熄灭的故障。前者为逆变器电路基本电路发生故障所致,后者为逆变器保护电路启动所致,维修提示如下:
1. 测量逆变器工作条件
首先测量电源板与主电路板之间的连接器XP805的4脚ON/OFF点灯控制电压和3脚亮度(dim) 调整电压是否正常,如果不正常,故障在主控板电路;如果正常,故障在逆变器电路。
2.检测逆变电路
测量背光灯控制电路N806的8、10脚是否有激励脉冲输出,如果无激励脉冲输出,故障在N806电路,重点检查N806及其外部电路,测量N806的各脚电压,判断故障所在,外围元器件正常时更换N806;如果有激励脉冲输出,重点检查激励电路V807、V808、 V818、V819和高压形成电路N804、N805、T802。如果N804、N805损坏,务必用万用表检测V807、V808、 V818、 V819 是否连带损坏,避免更换N804、N805后再次损坏。
3.检查保护电路
如果发生背光灯亮一下,然后熄灭故障,则是逆变器保护电路启动引起。引起保护电路启动的原因:一是灯管开路、高压插座不良或输出高压线没有插好;二是开关变压器T802二次绕组发生短路、接触不良故障。如果测量N806的16脚电压大于3V,检查以V820为核心的保护电路,二极管VD814是否短路等; 如果N806的4脚电压大于3V,检查电阻R835、R836 是否焊接不良。
海信RSAG7.820.1585二合一电源板电路原理和维修图解如图3所示。

