海信MST9机心液晶彩电采用的RSAG7. 820. 1585 电源板,将电源电路与背光灯逆变器合并在-一起,叫做LIPS电源。型号为RSAG7. 820.1646和RSAG7. 820.1977的电源板,其电路结构和输出电压与RSAG7. 820.1585电源板基本相同,可互相代换使用。海信RSAG7. 820.1585二合一电源板应用于海信TLM26P69DX、TLM22V08 、TLM22V68 、TLM22V68X、 TLM26E29 、TLM26E29X、 TLM26E58、 TLM26E58X、TLM26V68、TLM26V68X 、TLM3207AX、 TLM32E29X 等液晶彩电中。
海信RSAG7. 820.1235二合一电源板实物图解如图1所示;电路组成框图如图2所示。
该电源板由电源电路和逆变器两大部分组成。其中电源部分--是以集成电路FAN7530(N802)为核心组成的PFC电路,将整流滤波后的市电校正后提升到+380V为主开关电源供电;二是以集成电路FAN7602B (N801) 为核心组成的主电源,待机时为主电路板控制系统提供5VS电压,开机后为主板提供+5V、 +12V电压。逆变器部分一是以FAN7313 ( N803) 为核心组成的振荡与控制电路,输出激励脉冲;二是以FAN7382 (N804) 为核心组成的激励脉冲放大电路,推动半桥式输出升压电路,产生约1600V/7. 5mA高压交流电,点亮屏上的灯管。
待机采用控制+12V和+5V输出电压和PFC电路vCC供电的方式。接通市电电源后主电源首先工作,产生VCC和+5V-S电压,其中+5V-S电压为控制系统提供电源,二次开机后,开关机控制电路-一是将VCC电压送到PFC驱动电路,PFC 电路启动工作;二是将主电源二次侧产生的+12V和+5V电压输出,为主板和电源板上的逆变器电路提供电压,进人开机状态。
开机时,电源电路冷地端输出的12V电源经R871、R871 降压,C860、 C861退耦滤波后变为VCC1电压送到逆变器控制电路N803的11脚。ON/OFF点灯控制高电平,通过R880送人N803的7脚ENA使能控制端;亮度控制IPWN电压经R873加到N803的5脚。N803启动工作,内部振荡电路启动,从13、9脚输出激励脉冲电压,经推动变压器T802耦合,送到N804的2、3脚,经N804放大后,从7、5脚输出,激励MOSFET (开关管) V803、 V804 交替导通,在输出变压器T803产生感应电压,其二次感应电压送到升压变压器T804~ T807的一次侧经变压器升压后,从二次高压绕组产生交流高压,将背光灯灯管点亮。
海信MST9机心液晶彩电RSAG7.820.1235二合-一电源板在电源部分除了在PFC电路和PWM电源电路设有开关管过电流保护电路外,在主电源输出电路设有过电压保护电路;背光灯逆变器部分在灯管回路设有过电压、过电流保护电路。当开关电源或逆变器发生故障时,保护电路启动。
该电源板的集成电路引脚功能和对地电压见表1~表2。
海信RSAG7. 820. 1235二合一电源板引起的故障主要有三种: 一是指示灯不亮,多为电源部分故障;二是指示灯亮,无图无声,主要是电源+12V、+5V 供电电路故障;三是有声无光,则是背光灯逆变器故障。
如果发生指示灯不亮故障,故障范围在电源部分,可首先确认元器件没有虚焊及连焊。如开机异常,开机测量输出端XP802 的10、11脚5V-S是否有5V电压输出,判断故障范围。
1.测量电源板输出5V电压
开机测量输出端XP802的10、11 脚5V .S是否有5V电压输出,若有5V电压输出,则检测待机控制电路电压;若没有5V电压输出,则测量主电源电压。
2.测量主电源电压
测量C810 (450V 大电解电容)两端电压是否在300V左右( 交流220V输入),若没有,测量前面是否有交流输人或熔丝是否熔断,若有,则测量集成电路N801的1脚电压是否大于2V。若大于2V,说明正常;若小于2V,则说明输入交流电有问题。然后,测量N801的6脚电压,正常应该在12 ~18V。若都正常,测量光耦合器N805电路的R835之间是否有反馈电压差。若有反馈电压差,说明变压器二次侧有反馈,检查后面的5V-S电压是否过电压保护,保护电路是稳压二极管VZ806;若没有反馈电压差,则检查二次取样误差放大电路N808是否正常。
3.测量待机控制电路电压
将输出端子XP802的12脚STB接5V电压,看+12V是否有12V电压。若没有,则测量晶体管V817是否损坏;若有,则测量电解电容C841是否有14V电压。若没有14V电压,测量VD820或R850是否损坏;若有14V电压,测量V817是否有问题。注意:此处有12V过电压保护电路VZ807,若此处过电压,一般是V812击穿,则输出电压波动不稳。若+12V有12V电压,则测量+5V电压是否正常,若没有+5V电压,则检查晶体管V813是否损坏。注意:此处+12V控制+5V的输出,只有+12V输出正常,+5V 才能正常工作。测量450V大电解电容两端电压是否在360V以上,该机正常值为380V,如果该电压为300V左右,说明PFC电路未工作,则检查C830电压是否正常,正常应该在12 ~18V。若C830没有12 ~ 18V电压,则检查VCC控制电路的VZ802、V805 是否正常,或检查V814是否导通。
4. 无5V-S、5V~M、12V输出检测
首先测量电源电路有无元器件损坏,若没有,则测量集成电路N801的1脚电压是否大于2V。若大于2V,说明电路正常;若小于2V,则说明输人交流电有问题或者是电容C820漏电或损坏。假如在以上均正常的情况下,还是没有输出。此时,可以将二次侧的小滤波电感L804和I805去掉,直接测量电容C843和C849,空载时C843两端电压为14~17V,C849 两端电压约为5.2V。若两电容电压符合上述数值,则应该是I804和1805后面的电路有问题。根据以往的经验,一般电容C853损坏的情况比较多。假如5V输出正常,而12V没有输出,- -般是V812损坏。逆变器电路发生故障时,主要引起有伴音,显示屏不亮或亮后熄灭的故障。前者为逆变器电路基本电路发生故障所致,后者为逆变器保护电路启动所致,维修提示如下:
1.检测逆变器振荡控制电路
将输出排插XP802的5、6脚接5V电压,若逆变器输出有问题,先检查C860电压是否为4.5 ~ 18V,以及芯片N803的10脚电压是否为6V。然后检测N803关键引脚电压:检查N803的7脚电压是否大于2V,此处大于2V,芯片开始工作; N803 的1、2、19、20脚电压要求大于1V,7脚大于2V,10脚是基准电压6V,18 脚电压要求小于2V。如果过电流、过电压保护电路动作,一是背光灯管发生开路、漏电故障;二是升压变压器内部发生局部短路故障,可通过感应电压法,检测升压变压器T804 ~ T807的感应电压,并进行对比,找出电压异常的高压输出电路,对相关的升压变压器和灯管进行检查和更换。
2.检测激励升压电路
若经过以上检测没有问题,则检查驱动变压器T802及芯片N804是否有问题,测量T802是否有输入或输出脉冲电压。T802有脉冲电压输人,则是激励升压电路故障,一是检测激励升压电路N804是否正常;二是检测V803、 V804是否击穿、失效。
3.逆变器无高压输出检测
根据故障现象,可分为以下三种情况。1)一开机就没有输出。应该是开机瞬间的电压过高,可以将电源板上的电阻R890去掉,将电阻R889改为0Ω。假如还是没有输出,应该按照维修步骤,检修电路中的故障元器件。-般此种情况下,损坏比较多的元器件为电容C900 ~ C903。2)开机出现海信的LOCO字符,屏暗。这时,可以将电阻R886去掉,看是否可以开机。一般情况下,都可以正常开机,这时需要找出是哪一路元器件损坏,可以用万用表依次测量VZ808 ~ VZ811各点的电压。假如有一路电压低于1V,则说明此路有元器件损坏。举例说明,假如VZ808的电压低于1V,此时出现故障的元器件一般是 C877和VD829等。3)节能状态下屏闪。重点检查以下三方面:一是MOSFET V803和V804是否损坏;二是电容C869和电阻R888是否有故障;三是FAN7313是否有故障。
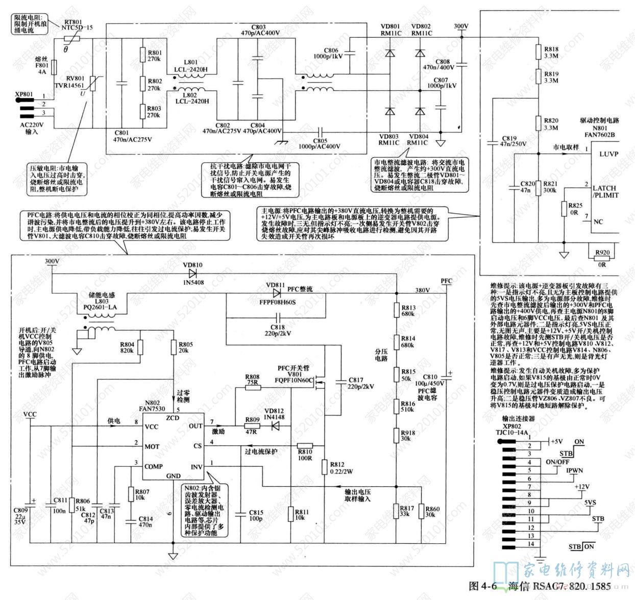
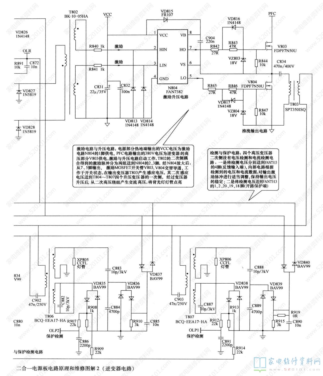
海信RSAG7.820.1585二合一电源板电路原理和维修图解如图3和图4所示。



