用巧改电路方法排除康佳LED32RS200PDE液晶电视热机关机故障

2022-08-25 18:31:31  阅读 968 次 评论 0 条
摘要:

康佳LED32RS20OPDE液晶彩电有这样一个通病现象:遥控开/关机正常,但手动开/关机(即接通/断开电源开关)时,冷开机正常,热机时异常:若关机后短时间(约5分钟)内再次接通电源开关,面板指示灯不亮,

       康佳LED32RS20OPDE液晶彩电有这样一个通病现象:遥控开/关机正常,但手动开/关机(即接通/断开电源开关)时,冷开机正常,热机时异常:若关机后短时间(约5分钟)内再次接通电源开关,面板指示灯不亮,电视不开机;若长时间(超过5分钟)关机后再开机,一切正常。

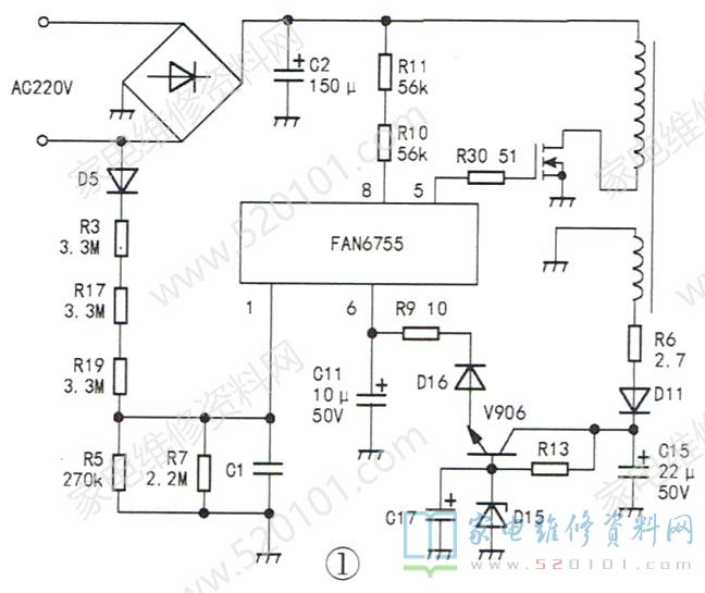
       该机电源芯片采用FAN6755,次级输出12V和100V(待机时为60V )两组电压,前者供给主板,后者供给背光板。上电后,220V交流电经过整流滤波后输出300V直流电压,一路通过R10、R11加到FAN6755的⑧脚,作为芯片的启动电压,如图1所示。

用巧改电路方法排除康佳LED32RS200PDE液晶电视热机关机故障 第1张

       该电压经芯片内部的恒流源给芯片⑥脚(VDD )外接电容C11充电,当C11上的电压达到16V时,芯片启动工作,从⑤脚输出驱动脉冲。开关电源正常启动后,开关变压器辅助绕组的感应电压经D11整流、C15滤波,由V906、D15、R13组成的电路稳压成17.5V,给芯片的⑥脚供电,这时芯片⑧脚内部的恒流源自动停止工作。FAN6755的①脚为市电电压过低保护检测端,分接R3、R17、R19等取样电阻。当该脚电压低于0.7V时,芯片停止工作;当该脚电压大于5.3V时,芯片进入保护状态。

       在故障出现时,反复开/关机一直无法开机,这时测得开关电源的两组输出电压均为0V,芯片⑥脚电压在6V~8V之间波动,这说明芯片未启动。检测发现,关机后只要300V滤波电容两端电压低于15V,这时上电就能开机成功。经过测试, 300V滤波电容的放电时间约为5分钟,这与故障现象基本吻合。分析认为,该故障的原因如下:

        断电后,由于C2两端的高电压要维持较长一段时间,在此期间,该高电压仍然通过R11.R10给芯片⑧脚供电,⑧脚内部恒流源工作,给C11充电,然而此时芯片①脚电压为0V,芯片处于市电电压过低保护状态,因此芯片不会启动工作(⑥脚电压在6V~8V之间波动)。若在此期间再次接通电源,由于芯片的⑧脚电压较高(高于10V),芯片内部的恒流源还处于工作状态,则芯片启动失败,开关电源不工作。

        综上所述,若能让芯片⑧脚电压在关机后迅速降至10V,就能顺利启动开关电源,决定改动芯片⑧脚的供电电源一试。将R11上端(原接300V )改接到D5的负极后试机,只要关机时间大于5s就可再次正常开机,这已能满足日常使用要求。

版权声明:本文为转载文章,版权归原作者所有,欢迎分享本文,转载请保留出处!