康佳34006395 ( KPS180-02)电源板集成电路采用FSQ0265R+FAN7530+FSFR1700SIP组合方案。该电源电路共输出三路工作电压: 5VSB为控制系统提供待机电压,+12V和+24V为主电路板和背光灯逆变器板供电。该电源板应用于康佳LC32DS60C、LC32FS81B、 LC32TFS82C、LC32GS80C、 LC32TS86B 、LC32TS86C、LC32TS86N, LC37DT08C、 LC37FS81AB、 LC37GS80B、 LC37GS80C、 LC37CS82B、LC37GS82C等液晶彩电中。康佳34006395 ( KPS180-02)电源板实物图解如图2所示;电路组成框图如图2所示。
该电源板由三部分组成: 一是以FAN7530为核心组成的PFC电路,输出PFC-380V电压;二是以FSFR1700SIP为核心组成的主开关电源,为主板负载电路提供+24V、+12V 电压;三是以FSQ0265R为核心组成的副电源电路,不仅为主板控制系统提供+ 5VSB电压,还为驱动电路FAN7530和FSFR1700SIP提供VCC工作电压。待机采用控制PFC电路FAN7530和主开关电源FSFRI700SIP驱动电路VCC供电的方式。
待机控制电路由晶体管U956D、Q952、光耦合器U902 (PC817) 和QB901组成,对副电源向PFC电路和主电源驱动电路提供的工作电压VCCP进行控制。通电后副电源首先工作,为主板控制系统提供5VSB电压,控制系统工作后为电源板送入PSON开机高电平控制电压,副电源提供的VCC电压经待机控制电路为FAN7530和FSFR1700SIP提供工作电压,PFC电路和主电源电路启动工作,市电整流滤波后为电源板提供约300V经PFC电路校正后,提升到约380V,为主副电源供电。
主电源工作后,为主电路板和背光灯逆变器板提供+12V和+24V电源,整机进入开机收看状态。康佳34006395 (KPS180-02)电源板设有完善的保护电路:一是在副电源设有市电欠电压保护电路:由VAC分压电路RB901 ~ RB904,检测控制电路QB902、 QB904组成,对UB901的3脚VFB稳压电路进行控制。当市电电压过低时,上述整流分压电路输出的电压过低,QB902截止,后级QB904饱和导通,将UB901的3脚VFB电压对地短路,UB901 停止振荡,关闭输出。
二是在主电源二次侧设有以模拟晶闸管Q951、Q954为核心的保护电路:通过控制待机电路的光耦合器U902和晶体管QB901,对FSFR1700SIP的12脚和FAN7530的8脚VCC电压进行控制。当过电流、过电压保护检测电路检测到故障时,向Q954的基极送人高电平触发电压,模拟晶闸管电路被触发导通,将待机控制电路光耦合器U902的1脚电压拉低,与待机控制相同,U902 的发光二极管不能发光,光敏晶体管不导通,进而控制QB901截止,切断了VCC的供电电压,PFC电路和主开关电源停止工作,整机进人待机保护状态。因为模拟晶闸管电路一旦触发导通,就具有自锁功能,所以要想解除保护再次开机,必须切断电视机电源,待副电源的5VSB电压泄放后,方能再次开机。
康佳34006395 ( KPS180-02)电源板的集成电路引脚功能和对地电压见表1、表2。
康佳 34006395 ( KPS180-02)电源板发生故障,主要引起不开机、开机三无、开机黑屏幕故障,可通过观察待机指示灯是否点亮,测量关键点电压,解除保护的方法进行维修。该电源板主电源电路占整个电源70%的输出功率,高电压、大电流是故障高发的主要原因。对于电源板的维修,为了避免负载电路对电源板的影响,可拔掉电源板与负载电路的连接器,将5V电压与PSON相连接,提供开机高电平,对电源板单独进行维修。该电源板是宽电源输人(90 ~264V),可采用调压器降压维修的方法,降低输入电压会使开关管的反压降低,开关管就不容易损坏,24V电源可单独维修。
1. 待机指示灯不亮
指示灯不亮主要故障在副电源电路中。首先测量PFC电路输出滤波电容CF903两端是否有待机300V电压,无电压,故障在市电输人抗干扰电路和市电整流滤波电路。先检查熔丝F901 是否熔断。如果熔丝F901熔断,说明开关电源存在严重短路故障。主要对以下电路进行检测: 一是检查交流抗干扰电路c901 ~ c909和整流滤波BD901、 CF901、CF902 是否击穿漏电;二是检查PFC电路开关管QF902是否击穿;三是检查主电源厚膜电路FSFRI700SIP的1脚内部开关管是否击穿;四是检查副电源集成块FSQ0265R是否击穿,如果击穿,继续查TB901的1-3绕组并接的尖峰吸收电路元器件DB901、CB901、RB914。
FSFR1700SIP损坏,一是检查串联谐振电容CW911是否损坏,如果损坏,需选用2kV的优质电容更换。CW911既是隔直电容又是谐振电容,它将储存谐振的能量,由于谐振的能量取决于输出功率,故谐振电容的容量越小,其电压就越高;而且还提供谐振回路,给软开关提供最佳开关点,降低开关功耗,如果它损坏,FSFR1700SIP 很快也会损坏。二是检查FSFR1700SIP的9脚外部的供电电路DW905、FSFR1700SIP的2脚外部稳压电路光耦合器UW903。如果熔丝F901未断,测量副电源有无5VSB电压输出,指示灯不亮,主要是副开关电源电路未工作。测量副电源UB901及其外部电路元器件,如果UB901正常,先断开市电过低保护电路( QB904、RB911),然后检测UB901各个引脚的电压及驱动波形是否正常,进-步检测各部分外围电路; 5V电压不在正常范围内,检测稳压电路UB951、UB952及相关元器件是否正常。副电源输出端的负载电路发生严重短路故障,也会造成副电源无电压输出。
2.待机指示灯亮
指示灯亮,说明副电源正常。可按遥控器上的"POWER" 键,测连接器有无PSON开机高电平,无开机高电平,故障在微处理器控制系统;有开机高电平,测主电源开关变压器TW902的二次侧有无24V、12V直流电压输出。如果主电源始终无电压输出,说明主电源未工作,由于主电源380V供电由PFC电路提供,主电源vCC2供电由PFC输出电压控制,先查PFC输出端大滤波电容CF903的电压是否正常,如果仅为300V左右,则PFC电路未工作,检查PFC驱动电路UF901的8脚有无VCC1电压,无VCC1电压,检查开关机控制电路U956D、0952、 U902A、 QB901; 有VCC1电压,检测DF902、QF902是否短路损坏,检测UF901的7脚(DRV)输出的驱动波形是否正常,如异常,更换UF901。
PFC电路输出380V电压正常,检查主电源FSFR1700SIP的7、9脚有无VCC供电,无VCC供电,检查QW905、UW903 组成的VCC2控制电路,检测UW902各个引脚的电压及驱动波形是否正常,进一步检测各部分外围电路,如UW901已损坏,则更换; 12V/24V 电压不在正常范围内,检测反馈电路U952、UW903及其相关元器件是否正常。如果12V/24V只有其中- -路异常,检测此路的整流滤波电路元器件是否异常。
3.自动关机
发生自动关机故障的原因有:一是开关电源接触不良;二是保护电路启动。维修时,可采取测量关键点电压,判断是否保护和解除保护,观察故障现象的方法进行维修。在开机的瞬间,测量保护电路的模拟晶闸管Q954的基极电压,该电压正常时为低电平0V。如果开机时或发生故障时,Q954的基极电压变为高电平0.7V以上,则是以模拟晶闸管为核心的过电流、过电压保护电路启动。检测U956的8脚是否输出高电平,如果由正常时的低电平变为高电平,则是过电流保护电路启动,否则是过电压保护电路启动。
对于过电流保护:一是检查U956A/B/C及其周围电路;二是检查过电流保护取样电阻RW951、RW952是否阻值变大。对于过电压保护:一是检查引起过电压的主电源稳压控制电路U952、UW903;二是检查过电压保护取样电路ZD951、ZD952 是否漏电。确定保护之后,可采取解除保护的方法,通电测量开关电源输出电压,确定故障部位。
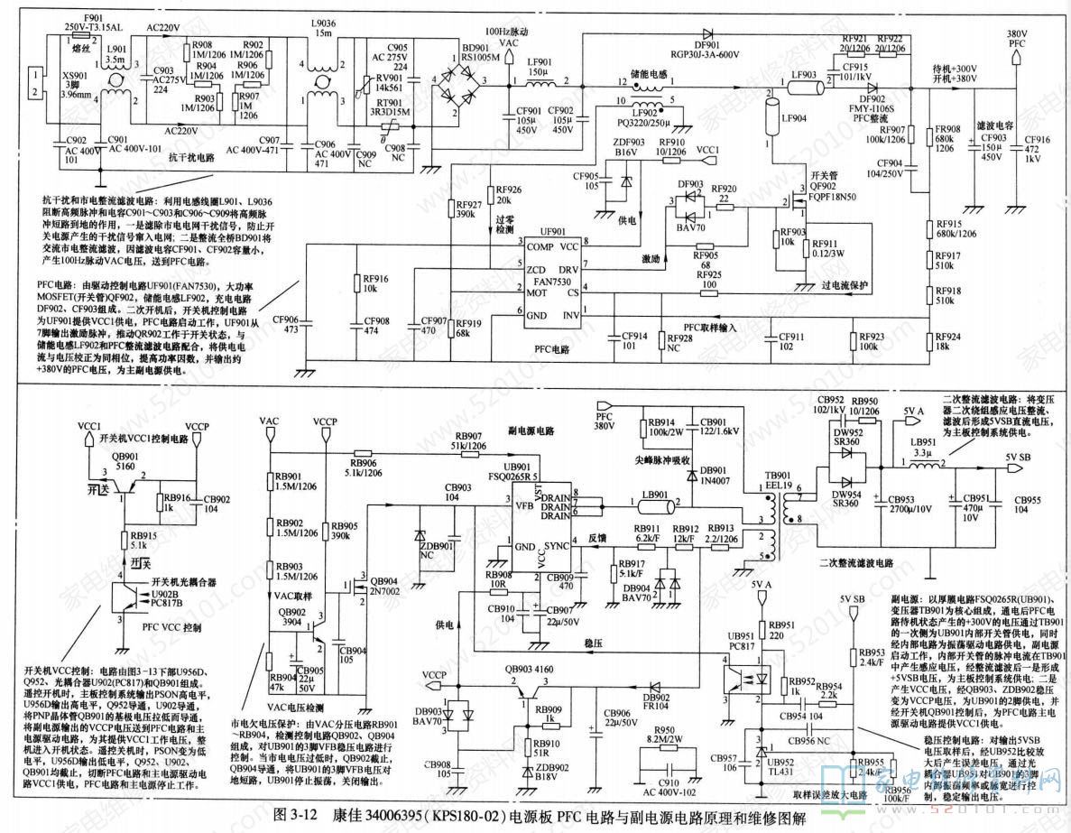
为了防止开关电源输出电压过高,引起负载电路损坏,建议先接假负载测量开关电源输出电压,在输出电压正常时,再连接负载电路。全部解除保护:将Q954的基极对地短路。逐路解除保护:可断开过电流保护检测电路的D952后开机测试,如果开机不再保护,则是过电流保护电路引起的保护,否则是过电压保护电路引起的保护。康佳34006395 ( KPS180-02)电源板PFC电路与副电源电路原理和维修图解如图3所示;主电源与保护电路原理和维修图解如图4所示。

