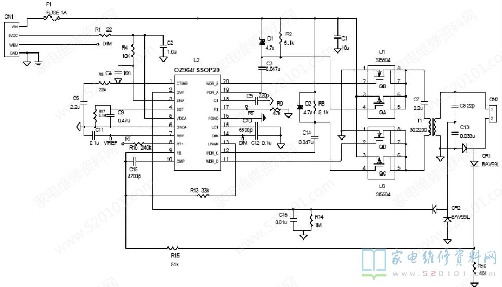
AU37寸液晶屏背光板电路结构如下图,是以背光控制集成电路OZ964为核心的电路结构,它有十个输出插座,一共要驱动20支CCFL灯管,每个变压器驱动一支灯管,有20个双MOSFET与20个变压器两两组成10个桥式功率推挽输出。背光板的两个输入插座向背光电路提供24V电源、背光控制电平和亮度调节PWM信号,其中CN2的PIN13是背光控制电平输入。
在背光板上有5只3.15A的保险F100~F500,每只保险与4个双MOSFET串联,同时还与驱动双MOSFET的由三极管和MOSFET组成的激励电路串联。
一、背光板IC介绍
1、OZ964(U3)背光控制
OZ964是O2Micro公司的一片专用于背光控制的高效率零电压切换的DC-AC转换IC,具有很宽的输入电压范围和固定的运行频率,其亮度控制可用一个模拟的电压或低频的脉冲宽度调制(PWM)信号控制。内置灯管开路保护、过压保护、欠压切断保护等。OZ964采用20脚SSOP封装。
2、OZ964关键脚位描述
2脚OVP(Over Voltage Protection)过压保护:该脚的取样信号是从变压器的输出送来的电压信号,IC内部设置的极限电平是2V,当取样电压达到这个极限电平时,IC内部OVP运放输出翻转,保护电路起动,4个输出激励端停止输出激励脉冲,灯管熄灭,同时,7脚也没有3.5V的基准电压输出,整个IC不工作。
3脚ENA(Enable)点灯使能端:该脚是IC运行与否的使能端,或者说是灯管点亮的控制端。临界电平设置于2V,当该脚输入电平高于2V时,IC开始运行,灯管点亮,当该脚输入电平低于1V时,IC停止工作,灯管熄灭。
7脚REF(Reference)基准电压:该脚是由5脚电源端经内部稳压后输出的一个3.5V基准电压,供IC内部和外部电路工作,IC保护时该脚没有输出。
9脚FB(Feed-back)输出电流反馈信号输入端(过流保护):临界电平设置于1.25V,当输出电流过大,通过电流取样电路,向该脚反馈一个电压信号,低于1.25V时,内部EA运放输出翻转,起动保护电路工作,IC停止输出,灯管熄灭。
17/18脚RT/CT振荡电阻和电容:该两脚内部是背光振荡电路,振荡频率由这两脚的电阻电容决定,运行频率f由下式决定:f「KHz」=65×10000/CT「pF」×RT「K」
二、OZ964的典型应用电路
三、背光板的维修
1、需要准备的工具:1、示波器;2、指针式万用表;3、能测量频率和电容容量的数字万用表。
2、维修机架的准备
找一块灯管完好的AU37寸旧液晶屏,再找一块ON37A的电源板,在电源板插座P802上的5V-Standby和Vcc-On之间并接一只20K电阻,并将Vcc-On引出一条线连接至背光板插座CN2的PIN13,作为背光控制信号,同时将电源板上的24V电源(实际输出20V)连接至背光板插座CN1上,电源板接通电源,10组灯管即能点亮。
3、不点灯,炸3.15A保险F100~F500中的一个
五个3.15A的保险是串联在20个双MOSFET组成的功率推挽电路及其激励电路上,其中F100串联在Q114~Q117双MOSFET及0欧电阻R118、R119、R120、R121和其串联的激励三极管上,F200串联在Q214~Q217双MOSFET及0欧电阻R220、R221和其串联的激励三极管上,F300串联在Q314~Q317双MOSFET及0欧电阻R320、R321和其串联的激励三极管上,F400串联在Q414~Q417双MOSFET及0欧电阻R420、R421和其串联的激励三极管上,F500串联在Q514~Q517双MOSFET及0电阻R518、R519、R520、R521和其串联的激励三极管上。
一般来讲,哪个保险熔断,肯定与其所串联的双MOSFET和激励三极管击穿短路有关,更换短路的双MOSFET或激励三极管后都能解决问题。
4、不点灯,3.15A保险完好
3.15A保险完好,说明与其串联的双MOSFET和激励三极管没有发生短路现象,故障应集中在背光控制IC(OZ964)及其外围电路上。首先应检查OZ964的供电,如果供电正常,应检查其基准电压REF脚有无3.5V电压输出,振荡电路有无三角波的振荡信号,OZ964的四个输出脚电压是否正常,有无激励信号输出。
一般情况,不点灯现象与双MOSFET和变压器组成的功率推挽输出电路没有直接的联系,因为背光板上有10个推挽输出,不可能同时损坏,只要有一组正常,OZ964有激励脉冲输出的话,灯管都能亮一下然后保护。
4、开机能点亮灯管,但瞬间熄灭
这显然是属于背光保护故障。前面我们介绍了背光保护有两种,一种是过压保护,一种是灯管开路保护,常见的是开路保护,如变压器初或次级绕组开路,变压器引脚虚焊等。
四、维修实例
故障现象:不点灯,保险完好
故障检修:根据故障现象,基本判断故障范围在OZ964及其外围。首先测量ZO964的供电脚5脚,发现电压很低,几乎为0V,顺着5脚查看电路板,发现OZ964的供电是由三端稳压U4(78M05)提供,如图所示。测Q1发射极电压20V正常,集电极无电压输出,测Q8集电极电压0.2V,说明Q8已导通,背光控制电平已经送到Q8的基极,故障元件在Q1、R39、R38、R16,查得Q1开路,更换一只PNP电流大于100mA的三极管开机,发现U4(78M05)炸裂,说明其负载电流过大或本身损坏。断电测78M05输出脚对地电阻500欧左右,未见短路,更换一只新的78M05后开机,灯管点亮,故障排除。
故障现象:不点灯,炸F100保险。
故障检修:从前面的分析可知,炸F100保险肯定与Q114~Q117双MOSFET及其激励电路短路有关。分别测四只MOSFET对地电阻,未发现有明显短路,分别断开R118、R119、R120、R121,发现当断开R121后不再对地短路,更换Q103、Q107复原四只0欧电阻,试机不再炸保险且灯管点亮,故障排除。
故障现象:灯管点亮1~2秒后熄灭。
故障检修:从故障现象看,显然是背光保护。仔细观看20只变压器,未发现有虚焊现象。开机,在灯管点亮瞬间用万用表交流1000V档测量20只变压器5脚输出电压,正常时万用表指针应该有跳动,当测到变压器T402时指针无动静,说明这路不正常。T402与T403并联由Q416、Q417驱动输出,既然T403的5脚有输出,而T402没有输出,问题只能在T402变压器本身。拆下T402检查,发现其初级绕组引线与引脚未焊接牢固,重新焊接并装回电路中通电,灯管不再熄灭,故障排除。
故障现象:灯管点亮1~2秒后熄灭。
故障检修:显然又是保护故障。按上例方法检查,发现T301的5脚无输出,拆下T301检查,发现其4-5脚次级绕组开路,更换一只新变压器后通电开机,灯管不再熄灭,故障排除。在维修AU37寸背光板发现变压器次级开路损坏的几率很大。
