【例1】一台康佳T5445型彩电自动搜索时能存台,收看时图像逐渐变得不清晰,且伴音中有杂音。
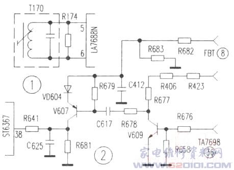
经检查是LA7688N⑤、⑥脚图像检波中周失谐而逃台,见图1。查中周内附瓷管电容已受潮漏电变黑,用免调中周代换后故障排除。
【例2】一台康佳E型机芯(ST6367+TA76820+TA7698】彩电自动搜索不存台。
试换图像及AFT中周无效果,测康佳专用CPU ST6367 38脚电台同步识别信号输入端电压偏低。相关电路如图2所示,检查图2中元件均正常,按照厂家提供技术改造方案改变R658的阻值,R676与68pF瓷片电容串联即可在有信号时提高CPU 38脚输入电压,试机测得CPU 38脚电压上升至5V左右,此时该机工作恢复正常。后接修多台同机芯不同型号康佳彩电的不存台故障,按照前述思路检修改造却无效果,可见厂家技改方案并非万能,经试验将R683改为5.2k时,CPU 38脚电压有信号时上升至6V左右,电视机出现虽能进号存储但自动搜索不停现象,再将其改为3k后CPU 38脚电压有信号时为5.1V左右,试机能正常进号存储,搜索完毕即自动停止,声图收看正常,故障彻底排除。
版权声明:本文为转载文章,版权归原作者所有,欢迎分享本文,转载请保留出处!