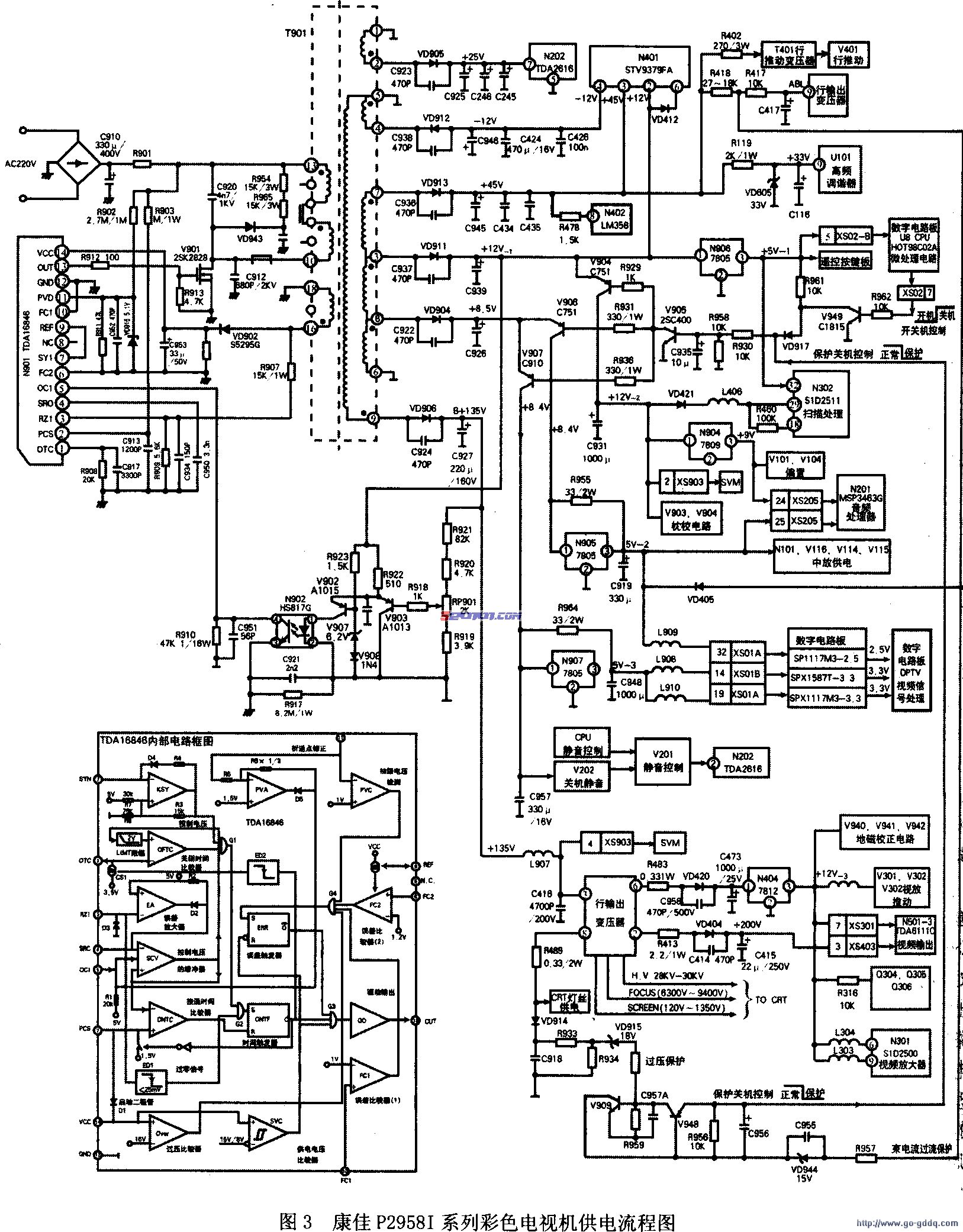
康佳P29581系列彩电分析-康佳P2958I系列彩电供电流程分析 2008-01-04 10:59:57 阅读 554 次 评论 0 条 摘要: 康佳P2958I系列彩电的供电流程如图3所示。由图3可见本机的供电系统由交流输入整流电路、开关电源控制输出电路、开关变压器次级整流输出电路、受控稳压直流输出电路、行输出变压器整流稳压输出电路、开/待机控制与保护关机控 康佳P2958I系列彩电的供电流程如图3所示。由图3可见本机的供电系统由交流输入整流电路、开关电源控制输出电路、开关变压器次级整流输出电路、受控稳压直流输出电路、行输出变压器整流稳压输出电路、开/待机控制与保护关机控制等电路组成,本文根据图3对其主要电路供电流程进行简要分析说明。 版权声明:本文为转载文章,版权归原作者所有,欢迎分享本文,转载请保留出处! 点赞 分享: PREVIOUS:康佳P29581系列彩电分析-数字音频信号处理电路特点 NEXT:康佳P29581系列彩电分析-开关电源输出控制电路 文章导航