一、海信4668电源组件特点
海信LED46K360X3D和LED55K360D3D两款电视,同属K360系列机芯(主芯片为MT5505AKDI),使用的电源组件编号分别为RSAG7.908.4688-08和-10。这两种电源组件中,由NCP1608、L811、V811升压整流管VD812等组成的PFC校正,与由NY175和T803组成的5VS副电源电路上元件参数和元件编号都相同,但由NCP1396、V831、V832组成的LLC主电源电路,开关变压器T831型号却不同,且由OZ9902组成的LED背光电压提升电路和LED灯电流控制电路有些元件参数也不同。
LED46K360X3D和LED55K360D3D使用的电源组件都是在编号为4688的电路上发展起来的,表1列出了RSAG7.908.4688-08与4688的区别。
  
 
表1中,R713接在灯电流控制管V703 S极上,S极流过电流即LED灯串流过的电流,电流通过S极与地间所接R702~R704、R729建立电压经过R713、R966、R734接入OZ9902 10脚,如图1所示。
        改变R713阻值,便可改变10脚电压。屏尺寸不同,背光LED灯串使用LED二极管数量不同,电源提供给灯串电流也不同,屏幕大,电流大,LED灯发光强,反之灯串电流将减小。当屏幕增大时,灯串流过电流会增加,如果仍用原电路,将会导致10脚电压超过标准,从而导致IC损坏,为此电路上可改变R713阻抗来降低去0Z9902 10脚电压,以此满足IC设计时规定的电压值。
      R702~R704及R927为灯电流检测电阻,四电阻上的电压用于控制灯电流。屏幕不同,这四只电阻的值也不同。同一尺寸的屏幕采用同电源组件时,这四只电阻的阻值不能随便改动,否则会影响背光亮度和色调。四只电阻上的电压经R713等元件去QZ9902 10脚,经IC内比较器控制OZ9902 11脚输出电流。11脚输出电流通过R735转换成驱动电压,送给V703的G极,通过GS极间电压的变化控制V703漏极电流(ID),保证灯电流的恒定。海信4665电源组件采用AP3041作背光电压提升和电流控制块,在IC 14脚也只接有一路由V903组成的灯电流控制电路,其工作原理与V703相似。有的液晶背光电路,在每个灯串回路都作了像V703这样的控制电路,如海信4584电源组件,背光控制电路采用OZ9908B,此IC可设计成六路LED灯电流控制电路,每通道有自己的灯电流检测及控制电路,通过单独控制灯串电流,实现了精确灯电流控制,防止相互影响,这样的电路通常在高档电视产品上应用了。
        VD853是采用NCP1396的主电源次级输出20V电压的整流二极管,该电压供给由L702、V701、VD702、C715、C716组成的LED灯电压自举提升电路。屏幕越大,要求VD853工作参数越高,在电源组件4688中,VD853使用功率相对小点的MUR160,而大屏幕机使用MUR240,两种二极管的主要参数见表2。 
  
 
"-08"电源组件是在海信LED55K360D3D(55英寸)电视上使用,LED灯供电电压要求高,灯电流也高.替换电源组件时,需要考虑这些区别,做相应改动,否则替换后整机无法维持正常工作。
 二、OZ9902C特点介绍
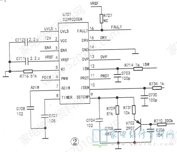
          OZ9902有两种封装IC,一种是24个引脚,一种是16脚封装,见图2。16脚封装的OZ9902CGN是一块单通道LED灯电流控制块,简称OZ9902C,在海信的RSAG2.908.4543和4688电源组件上使用,其引脚功能如图2所示,灯电压形成及电流控制同图1。 
  
 
         24脚封装的OZ9902A为双通道LED灯电流控制电路。
          OZ9902C引脚功能及工作特点如下: 
          ①脚自举电路供电欠压检测端,当此脚电压低于3.0V时,启动保护并停止输出驱动脉冲。主电源送出的120V电压经分压电阻R721~R723得到4.4V,电压接入①脚,IC正常工作,当主电源送来电压低于80V时,①脚电压低于3V ,芯片15脚将停止输出驱动脉冲,背光不亮。
         ②脚为IC供电脚,正常时为12V。此电压由主电源次级VD852.C841.C843.C844整流滤波产生,同时还供给主板相关电路。此脚电压不能低于6.0V,否则IC会停止工作,当电压超过7.5V时,IC会启动工作。
         ③脚为ENA使能脚,要求有高于2.0V电压IC才启动工作。主板输出的背光启动信号sw (或BLON/OFF )经电源板上R719.R720分压产生该使能电压,同时,IC的④脚输出VREF电压。
         ④脚接IC内部基准VREF电压形成电路,产生5V供IC内外电路工作(此电压不得低于4.6V)。如果此脚无5V电压,需查②、③脚外部电路及IC本身。当该脚电压低于3.7V时,IC不工作。
         ⑤脚RT外接电阻设定OsC振荡器频率。此脚外接电阻越小,IC振荡频率越高,反之越小。若此脚元件性能不良,输出驱动信号频率不稳,易导致开关管V701击穿损坏。
         ⑥脚PWM,背光亮度输入脚,要求PWM脉宽频率范围在100Hz~20kHz,信号幅度峰值范围在1.0V~2.0V间,当此脚电压高于2.0V时,灯最亮,低于1.0V时,灯全黑。PWM亮度控制信号受2D、3D画面切换控制,如图3所示。 
 
       当电视机工作在2D状态时,由主板送来的PWM亮度控制信号通过VD755接入⑥脚,此时3D-ENA信号为低电平。当电视机工作在3D画面时,控制系统送出3D-ENA使能开关信号为高电平,V916、V915饱和,此时主板送来的PWM被V916短路到地,而逻辑板送来的3D-PWM信号通过V914接入⑥脚,此时VD755反偏截止PWM信号与④脚输入信号进行比较,通过OZ9902C内部比较放大后,从①脚输出驱动电压加到V703栅极,由V703调整背光电流,实现背光亮度调整。
          ⑦脚,ADMIN 模拟背光调整输入,通常不用此路作背光亮度调整。为保证IC正常工作,VREF(5V )通过R711、R712分压产生2.5V电压接入此脚。
          ⑧脚 TIMER延时保护控制脚,当此脚电压上升到3.0V时,IC处于锁死停止状态,背光灯不亮。在灯供电出现过压(OVP )、过流或过载时,IC内电流源恢复对此脚外接电容C707充电,当C707两端电压达到3.0V时,IC停止工作,从而关闭背光。正常工作时此脚电压为0V。
          ⑨脚 SSTCMP软启动+补偿控制脚,参见图2,此脚外接由V702、C706组成的延时控制电路。在IC启动时,由于C706两端未建立电压,此时V706饱和导通,这样⑨脚电压为OV,随着C706建立电压,V706逐渐进入放大状态,最终达到截止,IC完成软启动过程,电路振荡进入正常状态。故OZ9902CGN正常工作时,此脚应有高电平电压。 
 
         10脚ISEN,灯工作电流检测端。10脚内置比较器,10脚输入电压与基准电压进行比较产生误差信号,从11脚输出去控制灯串电流。比较器基准电压设定(ADJ)与⑦脚ADMIN有关。若ADMIN脚电压大于1.5V ,10脚ISEN内比较器基准电压固定为0.3V。当ADMIN脚电压低于0.5V时,ADJ脚电压固定为0.1V.10脚输入电压与基准电压比较也能限制通过灯串的最大电流。
          在海信4688电源中,ISEN脚内基准电压设定为0.3V (因为⑦脚ADMIN电压超过1.5V),故灯串通过最大电流应为0.3V除以R702~R407.R729四个10Ω电阻的并联值,即最大电流为120mA。当LED灯串通过最大电流超过此值(也就是ISEN脚电压超过0.3V),且持续200ns后过流保护启动,关闭驱动信号,LED灯供电提升电路停止工作,灯串因无正常供电而不发光,与此同时16脚呈高电平。
          灯串电流回路(参见图1):灯电流从自举电压提升电路产生的LED1+端流出,经插座XP803接入灯串1 正极,从XP803的LED1-脚流入第二串的LED2+(串2正极),经串2后从串2负极(即XP803的LED2 )端流出,接入VD856的正极处,经T831、L704及V703的S、D极、R702- R704、R729后回到地端,形成灯串电流回路,显然灯串的供电由自举提供电压LED1+T831绕组产生的LED2_电压叠加实现。 这样既提高灯供电电压,又降低了T831及储能电感L703的体积等参数。灯电流在通过R702~R704、R729上建立电压,通过R713接入OZ9902C 10脚,通过内部比较及PWM控制电路后,从11脚输出电压控制V703,以改变V703的S、D极电流,即实现灯电流校正。当灯出现击穿短路、10脚电压超过0.3V阈值时,IC快速关断15脚驱动脉冲,背光不亮。同时,16脚输出故障检测信号,以保护其他电路。
     10脚ISEN也是灯过载保护端。当ISEN脚电压下降到阈值电平(海信为0.3V)的75%时,即10脚电压低于0.22V时,IC内过载保护电路将被触发,同时内电流源将对⑧脚外接电容充电,当电容两端电压达到3.0V时,立即关闭驱动脉冲,背光不亮。
          11脚,灯电流大小控制输出。
     12脚( ISW )是提升电路中开关管V701工作电流检测脚,当此脚电压超过阈值0.5V时,IC将启动过流保护功能,停止驱动输出,背光不亮。
         13脚OVP,过压检测。分压电阻R724~R726接在灯供电端,它们分压产生电压送入13脚,当该电压超过3.0V时,过压保护启动,立即关闭驱动输出,等灯供电下降,再次启动驱动输出,此时软启动脚电压将变化以维持驱动信号占空比。当OVP达到阈值3.0V时,IC内电流源启动对⑧脚外接电容充电,当⑧脚电压达到3.0V时,IC锁死停止工作,故⑧脚外接电容建立电压所需的时间即为oVP过压延时保护时间。当OVP脚电压低于3.0V时,⑧脚外接电容将放电,IC恢复正常工作。OVP脚还具灯串对地短路保护功能,当oVP脚低于0.2V时,此保护功能启动,电路停止工作,背光不亮。
         14脚地。
         15脚驱动脉冲输出,接V701的G极。
         16脚故障检测标志输出,该板未使用此脚功能。正常工作时,此脚应为低电平0V,当电路处于关断锁死模式时,此脚将为高电平。 
 三、OZ9902A工作特点介绍
         OZ9902A有24个引脚,用于海信、康佳等液晶彩电中,图4是它在编号为4149海信电路板上的部分电路。 
 
         OZ9902A与0Z9902C区别在于,它能组成双路LED灯供电提升电路和灯电流控制电路,以提供大屏幕电视背光源所需工作电压和电流。其中,7、11、17~23脚组成第一路LED背光驱动电路,8、12、13~16脚组成另一路背光控制电路,两通道电路结构完全相同。⑦.⑧脚分别是两通道背光亮度控制端,来自主板同一支路,其工作原理与C系列相同,正常工作时应为高电平。⑨脚为模拟电平背光亮度控制端,在LED灯驱动电路中,通常不使用此控制方式,故此脚通过分压电阻R909.R963对12V分压提供固定电压(2.4V)。
        11、12脚分别为两驱动的软启动控制脚,此脚电压达到高电平时,电路进入稳定工作状态。
        14、18脚分别为两通道LED灯串电流控制输出,分别接两通道灯串回路中MOSFET管V903.V904 (未在图中画出)的栅极,以此控制v903、V904的D、S极电流,校正灯串电流大小,使灯工作电流恒定。
       v903、V904的D、S极工作电流经各自s极所接电流检测电阻形成检测电压,反馈回13、17脚,与PWM脚送入电平一起经内部电流控制后,从14、18脚输出控制V903、V904的电流。当13、17脚电压上升达到阈值电平时,将关闭整个IC,并从24脚输出高电平去其他电路。16、20脚分别是升压电路中开关管v901 ,v902 的s极电流检测反馈输入端,当电路出现过流时,立即关闭
 22、23脚驱动输出。正常工作时,16、20脚电压为0V。
     10脚为延时保护控制端。当电路出现过流或过压、过载时,IC内电流源对10脚外接电容充电, 当达到3V时,关闭22、23脚驱动脉冲。
         24脚为两路灯控制电路过压或过流故障标识输出,正常工作时为低电平,电路出故障时为高电平,但该机没用此脚。
        1脚接欠压检测输入端。主电源提供给自举电路的I或80V电压经R901~R903分压后产生大于2.5V电压,不影响IC工作状态。
        ③脚为IC启动使能控制端,来自主板的背光启动制信号BL ON/OFF,工作时此脚电压大于2V。
        ⑥脚为同步信号端,如果电路使用两块OZ9902作多个LED灯串电压提升及电流控制电路时,两块OZ9902⑥脚将连接,不使用时接RC元件到地或悬空。
         N901的22、23四脚输出驱动脉冲相位相同,23脚输出驱动开关信号,控制电压提升电路中的v901,当v901导通时,60V电压通过储能电感L901 V901形成电流回路,在L901中储存能量;当V901截止时,L901中感应电压极性反转,通过整流管VD901对电容C908充电,同时在C908上再叠加上60V电压,故C908两端电压高于60V,供第一组LED灯串工作。V901工作电流受V901 S极所接R913、R914、R921限制,三只电阻上建的电压反馈回20脚,当20脚电压超过阈值时,IC将停工作。第一组灯回路中 串接V903,用于灯电流控制的部件。v903栅极控制信号来自18脚。而18脚驱动电压大又受⑦、⑨脚电平和17脚反馈电压的控制。17脚反馈信号是灯电流通过v903 s极所接电阻R927~R929和R952建立的电压,故17脚是灯电流限制元件,同时也是过流检测元件。
       OZ9902A 22脚所接v902与L902、 VD902、C909组成的电路其工作方式与v901相同。第二组灯回路中V904,它也是灯电流控制部件, 其驱动来自14脚。13脚输入信号来自v904的s极所接电流检测电阻R947~R948和R957所建立电压。13脚输入信号与⑧、⑨脚输入电压决定14脚驱动电流大小,再经V904控制灯电流恒定。13脚内接电流比较放大电路和过流检测电路,当13脚电压超过阈值时,将会关闭整个背光电路。
 四、OZ9902常见故障检修
        故障现象1:背光时亮时不亮。主要检查灯串插座有无接触不良或打火问题。
        故障现象2:开机后背光亮一下立即熄灭。
 这种情况表明背光电路已能工作,故障可能出在保护电路,对于OZ9902C组成的电路,应查①脚欠压电阻R721~R723 (4149 电源组件OZ9902A应查①脚外R901~R903)包括滤波电容C713。其次查过压检测(ovP )或电流检测( ISw )脚和灯串过流ISEN脚外接元件。另外,可反复开/关机,监测0Z9902⑧脚(TIMER定时端)电压,如果达到3.0V,说明电路存在过流或过压、过载情况。反复开/关电源,检测①脚(灯电流检测脚)电压,不能超过0.3V(过流)或低于0.22V(说明过载了),最后检测v703的s极所接过流检测电阻及灯插座及LED灯珠是否正常。
        故障现象3:背光不亮(以电源4688为例)。此现象说明背光电路根本没工作或灯电压没加到屏灯上。1.测量主电源VD853.VD856端的正、负电压是否存在,VD852负端是否有12V ,如果异常,检查主电源LLC电路。2.检查以V701、L702、VD702等元件组成的升压电路,测电容C715两端是否有超过120V的电压,如果没超过,表明外电路没有工作。3.测 OZ9902②脚12V供电,如果不正常,查T831次级相关整流滤波元件。如果12V正常,再测OZ9902c①脚电压是否超过3.0V,如果没有,则说明欠压保护电路有故障,查①脚外接检测元件R721-R723.C713等。4.测0Z9902C③脚电压是否大于2.0V,如果没有需查主板送入电源组件的背光启动电压。正常时主板送往电源组件的BL ON/OFF信号电压应大于4V,如果此电压很低,表明故障在主板(注:将插座XP901⑤脚与①脚短接,若背光亮,也可判定故障在主板,否则在电源背光电路),否则检查OZ9902c③脚外接元件R719.R720.C710。5.测IC④脚电压,如果低于4.6V,先替换④脚外接C711,若仍不能排除故障,则替换IC。6.检查DRV输出脚与V701的G极之间的元件,正常时这两点间的电阻很小( 10Ω),如果电阻太大,判定电阻R708变质。V701 损坏还有可能是OZ9902⑤脚振荡电阻R716异常。如果由V701组成的电路无故障,则检查由V703组成的电流控制电路是否正常。
        在采用OZ9902A组成的双通道LED电压提升电路中,若一路提升电压输出异常,将会出现屏幕上光栅亮度不均匀现象,如一边亮一边暗。
        区分故障发生点的方法是测两路背光电压是否相同,即测C908、C909正端电压是否有139V电压,如果有,说明故障在逻辑板或屏上,否则故障在背光电路。实测C908输出有139V, 而C909上只有78V,显然故障在v902组成的电压提升电路或第二背光灯有故障。为快速判定故障发生部位,将VD902断开,将c908输出电压接入C909正端开机,故障消失,由此推断故障在V902组成的升压电路上,后检查发现系电阻R931虚焊,补焊后开机电视机工作正常。另外c908、C909热稳定性差,电路板漏电等,也会出现光栅亮度不均匀现象。 
